- 您的位置:
- 标准下载网 >>
- 标准分类 >>
- 电子行业标准(SJ) >>
- SJ/T 10519.32-1994 塑料注射模零件 支柱
标准号:
SJ/T 10519.32-1994
标准名称:
塑料注射模零件 支柱
标准类别:
电子行业标准(SJ)
标准状态:
现行-
发布日期:
1994-04-11 -
实施日期:
1994-10-01 出版语种:
简体中文下载格式:
.rar.pdf下载大小:
67.22 KB
替代情况:
SJ 2530.31-84
部分标准内容:
中华人民共和国电子行业标准
塑料注射模零件支柱
Componentsof injectionmouldforplasticsSupportpillar
主题内容与适用范围
本标准规定了塑料注射模支柱的结构尺寸、标记示例及技术要求。本标准适用于塑料注射模各种模架的支柱。2引用标准
GB1298
GB1184
SJ/T10520
3结构尺寸
优质碳素结构钢钢号和一般技术条件碳素工具钢技术条件
形状和位置公差未注公差的规定塑料注射模零件技术条件
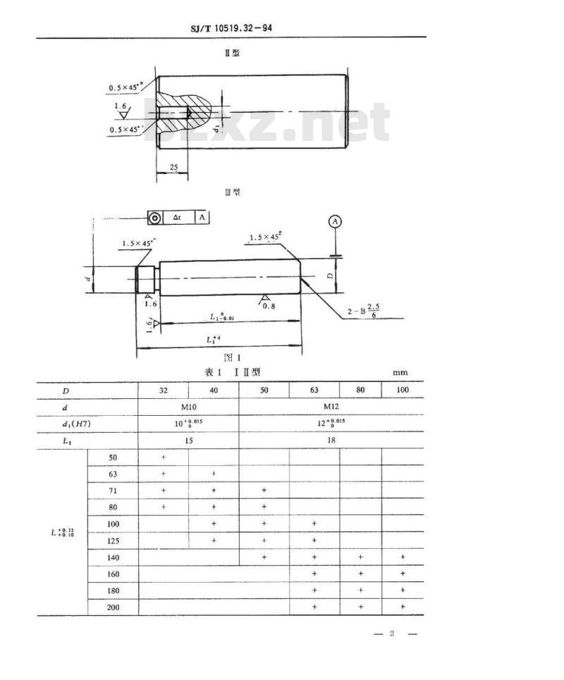
支柱的结构尺寸应符合图1和表1的规定。I型
中华人民共和国电子工业部1994-04-11批准SJ/T10519.32-94
代替SJ2530.31-84
其余6.3/
1994-10-01实施
d,(H7)
L+8:18
SJ/T10519.32-94
表1IⅡ型
基本尺寸
L系列
标记示例
极限偏差
SJ/T10519.32-94
表2Ⅲ型
基本尺寸
极限偏差
40,50,6371,80,100,125160,180,200,250,3D=40mmL=80mm,I型的支柱;
支柱,mm:I@40x80SI/T10519.325技术要求
5.1材料:45号钢,其技术要求应符合GB699的规定。T10A钢,其技术要求应符合GB1298的规定。5.2热处理:45号钢HRC43~48。
T8AHR53~58。
5.3图中标注的形位公差t值按GB1184附表3的6级规定。5.4其它按SJ/T10520规定。
附加说明:
本标准由电子工业部标准化研究所归口。本标准由电子工业部标准化研究所、768、716、772厂负责起草。本标准主要起草人孙桂英、胡德孝、吴平、陈锦文。3
40~160
50~125bzxz.net
80~180
100~200
125-250
160~315
小提示:此标准内容仅展示完整标准里的部分截取内容,若需要完整标准请到上方自行免费下载完整标准文档。
塑料注射模零件支柱
Componentsof injectionmouldforplasticsSupportpillar
主题内容与适用范围
本标准规定了塑料注射模支柱的结构尺寸、标记示例及技术要求。本标准适用于塑料注射模各种模架的支柱。2引用标准
GB1298
GB1184
SJ/T10520
3结构尺寸
优质碳素结构钢钢号和一般技术条件碳素工具钢技术条件
形状和位置公差未注公差的规定塑料注射模零件技术条件
支柱的结构尺寸应符合图1和表1的规定。I型
中华人民共和国电子工业部1994-04-11批准SJ/T10519.32-94
代替SJ2530.31-84
其余6.3/
1994-10-01实施
d,(H7)
L+8:18
SJ/T10519.32-94
表1IⅡ型
基本尺寸
L系列
标记示例
极限偏差
SJ/T10519.32-94
表2Ⅲ型
基本尺寸
极限偏差
40,50,6371,80,100,125160,180,200,250,3D=40mmL=80mm,I型的支柱;
支柱,mm:I@40x80SI/T10519.325技术要求
5.1材料:45号钢,其技术要求应符合GB699的规定。T10A钢,其技术要求应符合GB1298的规定。5.2热处理:45号钢HRC43~48。
T8AHR53~58。
5.3图中标注的形位公差t值按GB1184附表3的6级规定。5.4其它按SJ/T10520规定。
附加说明:
本标准由电子工业部标准化研究所归口。本标准由电子工业部标准化研究所、768、716、772厂负责起草。本标准主要起草人孙桂英、胡德孝、吴平、陈锦文。3
40~160
50~125bzxz.net
80~180
100~200
125-250
160~315
小提示:此标准内容仅展示完整标准里的部分截取内容,若需要完整标准请到上方自行免费下载完整标准文档。
标准图片预览:



- 其它标准
- 热门标准
- 电子行业标准(SJ)
- SJ50681.76-1994 SMC系列(不接电缆)插针接触件印制电路板用2级射频同轴插座连接器详细规范
- SJ/T31399-1994 避雷器完好要求和检查评定方法
- SJ/T31439-1994 除湿机完好要求和检查评定方法
- SJ/T31341-1994 LOGPOINT2型灯光插件台完好要求和检查评定方法
- SJ/T31344-1994 GP3.5kW高频感应加热机完好要求和检查评定方法
- SJ/T10586.3-1994 DW-217型电子玻璃技术数据
- SJ1805-1981 2CC126型硅调频变容二极管
- SJ2241.7-1982 CWT9J型同心型微调电容器
- SJ3006.3-1988 组合冲模 下圆角刃口
- SJ/T9551.2-1993 薄膜介质装有整体C类预调电容器的A类调谐可变电容器质量分等标准
- SJ/T31445-1994 热力管道完好要求和检查评定方法
- SJ/T10783-1996 电子器件详细规范 半导体集成电路CD7176CP伴音中频放大电路(可供认证用)
- SJ1553-1980 测温型负温度系数热敏电阻器总技术条件
- SJ2477-1984 发射管灯丝断续通电试验方法
- SJ2534.13-1987 天线测试方法 电磁辐射的危害
- 行业新闻
请牢记:“bzxz.net”即是“标准下载”四个汉字汉语拼音首字母与国际顶级域名“.net”的组合。 ©2025 标准下载网 www.bzxz.net 本站邮件:bzxznet@163.com
网站备案号:湘ICP备2025141790号-2
网站备案号:湘ICP备2025141790号-2