- 您的位置:
- 标准下载网 >>
- 标准分类 >>
- 电子行业标准(SJ) >>
- SJ/T 10281-1991 磁性零件有效参数的计算
标准号:
SJ/T 10281-1991
标准名称:
磁性零件有效参数的计算
标准类别:
电子行业标准(SJ)
标准状态:
现行-
发布日期:
1991-11-12 -
实施日期:
1992-01-01 出版语种:
简体中文下载格式:
.rar.pdf下载大小:
149.09 KB
部分标准内容:
中华人民共和国电子工业行业标准磁性零件有效参数的计算
Calculation of the effective parameters of magnetic piece parts本标准等同采用IEC 205号标准。有关使用有效参数的一些说明
超星阅览器提醒您:
使用本复制品
重箱关知识产权!
SJ/T 10287 91
IEC205
在以材料特性为基础计算磁芯的磁特性时,可以采用所谓的有效参数。对于这种计算方法,磁芯被一个理想的环所代替,如果使环上绕的钜数和烦来碰芯上的线医匝数相同时,则可得到完全相间的电性能。
这个代用环的磁特性和尺寸参数叫做有效参数,有关这种特性的符号加上下标“e\来表示。
这些有效参数是!
磁场强度 H.
磁通癌度 B.,
—有效磁导率41
碰路长度 le
横截面积A.1
碰芯体积V
在下面两个假设成立的情况下,可以根据磁芯的尺寸和材料特性计算有效参数。一在磁芯的每一个横截面内磁通都是相同的(也就是无漏磁通):在一个横截面内,磁通是均匀分布的。在应用有效拳数计算磁滞摄耗时,瑞利公式应是有效的,B-(μ+)H+(\-H\)
在利用有效参数的情况下,任意几何形状的磁芯的通用磁踏方程可简化如下:OHdI-Ni
P,=fdV HE
借助于LN
变为Hl N
变为+= B,A.
变为 Ph. fV。HdB
,B。可推导出下面用于计算有效参数的公式。中华人民共和国机械电子工业部1991-11-12批准(1)
1992-01-01实施
SJ/T 10281—91
为便于实用,尺寸参数一般以毫米来表示,这样在电避方程中就出现了应的10的超星阅览器提醒您:
注;1)仅适用正弦电压,
B-u100 n
V,.4.L金箱奖识产权!
使用本复制品
对于横裁面裕磁陷方向为连续变化的磁芯和磁芯的某些部分,可以用积分来代替上述公式中的求和。
由这些有效睾数可接下式计算其自感和磁滞损耗L= orAi1o-
对于有小气离的磁芯,这个方程也是适用的。计养任时应考虑气随的影响,符导一跑表
微芯给定部分的横面积(mm\)
有效横毅面积(mm*)
磁通密度的瞬时值(T)
有效磁通密度的臀时值(T)
有效磁通密度蜂值(T)
磁芯常数(mm-l)
磁芯常数(mm=\)
磁滞损耗角正切
频率(Hz)
磁场强度膦时值(A/m)
磁场强度峰值(A/m)
有效磁场强度的瞬时值(A/m)
有效磁场强度峰值(A/m)
材料磁滞常数(T-1)
电流瞬时值(A)
电流峰值(A)
磁芯横截面积相等部分的长度(mm)磁芯有效磁路长度(mtm)
自感(H)
避性常数,4元 × 10-7(H/m)
相对摄幅磁导率
有效磁导率
相对起始磁导率
相对避寻率,通用的符号
璐利磁滞系数(m/A)
角题率 = 2元f(rad/s)
磁游摄耗(W)
SI/T 102B1-91
半个周期的电压平均值(V)
电压峰值(V)
体积(mn*)
有效体积(mm)
磁通的瞬时值(Wb)
磁通的峰值(Wb)
主翻内容与适用范围
1.1主题内容
超星阅览器提醒您:
请尊重箱美知识产权!
复制品
使用本
本标难规定了用缺磁材料增加磁路磁导率的闭合磁路的有效数计算的统一规则。1.2适用范围
本标准适用于构成闭合磁路的各磁芯构件:2基本规则
2. 1所有结果应以毫米表示并应精确到三位有效数字,但为推算 I.、A, 和 VC,和 C2 的值应计算到五位有效数字。
往;规定这一精度的目的只是为了保证依不同基避计算的这些参数的统一,并不意味誉这些参数部能按这一精离度测定,
2.2米制和英制的换算接 1in(英寸)=25. 4mm 进行,并四舍五入至所需精度。取0.3927。
2.4计算时所用的尺寸均取相应零件图上公差范国的平均值。2.5磁芯外形所有的不规则部分,如小的倒角、缺口、凹槽等可忽略不计。除非在下面的章节中另有说明。
2.6在计算零件拐处时,其平均磁路长度应取两相邻均均部分面中心连线的环形苹均路径,前与此长度有关的截面积应取两相邻裁面积的平均值3各类磁芯的公式
下列各条款所用符号已在“有关使用有效参数的一些说明中定义。3.1均勾圆环
SJ/T10281—91
注:①对于具有清角的矩形截面的圆环,the - h
hgloge
ra(4r)
②对于具有一个平均曲率半轻为,的涵角的矩形截面的圆环:h。=h(1 — k),
0,85843
h(rz — )
对于具有情角的梯形龈面的圆环。he - h(1 -k)
h(tama + tanp)
2r。-r)
@对于具有一小曲率半径为,的圆角的形载面积圆环,h = h(1 - k, - k,)
(4z)
卓阅览器
产权!
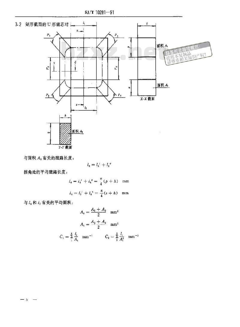
③当缓虽在磁环上为均匀分布时,可以想象,磁环内部的所有点上的磁力线都平行于它的表面,没有潜磁通离开或进入,这就表明完全可以适用理论上更为确划的有效参数推导方法,而不必涉及本标准“有关使用有效参数的一些说明中关于在整个横截面上磁通均勾分布的假设。3. 2矩形截面的U形磁芯对
面积名
-Y粮面
与面积A,有关的磁路长度:
拐角处的乎均磁路长度:
SJ/T 1028191
ta+t\-
(p+h) mm
圣(s+h) mm
与1和4有关的平均面积
A, + A2
A =A+A
x-x费面
超星阅览器提醒您:
面积 Ar
请尊重相关知识产权!
使用本复制品
面积A
3.3圆形截面的L:形磁芯对
F-Y面
面积 A
S3/T 10281—91
在计算A,时不考虑为了便于制造而引起的凸起。与面积A:有关的磁路长度:
t= +f,
拐角处的乎均磁路长度
(p+)mm
与和有关的平均面积:
识产权!
面积A
3.4矩形截面的E形磁芯对
半个中心柱的面积:A。
拐角处平均磁路长度:
与1,和有关的平均面积:
SJ/T10281—91
面积A
Y-Y栽面
(p+h)mm
(-1) mm
同览器提醒您:
请尊重桶关知识产权!
面积A复制品
面积A
面积A
3.5形面的E形磁芯对
半个中心柱的面积
满足 A, = A,\的条件为:
拐角处平均磁璐长度:
与和1 有关的平均面积:
SJ/T 10281--91
面积A:
Y-Y截面
A - As + A
S1 = 0. 5959s
#(p—h)mm
(2s+h)mm
At A+A
星阅览器提醒您:
用本复制品
相关知识产权!
面积A
面积A
面积 A*
面积As
面积Al
-教面
3.6完璧的罐形磁芯:
外环的面积
满足 A, = A,\的条件为
中心柱面积,
满足 A, = A,\的条件为:
环的面积:
SJ/T 10281-91
A, -A+A\
S =—+
X-X 截面
A, =A-A
A = u(r, -r)(r +r,)
对二个平面:
2元*h
中心柱面积:
Ag - w(rg -rr++ri) mm
拐角处的平均磁路长度,
(25 +h)mm
(25,+h)mm
与和有关的面积:
超星阅贸
使用本复制品
康程车金箱关知识产权!
面积A
面积 A',
SJ/T 10281-91
-r: +2rh) mm
注:这个计算忽略了糖沟的影响,这种影响可形如下的修正来考患;从 A: 鼠去 ng(r,—r,)
乘以一
祭乘以一
A,囊以I-
一槽数
g=槽的斑度。
3.7完整的交受形磁芯(X避芯)
x(ra+m)
面积争
面积,
图插脚不形磁芯
面疯A*
超星阅览器提醒您:
请擎重箱关知识产权!
使用本复制品此内容来自标准下载网
画积会
面积A,
直娠脚不形殖芯
X-I撕面
中心柱面积,
A, =A +A,\ mm
摘足 A,= A\的条件为
边柱的总面积:
对圆边柱的磁芯;
A, = 4(r -
式中:
α- arc sin
一对直边柱的磁芯:
A4orV2-rr.
V4ri c*
V(4ri- 6b) --
(a*+)) nm*
式中:
p= arc sin
与2有关的磁芯常数:
一对圆边柱的磁芯
对直边柱的磁芯;
中心柱的面职:
拐角处的平均磁路长度
SJ/T 10281—91
h(45 = a)
(nh 45 -9 - n
t, +t, 2(r ---r) mm
A,- 4-b-h mm*
As =-(ri-) mm?
+=h + (V-1) -
I, - t, +I.\ -.
与1有关的总面积,
对国边柱的磁芯
A, 40
式中:
a=are sin-
对直边柱磁芯
式中:
β= arc sin
与 ,有关的总面积,
ea))mm
(ri-)+ xhrmm
向中心柱相连接的圆环处的磁路长度t= +t\= 2(r, -r)
与儿有关的磁芯常数:
0-733tog10
超星阅览器提醒您:
使用本复制品
请擎重箱关知识产权!
3.8完整的方形磁芯(RM孩芯)
aay +m
边柱的总面积
SJ/T 10281—91
-a\[1 +tg(3 - 45)} - π .
与有关的磁芯常数:
式中:
I2 12 + 2\
i nin - Iin
(— —).f
2(c . -h)
注:表面 A,和 A,可以用计算或测量的方法来确定。如用面积仪在放大十倍的磁芯图上进行测量,中心括的面积:
小提示:此标准内容仅展示完整标准里的部分截取内容,若需要完整标准请到上方自行免费下载完整标准文档。
Calculation of the effective parameters of magnetic piece parts本标准等同采用IEC 205号标准。有关使用有效参数的一些说明
超星阅览器提醒您:
使用本复制品
重箱关知识产权!
SJ/T 10287 91
IEC205
在以材料特性为基础计算磁芯的磁特性时,可以采用所谓的有效参数。对于这种计算方法,磁芯被一个理想的环所代替,如果使环上绕的钜数和烦来碰芯上的线医匝数相同时,则可得到完全相间的电性能。
这个代用环的磁特性和尺寸参数叫做有效参数,有关这种特性的符号加上下标“e\来表示。
这些有效参数是!
磁场强度 H.
磁通癌度 B.,
—有效磁导率41
碰路长度 le
横截面积A.1
碰芯体积V
在下面两个假设成立的情况下,可以根据磁芯的尺寸和材料特性计算有效参数。一在磁芯的每一个横截面内磁通都是相同的(也就是无漏磁通):在一个横截面内,磁通是均匀分布的。在应用有效拳数计算磁滞摄耗时,瑞利公式应是有效的,B-(μ+)H+(\-H\)
在利用有效参数的情况下,任意几何形状的磁芯的通用磁踏方程可简化如下:OHdI-Ni
P,=fdV HE
借助于LN
变为Hl N
变为+= B,A.
变为 Ph. fV。HdB
,B。可推导出下面用于计算有效参数的公式。中华人民共和国机械电子工业部1991-11-12批准(1)
1992-01-01实施
SJ/T 10281—91
为便于实用,尺寸参数一般以毫米来表示,这样在电避方程中就出现了应的10的超星阅览器提醒您:
注;1)仅适用正弦电压,
B-u100 n
V,.4.L金箱奖识产权!
使用本复制品
对于横裁面裕磁陷方向为连续变化的磁芯和磁芯的某些部分,可以用积分来代替上述公式中的求和。
由这些有效睾数可接下式计算其自感和磁滞损耗L= orAi1o-
对于有小气离的磁芯,这个方程也是适用的。计养任时应考虑气随的影响,符导一跑表
微芯给定部分的横面积(mm\)
有效横毅面积(mm*)
磁通密度的瞬时值(T)
有效磁通密度的臀时值(T)
有效磁通密度蜂值(T)
磁芯常数(mm-l)
磁芯常数(mm=\)
磁滞损耗角正切
频率(Hz)
磁场强度膦时值(A/m)
磁场强度峰值(A/m)
有效磁场强度的瞬时值(A/m)
有效磁场强度峰值(A/m)
材料磁滞常数(T-1)
电流瞬时值(A)
电流峰值(A)
磁芯横截面积相等部分的长度(mm)磁芯有效磁路长度(mtm)
自感(H)
避性常数,4元 × 10-7(H/m)
相对摄幅磁导率
有效磁导率
相对起始磁导率
相对避寻率,通用的符号
璐利磁滞系数(m/A)
角题率 = 2元f(rad/s)
磁游摄耗(W)
SI/T 102B1-91
半个周期的电压平均值(V)
电压峰值(V)
体积(mn*)
有效体积(mm)
磁通的瞬时值(Wb)
磁通的峰值(Wb)
主翻内容与适用范围
1.1主题内容
超星阅览器提醒您:
请尊重箱美知识产权!
复制品
使用本
本标难规定了用缺磁材料增加磁路磁导率的闭合磁路的有效数计算的统一规则。1.2适用范围
本标准适用于构成闭合磁路的各磁芯构件:2基本规则
2. 1所有结果应以毫米表示并应精确到三位有效数字,但为推算 I.、A, 和 VC,和 C2 的值应计算到五位有效数字。
往;规定这一精度的目的只是为了保证依不同基避计算的这些参数的统一,并不意味誉这些参数部能按这一精离度测定,
2.2米制和英制的换算接 1in(英寸)=25. 4mm 进行,并四舍五入至所需精度。取0.3927。
2.4计算时所用的尺寸均取相应零件图上公差范国的平均值。2.5磁芯外形所有的不规则部分,如小的倒角、缺口、凹槽等可忽略不计。除非在下面的章节中另有说明。
2.6在计算零件拐处时,其平均磁路长度应取两相邻均均部分面中心连线的环形苹均路径,前与此长度有关的截面积应取两相邻裁面积的平均值3各类磁芯的公式
下列各条款所用符号已在“有关使用有效参数的一些说明中定义。3.1均勾圆环
SJ/T10281—91
注:①对于具有清角的矩形截面的圆环,the - h
hgloge
ra(4r)
②对于具有一个平均曲率半轻为,的涵角的矩形截面的圆环:h。=h(1 — k),
0,85843
h(rz — )
对于具有情角的梯形龈面的圆环。he - h(1 -k)
h(tama + tanp)
2r。-r)
@对于具有一小曲率半径为,的圆角的形载面积圆环,h = h(1 - k, - k,)
(4z)
卓阅览器
产权!
③当缓虽在磁环上为均匀分布时,可以想象,磁环内部的所有点上的磁力线都平行于它的表面,没有潜磁通离开或进入,这就表明完全可以适用理论上更为确划的有效参数推导方法,而不必涉及本标准“有关使用有效参数的一些说明中关于在整个横截面上磁通均勾分布的假设。3. 2矩形截面的U形磁芯对
面积名
-Y粮面
与面积A,有关的磁路长度:
拐角处的乎均磁路长度:
SJ/T 1028191
ta+t\-
(p+h) mm
圣(s+h) mm
与1和4有关的平均面积
A, + A2
A =A+A
x-x费面
超星阅览器提醒您:
面积 Ar
请尊重相关知识产权!
使用本复制品
面积A
3.3圆形截面的L:形磁芯对
F-Y面
面积 A
S3/T 10281—91
在计算A,时不考虑为了便于制造而引起的凸起。与面积A:有关的磁路长度:
t= +f,
拐角处的乎均磁路长度
(p+)mm
与和有关的平均面积:
识产权!
面积A
3.4矩形截面的E形磁芯对
半个中心柱的面积:A。
拐角处平均磁路长度:
与1,和有关的平均面积:
SJ/T10281—91
面积A
Y-Y栽面
(p+h)mm
(-1) mm
同览器提醒您:
请尊重桶关知识产权!
面积A复制品
面积A
面积A
3.5形面的E形磁芯对
半个中心柱的面积
满足 A, = A,\的条件为:
拐角处平均磁璐长度:
与和1 有关的平均面积:
SJ/T 10281--91
面积A:
Y-Y截面
A - As + A
S1 = 0. 5959s
#(p—h)mm
(2s+h)mm
At A+A
星阅览器提醒您:
用本复制品
相关知识产权!
面积A
面积A
面积 A*
面积As
面积Al
-教面
3.6完璧的罐形磁芯:
外环的面积
满足 A, = A,\的条件为
中心柱面积,
满足 A, = A,\的条件为:
环的面积:
SJ/T 10281-91
A, -A+A\
S =—+
X-X 截面
A, =A-A
A = u(r, -r)(r +r,)
对二个平面:
2元*h
中心柱面积:
Ag - w(rg -rr++ri) mm
拐角处的平均磁路长度,
(25 +h)mm
(25,+h)mm
与和有关的面积:
使用本复制品
康程车金箱关知识产权!
面积A
面积 A',
SJ/T 10281-91
-r: +2rh) mm
注:这个计算忽略了糖沟的影响,这种影响可形如下的修正来考患;从 A: 鼠去 ng(r,—r,)
乘以一
祭乘以一
A,囊以I-
一槽数
g=槽的斑度。
3.7完整的交受形磁芯(X避芯)
x(ra+m)
面积争
面积,
图插脚不形磁芯
面疯A*
超星阅览器提醒您:
请擎重箱关知识产权!
使用本复制品此内容来自标准下载网
画积会
面积A,
直娠脚不形殖芯
X-I撕面
中心柱面积,
A, =A +A,\ mm
摘足 A,= A\的条件为
边柱的总面积:
对圆边柱的磁芯;
A, = 4(r -
式中:
α- arc sin
一对直边柱的磁芯:
A4orV2-rr.
V4ri c*
V(4ri- 6b) --
(a*+)) nm*
式中:
p= arc sin
与2有关的磁芯常数:
一对圆边柱的磁芯
对直边柱的磁芯;
中心柱的面职:
拐角处的平均磁路长度
SJ/T 10281—91
h(45 = a)
(nh 45 -9 - n
t, +t, 2(r ---r) mm
A,- 4-b-h mm*
As =-(ri-) mm?
+=h + (V-1) -
I, - t, +I.\ -.
与1有关的总面积,
对国边柱的磁芯
A, 40
式中:
a=are sin-
对直边柱磁芯
式中:
β= arc sin
与 ,有关的总面积,
ea))mm
(ri-)+ xhrmm
向中心柱相连接的圆环处的磁路长度t= +t\= 2(r, -r)
与儿有关的磁芯常数:
0-733tog10
超星阅览器提醒您:
使用本复制品
请擎重箱关知识产权!
3.8完整的方形磁芯(RM孩芯)
aay +m
边柱的总面积
SJ/T 10281—91
-a\[1 +tg(3 - 45)} - π .
与有关的磁芯常数:
式中:
I2 12 + 2\
i nin - Iin
(— —).f
2(c . -h)
注:表面 A,和 A,可以用计算或测量的方法来确定。如用面积仪在放大十倍的磁芯图上进行测量,中心括的面积:
小提示:此标准内容仅展示完整标准里的部分截取内容,若需要完整标准请到上方自行免费下载完整标准文档。
标准图片预览:





- 热门标准
- 电子行业标准(SJ)
- SJ/T11247-2001 永磁铁氧体瓦形磁体公差及外形缺陷
- SJ50681.76-1994 SMC系列(不接电缆)插针接触件印制电路板用2级射频同轴插座连接器详细规范
- SJ/T10588.12-1994 DB-438型电子玻璃技术数据
- SJ1805-1981 2CC126型硅调频变容二极管
- SJ/T31439-1994 除湿机完好要求和检查评定方法
- SJ1553-1980 测温型负温度系数热敏电阻器总技术条件
- SJ3006.3-1988 组合冲模 下圆角刃口
- SJ3003.5-1988 组合冲模 圆形刃口
- SJ50681.70-1994 N系列(接41.28mm半硬电缆)插孔接触件2级射频同轴插头连接器详细规范
- SJ20646-1997 混合集成电路DC/DC变换器测试方法
- SJ/T10410-2002 永磁铁氧体材料
- SJ/T11251-2001 射频电缆 第3-1部分:数字通信用水平布线同轴电缆-局域网用500m以下、10Mb/s及其以下泡沫介质同轴电缆详细规范
- SJ/T31445-1994 热力管道完好要求和检查评定方法
- SJ/T10586.3-1994 DW-217型电子玻璃技术数据
- SJ/T10783-1996 电子器件详细规范 半导体集成电路CD7176CP伴音中频放大电路(可供认证用)
- 行业新闻
请牢记:“bzxz.net”即是“标准下载”四个汉字汉语拼音首字母与国际顶级域名“.net”的组合。 ©2025 标准下载网 www.bzxz.net 本站邮件:bzxznet@163.com
网站备案号:湘ICP备2025141790号-2
网站备案号:湘ICP备2025141790号-2