- 您的位置:
- 标准下载网 >>
- 标准分类 >>
- 国家标准(GB) >>
- GB 7631.5-1989 润滑剂和有关产品(L类)的分类 第五部分:M组(金属加工)
标准号:
GB 7631.5-1989
标准名称:
润滑剂和有关产品(L类)的分类 第五部分:M组(金属加工)
标准类别:
国家标准(GB)
标准状态:
现行-
发布日期:
1989-03-28 -
实施日期:
1990-04-01 出版语种:
简体中文下载格式:
.rar.pdf下载大小:
139.99 KB

点击下载
标准简介:
标准下载解压密码:www.bzxz.net
本标准规定了L类(润滑剂和有关产品)中M组(金属加工)产品的详细分类,它是GB7631的一部分。 GB 7631.5-1989 润滑剂和有关产品(L类)的分类 第五部分:M组(金属加工) GB7631.5-1989

部分标准内容:
中华人民共和国国家标准
润滑剂和有关产品(L类)的分类第5部分:M组(金属加工)
Eubricanls and related products(elass L)Classification—Part 5; Family M(metalworking)
GB 7 6 31. 5 89
本标准等效采用国际标准1S06743/7—1986《润滑剂.工业用油和有关产品(L类)的分类-—第7部分:M组(金属加工)》。
1主题内容与适用范阐
本标准规定「L类(润滑剂和有关产品)中M组(金属加工)产品的详细分类,它是GB7631的-部分
本标准应与GB7631.]标准联系起冰理解。为了阐明正文和避免误解,增加以下附录:附录A按使用范围的M组产品品种分类表。附录B接性质和待性的M组产品品种分类表。2引用标准
GB 3111业润洲油粘度分类
GB7631.1润滑剂有关产品(E.类)的分类第1部分:总分组3所用符号的说明下载标准就来标准下载网
3.1M组产品的详细分类是根据本组产品所要求的主要应用场合来确定。3.2每个品种是由三个英文字母组成的一个符号来表示每个品种的第-个英文字母M表示该产品所属的组别,后面的学码单独存在时无任何含义。每个产品可以附有按GB3141标准确定的粘度等级。3.3在本分类中,各产品采用统--方法命名。每个产品的完整代号为L-MHA32,美文字母后面的数字表示按GB3111标准确定的粘度等级。4定义
4.1液体:按任何比例的…种液态矿物质、液态动物油、液态植物油或液态的合成物质。金属加工液中可含抗微生物剂,
4.2液缩物:一种合适的乳化剂和添加剂(例如防锈、抗微生物和其他添加剂)与精制矿物油混合而成的水剂乳化液,或与合适的化学产品混合形成的水溶液,最后需稀释后使用。对」特殊场合应用时,可以不稀释直接使用。
4.3有化学活性的润滑剂:是--种对铜及其合金有腐蚀性的液体:反之无化学活性的润滑剂对铜及其合金无腐蚀。
4.4含有填充剂:加有固态形式的添加剂,例如固体润滑剂(石、二硫化钼),金属盐、金属皂、金属氧中国石油化工总公司1989-03-28批准1990-04-01实施
GB 7631. 5 89
化物等,当承受高压(儿其在锻造和热加工下)时以提高润滑性。5 金属加工润滑剂的分类
类别字
母符号
,总应用
1金属加工
特殊川途
用于切削,研磨
或放电等金属
除去工艺,用于
应JEF
冲压、深拉、正:百先要求
延、强力旋压、润清唑的
拉拔、冷和热加上艺
锻、挤正、模、
冷轧等余属成
于切削,研磨
等金科除去工
艺;用十冲压深
拉,压延,旋压、
线材拉摄、冷敏
和热锻、挤压,
模压等金属成
型上艺
百先要求
冷却性的
加工工艺
产品类型科(或)最整
使川要求
具有抗离蚀性的皱体
早有减摩性的 MHA 型
具有极乐性(EP)元化
学活生的 MHA 型液体
具有极压性(EP)有化
学性的 MI[A 型减体
且有段压性(EP)无化
学活性的 MHB 型液体
其有被压性(HP)有化
学活性的 MHB 型波体
用于单独使用或用
MHA 按体稀释的脂、
奇和踏
皂、粉末,周体润滑剂
等或其他混合物
与水混合的浓缩物,兵
有防锈性乳化瘫
H行减序性的MAA型
符号成用实例
见附求
其有极压性(EP)的
MAA型浓缩物
具有极斥性(EP)的
MAL型浓缩物
与水混合的浓单物,具
有防锈性半透明乳化
液(微乳化液)
具有减摩性和(或)极
乐性(HP>的 MAE 型浓
与水混合的浓结物,具
有防锈性透明溶液
具有减摩性和(或)级
压性(HP)的 MHG 型泌
润谢脂和育与水的混
使因这些未经稀群液体
具有抗氧性,在持殊成
型加上可期入填充剂
树于特殊用途可以加入
填充剂
使用此类产品不需要稀
使用时,这类乳化液会
变成不透明
对于特殊用途可以加填
GB 763t.5—89
附录A
按使用范图的M组产品品种分
(参考件)
表A[中列出按金属加工液主要组别提出一般的、不很详细的应用示例。专业用户可参考此表得到通常应用的主要产品总体情况。本表可以为按使用范用的现范基础。表A1
注,()为土要使用,为可能使用。按使用范困的M组产品品种分类表研
电火花
变薄拉
牢疑压
附录B
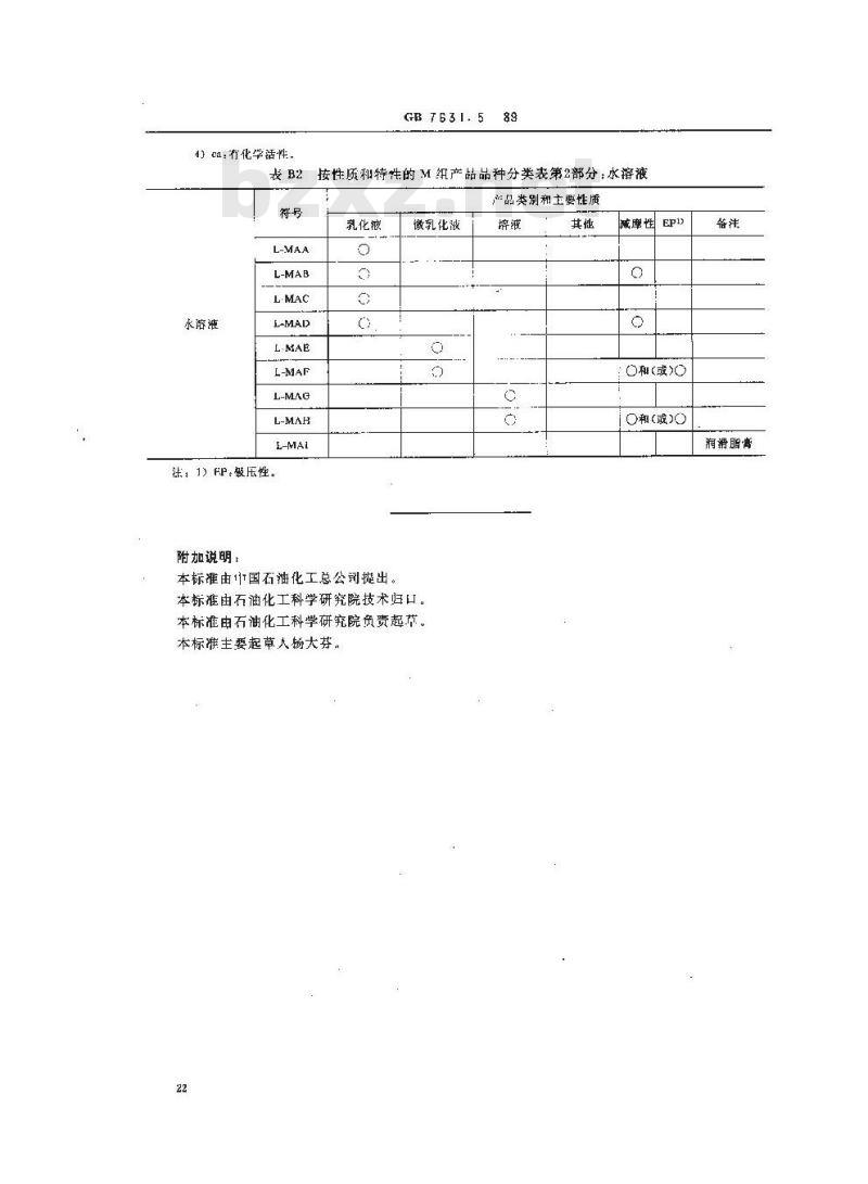
按性质和特性的M组产品品种分类表(参考件)
为广对金属加工液的实际使用提供帮助,表B1和表B2列出纯油和水溶液分类的概要说明,并对上述两种产品性质和特性进行比较。按性质和特性的M组产品品种分类表第1部分:纯油表BI
产品类型和主要性质
注:1)或合成液,
2)EP:龄压性
3)cna:无化学活性。
精制矿
物油13
减屡性
(cna)a)
(ca34)
润将帜
GB 7631. 589
:有化毕活性,
表 B2按性质和特性的M纽产品品种分类表第2部分:水溶液符号
L·MAC
水溶液
法;1) FP:被压性。
附加说明:
乳化液
本标准由国石油化工总公司提出。微乳化液
本标准由石油化工科学研究院技术归口。本标准由石油化工科学研究院负责起节。本标滩主要起草人杨大芬。
“品类别和主要性质
○和(或>
O和(或)0
润滑脂膏
小提示:此标准内容仅展示完整标准里的部分截取内容,若需要完整标准请到上方自行免费下载完整标准文档。
润滑剂和有关产品(L类)的分类第5部分:M组(金属加工)
Eubricanls and related products(elass L)Classification—Part 5; Family M(metalworking)
GB 7 6 31. 5 89
本标准等效采用国际标准1S06743/7—1986《润滑剂.工业用油和有关产品(L类)的分类-—第7部分:M组(金属加工)》。
1主题内容与适用范阐
本标准规定「L类(润滑剂和有关产品)中M组(金属加工)产品的详细分类,它是GB7631的-部分
本标准应与GB7631.]标准联系起冰理解。为了阐明正文和避免误解,增加以下附录:附录A按使用范围的M组产品品种分类表。附录B接性质和待性的M组产品品种分类表。2引用标准
GB 3111业润洲油粘度分类
GB7631.1润滑剂有关产品(E.类)的分类第1部分:总分组3所用符号的说明下载标准就来标准下载网
3.1M组产品的详细分类是根据本组产品所要求的主要应用场合来确定。3.2每个品种是由三个英文字母组成的一个符号来表示每个品种的第-个英文字母M表示该产品所属的组别,后面的学码单独存在时无任何含义。每个产品可以附有按GB3141标准确定的粘度等级。3.3在本分类中,各产品采用统--方法命名。每个产品的完整代号为L-MHA32,美文字母后面的数字表示按GB3111标准确定的粘度等级。4定义
4.1液体:按任何比例的…种液态矿物质、液态动物油、液态植物油或液态的合成物质。金属加工液中可含抗微生物剂,
4.2液缩物:一种合适的乳化剂和添加剂(例如防锈、抗微生物和其他添加剂)与精制矿物油混合而成的水剂乳化液,或与合适的化学产品混合形成的水溶液,最后需稀释后使用。对」特殊场合应用时,可以不稀释直接使用。
4.3有化学活性的润滑剂:是--种对铜及其合金有腐蚀性的液体:反之无化学活性的润滑剂对铜及其合金无腐蚀。
4.4含有填充剂:加有固态形式的添加剂,例如固体润滑剂(石、二硫化钼),金属盐、金属皂、金属氧中国石油化工总公司1989-03-28批准1990-04-01实施
GB 7631. 5 89
化物等,当承受高压(儿其在锻造和热加工下)时以提高润滑性。5 金属加工润滑剂的分类
类别字
母符号
,总应用
1金属加工
特殊川途
用于切削,研磨
或放电等金属
除去工艺,用于
应JEF
冲压、深拉、正:百先要求
延、强力旋压、润清唑的
拉拔、冷和热加上艺
锻、挤正、模、
冷轧等余属成
于切削,研磨
等金科除去工
艺;用十冲压深
拉,压延,旋压、
线材拉摄、冷敏
和热锻、挤压,
模压等金属成
型上艺
百先要求
冷却性的
加工工艺
产品类型科(或)最整
使川要求
具有抗离蚀性的皱体
早有减摩性的 MHA 型
具有极乐性(EP)元化
学活生的 MHA 型液体
具有极压性(EP)有化
学性的 MI[A 型减体
且有段压性(EP)无化
学活性的 MHB 型液体
其有被压性(HP)有化
学活性的 MHB 型波体
用于单独使用或用
MHA 按体稀释的脂、
奇和踏
皂、粉末,周体润滑剂
等或其他混合物
与水混合的浓缩物,兵
有防锈性乳化瘫
H行减序性的MAA型
符号成用实例
见附求
其有极压性(EP)的
MAA型浓缩物
具有极斥性(EP)的
MAL型浓缩物
与水混合的浓单物,具
有防锈性半透明乳化
液(微乳化液)
具有减摩性和(或)极
乐性(HP>的 MAE 型浓
与水混合的浓结物,具
有防锈性透明溶液
具有减摩性和(或)级
压性(HP)的 MHG 型泌
润谢脂和育与水的混
使因这些未经稀群液体
具有抗氧性,在持殊成
型加上可期入填充剂
树于特殊用途可以加入
填充剂
使用此类产品不需要稀
使用时,这类乳化液会
变成不透明
对于特殊用途可以加填
GB 763t.5—89
附录A
按使用范图的M组产品品种分
(参考件)
表A[中列出按金属加工液主要组别提出一般的、不很详细的应用示例。专业用户可参考此表得到通常应用的主要产品总体情况。本表可以为按使用范用的现范基础。表A1
注,()为土要使用,为可能使用。按使用范困的M组产品品种分类表研
电火花
变薄拉
牢疑压
附录B
按性质和特性的M组产品品种分类表(参考件)
为广对金属加工液的实际使用提供帮助,表B1和表B2列出纯油和水溶液分类的概要说明,并对上述两种产品性质和特性进行比较。按性质和特性的M组产品品种分类表第1部分:纯油表BI
产品类型和主要性质
注:1)或合成液,
2)EP:龄压性
3)cna:无化学活性。
精制矿
物油13
减屡性
(cna)a)
(ca34)
润将帜
GB 7631. 589
:有化毕活性,
表 B2按性质和特性的M纽产品品种分类表第2部分:水溶液符号
L·MAC
水溶液
法;1) FP:被压性。
附加说明:
乳化液
本标准由国石油化工总公司提出。微乳化液
本标准由石油化工科学研究院技术归口。本标准由石油化工科学研究院负责起节。本标滩主要起草人杨大芬。
“品类别和主要性质
○和(或>
O和(或)0
润滑脂膏
小提示:此标准内容仅展示完整标准里的部分截取内容,若需要完整标准请到上方自行免费下载完整标准文档。

标准图片预览:




- 热门标准
- 国家标准(GB)
- GB/T2828.1-2012 计数抽样检验程序 第1部分:按接收质量限(AQL)检索的逐批检验抽样计划
- GB/T23373-2009 食品中抗氧化剂丁基羟基茴香醚(BHA)、二丁基羟基甲苯(BHT)与特丁基对苯二酚(TBHQ)的测定
- GB50115-2009 工业电视系统工程设计规范
- GB/T7095.1-2008漆 漆包铜扁绕组线 第1部分:一般规定
- GB/T39249-2020 橡胶和塑料软管及非增强软管织物增强型 低温压扁试验
- GB2757-2012 食品安全国家标准 蒸馏酒及其配制酒
- GB/T12449-1990 以专用连接线方式互连的声音和电视广播发射设备与监控设备之间的接口
- GB/T1599-2002 锑锭
- GB/T27404-2008 实验室质量控制规范 食品理化检测
- GB/T15349-1994 化学试剂 溴甲酚绿
- GB/T6178-1986 1型六角开槽螺母A和B级
- GB5903-1995 工业闭式齿轮油
- GB/T38067-2019 船舶制造企业能源计量器具配备和管理要求
- GB/T23344-2009 纺织品 4-氨基偶氮苯的测定
- GB/T285-1994 滚动轴承 双列圆柱滚子轴承 外形尺寸
- 行业新闻
请牢记:“bzxz.net”即是“标准下载”四个汉字汉语拼音首字母与国际顶级域名“.net”的组合。 ©2009 标准下载网 www.bzxz.net 本站邮件:bzxznet@163.com
网站备案号:湘ICP备2023016450号-1
网站备案号:湘ICP备2023016450号-1