- 您的位置:
- 标准下载网 >>
- 标准分类 >>
- 国家标准(GB) >>
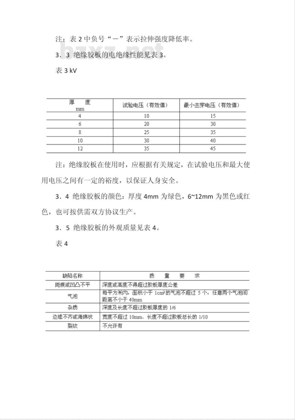
- GB 11176-1989 电绝缘橡胶板
标准号:
GB 11176-1989
标准名称:
电绝缘橡胶板
标准类别:
国家标准(GB)
标准状态:
已作废-
实施日期:
1998-04-01 出版语种:
简体中文下载格式:
.rar.pdf下载大小:
1.88 MB
替代情况:
调整为HG/T 2949-1989(1997)采标情况:
ASTM D178-1981 NEQ
标准图片预览:





- 其它标准
- 热门标准
- 国家标准(GB)
- GB29140-2024 纯碱单位产品能源消耗限额
- GB/T29633.4-2020 南极地名 第4部分:罗马字母拼写
- GB15193.5-2003 骨髓细胞微核试验
- GB/T15412-1994 应用电视摄像机云台通用技术条件
- GB28129-2011 乙羧氟草醚原药
- GB/T42970-2023 半导体集成电路 视频编解码电路测试方法
- GB/T18721.4-2024 印刷技术 印前数据交换 第4部分:显示用宽色域标准彩色图像数据 [Adobe RGB (1998)/SCID]
- GB/T9771.6-2020 通信用单模光纤 第6部分:宽波长段 光传输用非零色散单模光纤特性
- GB5237.3-2008 铝合金建筑型材 第3部分:电泳涂漆型材
- GB/T15773-1995 水土保持综合治理 验收规范
- GB3302-1982 日用陶瓷器验收、包装、标志、运输、储存规则
- GB/T30007-2022 船舶和海上技术 通过分析测速试航数据以确定速度和功率性能的评估导则
- GB30530-2024 二甲基硅氧烷单位产品能源消耗限额
- GB/T39249-2020 橡胶和塑料软管及非增强软管织物增强型 低温压扁试验
- GB/T17424-2019 差分全球卫星导航系统(DGNSS)技术要求
- 行业新闻
请牢记:“bzxz.net”即是“标准下载”四个汉字汉语拼音首字母与国际顶级域名“.net”的组合。 ©2025 标准下载网 www.bzxz.net 本站邮件:bzxznet@163.com
网站备案号:湘ICP备2025141790号-2
网站备案号:湘ICP备2025141790号-2