- 您的位置:
- 标准下载网 >>
- 标准分类 >>
- 铁路运输行业标准(TB) >>
- TB/T 2476.4-1993 铁路信号电缆 铝护套信号电缆
标准号:
TB/T 2476.4-1993
标准名称:
铁路信号电缆 铝护套信号电缆
标准类别:
铁路运输行业标准(TB)
标准状态:
现行-
发布日期:
1993-12-18 -
实施日期:
1994-07-01 出版语种:
简体中文下载格式:
.rar.pdf下载大小:
866.29 KB

点击下载
标准简介:
标准下载解压密码:www.bzxz.net
本标准规定了铝护套铁路信号的使用特性、型号规格、技术要求与试验方法、检验规则。本标准适用于额定电压交流500V或直流1000V及以下,固定敷设的铝护套铁路信号电缆。 TB/T 2476.4-1993 铁路信号电缆 铝护套信号电缆 TB/T2476.4-1993

部分标准内容:
中华人民共和国铁道行业标准
TB/T 2476.1~4-93
铁路信号电缆
1993 — 12 - 18 发布
中华人民共和国铁道部
1994 - 07 — 01实施
中华人民共和国铁道行业标准
铁路信号电缆
1主题内容与适用范围
铝护套信号电缆
TB/T2476.493
本标准规定了铝护套铁路信号电缆(以下简称电缆)的使用特性、型号规格、技术要求与试验方法、检验规则。
本标准适用于额定电压交流500V或直流1000V及以下固定敷设的铝护套铁路信号电缆。
本标准应与TB/T2476.1一起使用。2引用标准
GB5441.9通信电缆试验方法工频条件下理想屏蔽系数试验。GB2951.23电线电缆弯曲试验方法3使用特性免费标准bzxz.net
电缆具有良好的屏蔽作用,可用于铁路电气化区段的干线或强电干扰地区。3.1
电缆的允许弯曲半径应不小于电缆外径的15倍。型号规格
电缆的型号及名称如表1
PTYL22
PTYL23
聚乙烯绝缘铝护套钢带铠装聚氟乙烯外护套铁路信号电缆聚乙烯绝缘铝护套钢带铠装聚乙烯外护套铁路信号电缆4.2电缆的规格及参考外径如表2中华人民共和国铁道部1993一12一18批准称
1994---07-01实施
芯结构
星形四线组
对线组
技术要求与试验方法
绝缘线芯
TB/T 2476.4--93
参考外径
缆芯结构
星形四线组
对线组
绝缘线芯
参考外径
5.1缆芯外绕包一层塑料带,挤包1.2mm的聚乙烯塑料套,允许采用不低于上述性能的材料。
5.2铝护套的标称厚度为1.3mm,允许偏差士10%,采用精度不低于0.02mm的游标卡尺进行测量。
5.3铝护套应密封不漏气,其试验方法为:在铝护套内冲入压力不低于0.4MPa的干燥空气或氮气,气压稳定后6h内压力不降低。5.4铝护套应能经受弯曲试验,其试验方法应符合GB2951.23规定。5.5理想屏蔽系数
电缆理想屏蔽系数应不大于0.3,其中9芯及以下电缆护套上的感应电压为50200V/km;12芯及以上电缆护套上的感应电压为35~200V/km,其试验方法应符合GB5441.9规定。
5.6电缆的其余技术要求与试验方法应符合TB/T2476.1规定。6检验规则
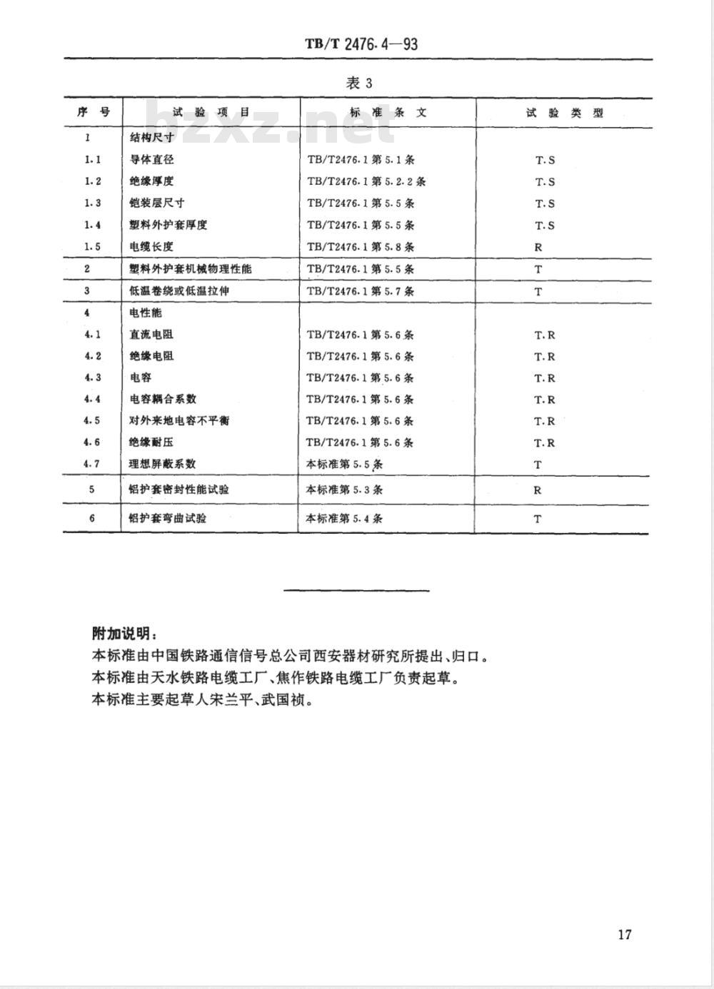
电缆应按表3规定的试验类型进行试验。16
试验项目
结构尺寸
导体直径
绝缘谭度
铠装层尺寸
塑料外护套厚度
电缆长度
塑料外护套机械物理性能
低温卷绕或低温拉伸
电性能
直流电阻
绝缘电阻
电容耦合系数
对外来地电容不平衡
绝缘耐压
理想屏蔽系数
铝护套密封性能试验
铝护套弯曲试验
附加说明:
TB/T2476.4—93
标准条文
TB/T2476.1第5.1条
TB/T2476.1第5.2.2条
TB/T2476.1第5.5条
TB/T2476.1第5.5条
TB/T2476.1第5.8条
TB/T2476.1第5.5条
TB/T2476.1第5.7条
TB/T2476.1第5.6条
TB/T2476.1第5.6条
TB/T2476.1第5.6条
TB/T2476.1第5.6条
TB/T2476.1第5.6条
TB/T2476.1第5.6条
本标准第5.5条
本标准第5.3条
本标准第5.4条
本标准由中国铁路通信信号总公司西安器材研究所提出、归口。本标准由天水铁路电缆工厂、焦作铁路电缆工厂负责起草。本标准主要起草人宋兰平、武国祯。试验类型
TB/T 2476. 1~4—93
小提示:此标准内容仅展示完整标准里的部分截取内容,若需要完整标准请到上方自行免费下载完整标准文档。
TB/T 2476.1~4-93
铁路信号电缆
1993 — 12 - 18 发布
中华人民共和国铁道部
1994 - 07 — 01实施
中华人民共和国铁道行业标准
铁路信号电缆
1主题内容与适用范围
铝护套信号电缆
TB/T2476.493
本标准规定了铝护套铁路信号电缆(以下简称电缆)的使用特性、型号规格、技术要求与试验方法、检验规则。
本标准适用于额定电压交流500V或直流1000V及以下固定敷设的铝护套铁路信号电缆。
本标准应与TB/T2476.1一起使用。2引用标准
GB5441.9通信电缆试验方法工频条件下理想屏蔽系数试验。GB2951.23电线电缆弯曲试验方法3使用特性免费标准bzxz.net
电缆具有良好的屏蔽作用,可用于铁路电气化区段的干线或强电干扰地区。3.1
电缆的允许弯曲半径应不小于电缆外径的15倍。型号规格
电缆的型号及名称如表1
PTYL22
PTYL23
聚乙烯绝缘铝护套钢带铠装聚氟乙烯外护套铁路信号电缆聚乙烯绝缘铝护套钢带铠装聚乙烯外护套铁路信号电缆4.2电缆的规格及参考外径如表2中华人民共和国铁道部1993一12一18批准称
1994---07-01实施
芯结构
星形四线组
对线组
技术要求与试验方法
绝缘线芯
TB/T 2476.4--93
参考外径
缆芯结构
星形四线组
对线组
绝缘线芯
参考外径
5.1缆芯外绕包一层塑料带,挤包1.2mm的聚乙烯塑料套,允许采用不低于上述性能的材料。
5.2铝护套的标称厚度为1.3mm,允许偏差士10%,采用精度不低于0.02mm的游标卡尺进行测量。
5.3铝护套应密封不漏气,其试验方法为:在铝护套内冲入压力不低于0.4MPa的干燥空气或氮气,气压稳定后6h内压力不降低。5.4铝护套应能经受弯曲试验,其试验方法应符合GB2951.23规定。5.5理想屏蔽系数
电缆理想屏蔽系数应不大于0.3,其中9芯及以下电缆护套上的感应电压为50200V/km;12芯及以上电缆护套上的感应电压为35~200V/km,其试验方法应符合GB5441.9规定。
5.6电缆的其余技术要求与试验方法应符合TB/T2476.1规定。6检验规则
电缆应按表3规定的试验类型进行试验。16
试验项目
结构尺寸
导体直径
绝缘谭度
铠装层尺寸
塑料外护套厚度
电缆长度
塑料外护套机械物理性能
低温卷绕或低温拉伸
电性能
直流电阻
绝缘电阻
电容耦合系数
对外来地电容不平衡
绝缘耐压
理想屏蔽系数
铝护套密封性能试验
铝护套弯曲试验
附加说明:
TB/T2476.4—93
标准条文
TB/T2476.1第5.1条
TB/T2476.1第5.2.2条
TB/T2476.1第5.5条
TB/T2476.1第5.5条
TB/T2476.1第5.8条
TB/T2476.1第5.5条
TB/T2476.1第5.7条
TB/T2476.1第5.6条
TB/T2476.1第5.6条
TB/T2476.1第5.6条
TB/T2476.1第5.6条
TB/T2476.1第5.6条
TB/T2476.1第5.6条
本标准第5.5条
本标准第5.3条
本标准第5.4条
本标准由中国铁路通信信号总公司西安器材研究所提出、归口。本标准由天水铁路电缆工厂、焦作铁路电缆工厂负责起草。本标准主要起草人宋兰平、武国祯。试验类型
TB/T 2476. 1~4—93
小提示:此标准内容仅展示完整标准里的部分截取内容,若需要完整标准请到上方自行免费下载完整标准文档。

标准图片预览:





- 其它标准
- 热门标准
- 铁路运输行业标准(TB)
- TB/T829-93球 直角接头
- TB/T1344-2008 内燃机车用齿轮油泵
- TB/T2054-2017 机车淋雨试验方法
- TB/T3216-2009 高原铁道客车供氧系统
- TB/T1386-2011 内燃机车用液力传动箱
- TB/T2575-1995 碱性铜电刷镀溶液技术条件
- TB/T3523.1-2018 交流传动电力机车试验方法第1部分:输出特性试验
- TB/T3199.1-2018 电气化铁路接触网用绝缘子第1部分:棒形瓷绝缘子
- TB/T2427-93 铁道客车滚动轴承用轴箱装置技术条件
- TB/T1803-2007 铁道罐车水压试验
- TB/T3205.1-2016 扼流变压器钢轨引接线、中点连接线、中点连接板第1部分:钢轨引接线
- TB/T3412-2015 动车组用电连接器
- TB/T3287-2013 机车信号车载系统设备
- TB/T3234-2010 铁路红十字药箱配备标准及使用原则
- TB/T3177-2007 铁路信号技术中采用电子元器件时应遵循的主要安全条件
- 行业新闻
请牢记:“bzxz.net”即是“标准下载”四个汉字汉语拼音首字母与国际顶级域名“.net”的组合。 ©2009 标准下载网 www.bzxz.net 本站邮件:bzxznet@163.com
网站备案号:湘ICP备2023016450号-1
网站备案号:湘ICP备2023016450号-1