- 您的位置:
- 标准下载网 >>
- 标准分类 >>
- 国家标准(GB) >>
- GB/T 13522-1992 骨灰瓷器
标准号:
GB/T 13522-1992
标准名称:
骨灰瓷器
标准类别:
国家标准(GB)
标准状态:
现行-
发布日期:
1992-06-12 -
实施日期:
1993-03-01 出版语种:
简体中文下载格式:
.rar.pdf下载大小:
209.09 KB
标准ICS号:
玻璃和陶瓷工业>>陶瓷>>81.060.20陶瓷制品中标分类号:
轻工、文化与生活用品>>日用玻璃、陶瓷、搪瓷、塑料制品>>Y24日用陶瓷制品
替代情况:
被GB/T 13522-2008代替采标情况:
NEQ JIS S2401:1986
首发日期:
1992-06-23复审日期:
2004-10-14起草单位:
唐山陶瓷公司归口单位:
中国轻工业联合会发布部门:
国家技术监督局主管部门:
中国轻工业联合会相关标签:
瓷器
点击下载
标准简介:
标准下载解压密码:www.bzxz.net
本标准规定了骨灰瓷器的产品分类、技术要求、试验方法、检验规则、标志、包装、运输、储存规则。本标准适用于以磷酸三钙为主要成分的日用骨灰瓷器。 GB/T 13522-1992 骨灰瓷器 GB/T13522-1992
部分标准内容:
中华人民共和国国家标准
骨灰瓷器
Bone china
1主题内容与适用范围
GB/T13522--92
本标准规定了骨灰瓷器的产品分类、技术要求,试验方法、检验规则、标志、包装、运输、储存规则。本标准适用于以磷酸三钙为主要成分的日用骨灰瓷器。2引用标准
GB1871磷精矿和磷矿石中磷的测定方法GB2828遂批检查计数抽样程序及抽样表(适用于连续批的检查)G2829
周期检查计数抽样程序及抽样表(适用于生产过程稳定性的检查)日用陶瓷器热稳定性测定方法
GB3298
GB 3299
日用陶瓷器吸水率测定方法
GB/T3300日用陶瓷器变形测定方法GB 3301
GB 3302
GB3303
GB3534
GB5000
GB 11423
GB 12651
日用陶瓷器的容积,口径误差、高度读差重量误差、缺陷尺寸的测定方法日用陶瓷器验收,包装,标志、运输、储存规则日用陶瓷器缺陷术语
日用陶瓷器铅、溶出量测定方法日用陶瓷名词术语
日用陶瓷纸箱包装技术条件
与食物接触的陶瓷制品铅、镐溶出量允许极限QB919日用陶瓷白度测定方法
3术语
3.1缺陷术语见表1。
3.2其他术语按GB5000.GB3303执行。表美
4产品分类
定义或涵义
索胎表面的粘附物撼釉烧成后避成的缺陷产品表面由于施触过厚形成的缺陷4.1按产品的形状和用途分为盘碟类、碗类、壶类、杯类及其他器物类。4.2按产品的规格分为1型、II型。其规格范围见表2。国家技术监督局1992-06-12批准对应英文
body dirt
thick glaze
1993-03-01实施
盘碟类口径
碗类口径
壶类容量
杯类口径
其他器物类
技术要求
计量单位
GB/T1352292
≥1000
视其外形相似情况分别按上燃各类定型5.1瓷质细腻、釉面滋润、半透明度好。白度不低于80%(有特殊色调的产品不受此限)。5.2产品素胎中磷酸三钙的含量不低于36%。5.3吸水率不超过0.5%。
5.4热稳定性:140℃投人20℃水中热交换一次不裂(以152~203mm扁平产品为代表件)。5.5任何单-一制品与食物接触面的铅和的溶出量,应符合GB12651的规定。5.6产品放在平面上应平稳,有盖产品的盖要与口物合。5.7壶类在倾斜70°时,盖子不许脱落。当壶盖向一方向移动时,其边缘与壶口的距离不得超过3mm整嘴的口部不得低于壶口3mm。
5.8成套产品的釉色、画面色泽应基本一致,同一产品的规格尺寸应相称。5.9口径误差:口径大于或等于60mm者,允许误差为十1.5%~~1.0%,口径小于60mm者,允许误差为±2.0%。
5.10重量误差:1型产品为+3%;I型产品为5%。5.11每件产品不得超过四种缺陷,且不得密集。5.12本标准未能包括的缺陷,根据其形态,可按相似缺陷处理。5.13本标准所规定的缺陷充许范围,如不适用于特殊工艺器型和装饰的产品,以及本标推中规定无尺寸测量的而在认识上难以统的缺陷,可由工贸双方协商制定补充规定或留样解决。5.14产品外观质量应符合表-3规定的要求。358
缺陷名称
变形(以高
度差量度
扁扇平制品
的变形,以
外口径直
径差量度
空心制品
的变形)
测定物理量
GB/T13522--92
计量单位
产品规格
盘碟类口径:
小于200
200~300
大于300
鱼盘类长径:
小于200
200~小于 240
240~320
大于320
壶类口径:
小于60
大于或等于60
魏类口径:
小于110
110~小于 175
175~230
大于230
杯类口径:
小于60
大于或等于60
开口釉泡不允许
不超过1.0
不超过1.5
缺陷允许范围
不超过口径的1%
不超过1.5
不超过 2. 0
不超过3.0
不超过口径的1.3%
不超过1. 0
不超过 1. 5
不超过 1. 0
不超过1.5
不超过2.0
不超过口径的1.3%
不超过1.0
不超过1.5
不大于1.5,不超过2个
不大于1.0,不超过2个
不太于0.5,不超过5个
不大于0.5,不超过3个
显见面不充许,
非显见面不大于1.5,不超过2-个显冕面不充许,
非显见面不大于1.0,不超过2个显见面不大于0.5,不超过2个,非显见面不大于0.5,不超过4个显见面不大于0.5,不超过2个,非显见面不大于0.5,不超过3个359
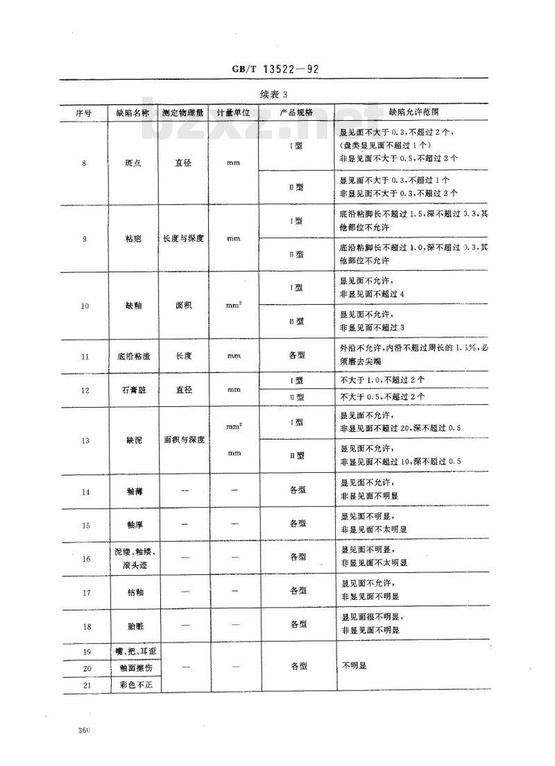
缺陷名称
底沿粘澈
石膏艇
泥缕、釉缕、
滚头迹
测定物理量
长度与深度
面积与深度
罐、把、耳疆Www.bzxZ.net
釉面擦份
彩色不正
GB/T 13522- 92
续表3
计量单位
产品规格
缺陷充许范围
显见面不大于0.3不超过2个,
(盘类显见面不超过1个)
非显见面不大于0.5不超过2个
显见面不太于0.3,不超过1个
非显见面不大于0.3,不超过2个底沿粘脚长不超过1.5,深不超过0.3,其地部位不允许
底沿粘脚长不超过1.0,深不超过3.3.其他部位不允许
魔见面不允许
非显见面不超过 4
显见面不充许:
非显见面不超过3
外沿不允许+内不超过周长的1.5%,必缅磨去尖瓣
不大于1.0,不超过2个
不大于0.5,不超过2个
显见面不充许,
非显见面不超过20.深不超过0.5显见面不充许,
非显见面不超过10,深不超过0.5显见面不充许,
非显见面不明显
显见面不显,
非显见面不太明显
显见面不明显,
非显见面不太明显
显见面不允许,
非显见面不明显
疑见面很不明显,
非显见面不明显
不明显
缺陷名称
画线缺陷
画面缺陷
裂纹、落
渣、烟熏、
烤花粘釉、
炸釉、碴
碰、水边泡
GB/T.13522—92
续表3
测定物理量计量单位
产品规格
缺陷允许范围
显见面在画线边缘,花内和花的边缘不超过3.0。非显见面在画线边缘不超过3.0断线、断边不允许
不大于4,不超过2处,满花不超过3处,底款不超过1
不充许
5.15凡颜色清淡很不明显的微小缺陷和某些缺陷,经加工处理后不影响美观者,可不作缺陷计。5.16按表3检查疙瘩、泥渣、坏泡、溶洞和石膏脏等缺陷时,如遇有尺寸小于规定幅度50%的缺陷,而其数量较规定略多时,可以2个折算1个。当总数为单数时,可将总数加1个,变成偶数再折半计算,但所增加的绝对个数不得超过原规定总量的50%。5.17非显见面的疙瘩、泥渣、坏泡和石膏脏缺陷允许在规定的数量内将缺陷尺寸增大50%。6试验方法
6.1白度测定方法按QB919进行。6.2磷酸三钙测定方法按GB1871测定出五氧化二磷的含量,再由此换算出磷酸三钙的含量。换算公式如下:
式中 W.
磷酸三钙含量,%;
五氧化二磷含量,%;
2.1853——换算因数。
6.3吸水率测定方法按GB3299进行。6.4热稳定性测定方法GB3298进行。W = 2. 185 3 × W
6.5铅、镉溶出量测定方法按GB3534进行。6.6变形测定方法按GB/T3300进行。6.7容积、口径误差、高度误差、重量误差、缺陷尺寸的测定方法按GB3301进行。7检验规则
产品检验分出厂检验和型式检验。采用每百单位不合格品数(计件法)检验。每批产品须经制造厂检验部门检验合格后方可出厂,出厂时必须附有证明产品质量合格的文件。7.1出厂检验
7.1.1出厂检验项目为本标准5.6、5.7、5.8.5.14条规定的内容。7.1.2出厂检验按GB2828的规定执行,各检验项目的不合格分类、合格质量水平,检查水平及抽样方案见表4。
检验项目
不合格分类
GB/T 13522
合格质量水平
检查水平
一般检查
水平1
7.1.3产品批的形成:受检产品可按单件、套具、花面装饰方法分别形成批。抽样方案
正常检查-一次
抽样方
7.1.4样本的抽取随机进行。单件产品按表4的规定抽取样本量,成箱(包括成套或成捆)产品先按GB2828特殊检查水平S-2抽取箱数,然后按本标准表4的规定从抽出的箱数中抽取该批产品的样本量。本标准5.5条检验的样本从提交批中任意抽取6件,批量小于6件时应进行全数检验。7.1.5经检验为不合格批时,该批产品由交货方返工后方可再一次提交检验。7.2型式检验
型式检验每年进行一欲,有下列情况之一时,亦必须进行型式检验:7.2.1
产品原料配方的改变;
生产工艺方法变更;
停产六个月以上再恢复生产;
生产工艺过程中发生意外事故;出广检验结果与上次型式检验结果有较大差异时国家质量监督机构提出型式检验的要求时。型式检验项目为本标准5.1、5.2、5.3.5.4、5.5、5.6、5.7、5.8、5.9、5.10、5.14条规定的内容。7.2.2
型式检验的样本应从本周期内生产的、经制造厂检验部门全数检验分等后等级内的产品中抽取。
7.2.4型式检验按GB2829的规定执行,各检验项目的不合格分类、不合格质量水平、判别水平及抽样方案见表5。
检验项目
不合格分类
不合格质量水平
判别水平
抽样方案
样本量
n -- 3 2
GB/T13522-92
7.2.5检验的各个项目中,如有一项不合格,判该产品型式检验不合格。包装、标志、运输、储存
包装按GB11423执行。标志、运输、储存按GB3302执行,附加说明:
本标准由中华人民共和国轻工业部提出。本标准由全国陶瓷标准化中心技术归口。本标准由唐山市陶瓷工业公司负责起草,由轻工业部陶瓷研究所参加起草。本标准主要起草人吴国才、刘天柱、黄彩娥、金宝元、朱秀琴李国臣。363
小提示:此标准内容仅展示完整标准里的部分截取内容,若需要完整标准请到上方自行免费下载完整标准文档。
骨灰瓷器
Bone china
1主题内容与适用范围
GB/T13522--92
本标准规定了骨灰瓷器的产品分类、技术要求,试验方法、检验规则、标志、包装、运输、储存规则。本标准适用于以磷酸三钙为主要成分的日用骨灰瓷器。2引用标准
GB1871磷精矿和磷矿石中磷的测定方法GB2828遂批检查计数抽样程序及抽样表(适用于连续批的检查)G2829
周期检查计数抽样程序及抽样表(适用于生产过程稳定性的检查)日用陶瓷器热稳定性测定方法
GB3298
GB 3299
日用陶瓷器吸水率测定方法
GB/T3300日用陶瓷器变形测定方法GB 3301
GB 3302
GB3303
GB3534
GB5000
GB 11423
GB 12651
日用陶瓷器的容积,口径误差、高度读差重量误差、缺陷尺寸的测定方法日用陶瓷器验收,包装,标志、运输、储存规则日用陶瓷器缺陷术语
日用陶瓷器铅、溶出量测定方法日用陶瓷名词术语
日用陶瓷纸箱包装技术条件
与食物接触的陶瓷制品铅、镐溶出量允许极限QB919日用陶瓷白度测定方法
3术语
3.1缺陷术语见表1。
3.2其他术语按GB5000.GB3303执行。表美
4产品分类
定义或涵义
索胎表面的粘附物撼釉烧成后避成的缺陷产品表面由于施触过厚形成的缺陷4.1按产品的形状和用途分为盘碟类、碗类、壶类、杯类及其他器物类。4.2按产品的规格分为1型、II型。其规格范围见表2。国家技术监督局1992-06-12批准对应英文
body dirt
thick glaze
1993-03-01实施
盘碟类口径
碗类口径
壶类容量
杯类口径
其他器物类
技术要求
计量单位
GB/T1352292
≥1000
视其外形相似情况分别按上燃各类定型5.1瓷质细腻、釉面滋润、半透明度好。白度不低于80%(有特殊色调的产品不受此限)。5.2产品素胎中磷酸三钙的含量不低于36%。5.3吸水率不超过0.5%。
5.4热稳定性:140℃投人20℃水中热交换一次不裂(以152~203mm扁平产品为代表件)。5.5任何单-一制品与食物接触面的铅和的溶出量,应符合GB12651的规定。5.6产品放在平面上应平稳,有盖产品的盖要与口物合。5.7壶类在倾斜70°时,盖子不许脱落。当壶盖向一方向移动时,其边缘与壶口的距离不得超过3mm整嘴的口部不得低于壶口3mm。
5.8成套产品的釉色、画面色泽应基本一致,同一产品的规格尺寸应相称。5.9口径误差:口径大于或等于60mm者,允许误差为十1.5%~~1.0%,口径小于60mm者,允许误差为±2.0%。
5.10重量误差:1型产品为+3%;I型产品为5%。5.11每件产品不得超过四种缺陷,且不得密集。5.12本标准未能包括的缺陷,根据其形态,可按相似缺陷处理。5.13本标准所规定的缺陷充许范围,如不适用于特殊工艺器型和装饰的产品,以及本标推中规定无尺寸测量的而在认识上难以统的缺陷,可由工贸双方协商制定补充规定或留样解决。5.14产品外观质量应符合表-3规定的要求。358
缺陷名称
变形(以高
度差量度
扁扇平制品
的变形,以
外口径直
径差量度
空心制品
的变形)
测定物理量
GB/T13522--92
计量单位
产品规格
盘碟类口径:
小于200
200~300
大于300
鱼盘类长径:
小于200
200~小于 240
240~320
大于320
壶类口径:
小于60
大于或等于60
魏类口径:
小于110
110~小于 175
175~230
大于230
杯类口径:
小于60
大于或等于60
开口釉泡不允许
不超过1.0
不超过1.5
缺陷允许范围
不超过口径的1%
不超过1.5
不超过 2. 0
不超过3.0
不超过口径的1.3%
不超过1. 0
不超过 1. 5
不超过 1. 0
不超过1.5
不超过2.0
不超过口径的1.3%
不超过1.0
不超过1.5
不大于1.5,不超过2个
不大于1.0,不超过2个
不太于0.5,不超过5个
不大于0.5,不超过3个
显见面不充许,
非显见面不大于1.5,不超过2-个显冕面不充许,
非显见面不大于1.0,不超过2个显见面不大于0.5,不超过2个,非显见面不大于0.5,不超过4个显见面不大于0.5,不超过2个,非显见面不大于0.5,不超过3个359
缺陷名称
底沿粘澈
石膏艇
泥缕、釉缕、
滚头迹
测定物理量
长度与深度
面积与深度
罐、把、耳疆Www.bzxZ.net
釉面擦份
彩色不正
GB/T 13522- 92
续表3
计量单位
产品规格
缺陷充许范围
显见面不大于0.3不超过2个,
(盘类显见面不超过1个)
非显见面不大于0.5不超过2个
显见面不太于0.3,不超过1个
非显见面不大于0.3,不超过2个底沿粘脚长不超过1.5,深不超过0.3,其地部位不允许
底沿粘脚长不超过1.0,深不超过3.3.其他部位不允许
魔见面不允许
非显见面不超过 4
显见面不充许:
非显见面不超过3
外沿不允许+内不超过周长的1.5%,必缅磨去尖瓣
不大于1.0,不超过2个
不大于0.5,不超过2个
显见面不充许,
非显见面不超过20.深不超过0.5显见面不充许,
非显见面不超过10,深不超过0.5显见面不充许,
非显见面不明显
显见面不显,
非显见面不太明显
显见面不明显,
非显见面不太明显
显见面不允许,
非显见面不明显
疑见面很不明显,
非显见面不明显
不明显
缺陷名称
画线缺陷
画面缺陷
裂纹、落
渣、烟熏、
烤花粘釉、
炸釉、碴
碰、水边泡
GB/T.13522—92
续表3
测定物理量计量单位
产品规格
缺陷允许范围
显见面在画线边缘,花内和花的边缘不超过3.0。非显见面在画线边缘不超过3.0断线、断边不允许
不大于4,不超过2处,满花不超过3处,底款不超过1
不充许
5.15凡颜色清淡很不明显的微小缺陷和某些缺陷,经加工处理后不影响美观者,可不作缺陷计。5.16按表3检查疙瘩、泥渣、坏泡、溶洞和石膏脏等缺陷时,如遇有尺寸小于规定幅度50%的缺陷,而其数量较规定略多时,可以2个折算1个。当总数为单数时,可将总数加1个,变成偶数再折半计算,但所增加的绝对个数不得超过原规定总量的50%。5.17非显见面的疙瘩、泥渣、坏泡和石膏脏缺陷允许在规定的数量内将缺陷尺寸增大50%。6试验方法
6.1白度测定方法按QB919进行。6.2磷酸三钙测定方法按GB1871测定出五氧化二磷的含量,再由此换算出磷酸三钙的含量。换算公式如下:
式中 W.
磷酸三钙含量,%;
五氧化二磷含量,%;
2.1853——换算因数。
6.3吸水率测定方法按GB3299进行。6.4热稳定性测定方法GB3298进行。W = 2. 185 3 × W
6.5铅、镉溶出量测定方法按GB3534进行。6.6变形测定方法按GB/T3300进行。6.7容积、口径误差、高度误差、重量误差、缺陷尺寸的测定方法按GB3301进行。7检验规则
产品检验分出厂检验和型式检验。采用每百单位不合格品数(计件法)检验。每批产品须经制造厂检验部门检验合格后方可出厂,出厂时必须附有证明产品质量合格的文件。7.1出厂检验
7.1.1出厂检验项目为本标准5.6、5.7、5.8.5.14条规定的内容。7.1.2出厂检验按GB2828的规定执行,各检验项目的不合格分类、合格质量水平,检查水平及抽样方案见表4。
检验项目
不合格分类
GB/T 13522
合格质量水平
检查水平
一般检查
水平1
7.1.3产品批的形成:受检产品可按单件、套具、花面装饰方法分别形成批。抽样方案
正常检查-一次
抽样方
7.1.4样本的抽取随机进行。单件产品按表4的规定抽取样本量,成箱(包括成套或成捆)产品先按GB2828特殊检查水平S-2抽取箱数,然后按本标准表4的规定从抽出的箱数中抽取该批产品的样本量。本标准5.5条检验的样本从提交批中任意抽取6件,批量小于6件时应进行全数检验。7.1.5经检验为不合格批时,该批产品由交货方返工后方可再一次提交检验。7.2型式检验
型式检验每年进行一欲,有下列情况之一时,亦必须进行型式检验:7.2.1
产品原料配方的改变;
生产工艺方法变更;
停产六个月以上再恢复生产;
生产工艺过程中发生意外事故;出广检验结果与上次型式检验结果有较大差异时国家质量监督机构提出型式检验的要求时。型式检验项目为本标准5.1、5.2、5.3.5.4、5.5、5.6、5.7、5.8、5.9、5.10、5.14条规定的内容。7.2.2
型式检验的样本应从本周期内生产的、经制造厂检验部门全数检验分等后等级内的产品中抽取。
7.2.4型式检验按GB2829的规定执行,各检验项目的不合格分类、不合格质量水平、判别水平及抽样方案见表5。
检验项目
不合格分类
不合格质量水平
判别水平
抽样方案
样本量
n -- 3 2
GB/T13522-92
7.2.5检验的各个项目中,如有一项不合格,判该产品型式检验不合格。包装、标志、运输、储存
包装按GB11423执行。标志、运输、储存按GB3302执行,附加说明:
本标准由中华人民共和国轻工业部提出。本标准由全国陶瓷标准化中心技术归口。本标准由唐山市陶瓷工业公司负责起草,由轻工业部陶瓷研究所参加起草。本标准主要起草人吴国才、刘天柱、黄彩娥、金宝元、朱秀琴李国臣。363
小提示:此标准内容仅展示完整标准里的部分截取内容,若需要完整标准请到上方自行免费下载完整标准文档。
标准图片预览:





- 其它标准
- 热门标准
- 国家标准(GB)
- GB/T18204.4-2000 公共场所毛巾、床上卧具微生物检验方法细菌总数测定
- GB/T23892.3-2009 滑动轴承 稳态条件下流体动压可倾瓦块止推轴承 第3部分:可倾瓦块止推轴承计算的许用值
- GB/T11839-1989 二氧化铀芯块中硼的测定 姜黄素萃取光度法
- GB/T7433-1987 对称电缆载波通信系统抗无线电广播和通信干扰的指标
- GB/T21238-2007 玻璃纤维增强塑料夹砂管
- GB/T28809-2012 轨道交通 通信、信号和处理系统 信号用安全相关电子系统
- GB15603-2022 危险化学品仓库储存通则
- GB/T9239-1988 刚性转子平衡品质 许用不平衡的确定
- GB/T15917.3-1995 金属镝及氧化镝化学分析方法 对氯苯基荧光酮--溴化十六烷基三甲基胺分光光度法测定钽量
- GB/T5738-1995 瓶装酒、饮料塑料周转箱
- GB/T13985-1992 照相机操作力和强度
- GB/T6397-1986 金属拉伸试验试样
- GB5793-1986 字鼓式行式打印机色带卷轴基本尺寸
- GB/T16483-2008 化学品安全技术说明书 内容和项目顺序
- GB/T11813-2008 压水堆燃料棒氦质谱检漏
- 行业新闻
请牢记:“bzxz.net”即是“标准下载”四个汉字汉语拼音首字母与国际顶级域名“.net”的组合。 ©2025 标准下载网 www.bzxz.net 本站邮件:bzxznet@163.com
网站备案号:湘ICP备2025141790号-2
网站备案号:湘ICP备2025141790号-2