- 您的位置:
- 标准下载网 >>
- 标准分类 >>
- 机械行业标准(JB) >>
- JB/T 7658.5-1995 氨制冷装置用蒸发式冷凝器
标准号:
JB/T 7658.5-1995
标准名称:
氨制冷装置用蒸发式冷凝器
标准类别:
机械行业标准(JB)
英文名称:
Evaporative condensers for ammonia refrigeration equipment标准状态:
已作废-
发布日期:
1995-06-16 -
实施日期:
1996-07-01 -
作废日期:
2007-04-01 出版语种:
简体中文下载格式:
.rar.pdf下载大小:
170.93 KB

点击下载
标准简介:
标准下载解压密码:www.bzxz.net
本标准代替了JB 3337-91和JB 4339-91二项标准。 本标准规定了氨制冷装置用蒸发式冷凝器的术语、产品分类、技术要求、试验方法、检验规则、标志、包装和运输。 本标准适用于氨制冷装置用蒸发式冷凝器。 JB/T 7658.5-1995 氨制冷装置用蒸发式冷凝器 JB/T7658.5-1995

部分标准内容:
中华人民共和国机械行业标准
氨制冷装置用蒸发式冷凝器
主题内容与适用范围
JB/T7658.5~-95
代替B39-91
JB 3337-91
本标准规定了氨制冷装置用蒸发式冷凝器(以下简称冷凝器)的术语、产品分类、技术要求、试验方法、检验规则、标志、包装和运输。本标准适用于氨制冷装置用蒸发式冷凝器。2引用标准
优质碳素结构钢技术条件
GB1300
GB1591
碳素结构钢
碳素结构钢和低合金结构钢热轧薄钢板及钢带焊接用钢丝
低合金结构钢
GB/T3091
GB/T3092
GB5117
GB5118
GB8162
GB8163
低压流体输送用镀锌焊接钢管
低压流体输送用焊接钢管
碳钢焊条
低合金钢焊条
结构用无缝钢管
输送流体用无缝钢管
GB/T13306
ZBJ73 029
3术语
氨制冷装置用管式换热器清洁度测定方法3.1蒸发式冷凝器
利用空气强制循环和水分的蒸发将制冷剂凝结热带走的冷凝器4产品分类
4.1型式
冷凝器按其送风型式分为送风式和吸风式两种。4.2型号
4.2.1型号表示方法
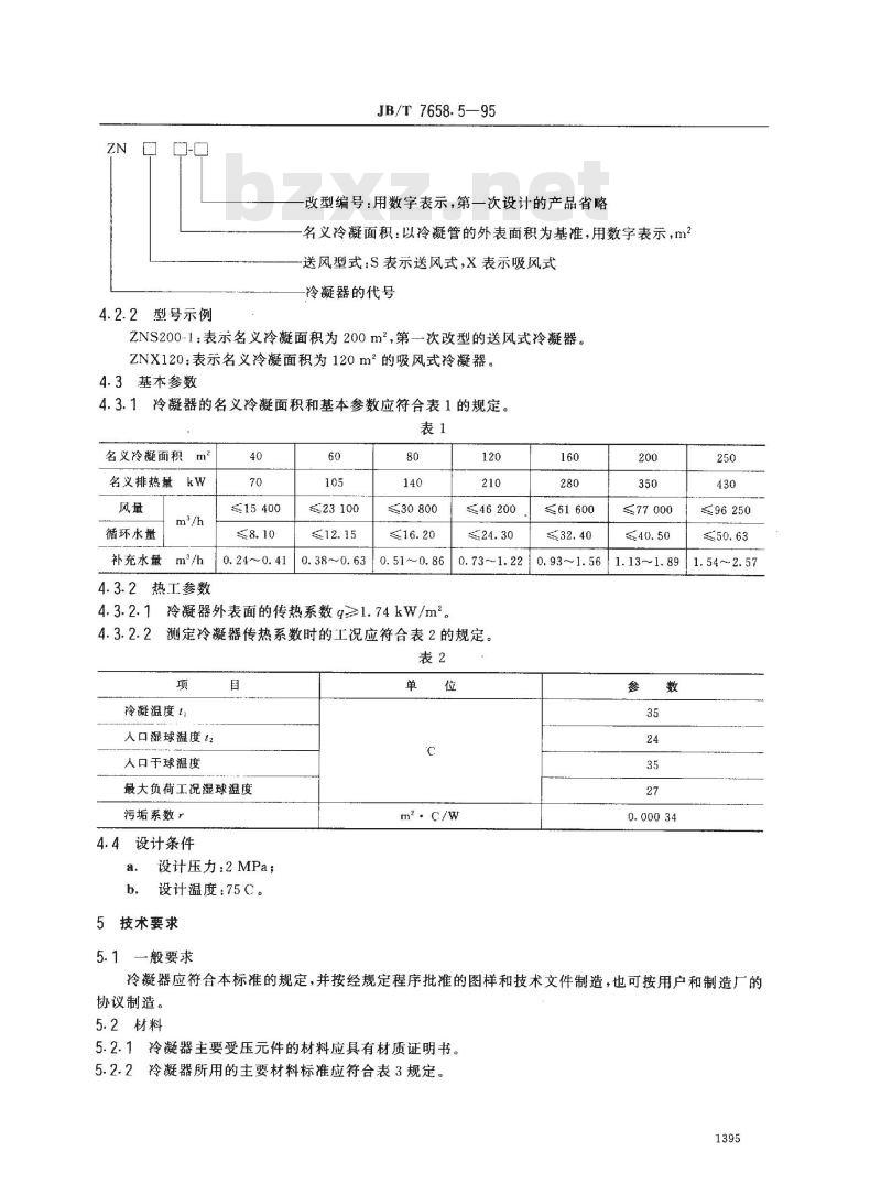
冷凝器的型号由大写汉语拼音字母和阿拉伯数字(以下简称数字)组成。其型号的表示方法规定如中华人民共和国机械工业部1995-06-16批准1394
1996-07-01实施
4.2.2型号示例
JB/T7658.5—95
改型编号:用数字表示,第一次设计的产品省略名义冷凝面积:以冷凝管的外表面积为基准,用数字表示,m2-送风型式:S表示送风式,X表示吸风式冷凝器的代号
ZNS200-1:表示名义冷凝面积为200m2,第一次改型的送风式冷凝器。ZNX120表示名义冷凝面积为120m2的吸风式冷凝器。4.3基本参数
4.3.1冷凝器的名义冷凝面积和基本参数应符合表1的规定。表1
名义冷凝面积
名义排热量
循环水量
补充水量
≤15400
0.24~0.41
4.3.2热工参数
≤23100
≤30800
0.38~0.630.51~0.86
4.3.2.1冷凝器外表面的传热系数q≥1.74kW/m2。4.3. 2.2
≤46200
0.73~1.22
测定冷凝器传热系数时的工况应符合表2的规定,表2
冷凝温度1
人口湿球温度
人口干球温度
最大负荷工况湿球温度
污垢系数r此内容来自标准下载网
4.4设计条件
设计压力:2MPa;
设计温度:75。
5技术要求
5.1一般要求
≤61600
0.93~1.56
≤77000
1.13~~1.89
1.54~2. 57
冷凝器应符合本标准的规定,并按经规定程序批准的图样和技术文件制造,也可按用户和制造厂的协议制造。
5.2材料
5.2.1冷凝器主要受压元件的材料应具有材质证明书。5.2.2冷凝器所用的主要材料标准应符合表3规定。1395
材料名称
标准编号
5.3冷凝盘管
GB/T 3091,GB/T 3092.
GB 8162,GB 8163
JB/T7658.5-—95
GB 699,GB 700,
GB 912,GB 1591
GB 5117,
GB5118
5.3.1施工前冷凝管应校直,除去表面氧化皮和污物,确保管内清洁、干燥。5.3.2弯管的圆度公差应不大于管子外径的15%。焊
GB1300
5.3.3管子弯曲处的壁厚减薄量应不大于原壁厚的17%,弯曲处不应有皱折、压痕等缺陷。5.3.4冷凝盘管及支架应热镀锌。5.4水箱
5.4.1箱体应用带有防腐保护膜的金属板、不锈钢板或耐腐蚀的非金属板制成。箱板应平整、光滑。箱体由普通钢板制成时,应清除内、外表面的氧化皮污物,并进行防腐处理,表面应光洁,不应有斑点、挂瘤等缺陷。
5.4.2水箱应设有排水口。
5.4.3水箱不应有渗漏。
5.4.4浮球阀及其他自动控制元件均应确保密封无泄漏,运行灵活、无卡阻。5.5风机和水泵
风机和水泵应符合有关标准的规定。5.6挡水板
5.6.1材料应选用镀锌板、塑料板或玻璃钢。5.6.2应具有足够的刚度,以确保挡水板平整、美观。5.6.3应无变形、扭曲和机械损伤,外形应光洁。5.7喷嘴
5.7.1材料应选用铜或塑料。
5.7.2喷水应均匀。
5.7.3螺纹联结处不应渗漏。
5.8密封
5.8.1侧板接缝和其他接缝处均应用橡胶垫板、泡沫塑料或密封胶密封。5.8.2密封垫表面应平整。
5.9绝缘电
风机和水泵的电动机接线盒端子应做绝缘电阻试验,绝缘线路与接地之间的绝缘电阻应不小于2MQ采用500V兆欧表测量)。
5.10焊接
冷凝器的焊接应按图样和工艺的规定。5.11气密要求
冷凝器的冷凝盘管在组装前应做气密试验,试验压力为2MPa。5.12清洁度
冷凝器内部应清洁,其与制冷剂接触部位的杂质含量应不超过800mg/m2。5.13外观质量
冷凝器造型应美观大方,焊缝表面应无裂纹、气孔、弧坑和夹渣,外表面应涂油漆,油漆应均匀光滑、色泽一致,不应有影响外观的缺陷。5.14成套性
成套供应的冷凝器还应包括:
氮进口接头;
氨出接头;
排污接头;
d.平衡管接头;
放油接头、放空气接头;
进水、出水、泄水接头;
安全阀接头。
5.15附件
5.15.1冷凝器的附件为:
冷凝盘管;
JB/T7658.5—95
水路系统(其中含浮球阀、水泵、喷水管、喷嘴);进气集管(其中含压力表、安全阀、进气阀门、放空气阀门);出液集管(其中含出液阀门、平衡阀门);上框架(结构型式为吸风式时,其中含风机);下框架(结构型式为送风式时,其中含风机)。g.
5.15.2冷凝器的附件应符合相应标准或图样的规定。5.16保用期
在用户遵守产品说明书各项规定的条件下,从制造厂发货之日起18个月内,冷凝器因制造不良而损坏或不能正常工作时,制造厂应免费更换或修理。6试验方法
6.1性能试验
冷凝器性能试验方法可采用工业运行试验。6.2水箱检漏试验
水箱焊接后应进行盛水或煤油检漏,检查水箱各焊缝处应无渗漏。6.3绝缘电阻试验
在常温或相对湿度小于或等于80%的条件下,采用500V兆欧表测量风机和水泵的电动机接线盒端子的绝缘线路与接地之间的绝缘电阻,其值应不小于2MQ。6.4气密试验
6.4.1气密试验所用气体应为干燥、洁净的空气、氮气、惰性气体。6.4.2气压耐压试验应有安全措施,该安全措施由试验单位安全部门监督检查。6.4.3试验压力为2MPa。
6.4.4气密试验的步骤如下:
a.试验时应缓慢加压到试验压力,并保压10min后,放人不低于5C的水中(或外部涂上发泡液),无气泡产生为合格。
b.如有渗漏,卸压修补后重新进行气密试验。检查期间压力应保持不变,不应采用连续加压以维持试验压力不变的做法,不应带压紧固螺c.
6.5清洁度测定
冷凝器的清洁度测定可参照ZBJ73029的规定。1397
7检验规则
“—般要求
JB/T7658.595
冷凝器应由制造厂的技术检验部门按本标准和技术文件进行检验,合格后方可出厂7.2检验项目
7.2.1检验分类
冷凝器的检验分出厂检验、型式检验两种。7.2.2检验项目
冷凝器的检验项目应按表4的规定。表4
检验项目
性能试验
清洁度
加工质量
水箱检漏试验
绝缘电阻试验
外观质量
气密试验
核对标牌各项内容
按出厂文件核对产品的成套性
7.3出厂检验
每台冷凝器制成后均应进行出厂检验。7.4型式检验
出厂检验
型式检验
7.4.1对冷凝器至少个规格的新产品或经重大改革的老产品应进行型式检验。7.4.2冷凝器性能试验方法可采用工业运行试验。8标志、包装和运输
8.1标志
8.1.1标牌
冷凝器应在明显而平整的部位上固定标牌,标牌应符合GB/T13306的规定,标牌上应标出下列内a.
制造单位及商标;
产品型号:
产品名称;
设计压力;
设计温度;
冷凝面积;
制冷剂;
风机功率、水泵功率;
制造编号;
制造日期。
8.1.2出厂文件
冷凝器出厂时应随带下列出厂文件。8.1.2.1产品合格证,其内容为:a.
制造单位及商标;
产品型号;
产品名称;
出厂编号;
检验结论;
检验人员及负责人签章;
检验日期。
产品说明书,其内容为:
产品型号及名称;
用途及适用范围;
规格及技术参数;
结构及工作原理;
安装及使用说明;
维护、保养与维修;
外形图。
8.1.2.3装箱单。
8.2包装和运输
JB/T 7658.5—95
8.2.1冷凝器外露加工面和接管处应涂防锈剂并予以密封。组装法兰应以螺栓固紧,其密封面涂防锈油脂,并予封闭。
8.2.2冷凝器可以裸装或装箱。运输时应注意设置托架固定,防止翻滚审动。在发货时,应有发货标志和运输包装标志。
附加说明:
本标准由机械工业部合肥通用机械研究所提出并归口。本标准由大连冷冻机股份有限公司、武汉新世界制冷工业有限公司负责起草。本标准主要起草人:哈洪波、李慕珍、孙正国、胡增武。本标准于1964年1月首次发布,于1986年12月第一次修订。1399
小提示:此标准内容仅展示完整标准里的部分截取内容,若需要完整标准请到上方自行免费下载完整标准文档。
氨制冷装置用蒸发式冷凝器
主题内容与适用范围
JB/T7658.5~-95
代替B39-91
JB 3337-91
本标准规定了氨制冷装置用蒸发式冷凝器(以下简称冷凝器)的术语、产品分类、技术要求、试验方法、检验规则、标志、包装和运输。本标准适用于氨制冷装置用蒸发式冷凝器。2引用标准
优质碳素结构钢技术条件
GB1300
GB1591
碳素结构钢
碳素结构钢和低合金结构钢热轧薄钢板及钢带焊接用钢丝
低合金结构钢
GB/T3091
GB/T3092
GB5117
GB5118
GB8162
GB8163
低压流体输送用镀锌焊接钢管
低压流体输送用焊接钢管
碳钢焊条
低合金钢焊条
结构用无缝钢管
输送流体用无缝钢管
GB/T13306
ZBJ73 029
3术语
氨制冷装置用管式换热器清洁度测定方法3.1蒸发式冷凝器
利用空气强制循环和水分的蒸发将制冷剂凝结热带走的冷凝器4产品分类
4.1型式
冷凝器按其送风型式分为送风式和吸风式两种。4.2型号
4.2.1型号表示方法
冷凝器的型号由大写汉语拼音字母和阿拉伯数字(以下简称数字)组成。其型号的表示方法规定如中华人民共和国机械工业部1995-06-16批准1394
1996-07-01实施
4.2.2型号示例
JB/T7658.5—95
改型编号:用数字表示,第一次设计的产品省略名义冷凝面积:以冷凝管的外表面积为基准,用数字表示,m2-送风型式:S表示送风式,X表示吸风式冷凝器的代号
ZNS200-1:表示名义冷凝面积为200m2,第一次改型的送风式冷凝器。ZNX120表示名义冷凝面积为120m2的吸风式冷凝器。4.3基本参数
4.3.1冷凝器的名义冷凝面积和基本参数应符合表1的规定。表1
名义冷凝面积
名义排热量
循环水量
补充水量
≤15400
0.24~0.41
4.3.2热工参数
≤23100
≤30800
0.38~0.630.51~0.86
4.3.2.1冷凝器外表面的传热系数q≥1.74kW/m2。4.3. 2.2
≤46200
0.73~1.22
测定冷凝器传热系数时的工况应符合表2的规定,表2
冷凝温度1
人口湿球温度
人口干球温度
最大负荷工况湿球温度
污垢系数r此内容来自标准下载网
4.4设计条件
设计压力:2MPa;
设计温度:75。
5技术要求
5.1一般要求
≤61600
0.93~1.56
≤77000
1.13~~1.89
1.54~2. 57
冷凝器应符合本标准的规定,并按经规定程序批准的图样和技术文件制造,也可按用户和制造厂的协议制造。
5.2材料
5.2.1冷凝器主要受压元件的材料应具有材质证明书。5.2.2冷凝器所用的主要材料标准应符合表3规定。1395
材料名称
标准编号
5.3冷凝盘管
GB/T 3091,GB/T 3092.
GB 8162,GB 8163
JB/T7658.5-—95
GB 699,GB 700,
GB 912,GB 1591
GB 5117,
GB5118
5.3.1施工前冷凝管应校直,除去表面氧化皮和污物,确保管内清洁、干燥。5.3.2弯管的圆度公差应不大于管子外径的15%。焊
GB1300
5.3.3管子弯曲处的壁厚减薄量应不大于原壁厚的17%,弯曲处不应有皱折、压痕等缺陷。5.3.4冷凝盘管及支架应热镀锌。5.4水箱
5.4.1箱体应用带有防腐保护膜的金属板、不锈钢板或耐腐蚀的非金属板制成。箱板应平整、光滑。箱体由普通钢板制成时,应清除内、外表面的氧化皮污物,并进行防腐处理,表面应光洁,不应有斑点、挂瘤等缺陷。
5.4.2水箱应设有排水口。
5.4.3水箱不应有渗漏。
5.4.4浮球阀及其他自动控制元件均应确保密封无泄漏,运行灵活、无卡阻。5.5风机和水泵
风机和水泵应符合有关标准的规定。5.6挡水板
5.6.1材料应选用镀锌板、塑料板或玻璃钢。5.6.2应具有足够的刚度,以确保挡水板平整、美观。5.6.3应无变形、扭曲和机械损伤,外形应光洁。5.7喷嘴
5.7.1材料应选用铜或塑料。
5.7.2喷水应均匀。
5.7.3螺纹联结处不应渗漏。
5.8密封
5.8.1侧板接缝和其他接缝处均应用橡胶垫板、泡沫塑料或密封胶密封。5.8.2密封垫表面应平整。
5.9绝缘电
风机和水泵的电动机接线盒端子应做绝缘电阻试验,绝缘线路与接地之间的绝缘电阻应不小于2MQ采用500V兆欧表测量)。
5.10焊接
冷凝器的焊接应按图样和工艺的规定。5.11气密要求
冷凝器的冷凝盘管在组装前应做气密试验,试验压力为2MPa。5.12清洁度
冷凝器内部应清洁,其与制冷剂接触部位的杂质含量应不超过800mg/m2。5.13外观质量
冷凝器造型应美观大方,焊缝表面应无裂纹、气孔、弧坑和夹渣,外表面应涂油漆,油漆应均匀光滑、色泽一致,不应有影响外观的缺陷。5.14成套性
成套供应的冷凝器还应包括:
氮进口接头;
氨出接头;
排污接头;
d.平衡管接头;
放油接头、放空气接头;
进水、出水、泄水接头;
安全阀接头。
5.15附件
5.15.1冷凝器的附件为:
冷凝盘管;
JB/T7658.5—95
水路系统(其中含浮球阀、水泵、喷水管、喷嘴);进气集管(其中含压力表、安全阀、进气阀门、放空气阀门);出液集管(其中含出液阀门、平衡阀门);上框架(结构型式为吸风式时,其中含风机);下框架(结构型式为送风式时,其中含风机)。g.
5.15.2冷凝器的附件应符合相应标准或图样的规定。5.16保用期
在用户遵守产品说明书各项规定的条件下,从制造厂发货之日起18个月内,冷凝器因制造不良而损坏或不能正常工作时,制造厂应免费更换或修理。6试验方法
6.1性能试验
冷凝器性能试验方法可采用工业运行试验。6.2水箱检漏试验
水箱焊接后应进行盛水或煤油检漏,检查水箱各焊缝处应无渗漏。6.3绝缘电阻试验
在常温或相对湿度小于或等于80%的条件下,采用500V兆欧表测量风机和水泵的电动机接线盒端子的绝缘线路与接地之间的绝缘电阻,其值应不小于2MQ。6.4气密试验
6.4.1气密试验所用气体应为干燥、洁净的空气、氮气、惰性气体。6.4.2气压耐压试验应有安全措施,该安全措施由试验单位安全部门监督检查。6.4.3试验压力为2MPa。
6.4.4气密试验的步骤如下:
a.试验时应缓慢加压到试验压力,并保压10min后,放人不低于5C的水中(或外部涂上发泡液),无气泡产生为合格。
b.如有渗漏,卸压修补后重新进行气密试验。检查期间压力应保持不变,不应采用连续加压以维持试验压力不变的做法,不应带压紧固螺c.
6.5清洁度测定
冷凝器的清洁度测定可参照ZBJ73029的规定。1397
7检验规则
“—般要求
JB/T7658.595
冷凝器应由制造厂的技术检验部门按本标准和技术文件进行检验,合格后方可出厂7.2检验项目
7.2.1检验分类
冷凝器的检验分出厂检验、型式检验两种。7.2.2检验项目
冷凝器的检验项目应按表4的规定。表4
检验项目
性能试验
清洁度
加工质量
水箱检漏试验
绝缘电阻试验
外观质量
气密试验
核对标牌各项内容
按出厂文件核对产品的成套性
7.3出厂检验
每台冷凝器制成后均应进行出厂检验。7.4型式检验
出厂检验
型式检验
7.4.1对冷凝器至少个规格的新产品或经重大改革的老产品应进行型式检验。7.4.2冷凝器性能试验方法可采用工业运行试验。8标志、包装和运输
8.1标志
8.1.1标牌
冷凝器应在明显而平整的部位上固定标牌,标牌应符合GB/T13306的规定,标牌上应标出下列内a.
制造单位及商标;
产品型号:
产品名称;
设计压力;
设计温度;
冷凝面积;
制冷剂;
风机功率、水泵功率;
制造编号;
制造日期。
8.1.2出厂文件
冷凝器出厂时应随带下列出厂文件。8.1.2.1产品合格证,其内容为:a.
制造单位及商标;
产品型号;
产品名称;
出厂编号;
检验结论;
检验人员及负责人签章;
检验日期。
产品说明书,其内容为:
产品型号及名称;
用途及适用范围;
规格及技术参数;
结构及工作原理;
安装及使用说明;
维护、保养与维修;
外形图。
8.1.2.3装箱单。
8.2包装和运输
JB/T 7658.5—95
8.2.1冷凝器外露加工面和接管处应涂防锈剂并予以密封。组装法兰应以螺栓固紧,其密封面涂防锈油脂,并予封闭。
8.2.2冷凝器可以裸装或装箱。运输时应注意设置托架固定,防止翻滚审动。在发货时,应有发货标志和运输包装标志。
附加说明:
本标准由机械工业部合肥通用机械研究所提出并归口。本标准由大连冷冻机股份有限公司、武汉新世界制冷工业有限公司负责起草。本标准主要起草人:哈洪波、李慕珍、孙正国、胡增武。本标准于1964年1月首次发布,于1986年12月第一次修订。1399
小提示:此标准内容仅展示完整标准里的部分截取内容,若需要完整标准请到上方自行免费下载完整标准文档。

标准图片预览:





- 其它标准
- 热门标准
- 机械行业标准(JB)
- JB/T6882-2006 泵可靠性验证试验
- JB/T10398-2004 离网型风力发电系统售后技术服务规范
- JB/T9592.2-1999 全金属12角法兰面锁紧螺母 技术条件
- JB/T4718-1992 管壳式换热器用金属包垫片
- JB8734.2-1998 额定电压 450/750V及以下聚氯乙烯绝缘电缆电线和软线第2部分: 固定布线用电缆电线
- JB/T2436.1-1992 导线用铜压接端头 第一部分: 0.5~6.0mm2导线用铜压接端头
- JB/T10325-2002 锅炉除氧器 技术条件
- JB/T10187-2011 滚动轴承 深沟球轴承振动
- JB/T7991.4-2001 电镀超硬磨料制品 磨头
- JB2901-2020 汽轮机防锈技术条件
- JB/T8854.2-2001 GⅡCL型、GⅡCLZ型鼓形齿式联轴器
- JB/T10472-2005 光轮压路机
- JBJ10-1996 机械工厂采暖通风与空气调节设计规范
- JB/T8103.7-2008 碟式分离机 第7部分:酵母分离机
- JB/T5000.3-2007 重型机械通用技术条件 第3部分:焊接件
- 行业新闻
请牢记:“bzxz.net”即是“标准下载”四个汉字汉语拼音首字母与国际顶级域名“.net”的组合。 ©2009 标准下载网 www.bzxz.net 本站邮件:bzxznet@163.com
网站备案号:湘ICP备2023016450号-1
网站备案号:湘ICP备2023016450号-1