- 您的位置:
- 标准下载网 >>
- 标准分类 >>
- 机械行业标准(JB) >>
- JB/T 8249.1-1999 照相机 画幅尺寸
标准号:
JB/T 8249.1-1999
标准名称:
照相机 画幅尺寸
标准类别:
机械行业标准(JB)
标准状态:
现行-
发布日期:
1999-08-06 -
实施日期:
2000-01-01 出版语种:
简体中文下载格式:
.rar.pdf下载大小:
42.57 KB
标准ICS号:
成像技术>>摄影技术>>37.040.10摄影设备、投影仪中标分类号:
仪器、仪表>>电影、照相、缩微、复印设备>>N46照相机与照相器具
替代情况:
JB/T 8249.1-1995(原标准号GB 9179-1988)采标情况:
eqv ISO 1754:1986
部分标准内容:
ICS 37.040.10
中华人民共租和国机械行业标准JB/T 8249.1—t999
eqrIs01754--1986
照相机画幅尺寸
Picture sizes for still cameras1999-08-10发有
涵家机械工业局免费标准下载网bzxz
2000-01-01实施
JE/T B248.:1999
本标左等效采用IS01754—1986摄影—使用3.5mm和更小改卷的两相机画面寸,本标是讨JBT8249.1—1995(GB917—1988)瓶相机至幅尺十的谈。够订的,对原标作了演辑性修或,三要按术内容没有变化。本标白卖随之日起,代替JB/T8249.11995(G9179—198BF卡标主今国照相机械标推化技术委品会提出并归口,本标垒责越草单位:抗州照相机据研究所本标湾主豪起草人科关森
中华人民共和国机械行业标准
照相机画幅尺寸
Picmre sixes for stilt cameras本标造规定了小型照相机之画轻尺寸。JB/T8249.1-1999
eqv[S1754-19B6
普JBT8249.1-1993
木行准造前于照相机握影时感光村料上所拍短的营幅尺寸:通常所画的近边尺寸×长边尺来表六。不请司于立体相机和全景照相机。2拉术要求
2.1形法尺寸
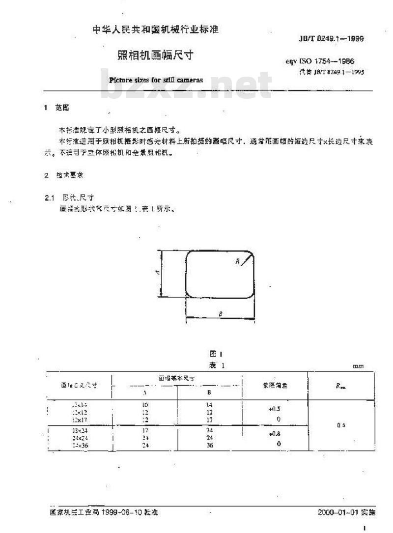
面程站形来尽就图1所示。
函2义寸
13×24
原机号工性高1999-06-10发准
能涵响丝
2000-01-01实施
西据名义尺寸
45×60
60×60
JB/T 8249.11999
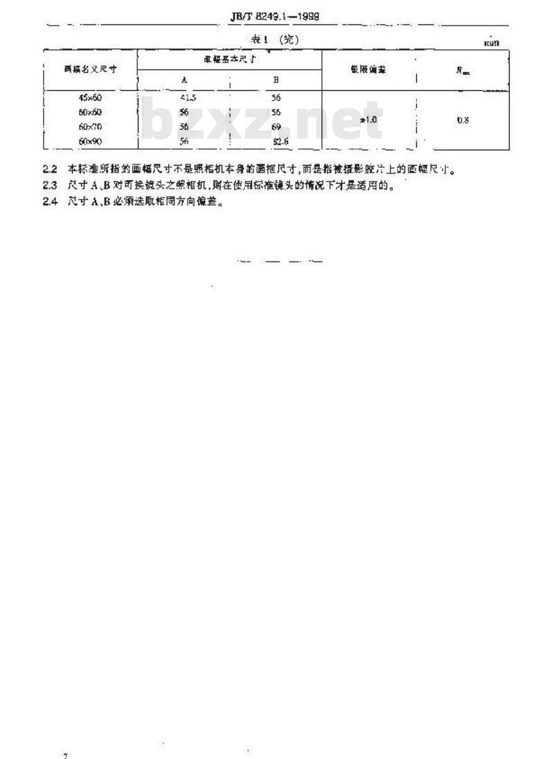
表! ()
甲梗尺
限偏蓄
2.2本标准所指的画辐尺寸不是照柜机本身的画提尺寸而是指被握影腔上的面幅尺小。2.3尺寸A、B对可换镜头之黑相机,则在使用标准镜头的情况下才是适因的。2.4起A,B必源选取柜周方向稳差。Itan
小提示:此标准内容仅展示完整标准里的部分截取内容,若需要完整标准请到上方自行免费下载完整标准文档。
中华人民共租和国机械行业标准JB/T 8249.1—t999
eqrIs01754--1986
照相机画幅尺寸
Picture sizes for still cameras1999-08-10发有
涵家机械工业局免费标准下载网bzxz
2000-01-01实施
JE/T B248.:1999
本标左等效采用IS01754—1986摄影—使用3.5mm和更小改卷的两相机画面寸,本标是讨JBT8249.1—1995(GB917—1988)瓶相机至幅尺十的谈。够订的,对原标作了演辑性修或,三要按术内容没有变化。本标白卖随之日起,代替JB/T8249.11995(G9179—198BF卡标主今国照相机械标推化技术委品会提出并归口,本标垒责越草单位:抗州照相机据研究所本标湾主豪起草人科关森
中华人民共和国机械行业标准
照相机画幅尺寸
Picmre sixes for stilt cameras本标造规定了小型照相机之画轻尺寸。JB/T8249.1-1999
eqv[S1754-19B6
普JBT8249.1-1993
木行准造前于照相机握影时感光村料上所拍短的营幅尺寸:通常所画的近边尺寸×长边尺来表六。不请司于立体相机和全景照相机。2拉术要求
2.1形法尺寸
面程站形来尽就图1所示。
函2义寸
13×24
原机号工性高1999-06-10发准
能涵响丝
2000-01-01实施
西据名义尺寸
45×60
60×60
JB/T 8249.11999
表! ()
甲梗尺
限偏蓄
2.2本标准所指的画辐尺寸不是照柜机本身的画提尺寸而是指被握影腔上的面幅尺小。2.3尺寸A、B对可换镜头之黑相机,则在使用标准镜头的情况下才是适因的。2.4起A,B必源选取柜周方向稳差。Itan
小提示:此标准内容仅展示完整标准里的部分截取内容,若需要完整标准请到上方自行免费下载完整标准文档。
标准图片预览:




- 其它标准
- 热门标准
- 机械行业标准(JB)
- JB/T7893.1-1999 立式振动离心机
- JB/T7899-1999 填充聚四氟乙烯软带导轨 技术条件
- JB/T7938-1999 液压泵站油箱公称容量系列
- JB/T7850-1995 手夹快换接头
- JB/T7952-1995 空气净化器
- JB/T8009.4-1999 机床夹具零件及部件 弧形压块
- JB/T1625-2002 工业锅炉焊接管孔
- JB/T7936-1999 直廓环面蜗杆减速器
- JB/T7939-1999 单活塞杆液压缸两腔面积比
- JB/T7941.2-1995 旋入式圆形油杯
- JB/T7946.2-1999 铸造铝硅合金过烧
- JB/T7948.11-1999 熔炼焊剂化学分析方法 燃烧-碘量法测定硫量
- JB/T7925.2-1995 滑动轴承 多层轴承减摩合金硬度检验方法
- JB/T6375-1992 气动阀用橡胶密封圈 尺寸系列和公差
- JB/T7828-1995 继电器及其装置包装贮运技术条件
- 行业新闻
请牢记:“bzxz.net”即是“标准下载”四个汉字汉语拼音首字母与国际顶级域名“.net”的组合。 ©2025 标准下载网 www.bzxz.net 本站邮件:bzxznet@163.com
网站备案号:湘ICP备2025141790号-2
网站备案号:湘ICP备2025141790号-2