- 您的位置:
 - 标准下载网 >>
 - 标准分类 >>
 - 机械行业标准(JB) >>
 - JB/T 5758-1991 水平移动牛头刨床 精度
 
标准号:
JB/T 5758-1991
标准名称:
水平移动牛头刨床 精度
标准类别:
机械行业标准(JB)
标准状态:
已作废- 
          	
发布日期:
1991-10-18 - 
		 
实施日期:
1992-10-01 - 
          	
作废日期:
2008-11-01 出版语种:
简体中文下载格式:
.rar.pdf下载大小:
115.26 KB
替代情况:
被JB/T 5758.1-2008代替
点击下载
标准简介:
										 标准下载解压密码:www.bzxz.net
					 					 
						 
	        
	      本标准规定了水平移动牛头刨床的预调精度、几何精度和工作精度的要求及检验方法。 JB/T 5758-1991 水平移动牛头刨床 精度 JB/T5758-1991
部分标准内容:
					
					中华人民共和国机械行业标准
JH 5758---91
水平移动牛头刨床
1991-10-18发布
中华人民共和国机械电子工业部精度
1992-10-01实施
中华入民共和国机械行业标准
水平移动牛头刨床
主超内容与适用范围
JB5758-91
本标准展定了水?移动牛头刨床的顾调精度,1.何精世和工作情度的要求及验方法。本标准适用于量大刨前长80050mm,盘火即宽度160~3200mm的水平多动个买庆.
2. 引用标准
JF 2670金既削机床精度检脸通则3随要说明
3.1使冠本标难时,必参照267,尤其足精度检验前的安装、资扰导轨刷的空运转升溢、控验方法和检验工具的精度。
3.2孝照B2570第3.1条调快机床安装水平,滑库于其行程的中间位胃,在床身导轨的两端效宜水平议,水乎仅在数问和模向的读数均不超过0.04/1t00。3.3本标准所列出的情度检验项目融,并不表示实际检验次序。为「装卸检验工具和检验方便,可按在意的达序进行检验。
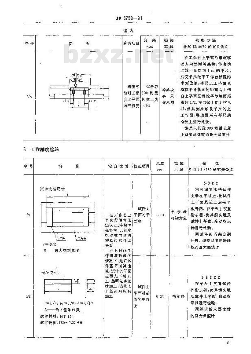
3.4工作精度检验时,试传的按验应在精创旨进行,3.5当实谢长与本标难规定的长度不同时,充差应极据JB2670第2.J.1.1条的规定效能格副意的长度折算折第结果小于0. 005mm时,巧按0. 005mm计4预调检验
机捞电子工坐部191-10-18批准
检验项
轨糖准
在垂真平
重5%微水平
量长度上 专同稳至
面的真
学验6
的平行书1009
按验方店
学照JH3570的有美多文
-2. 1.2.2. 1 5. 4. 1-2. :
在导频放置听报,在
求平税,臣声
动拆费效率
平供的流数您内铺
列海出导航民整曲城
意50D
中装上车
的阅缩点者
对曲效两量点连就的出标差
平位共替放在导
亲导机上放真专用检
,在专用检品上前一水车
等臣离科动专用桥柜检
政东号
上读数的长专费举报
1992-10实施
5几候精度检验
JB5758—7
检验功当
滑林够
动的实铁
垂平面
的言统
垂直平面
·内·
水平面肉
创肃长
上步 . csi
长冠上为
动对工作n谢量
台上平
长诺上放
的半行选
抢示器
拍示器
变高友
指示钳
检验有法
E.2. 3. 2. 1
希座量于其行翌的中间位
在工作上平四咨滑机程
动点高百垫块,势块上
长度为m
大创削长度>的平尺,平尺的
上工作面到看平手范面的
距工作台上平面金材
平导面更高1/2在止架
上固安提示报使其到头院
平尺的工作面,在
单而内11。注水平面内.调验
年尺,使给录器并平尺两道
读数相等,移动请进行垃
上没差分别计算,提落以
格示器试效内天值计
5. 2. 3. 2. 1
会别在1作台上平而左,
中,石三个位受上,滑滑度移
动方可效网座块,整决上款
长度为1的平尺,平尺
上工作而到带平导热面的
工作台上平站
半导载面高的12,来刀架
上阅定持示理,瘦其测头电
孕严的工作面在恶真
:半面内1主水平面内,分别
存三十位量调整平良,使指
示器在平尺两保数明要
移动滑应进行性脏,
2,b误莱让新计算,误竞形
指示器读效的量大学式
置基行理收中间位
栏工作上护技动厅
向款两等高驶,等高境上放
长电-
性大组的长)的平只,尺
上工作面清批轨面的
距离为工作片上平面至需机
买导我面距的的:/2.在刀架
定指,使其到
丧年克的工工作面,替动滑
出进行签验
上示数的量火菱伯汁
6工作辅度检骗
鸿件安装尺
划到究电
该许-:
1=/:1/5:F3/19
1——量大创度
试性村料:HT15℃
试件两度:160~:RCHH
5758-91
检整项目免费标准下载网bzxz
滑座球
动对上作350 质显
台上二面长度上
的行,2
检性页
险控项目
试件主
注,你台二平而的平
决,扫件装卡
在架长上、货度
机动增向进
生不影用工
牛搏产检些的
情下,光许证
件营有高市
统证件上乎面
立事先
上些面座字年
精加工,垫史上
下基面均应特
试伴上
下对些
教高持
格示器
检尊法
零熊[B2670的有关条文
工作色上平击沿滑座球
方尚效网等高块,等高长
上效-一长座步m的平尺,
并使平尺于工作台长的
河位能,尺上工冶面至
花平守折面的更高为工作
台上孕面至得民平导软面距
忠的1,车刀部上质按示
器伸其测头购起平尺的上
工作面,舒动损两径孕尺约
全长上行检验,
以以任800量
上活示诺就的方等慎计
图原2895的有关签
5. 5. 8 8
用可调克将
支承在乎板上,使试件
上平面景选三点与半
指示 增[ 张等高、注华积上致变可语支半
指小器、饱其测头胜页
试性上单血,移动背示
器进行检的,
两试斗的诉分别
什再,识堂以活示器读
1数的量大差资计
5. 4. 2. 2. 2
注子盛上想试件
和指示器,使其减头融
一精示游
及试件上平而,替动谐
示解进行检驻。
误者以指示率达效
的战大基计
谢加说明:
JB 5751
本标准全展金属的前机案标注比技术委员公提出,本标推出长炒择拉刨床研所归口,本标推由长沙机床厂负黄起草,
小提示:此标准内容仅展示完整标准里的部分截取内容,若需要完整标准请到上方自行免费下载完整标准文档。
	 
	        
	      JH 5758---91
水平移动牛头刨床
1991-10-18发布
中华人民共和国机械电子工业部精度
1992-10-01实施
中华入民共和国机械行业标准
水平移动牛头刨床
主超内容与适用范围
JB5758-91
本标准展定了水?移动牛头刨床的顾调精度,1.何精世和工作情度的要求及验方法。本标准适用于量大刨前长80050mm,盘火即宽度160~3200mm的水平多动个买庆.
2. 引用标准
JF 2670金既削机床精度检脸通则3随要说明
3.1使冠本标难时,必参照267,尤其足精度检验前的安装、资扰导轨刷的空运转升溢、控验方法和检验工具的精度。
3.2孝照B2570第3.1条调快机床安装水平,滑库于其行程的中间位胃,在床身导轨的两端效宜水平议,水乎仅在数问和模向的读数均不超过0.04/1t00。3.3本标准所列出的情度检验项目融,并不表示实际检验次序。为「装卸检验工具和检验方便,可按在意的达序进行检验。
3.4工作精度检验时,试传的按验应在精创旨进行,3.5当实谢长与本标难规定的长度不同时,充差应极据JB2670第2.J.1.1条的规定效能格副意的长度折算折第结果小于0. 005mm时,巧按0. 005mm计4预调检验
机捞电子工坐部191-10-18批准
检验项
轨糖准
在垂真平
重5%微水平
量长度上 专同稳至
面的真
学验6
的平行书1009
按验方店
学照JH3570的有美多文
-2. 1.2.2. 1 5. 4. 1-2. :
在导频放置听报,在
求平税,臣声
动拆费效率
平供的流数您内铺
列海出导航民整曲城
意50D
中装上车
的阅缩点者
对曲效两量点连就的出标差
平位共替放在导
亲导机上放真专用检
,在专用检品上前一水车
等臣离科动专用桥柜检
政东号
上读数的长专费举报
1992-10实施
5几候精度检验
JB5758—7
检验功当
滑林够
动的实铁
垂平面
的言统
垂直平面
·内·
水平面肉
创肃长
上步 . csi
长冠上为
动对工作n谢量
台上平
长诺上放
的半行选
抢示器
拍示器
变高友
指示钳
检验有法
E.2. 3. 2. 1
希座量于其行翌的中间位
在工作上平四咨滑机程
动点高百垫块,势块上
长度为m
大创削长度>的平尺,平尺的
上工作面到看平手范面的
距工作台上平面金材
平导面更高1/2在止架
上固安提示报使其到头院
平尺的工作面,在
单而内11。注水平面内.调验
年尺,使给录器并平尺两道
读数相等,移动请进行垃
上没差分别计算,提落以
格示器试效内天值计
5. 2. 3. 2. 1
会别在1作台上平而左,
中,石三个位受上,滑滑度移
动方可效网座块,整决上款
长度为1的平尺,平尺
上工作而到带平导热面的
工作台上平站
半导载面高的12,来刀架
上阅定持示理,瘦其测头电
孕严的工作面在恶真
:半面内1主水平面内,分别
存三十位量调整平良,使指
示器在平尺两保数明要
移动滑应进行性脏,
2,b误莱让新计算,误竞形
指示器读效的量大学式
置基行理收中间位
栏工作上护技动厅
向款两等高驶,等高境上放
长电-
性大组的长)的平只,尺
上工作面清批轨面的
距离为工作片上平面至需机
买导我面距的的:/2.在刀架
定指,使其到
丧年克的工工作面,替动滑
出进行签验
上示数的量火菱伯汁
6工作辅度检骗
鸿件安装尺
划到究电
该许-:
1=/:1/5:F3/19
1——量大创度
试性村料:HT15℃
试件两度:160~:RCHH
5758-91
检整项目免费标准下载网bzxz
滑座球
动对上作350 质显
台上二面长度上
的行,2
检性页
险控项目
试件主
注,你台二平而的平
决,扫件装卡
在架长上、货度
机动增向进
生不影用工
牛搏产检些的
情下,光许证
件营有高市
统证件上乎面
立事先
上些面座字年
精加工,垫史上
下基面均应特
试伴上
下对些
教高持
格示器
检尊法
零熊[B2670的有关条文
工作色上平击沿滑座球
方尚效网等高块,等高长
上效-一长座步m的平尺,
并使平尺于工作台长的
河位能,尺上工冶面至
花平守折面的更高为工作
台上孕面至得民平导软面距
忠的1,车刀部上质按示
器伸其测头购起平尺的上
工作面,舒动损两径孕尺约
全长上行检验,
以以任800量
上活示诺就的方等慎计
图原2895的有关签
5. 5. 8 8
用可调克将
支承在乎板上,使试件
上平面景选三点与半
指示 增[ 张等高、注华积上致变可语支半
指小器、饱其测头胜页
试性上单血,移动背示
器进行检的,
两试斗的诉分别
什再,识堂以活示器读
1数的量大差资计
5. 4. 2. 2. 2
注子盛上想试件
和指示器,使其减头融
一精示游
及试件上平而,替动谐
示解进行检驻。
误者以指示率达效
的战大基计
谢加说明:
JB 5751
本标准全展金属的前机案标注比技术委员公提出,本标推出长炒择拉刨床研所归口,本标推由长沙机床厂负黄起草,
小提示:此标准内容仅展示完整标准里的部分截取内容,若需要完整标准请到上方自行免费下载完整标准文档。
标准图片预览:





- 其它标准
 
- 热门标准
 - 机械行业标准(JB)
 
- JB/T10288-2001 连栋温室结构
 - JB/T10056-1999 直流电流互感器 技术条件
 - JB/T7895-2008 永磁筒式磁选机
 - JB/T8679-2008 炭弧气刨炭棒 物理及使用性能试验方法
 - JB/T2756-2006 无轨电车用炭滑块
 - JB/T8082-2010 护指键式和护罩式木工平刨床 安全
 - JB/T9713-1999 工程机械 湿式铜基摩擦件 技术条件
 - JB/T9580-2008 炭石墨 产品分类及型号编制方法
 - JB/T3411.50-1999 两爪顶拔器 尺寸
 - JB/T8840-2013 电热器具用电源开关
 - JB/T11340.3-2012 阀控式铅酸蓄电池安全阀 第3部分:橡胶帽、阀芯
 - JB3704-1984 特种调压器用碳电阻片柱电气机械性能试验方法
 - JB∕T12675-2016 拖拉机液压系统清洁度限值及测量方法
 - JB/T7140.1-1993 牲畜药浴机械 型式与基本参数
 - JB/T20086-2006 药用容器 料斗
 
- 行业新闻
 
请牢记:“bzxz.net”即是“标准下载”四个汉字汉语拼音首字母与国际顶级域名“.net”的组合。 ©2025 标准下载网 www.bzxz.net 本站邮件:bzxznet@163.com
网站备案号:湘ICP备2025141790号-2
网站备案号:湘ICP备2025141790号-2