- 您的位置:
- 标准下载网 >>
- 标准分类 >>
- 机械行业标准(JB) >>
- JB/T 6777-1993 紫外可见分光光度计
标准号:
JB/T 6777-1993
标准名称:
紫外可见分光光度计
标准类别:
机械行业标准(JB)
标准状态:
现行-
发布日期:
1993-07-09 -
实施日期:
1994-01-01 出版语种:
简体中文下载格式:
.rar.pdf下载大小:
273.01 KB
替代情况:
ZB Y196-83采标情况:
参照ASTME275-83;JAIMS001-82
点击下载
标准简介:
标准下载解压密码:www.bzxz.net
本标准规定了紫外、可见分光光度计的型式和技术条件。本标准适用于ZBN33009所规定的紫外可见分光光度计(以下简称为仪器)。 JB/T 6777-1993 紫外可见分光光度计 JB/T6777-1993
部分标准内容:
中华人民共和国机械行业标准
JB /T6777-93
代替ZBY196--83
紫外可见分光光度计
1993-07—09发布
1994—01—01实施
中华人民共和国机械工业部
中华人民共和国机械行业标准
紫外可见分光光度计
1 主题内容与适用范围
本标准规定了紫外、可见分光光度计的型式和技术条件。本标准适用于ZBN3S00S所规定的紫外可见分光光度计(以下简称为仪器)2引用标准
仪器仪表运输运输贮存基本环境条件及试验方法ZBY002
ZBY003仪器仪表包装通用技术条件GB2828透批检查计数独样程序及抽样表(适用于连续批的检查)GB2829周期检查计数抽样程序及抽样表(适用于生产过程稳定性的捡查)ZBN33009分光光度计系列及其基本参数JB5517光学仪器电气防护基本安全要求3仪器的型式
仪器的型式分为棱镜式和光栅式,4技术要求
4.1仪器正常工作环境条件
a.环境温度:5-35℃:
b.室内相对湿度不大于85%;
c.仪器不应受到影响使用的振动和电磁场的干扰:d.室内无腐蚀性气体;
e.供电电源,电压220±22V;频率50±1Hz4.2波长准确度及重复性
仪器波长准确度及重复性应符合表1要求。表1
光栅式
仪器分级
机械工业部1993—07—09批准
波长范围
200-800
准确度
JB / T 6777 - 93
代替ZBY196-83
重复性
1994--01—01实施
4.3仅器分辨力或最小光谱带宽
JB / T 67T7 - 93免费标准bzxz.net
仅器分矫力或最小光谱带宽应符合表2要求。表2
按镜式
光摄式
仅器分缓
ABCD
透射比准确度及重复性
仪器分辨力
应能分开汞365am三谱线
仪器的透射比准磅度及重复性应符合表 3要求表3
梭镜式
光栅式
仪器杂光应符含表4要求
棱镜式
光栅式
4.6稳定性
仪器分级
仪器分液
ABCD~
仪器亮电流的稳定性变化应符合表5要求型式
棱镜式
光栅式
最小光谱带宽
仅器的最小光谱带宽应为仪器
实际设带宽的0.8-1.2倍
测定溶液
氟化钾
碘化钠
亚硝酸钠或JB400
仪器分级
重复性
亮电流藻移
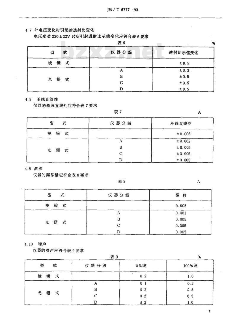
47外电压变化时引起的透射比变化JB / T 6777 - 93
电压变动220±22V时所引起透射比示值变化应符合表6要求表6
棱镶式
光栅式
4.8基线直线性
仪器的基线直线性应符合表7要求型
棱镜式
光搬式
4.9漂移
仪器的漂移量应符合表8要求
光栅式
4.10躁声
仪器的噪声应符合表9要求
梭镜式
光栅式
仪器分级
仪器分级
仪器分级
仪器分级
透射比示值变化
基线直线性
100%线
4.11仪器的电气防护基本安全要求JB / T 6777 - 93
仪器在工作环境条件下应符合JB5517标准要求。4.12仪器运动部件,更换部件的要求仪器所有运动部件,应平稳,舒适,稳定可靠,不应有卡死、突跳和显著空回;更应保证互换性可靠。4.13仪器外观
仪器所有电镀表面不应有脱皮现象,喷漆表面色泽应均匀,不得有明显的擦伤,露底,裂纹起泡现象,外部露件接合处应整齐,无粗髓不平现象。4.14贮存环境条件
仪器在运输包装条件下,应符合ZBY002的要求,其中高温试验选用+55C,低温试验选用40C。自由跌落高度250mm。
5试验方法
5.1试验条件
5.1.1本标准各项试验方法均在本标准4.1条所规定的条件下进行。5.1.2仪器在试验前应先预热30min.5.2波长准确度及重复性(本标准第4.2条)5.2.1试验工具
a.汞灯:
b.氧化钦玻璃(厚2mm);
c.氧化铁溶液[标准溶液配制见附录B(补充件)B5];d.干涉滤光片不少于5片(中心带宽应不大于6nm,透射比应大于30%)。5.2.2试验程序
5.2.2.1对波长准确度优于2nm的仪器,用汞灯谱线(或氧化钦玻璃或氧化钦溶液的吸收峰波长)[参见附录A(A1)(A2)(A4))1,任选五条基本均匀分布的谱线作参考波长(棱镜式仪器每波段范围内,波长检测不少于两点),单方向分别对每一谱线测量三次,三次的量平均值与标称值之差为波长准确度;三次测量的最大值与最小值之差,为波长重复性。5.2.2.2对波长准确度大于或等于2nm的仪器,也可用汞灯或氧化铁玻璃或氧化钦溶液或干涉滤光片的中心波长作参考波长,测试方法及判定同本标准5.2.2.1条,5.3仪器分辨力或光谱带宽(本标准第4.3条)5.3.1试验工具
5.3.2试验程序
5.3.2.1分辨力
仪器狭缝宽度为0.02mm,高为10mm,用汞灯照明,转动波长手轮,此时应能分别观察到36502nm,365.48nm,366.33nm三条谱线的峰值。5.3.2.2最小光谱带宽
用汞灯546.07(或435.87)nm或仪器固有氛(氢)灯的特征谱线,测量谱线轮廓,先找出其中心波长入max,此时透射比示值最大,然后使波长单向移动,记下中心波长两侧透射比示值下降50%时的波长读数入1,入2。
5.3.3计算
谱带宽度计算公式
X= [X1-A2 1
式中:入1,入2—一中心波长两侧透射比示值下降50%时的波长示值。—实测谱带宽度。
JB/T 6777-93
5.4 透射比准确度及重复性(本标准第 4.4 条)5.4.1试验工具
a.重铬酸钾标准溶液(其透射比准确度优于 0.2%[标准溶液配制参见附录B(补充件)B.4];b.可见中性滤光片(其透射比约为10%,20%,30%,标称值的准确度优于±0.2%);c.紫外可见中性滤光片(其透射比约为10%,20%,30%,标称值的准确度优于±0。2%);d.石英吸收池一对(透射比配对误差不大于0.1%)。5.4.2试验程序
5.4.2.1方法一
光谱带宽为2nm,按要求校正仪器零点然后用高氯酸,盛于10mm厚的石英吸收池中,调透射比为100%,将经标定过的重铬酸钾溶液盛于另一只石英吸收池中置于光路中,按附录A(补充件)A3提供的数据测试,每波长位置各测三次,三次的平均值与标称值之差为紫外区透射比准确度:三次中最大值与最小值之差,为其紫外区透射比重复性。光谱带宽为2nm,按要求校正仪器零点及100%后分别用可见中性滤光片在波长为546。1处测其透射比,各测三次,三次平均值与标称值之差,为其可见区透射比准确度;三次测量的最大值与最小值之差,为其可见区透射比重复性。
5.4.2.2方法二
光谱带宽为2nm,按要求校正仪器零点及100%后分别用紫外可见中性滤光片在波长为250.0nm,360.0nm;546.1nm处,各测三次,三次平均值与标称值之差,即为透射比准确度;三次测量的最大值与最小之差,为其透射比重复性。
5.5杂光(本标准第4.5条)
5.5.1试验工具
a.12g/L的氯化钾溶液:[标准溶液配制参见附录B(补充件)B.1];b.10g/L的碘化钠溶液:[标准溶液配制参见附录B(补充件)B.2];c.50g/L的亚硝酸钠[标准溶液的配制参见附录B(补充件)8.3];d.JB400截止滤光片(厚2mm)
e.配对石英吸收池一对(配对误差不大于0.1%)。5.5.2试验程序
5.5.2.1在入=200.0(棱镜型)处或入=220.0m(光栅型),选择最大的光谱带宽以参比液作参比,调透射比0.0%和100%然后在样品室内放置配制好的氯化钾溶液或碘化钠溶液,读取此时的透射示值为仪器在200nm(或220nm)处的杂光测定值。5.5.2.2在入=340.0nm处,用亚硝酸钠溶液或JB400截止滤光片,方法同5.5.2.1,测得入=340nm处的杂光值。
5.6稳定性(本标准第4.6条)
5.6.1试验工具
秒表;
5.6.2试验程序
仪器接收元件在受光情况下,分别调节仪器工作波长的两端点(内缩10nm处),使其暗电流为0.0%,亮电流为100.0%(波长切换时,允许见光稳定5min),观察3min内透射比示值变化,其变化值即为该仪器的亮电流漂移。
5.7外电压变化时引起的透射比变化(本标准第4.7条)5.7.1 试验工具
调压变压器
5.7.2试验程序
仪器工作波长置于500.0nm处,电压为220V时,调透射比为100.0%,此时用调压变压器‘变输入5
JB/ T 6777 93
电压,观察仪器在198V.242V时的避射比示值变化,此变化值即为该仪器在电压变动时所引起的进射比示值变化。
5.8基线直线性(本标准第4.8条)试验程序:
仪器置于起始波长,带宽2nm,样品(和参比)光束皆空白,量程为土0.01ABS.进行全波段扫描,测量谱图中起始点与最大偏移量之差,即为基线直线性,允许记录笔在更换光源或滤光片时有瞬间跳动。5.9漂移(本标准第4.9)
试验程序:
仪器经热平衡2h后,将波长置于500处取带宽为2nm,样品(和参比)皆为空白,量程为土0.01ABS,进行定波长扫描30min,测量谱图上0ABS线平行包络线中心线的变化值,即为仪器的漂移量。5.10噪声(本标准第4.10条)
5.10.1 试验程序
5.10.1.1仪器波长置于500nm处,光谱带宽2nm,样品(和参比)皆空白,量程为1%,响应时间不大于1s,定波长扫描2min,测量图谱上最大一组峰一峰差值,即为仪器的100%线噪声。5.10.1.2仪器波长置于500nm处,量程为1%,然后将挡光板放入样品光束中,用5.10.1.1方法,检测500nm处的0%线噪声。
5.11仪器的电气防护基本安全要求(本标准第4.11条)按JB5517相应试验方法进行试验。5.12仪器运动部件及更换部件的要求(本标准第4.12条)实际操作试验。
5.13仪器外观(本标准第4.12条)目测检验。
5.14贮存环境试验(本标准第4.14条)按ZBY002相应试验方法进行试验。6检验规则
6.1捡验分类
产品的检验分为出检验和型式检验。6.2出厂检验
6.2.1出广检验抽样检查应按GB2828的次抽样检查。6.2.2出厂检验的项目分组、检查水平(IL)和合格质量水平(AQL)应符合表10要求。表10
不合格类别
技术条款
一般型仪器
扫描型仪器
4.6;4.7:4.11
4.2;4.3:4.4:4.5:
4.12;4.13
注:AQL均为每百单位产品不合格数。4.7:4.8:4.9:4.10;4.11
4.2:4.3;4.4;4.5;
4.12;4.13
当用户有持殊要求时,AQL值按订货合同的规定。63型式检验
63.1型式检验~般为每年进行,次、产品在下列情况之一时,亦应进行型式捡验。a、新产品和老产品转厂生产的试制定型鉴定:6
JB / T 67T7 - 93
b、正式生产后,如结构、材料、工艺有较大改变,可能影响产品性能时;c、正常生产时,定期或积累一定产量后,应调期性进行一次检验;d、产品长期停产后,恢复生产时;e、出厂检验结果与上次型式检验有较大差异时;f、国家质量监督机构提出进行型式检验的要求时。6.3.2型式检验应包括本标准中所规定的全部试验项目,型式检验的样品应从出厂检验合格的产品中酶机抽取。
6.3.3型式检验的抽样采用 GB2829中一次抽样检查。6.3.4型式检验的项目分组、判别水平(DL)、不合格质量水平(RQL)和抽样方案应符合表11规定。表
不合格类别
技术条款
一般型仪器
4.6;4.7;4.11
4.2;4.3;4.4;4.5;
4.12;4.13
扫描型仪器
4.7;4.8;4.9;4.10;4.11
4.2;4.3;4.4;4.5:
4.12;4.13
注:RQL均为每百单位产品不合格数。标志、包装、运输及贮存
7.1际患.
7.1.1产品标志
a:制造厂名(或商标);
b.产品名弥;
c,产品型号;
d.制造日期或编号。
7.1.2包装标志
仪器的包装标志应符合ZBY003的要求。7.2包装仪器的包装应符合ZBY003要求。7.3运输
仪器应有遮蔽的运输工具运送。7.4贮存
抽样方法
Ac = 0, Re =1
Ac = 1, Re = 2
Ac = 2, Re = 3
仪器贮存环境应通风,周无酸性气体,碱及其它有害物质,有包装的仪器应贮存有遮蔽的场所,周围无酸性气体,碱及其它有害物质。7
A1汞灯发射光谱波长表
A2氧化钦玻璃吸收峰波长表
JB / T 6777 - 93
附录A
波长参考表
(补充件)
含量为10%高氯酸中4%氧化钦溶液吸收峰波长表241.13
A4浓度含量为60mg/L的重铬酸钾溶液的透射比(光谱带宽为2nm时)波
B1含量为12g / L的氯化钾溶液
IB / T 6777 - 93
附桑B
标准溶液的配制
(补充件)
在天平上称取干燥过的氯化钾(分析纯)12g(准确至±0.1g)放置干爆杯中,用蒸溜水溶解,然后倒入1000mL浴量瓶中,以蒸瘤水稀释至刻度,摇匀并避光保存。B2 含量为 10g / L碘化钠溶液
在天平上称取已干燥过的碘化钠(分析纯)10g(准确至±0.1g),按上述方法配成1000mL。B3 含量为 50g / L 的亚硝酸钠溶液在天平上称取已干燥过的亚硝酸钠(分析纯)50g(准确至±0.1g)按上述方法配成1000mL的亚硝酸钠溶液。
B4含量为60mg/L重铬酸钾溶液
在天平上称取已干燥过的重铬酸钾(基准试剂)60mg(准确至±0.1mg)放置干燥杯中,用适量的重蒸馅水溶解,并加入1ml的1mol/1的高氟酸中,然后倒入到1000mL溶量瓶中,再用重蒸溜水稀释至刻度,摇勾并避光保存。
B5含量为4g / L氧化钦溶液
在天平上称取已干燥过的氧化铁(基准试剂)4g(准确至±0.1g),放置100mL的容量瓶中,再加入10%高氯酸溶液至刻度,待溶解摇匀后,避光密封保存。9
JB / T 6777 - 93
附录 C
抽样方案举例
(参考件)
例1、采用GB2828一次抽样,批量N50.A类不合格AQL=2.5,B类不合格AQL二4.0.C类不合格AQL=10,IL=I,求该批试验组的一次抽样方案和样品数n?A类不合格的正常检查一次抽样方案,AQL=2.5,查表得 n=5,Ac=0,Re=1
B类不合格的正常检查一次抽样方案,AQL=4.0,查表得n=3,Ac=0,Re=1
C类不合格的正常检查一次抽样方案,AQL=10,查表得 n = 5, Ac= 1, Re= 2
例2、采用GBZ829次抽样,规定A类不合格RQL=30.(Ac=0.Re=1),B类不合格RQL=65、(Ac=1,Re=2),C类不合格RQL=100(Ac=2.Re=3),求该试验组的样品数n?查表得:A类不合格正常检查一次抽样方案,B类不合格正常检查一次抽样方案,C类不格正常检查一次抽样方案的样品数n=3。
附加说明:
本标准由上海光学仪器研究所提出并归口。本标准由上海光学仪器研究所负责起草。本标准主要起草人张兴。
本标准参照采用日本分析仪器工业协会标准JAIMS001-—82\紫外可见分光光度计的性能表示方法\和美国标准ASTME275一83\描述测量紫外可见近红外分光光度计性能的标准方法”。10
小提示:此标准内容仅展示完整标准里的部分截取内容,若需要完整标准请到上方自行免费下载完整标准文档。
JB /T6777-93
代替ZBY196--83
紫外可见分光光度计
1993-07—09发布
1994—01—01实施
中华人民共和国机械工业部
中华人民共和国机械行业标准
紫外可见分光光度计
1 主题内容与适用范围
本标准规定了紫外、可见分光光度计的型式和技术条件。本标准适用于ZBN3S00S所规定的紫外可见分光光度计(以下简称为仪器)2引用标准
仪器仪表运输运输贮存基本环境条件及试验方法ZBY002
ZBY003仪器仪表包装通用技术条件GB2828透批检查计数独样程序及抽样表(适用于连续批的检查)GB2829周期检查计数抽样程序及抽样表(适用于生产过程稳定性的捡查)ZBN33009分光光度计系列及其基本参数JB5517光学仪器电气防护基本安全要求3仪器的型式
仪器的型式分为棱镜式和光栅式,4技术要求
4.1仪器正常工作环境条件
a.环境温度:5-35℃:
b.室内相对湿度不大于85%;
c.仪器不应受到影响使用的振动和电磁场的干扰:d.室内无腐蚀性气体;
e.供电电源,电压220±22V;频率50±1Hz4.2波长准确度及重复性
仪器波长准确度及重复性应符合表1要求。表1
光栅式
仪器分级
机械工业部1993—07—09批准
波长范围
200-800
准确度
JB / T 6777 - 93
代替ZBY196-83
重复性
1994--01—01实施
4.3仅器分辨力或最小光谱带宽
JB / T 67T7 - 93免费标准bzxz.net
仅器分矫力或最小光谱带宽应符合表2要求。表2
按镜式
光摄式
仅器分缓
ABCD
透射比准确度及重复性
仪器分辨力
应能分开汞365am三谱线
仪器的透射比准磅度及重复性应符合表 3要求表3
梭镜式
光栅式
仪器杂光应符含表4要求
棱镜式
光栅式
4.6稳定性
仪器分级
仪器分液
ABCD~
仪器亮电流的稳定性变化应符合表5要求型式
棱镜式
光栅式
最小光谱带宽
仅器的最小光谱带宽应为仪器
实际设带宽的0.8-1.2倍
测定溶液
氟化钾
碘化钠
亚硝酸钠或JB400
仪器分级
重复性
亮电流藻移
47外电压变化时引起的透射比变化JB / T 6777 - 93
电压变动220±22V时所引起透射比示值变化应符合表6要求表6
棱镶式
光栅式
4.8基线直线性
仪器的基线直线性应符合表7要求型
棱镜式
光搬式
4.9漂移
仪器的漂移量应符合表8要求
光栅式
4.10躁声
仪器的噪声应符合表9要求
梭镜式
光栅式
仪器分级
仪器分级
仪器分级
仪器分级
透射比示值变化
基线直线性
100%线
4.11仪器的电气防护基本安全要求JB / T 6777 - 93
仪器在工作环境条件下应符合JB5517标准要求。4.12仪器运动部件,更换部件的要求仪器所有运动部件,应平稳,舒适,稳定可靠,不应有卡死、突跳和显著空回;更应保证互换性可靠。4.13仪器外观
仪器所有电镀表面不应有脱皮现象,喷漆表面色泽应均匀,不得有明显的擦伤,露底,裂纹起泡现象,外部露件接合处应整齐,无粗髓不平现象。4.14贮存环境条件
仪器在运输包装条件下,应符合ZBY002的要求,其中高温试验选用+55C,低温试验选用40C。自由跌落高度250mm。
5试验方法
5.1试验条件
5.1.1本标准各项试验方法均在本标准4.1条所规定的条件下进行。5.1.2仪器在试验前应先预热30min.5.2波长准确度及重复性(本标准第4.2条)5.2.1试验工具
a.汞灯:
b.氧化钦玻璃(厚2mm);
c.氧化铁溶液[标准溶液配制见附录B(补充件)B5];d.干涉滤光片不少于5片(中心带宽应不大于6nm,透射比应大于30%)。5.2.2试验程序
5.2.2.1对波长准确度优于2nm的仪器,用汞灯谱线(或氧化钦玻璃或氧化钦溶液的吸收峰波长)[参见附录A(A1)(A2)(A4))1,任选五条基本均匀分布的谱线作参考波长(棱镜式仪器每波段范围内,波长检测不少于两点),单方向分别对每一谱线测量三次,三次的量平均值与标称值之差为波长准确度;三次测量的最大值与最小值之差,为波长重复性。5.2.2.2对波长准确度大于或等于2nm的仪器,也可用汞灯或氧化铁玻璃或氧化钦溶液或干涉滤光片的中心波长作参考波长,测试方法及判定同本标准5.2.2.1条,5.3仪器分辨力或光谱带宽(本标准第4.3条)5.3.1试验工具
5.3.2试验程序
5.3.2.1分辨力
仪器狭缝宽度为0.02mm,高为10mm,用汞灯照明,转动波长手轮,此时应能分别观察到36502nm,365.48nm,366.33nm三条谱线的峰值。5.3.2.2最小光谱带宽
用汞灯546.07(或435.87)nm或仪器固有氛(氢)灯的特征谱线,测量谱线轮廓,先找出其中心波长入max,此时透射比示值最大,然后使波长单向移动,记下中心波长两侧透射比示值下降50%时的波长读数入1,入2。
5.3.3计算
谱带宽度计算公式
X= [X1-A2 1
式中:入1,入2—一中心波长两侧透射比示值下降50%时的波长示值。—实测谱带宽度。
JB/T 6777-93
5.4 透射比准确度及重复性(本标准第 4.4 条)5.4.1试验工具
a.重铬酸钾标准溶液(其透射比准确度优于 0.2%[标准溶液配制参见附录B(补充件)B.4];b.可见中性滤光片(其透射比约为10%,20%,30%,标称值的准确度优于±0.2%);c.紫外可见中性滤光片(其透射比约为10%,20%,30%,标称值的准确度优于±0。2%);d.石英吸收池一对(透射比配对误差不大于0.1%)。5.4.2试验程序
5.4.2.1方法一
光谱带宽为2nm,按要求校正仪器零点然后用高氯酸,盛于10mm厚的石英吸收池中,调透射比为100%,将经标定过的重铬酸钾溶液盛于另一只石英吸收池中置于光路中,按附录A(补充件)A3提供的数据测试,每波长位置各测三次,三次的平均值与标称值之差为紫外区透射比准确度:三次中最大值与最小值之差,为其紫外区透射比重复性。光谱带宽为2nm,按要求校正仪器零点及100%后分别用可见中性滤光片在波长为546。1处测其透射比,各测三次,三次平均值与标称值之差,为其可见区透射比准确度;三次测量的最大值与最小值之差,为其可见区透射比重复性。
5.4.2.2方法二
光谱带宽为2nm,按要求校正仪器零点及100%后分别用紫外可见中性滤光片在波长为250.0nm,360.0nm;546.1nm处,各测三次,三次平均值与标称值之差,即为透射比准确度;三次测量的最大值与最小之差,为其透射比重复性。
5.5杂光(本标准第4.5条)
5.5.1试验工具
a.12g/L的氯化钾溶液:[标准溶液配制参见附录B(补充件)B.1];b.10g/L的碘化钠溶液:[标准溶液配制参见附录B(补充件)B.2];c.50g/L的亚硝酸钠[标准溶液的配制参见附录B(补充件)8.3];d.JB400截止滤光片(厚2mm)
e.配对石英吸收池一对(配对误差不大于0.1%)。5.5.2试验程序
5.5.2.1在入=200.0(棱镜型)处或入=220.0m(光栅型),选择最大的光谱带宽以参比液作参比,调透射比0.0%和100%然后在样品室内放置配制好的氯化钾溶液或碘化钠溶液,读取此时的透射示值为仪器在200nm(或220nm)处的杂光测定值。5.5.2.2在入=340.0nm处,用亚硝酸钠溶液或JB400截止滤光片,方法同5.5.2.1,测得入=340nm处的杂光值。
5.6稳定性(本标准第4.6条)
5.6.1试验工具
秒表;
5.6.2试验程序
仪器接收元件在受光情况下,分别调节仪器工作波长的两端点(内缩10nm处),使其暗电流为0.0%,亮电流为100.0%(波长切换时,允许见光稳定5min),观察3min内透射比示值变化,其变化值即为该仪器的亮电流漂移。
5.7外电压变化时引起的透射比变化(本标准第4.7条)5.7.1 试验工具
调压变压器
5.7.2试验程序
仪器工作波长置于500.0nm处,电压为220V时,调透射比为100.0%,此时用调压变压器‘变输入5
JB/ T 6777 93
电压,观察仪器在198V.242V时的避射比示值变化,此变化值即为该仪器在电压变动时所引起的进射比示值变化。
5.8基线直线性(本标准第4.8条)试验程序:
仪器置于起始波长,带宽2nm,样品(和参比)光束皆空白,量程为土0.01ABS.进行全波段扫描,测量谱图中起始点与最大偏移量之差,即为基线直线性,允许记录笔在更换光源或滤光片时有瞬间跳动。5.9漂移(本标准第4.9)
试验程序:
仪器经热平衡2h后,将波长置于500处取带宽为2nm,样品(和参比)皆为空白,量程为土0.01ABS,进行定波长扫描30min,测量谱图上0ABS线平行包络线中心线的变化值,即为仪器的漂移量。5.10噪声(本标准第4.10条)
5.10.1 试验程序
5.10.1.1仪器波长置于500nm处,光谱带宽2nm,样品(和参比)皆空白,量程为1%,响应时间不大于1s,定波长扫描2min,测量图谱上最大一组峰一峰差值,即为仪器的100%线噪声。5.10.1.2仪器波长置于500nm处,量程为1%,然后将挡光板放入样品光束中,用5.10.1.1方法,检测500nm处的0%线噪声。
5.11仪器的电气防护基本安全要求(本标准第4.11条)按JB5517相应试验方法进行试验。5.12仪器运动部件及更换部件的要求(本标准第4.12条)实际操作试验。
5.13仪器外观(本标准第4.12条)目测检验。
5.14贮存环境试验(本标准第4.14条)按ZBY002相应试验方法进行试验。6检验规则
6.1捡验分类
产品的检验分为出检验和型式检验。6.2出厂检验
6.2.1出广检验抽样检查应按GB2828的次抽样检查。6.2.2出厂检验的项目分组、检查水平(IL)和合格质量水平(AQL)应符合表10要求。表10
不合格类别
技术条款
一般型仪器
扫描型仪器
4.6;4.7:4.11
4.2;4.3:4.4:4.5:
4.12;4.13
注:AQL均为每百单位产品不合格数。4.7:4.8:4.9:4.10;4.11
4.2:4.3;4.4;4.5;
4.12;4.13
当用户有持殊要求时,AQL值按订货合同的规定。63型式检验
63.1型式检验~般为每年进行,次、产品在下列情况之一时,亦应进行型式捡验。a、新产品和老产品转厂生产的试制定型鉴定:6
JB / T 67T7 - 93
b、正式生产后,如结构、材料、工艺有较大改变,可能影响产品性能时;c、正常生产时,定期或积累一定产量后,应调期性进行一次检验;d、产品长期停产后,恢复生产时;e、出厂检验结果与上次型式检验有较大差异时;f、国家质量监督机构提出进行型式检验的要求时。6.3.2型式检验应包括本标准中所规定的全部试验项目,型式检验的样品应从出厂检验合格的产品中酶机抽取。
6.3.3型式检验的抽样采用 GB2829中一次抽样检查。6.3.4型式检验的项目分组、判别水平(DL)、不合格质量水平(RQL)和抽样方案应符合表11规定。表
不合格类别
技术条款
一般型仪器
4.6;4.7;4.11
4.2;4.3;4.4;4.5;
4.12;4.13
扫描型仪器
4.7;4.8;4.9;4.10;4.11
4.2;4.3;4.4;4.5:
4.12;4.13
注:RQL均为每百单位产品不合格数。标志、包装、运输及贮存
7.1际患.
7.1.1产品标志
a:制造厂名(或商标);
b.产品名弥;
c,产品型号;
d.制造日期或编号。
7.1.2包装标志
仪器的包装标志应符合ZBY003的要求。7.2包装仪器的包装应符合ZBY003要求。7.3运输
仪器应有遮蔽的运输工具运送。7.4贮存
抽样方法
Ac = 0, Re =1
Ac = 1, Re = 2
Ac = 2, Re = 3
仪器贮存环境应通风,周无酸性气体,碱及其它有害物质,有包装的仪器应贮存有遮蔽的场所,周围无酸性气体,碱及其它有害物质。7
A1汞灯发射光谱波长表
A2氧化钦玻璃吸收峰波长表
JB / T 6777 - 93
附录A
波长参考表
(补充件)
含量为10%高氯酸中4%氧化钦溶液吸收峰波长表241.13
A4浓度含量为60mg/L的重铬酸钾溶液的透射比(光谱带宽为2nm时)波
B1含量为12g / L的氯化钾溶液
IB / T 6777 - 93
附桑B
标准溶液的配制
(补充件)
在天平上称取干燥过的氯化钾(分析纯)12g(准确至±0.1g)放置干爆杯中,用蒸溜水溶解,然后倒入1000mL浴量瓶中,以蒸瘤水稀释至刻度,摇匀并避光保存。B2 含量为 10g / L碘化钠溶液
在天平上称取已干燥过的碘化钠(分析纯)10g(准确至±0.1g),按上述方法配成1000mL。B3 含量为 50g / L 的亚硝酸钠溶液在天平上称取已干燥过的亚硝酸钠(分析纯)50g(准确至±0.1g)按上述方法配成1000mL的亚硝酸钠溶液。
B4含量为60mg/L重铬酸钾溶液
在天平上称取已干燥过的重铬酸钾(基准试剂)60mg(准确至±0.1mg)放置干燥杯中,用适量的重蒸馅水溶解,并加入1ml的1mol/1的高氟酸中,然后倒入到1000mL溶量瓶中,再用重蒸溜水稀释至刻度,摇勾并避光保存。
B5含量为4g / L氧化钦溶液
在天平上称取已干燥过的氧化铁(基准试剂)4g(准确至±0.1g),放置100mL的容量瓶中,再加入10%高氯酸溶液至刻度,待溶解摇匀后,避光密封保存。9
JB / T 6777 - 93
附录 C
抽样方案举例
(参考件)
例1、采用GB2828一次抽样,批量N50.A类不合格AQL=2.5,B类不合格AQL二4.0.C类不合格AQL=10,IL=I,求该批试验组的一次抽样方案和样品数n?A类不合格的正常检查一次抽样方案,AQL=2.5,查表得 n=5,Ac=0,Re=1
B类不合格的正常检查一次抽样方案,AQL=4.0,查表得n=3,Ac=0,Re=1
C类不合格的正常检查一次抽样方案,AQL=10,查表得 n = 5, Ac= 1, Re= 2
例2、采用GBZ829次抽样,规定A类不合格RQL=30.(Ac=0.Re=1),B类不合格RQL=65、(Ac=1,Re=2),C类不合格RQL=100(Ac=2.Re=3),求该试验组的样品数n?查表得:A类不合格正常检查一次抽样方案,B类不合格正常检查一次抽样方案,C类不格正常检查一次抽样方案的样品数n=3。
附加说明:
本标准由上海光学仪器研究所提出并归口。本标准由上海光学仪器研究所负责起草。本标准主要起草人张兴。
本标准参照采用日本分析仪器工业协会标准JAIMS001-—82\紫外可见分光光度计的性能表示方法\和美国标准ASTME275一83\描述测量紫外可见近红外分光光度计性能的标准方法”。10
小提示:此标准内容仅展示完整标准里的部分截取内容,若需要完整标准请到上方自行免费下载完整标准文档。
标准图片预览:





- 其它标准
- 热门标准
- 机械行业标准(JB)
- JB/T9396-1999 环块磨损试验机 技术条件
- JB/T7422.2-1999 立式内圆珩磨机 精度检验
- JB/T5106-1991 铸件模样型芯头 基本尺寸
- JB/T8728-1998 低速大扭矩液压马达
- JB/T9163.9-1999 插齿刀接套 尺寸
- JB/T9848-1999 气镐
- JB/T9161.1-1999 外圆磨床顶尖 尺寸
- JB/T2775-1992 PN16.0~32.0MPa螺母
- JB/T3767-1992 调车绞车
- JBJ/T34-1999 机械工厂热处理车间设计规范
- JB/T5110.7-1992 螺旋压力机锻模 压圈
- JB/T6805-2008 压力表接点装置 技术条件
- JB/T2523.2-2011 落地车床 第2部分:型式与参数
- JB/T11340.1-2012 阀控式铅酸蓄电池安全阀 第1部分:安全阀
- JB/T5397-1991 滚子链和套筒链 图形简化表示法
- 行业新闻
请牢记:“bzxz.net”即是“标准下载”四个汉字汉语拼音首字母与国际顶级域名“.net”的组合。 ©2025 标准下载网 www.bzxz.net 本站邮件:bzxznet@163.com
网站备案号:湘ICP备2025141790号-2
网站备案号:湘ICP备2025141790号-2