- 您的位置:
- 标准下载网 >>
- 标准分类 >>
- 机械行业标准(JB) >>
- JB/T 7432.2-1994 多排多轴木工钻床 精度
标准号:
JB/T 7432.2-1994
标准名称:
多排多轴木工钻床 精度
标准类别:
机械行业标准(JB)
标准状态:
现行-
发布日期:
1994-09-06 -
实施日期:
1995-07-01 出版语种:
简体中文下载格式:
.rar.pdf下载大小:
71.88 KB
点击下载
标准简介:
标准下载解压密码:www.bzxz.net
本标准规定了多排多轴木工钻床的几何精度和工作精度的要求及检验方法。本标准适用于多排多轴木工钻床(以下简称机床)。 JB/T 7432.2-1994 多排多轴木工钻床 精度 JB/T7432.2-1994
部分标准内容:
中华人民共和国机械行业标准
JB/T 7432.2—94
多排多轴木工钻床
1994-09-06发布
中华人民共和国机械工业部
1995-07-01实施
中华人民共和国机械行业标准
多排多轴木工钻床
主期内容与适用范围
本标准规定了多排多轴本工帖床的几何寰利工作精度的要求及检整方法,本标准适再于多排象独水工钻床(以下简称机床)2引用标准
217木工机床精度检验则
3一般要求
3.!使声车标准时应差照J4171。JB/T 7432.2—94
3.2齐机床检验陷.应教限B4171第3.1条调整机床安转水平,工作台中部放置水严仗,其向和摘向的读均不得超过0.10/1C00
33承标非所例范精度校羚项日原库,井不表不实际检整达毕,为丁装拆检腔工是租检验便,可按任查次产进行检验。
3. 4当实测关逆与本标准定的长度不同刑,公差应控YB 4171 中第 2. 1. 1. 1 案的规定+按能够谢量的长度折算,最小折算催为0。
4几何精度检验
机械工业部1994-09-{M6批准
检验项目
靠板工
作面的克
每非站
轴的心
连线对靠
板的平行
公差mm
取长度上为
长度上为0.15
(各排的平行
度误差方向应
指示器
检验律
检验方法荐照
J 4171 的有关系文
4. 2. 1. 2. 2. 2
4. 4. 1. 2. 4. 1
在两带的检尴祥
粮部测最
1995-07-11实施
JB/T7432.2
检验项目
应站轴的
轴心连线
对靠板的
重直度
径向圆跳
站轴上
下运动对
工支车免费标准bzxz.net
面的业直
各钻轴
与中间站
轴的中心
西改祖邻
两钻轴间
的中心距
格整棒
情示器
检验操
在 50 长度直角尺
上为C.1心
1=112,3,..
i=12.3,-*
格验方意
JB41Y1的有关条文
4.7. 1.28.2
至少在站排两端
和中间三个位些谢
4, 7. 1. 2. 2. 1
在两垂直方向测
指示器
投题据
年,每排任逝一钻
用尺测量每两
提检验样的侧母线
之间的距离
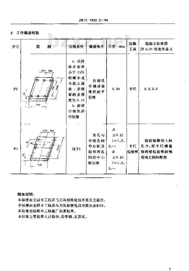
5工作满准检验
附加说明:
JB/T7432.2—
切削条件
a:试件
政合水率
小于1%
的硬水或
本距人
板烘御
面的直线
度为0.10
计规获进
行站函
检验项目
各排孔
分别对辈
准面的平
各孔与
中间孔的
中心距及
相邻两孔
谢的中心
距谈差
本标准由企国本工机床与刀具标准化技术委员会提目.本标准出全国木工机床与刀具标雅化技术委员会口,本标准也信阳木上机效厂负贵起节。本标雅生要起草人计浩华、安学群、王高宏。公差mrm
2=1+2+
控验方法争照
J4171的有关录文
将检验样捕入困
乱中,用卡尺测量
检验称
每两龈检验样的癌
呼线之间的距离
小提示:此标准内容仅展示完整标准里的部分截取内容,若需要完整标准请到上方自行免费下载完整标准文档。
JB/T 7432.2—94
多排多轴木工钻床
1994-09-06发布
中华人民共和国机械工业部
1995-07-01实施
中华人民共和国机械行业标准
多排多轴木工钻床
主期内容与适用范围
本标准规定了多排多轴本工帖床的几何寰利工作精度的要求及检整方法,本标准适再于多排象独水工钻床(以下简称机床)2引用标准
217木工机床精度检验则
3一般要求
3.!使声车标准时应差照J4171。JB/T 7432.2—94
3.2齐机床检验陷.应教限B4171第3.1条调整机床安转水平,工作台中部放置水严仗,其向和摘向的读均不得超过0.10/1C00
33承标非所例范精度校羚项日原库,井不表不实际检整达毕,为丁装拆检腔工是租检验便,可按任查次产进行检验。
3. 4当实测关逆与本标准定的长度不同刑,公差应控YB 4171 中第 2. 1. 1. 1 案的规定+按能够谢量的长度折算,最小折算催为0。
4几何精度检验
机械工业部1994-09-{M6批准
检验项目
靠板工
作面的克
每非站
轴的心
连线对靠
板的平行
公差mm
取长度上为
长度上为0.15
(各排的平行
度误差方向应
指示器
检验律
检验方法荐照
J 4171 的有关系文
4. 2. 1. 2. 2. 2
4. 4. 1. 2. 4. 1
在两带的检尴祥
粮部测最
1995-07-11实施
JB/T7432.2
检验项目
应站轴的
轴心连线
对靠板的
重直度
径向圆跳
站轴上
下运动对
工支车免费标准bzxz.net
面的业直
各钻轴
与中间站
轴的中心
西改祖邻
两钻轴间
的中心距
格整棒
情示器
检验操
在 50 长度直角尺
上为C.1心
1=112,3,..
i=12.3,-*
格验方意
JB41Y1的有关条文
4.7. 1.28.2
至少在站排两端
和中间三个位些谢
4, 7. 1. 2. 2. 1
在两垂直方向测
指示器
投题据
年,每排任逝一钻
用尺测量每两
提检验样的侧母线
之间的距离
5工作满准检验
附加说明:
JB/T7432.2—
切削条件
a:试件
政合水率
小于1%
的硬水或
本距人
板烘御
面的直线
度为0.10
计规获进
行站函
检验项目
各排孔
分别对辈
准面的平
各孔与
中间孔的
中心距及
相邻两孔
谢的中心
距谈差
本标准由企国本工机床与刀具标准化技术委员会提目.本标准出全国木工机床与刀具标雅化技术委员会口,本标准也信阳木上机效厂负贵起节。本标雅生要起草人计浩华、安学群、王高宏。公差mrm
2=1+2+
控验方法争照
J4171的有关录文
将检验样捕入困
乱中,用卡尺测量
检验称
每两龈检验样的癌
呼线之间的距离
小提示:此标准内容仅展示完整标准里的部分截取内容,若需要完整标准请到上方自行免费下载完整标准文档。
标准图片预览:




- 其它标准
- 热门标准
- 机械行业标准(JB)
- JB/T7938-1999 液压泵站油箱公称容量系列
- JB/T1625-2002 工业锅炉焊接管孔
- JB/T8009.4-1999 机床夹具零件及部件 弧形压块
- JB/T7939-1999 单活塞杆液压缸两腔面积比
- JB/T7850-1995 手夹快换接头
- JB/T7936-1999 直廓环面蜗杆减速器
- JB/T7941.2-1995 旋入式圆形油杯
- JB/T7925.2-1995 滑动轴承 多层轴承减摩合金硬度检验方法
- JB/T6375-1992 气动阀用橡胶密封圈 尺寸系列和公差
- JB/T7945-1999 灰铸铁机械性能试验方法
- JB/T7966.3-1999 模具铣刀 第 3 部分:莫氏锥柄圆柱形球头立铣刀
- JB/T7946.3-1999 铸造铝合金针孔
- JB/T8010.16-1999 机床夹具零件及部件 双向压板
- JB/T7956.2-1999 1:50锥度销子铰刀 第 2 部分:手用长刃铰刀
- JB/T7944-2000 圆柱螺旋弹簧抽样检查
- 行业新闻
请牢记:“bzxz.net”即是“标准下载”四个汉字汉语拼音首字母与国际顶级域名“.net”的组合。 ©2025 标准下载网 www.bzxz.net 本站邮件:bzxznet@163.com
网站备案号:湘ICP备2025141790号-2
网站备案号:湘ICP备2025141790号-2