- 您的位置:
 - 标准下载网 >>
 - 标准分类 >>
 - 机械行业标准(JB) >>
 - JB/T 9068-1999 前向多翼离心通风机
 
标准号:
JB/T 9068-1999
标准名称:
前向多翼离心通风机
标准类别:
机械行业标准(JB)
英文名称:
Forward multi-blade centrifugal fan标准状态:
现行- 
          	
发布日期:
1999-07-12 - 
		 
实施日期:
2000-01-01 出版语种:
简体中文下载格式:
.rar.pdf下载大小:
243.20 KB
替代情况:
ZB J72046-1990
部分标准内容:
					
					[CS23.124
中华人民共和国机械行业标准
JB/T9068—1999
前向多翼离心通风机
Forward curved centrifugal fan1999-07-12发布
国家机械工局
2000-01-01实施
JB/T9068—1999
本标准是对ZBJ720469前向多翼离心道风机进行的修订~标准与2BJ7204690相比,主要技术内容改变划下:ZBJ73046,9中的第4章、第5单,现合并为第4年标准实范之E起代替7R172M6一90本标准出余共将冻设备标准化技术委员会提出并归口。本标准负责起单单位:上御通出-开利空调设备有限公司:本标主要起单人:杨伟荣、张玮。1范围
中华人民共和国机械行业标准
前向多翼离心通风机
Forward eurved centrifigal fanJBT9068-1999
本标注规定了前向多翼离心通风机的产品分类、要求、试力法、格验规则和标志、包装,广存,本标准适片工翼筑物风、空调用前向多案离心通风机(以下简称通风机房间风机盘管机组用前间多央寓心递以机亦参照使用,2引用标准
!列准所包含的条文,近过在本标准引用而均成为本标准的条文,本标准出数时,所示版人均为有效,所有标准者会破够订,使用本标准的各方减操计使用下例标准量新版个的可能性:GB/F7551987
GBT117I1996
GB.T 1236·1985
GB/1804..1992
GR/T 2888—1991
GR.T3235—E982
GR.T38821995
GB 100B0—19BB
GB.T 13306.--1991
JB/T T246-- [994
JB.T90621999
JB,T 9065-1999
JB/T9070—1999
3分类
旋转电机基本袁术条件
一股用营通V带
通风机空气动力性能试脸方法
一般公差线性尺小的未注公差
风机和罗改睦风机瑶测显方法
通风机基本型式尺寸紊数及性能均线滚动靶求外球面球抽承和偏心查外形尺止空谢用通风机安会要求
冷腰通风设备外观质量
买暖通风与空气两节设备涂装技术条件冷暖通风设备包装通用技术条性空调用风机平衡帮度
3.1通风机型式按表|规定
国索机械工业局1999-07-12批池200-01-01实瓶
进风型式
能转型式
传动型式
山风型
3.2标记
苏通电动机直式
JE/T9068-1999
带轻传动
外转子电机百联
双轴伸申机百
F的睡
量显x
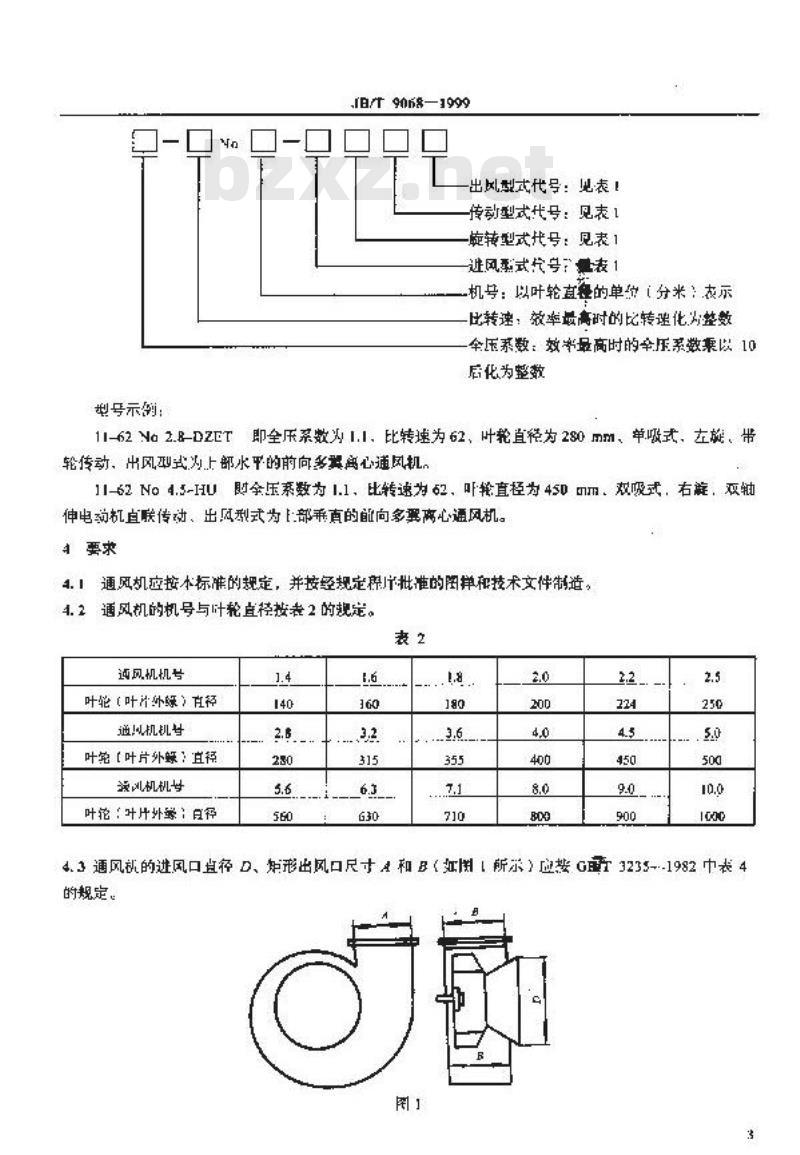
通风机的型号出人马英文字母和阿带伯数产组战,表示方法妇下:2
型号示:
19068—1999
出风型式代号:地表!
传动型式代号:见表1
施转型式代号:见表1
进风型式行号:量表1
机号:以叶轮直径的单(分米:示比转速:效率最高时的比转理化为整数全压系数:效等量高时的全压系缴秉以10后化为整数
11-62g2.8-DZFT即全压系数11,比转速为62、叶轮稳为280,单吸式,左施:带轮传动、出风型式为上部水平的前向多翼离心通风机。11-62No4.5-HU全压系数为1.1、比转速为62,叶轮直轻为450mm,双吸式,右施,双轴伸电动机直联传动、出风型式为部乘直的前向多翼离心通风机。要求
4.!通风机应按本标准的规定,并按经规定程批准的阻择和技术文件制造,4.2通风机的机号与叶轮直径按表2的规定。表2
迈风机机号
叶轮(叶计外绿)直径
通川机机
叶绝【叶片外:宜径
凝风机机下载标准就来标准下载网
叶轮,叶片外蒙!且径
4.3通风机的进风口直径D、矩形出风口尺寸4和B(如南所示)应瑟G3235--1982中表4的规定。
JB/9068-1999
通风机的风至,全压成江图2a、医2b所示区域中洗取4.4
JB/T9068-1999
JB/T9068-1999
4.5通风机的全压效率应大干图3所示数俏6
4.6工作环境要求
4.6,1通风机输送空气的温度为.-15~+60℃,相对湿度为5%~98%。900
4..2通风机输送穿气中粘性物质、纤维物质以及尘次和其他固体杂质的含量应在1m/m以下。4.恢用性能要求
4.7.通风机轴承支承部的报动速度的方均根值应小于G.3mm/s,4.?.2通风机轴承的润滑剂不应向外泄漏,4.7.3通风机在运转中不应有异常声响。4.7.4一角带及带轮不症有异常退升4.8主要技术指标
通风机在额定风因时,其全压应为额定全压值的9%易上,4.8.1
4.8.2通风机在额定全压附,其风盈应为额定风且值的95%以上。通风机在最高全乐效率和转速不超过10m时,其集声的比A声压级的限值应不超过戈4. 8. 3
当转速超过1000r/min时,比A产压级的限值充许增圳不过2dB(A)。的规定。
通风机机号
比A声压级
4.9安全婴求
通风机的安全要求应接B100的有关规定。6
4.14配在件的质量坚求
:角带应符合GD/T1171的规定。4.10.2电动机应符CB/T755的规定。轴承应符B.T3S82的规。
4.11通风枕的结均要求
4.1通区机战载部分和静部分不成相部,4. 11.2
通风机的各枣,部件成有足够强利别度。道风规动装装面座华整
不做机搬1的敏金件的尺寸公差应接B的4—1中J(!1的规定4.1I.4
主些、作的基要求
4.12、」叶轮应符合下列现定:升主的服尚盛工确:其装配设差微表4的规定。测完点从前盘始约全长的1我、表所到允差以阅样所示的们度和尺寸为蒸准的数值。报4
节距差(外制)
叶片装配角度允差
恐长分差
叶产中世量商产
)叶轮外轻1的轴间,径可的跳动成小于表5的规患,表5
叶笔H
广盘外周径间跳动
外择油动
前盘外周径向既动
前盘外程轴向班
281-4n
450-1000
1外经油向既动是中或前盘的侧面在外轻射近处测定,尼计显表读行的最人迫疗或小值的芯数。2外固待可能动整中盘或能盘外径处部决,选计显表读得的些大任最小的差数。)叶轮的平衡精度应符合B/T9070的舰定。4.12.2主轴与齐部分的配含公差接表6的现定,4.12.1通风机所用黑垒金属制证或面应数明锈处联。通风机能涂装件按JH/T9062的有关现定。4. 12. 4
南部分
轮袖竺轴
带轮轴
滚动抽承上抽
灿款针证与迷
链治与提链
4.13通风机零、部件外观质量要求JB/T9068-—1999
逆以凯及客,部件外观适蛋授IRT7216的有关规定:4.14成套件
应套性战的通风剂应包括表?的准在件7
传动型点
A、G、H
4,.15禁修
配牛公芸
配牵件
带轮年、电动:三串、统
用在逆守产品说明书中各项规定的条作下,从制造!发货之日起18个开店,实际使月时间起过8000h,产品内制适质盘天良发生损以或不能止常1.作时,制造厂应免费修坦或更换(不包折品损件)
5试验方法
5.!通风机的空气动小生能试验按GH1235的视定:5.2噪声试验按G日2888的规定
5.3振动与前迷试验GB10080的规定,5.4承温试酸在浦风机细我温升稳定层,维链运转20m后,测品轴求的得感6检验规则
6.1通风机的各零:部件及整机应丝制造厂质量检验部门按本标准和相应标准及技本支件检检合弃方可出厂。
6.2通风机各类检验安表8的规定6.2.1型式检验规定如下:
a)每种型号的试制产品应行型式检恰,型式检验应由国家主管部广空调风桃检测单位进行:b)通风机的维构或材质行重大改变性应进行型式确。8
正或正
轴功器
成效宰
6. 2.1拱样检验规定如下
JB/T9068-1999
6.2.2.1样愉验的台数接表9的期定。产量
-51-200
摘挥数量
分格判定数t
不个判定取
6.2.2.2正常或批生产中每种号的道风机在出厂检验后进抛样检验。若执样中,不合碎品教小二或等于判定数Ac,则判定该批产品是合格的;若油样中,不合格品数人丁或等丁判定散R,别定该批产品不合卒。
了标志,包装与存
7.1标志
7.1.1转通风机应在明显的部位固定铭牌,铭牌的型式尺寸和按术要求座符台GB/13306的规定内容包括:
a)制造厂名:
b)产品型号和名称:
全正成静止;
e)转速:
电动机动率:
的)制造年月:
h)心品出广编号,
.1R/T91G名—199%
7.1.2通风机应有标期下作情记(如放转方向)的标志。7.1.3通风机标则注明商标
7.2.1通风机包装应落IB/T9065的规定7.2.2包表箱立带上列装术文件:7. 2. 3. 1产品合格证,
7.2.3.2产品说明书,内容如下;产品型令和名称、工作原理、用途泡司、性能曲线;h)产品的结构与实装示盒网:
c)安装说明和要束:
d)使用说明、维护和保养注意项。7.2. 2.3装箱单,
了3.通风机成存在通风下操的率房或棚罩内,并防止产品受借征廖值气体的保伸。7.3.2外露机械加下零、部件应徐上防锈油变泊脂,用油纸、塑料膜等过好,并定期核直.工面腐情况。
7.3.3贮存期限为一年,赶过一年成及时检查,
小提示:此标准内容仅展示完整标准里的部分截取内容,若需要完整标准请到上方自行免费下载完整标准文档。
	 
	        
	      中华人民共和国机械行业标准
JB/T9068—1999
前向多翼离心通风机
Forward curved centrifugal fan1999-07-12发布
国家机械工局
2000-01-01实施
JB/T9068—1999
本标准是对ZBJ720469前向多翼离心道风机进行的修订~标准与2BJ7204690相比,主要技术内容改变划下:ZBJ73046,9中的第4章、第5单,现合并为第4年标准实范之E起代替7R172M6一90本标准出余共将冻设备标准化技术委员会提出并归口。本标准负责起单单位:上御通出-开利空调设备有限公司:本标主要起单人:杨伟荣、张玮。1范围
中华人民共和国机械行业标准
前向多翼离心通风机
Forward eurved centrifigal fanJBT9068-1999
本标注规定了前向多翼离心通风机的产品分类、要求、试力法、格验规则和标志、包装,广存,本标准适片工翼筑物风、空调用前向多案离心通风机(以下简称通风机房间风机盘管机组用前间多央寓心递以机亦参照使用,2引用标准
!列准所包含的条文,近过在本标准引用而均成为本标准的条文,本标准出数时,所示版人均为有效,所有标准者会破够订,使用本标准的各方减操计使用下例标准量新版个的可能性:GB/F7551987
GBT117I1996
GB.T 1236·1985
GB/1804..1992
GR/T 2888—1991
GR.T3235—E982
GR.T38821995
GB 100B0—19BB
GB.T 13306.--1991
JB/T T246-- [994
JB.T90621999
JB,T 9065-1999
JB/T9070—1999
3分类
旋转电机基本袁术条件
一股用营通V带
通风机空气动力性能试脸方法
一般公差线性尺小的未注公差
风机和罗改睦风机瑶测显方法
通风机基本型式尺寸紊数及性能均线滚动靶求外球面球抽承和偏心查外形尺止空谢用通风机安会要求
冷腰通风设备外观质量
买暖通风与空气两节设备涂装技术条件冷暖通风设备包装通用技术条性空调用风机平衡帮度
3.1通风机型式按表|规定
国索机械工业局1999-07-12批池200-01-01实瓶
进风型式
能转型式
传动型式
山风型
3.2标记
苏通电动机直式
JE/T9068-1999
带轻传动
外转子电机百联
双轴伸申机百
F的睡
量显x
通风机的型号出人马英文字母和阿带伯数产组战,表示方法妇下:2
型号示:
19068—1999
出风型式代号:地表!
传动型式代号:见表1
施转型式代号:见表1
进风型式行号:量表1
机号:以叶轮直径的单(分米:示比转速:效率最高时的比转理化为整数全压系数:效等量高时的全压系缴秉以10后化为整数
11-62g2.8-DZFT即全压系数11,比转速为62、叶轮稳为280,单吸式,左施:带轮传动、出风型式为上部水平的前向多翼离心通风机。11-62No4.5-HU全压系数为1.1、比转速为62,叶轮直轻为450mm,双吸式,右施,双轴伸电动机直联传动、出风型式为部乘直的前向多翼离心通风机。要求
4.!通风机应按本标准的规定,并按经规定程批准的阻择和技术文件制造,4.2通风机的机号与叶轮直径按表2的规定。表2
迈风机机号
叶轮(叶计外绿)直径
通川机机
叶绝【叶片外:宜径
凝风机机下载标准就来标准下载网
叶轮,叶片外蒙!且径
4.3通风机的进风口直径D、矩形出风口尺寸4和B(如南所示)应瑟G3235--1982中表4的规定。
JB/9068-1999
通风机的风至,全压成江图2a、医2b所示区域中洗取4.4
JB/T9068-1999
JB/T9068-1999
4.5通风机的全压效率应大干图3所示数俏6
4.6工作环境要求
4.6,1通风机输送空气的温度为.-15~+60℃,相对湿度为5%~98%。900
4..2通风机输送穿气中粘性物质、纤维物质以及尘次和其他固体杂质的含量应在1m/m以下。4.恢用性能要求
4.7.通风机轴承支承部的报动速度的方均根值应小于G.3mm/s,4.?.2通风机轴承的润滑剂不应向外泄漏,4.7.3通风机在运转中不应有异常声响。4.7.4一角带及带轮不症有异常退升4.8主要技术指标
通风机在额定风因时,其全压应为额定全压值的9%易上,4.8.1
4.8.2通风机在额定全压附,其风盈应为额定风且值的95%以上。通风机在最高全乐效率和转速不超过10m时,其集声的比A声压级的限值应不超过戈4. 8. 3
当转速超过1000r/min时,比A产压级的限值充许增圳不过2dB(A)。的规定。
通风机机号
比A声压级
4.9安全婴求
通风机的安全要求应接B100的有关规定。6
4.14配在件的质量坚求
:角带应符合GD/T1171的规定。4.10.2电动机应符CB/T755的规定。轴承应符B.T3S82的规。
4.11通风枕的结均要求
4.1通区机战载部分和静部分不成相部,4. 11.2
通风机的各枣,部件成有足够强利别度。道风规动装装面座华整
不做机搬1的敏金件的尺寸公差应接B的4—1中J(!1的规定4.1I.4
主些、作的基要求
4.12、」叶轮应符合下列现定:升主的服尚盛工确:其装配设差微表4的规定。测完点从前盘始约全长的1我、表所到允差以阅样所示的们度和尺寸为蒸准的数值。报4
节距差(外制)
叶片装配角度允差
恐长分差
叶产中世量商产
)叶轮外轻1的轴间,径可的跳动成小于表5的规患,表5
叶笔H
广盘外周径间跳动
外择油动
前盘外周径向既动
前盘外程轴向班
281-4n
450-1000
1外经油向既动是中或前盘的侧面在外轻射近处测定,尼计显表读行的最人迫疗或小值的芯数。2外固待可能动整中盘或能盘外径处部决,选计显表读得的些大任最小的差数。)叶轮的平衡精度应符合B/T9070的舰定。4.12.2主轴与齐部分的配含公差接表6的现定,4.12.1通风机所用黑垒金属制证或面应数明锈处联。通风机能涂装件按JH/T9062的有关现定。4. 12. 4
南部分
轮袖竺轴
带轮轴
滚动抽承上抽
灿款针证与迷
链治与提链
4.13通风机零、部件外观质量要求JB/T9068-—1999
逆以凯及客,部件外观适蛋授IRT7216的有关规定:4.14成套件
应套性战的通风剂应包括表?的准在件7
传动型点
A、G、H
4,.15禁修
配牛公芸
配牵件
带轮年、电动:三串、统
用在逆守产品说明书中各项规定的条作下,从制造!发货之日起18个开店,实际使月时间起过8000h,产品内制适质盘天良发生损以或不能止常1.作时,制造厂应免费修坦或更换(不包折品损件)
5试验方法
5.!通风机的空气动小生能试验按GH1235的视定:5.2噪声试验按G日2888的规定
5.3振动与前迷试验GB10080的规定,5.4承温试酸在浦风机细我温升稳定层,维链运转20m后,测品轴求的得感6检验规则
6.1通风机的各零:部件及整机应丝制造厂质量检验部门按本标准和相应标准及技本支件检检合弃方可出厂。
6.2通风机各类检验安表8的规定6.2.1型式检验规定如下:
a)每种型号的试制产品应行型式检恰,型式检验应由国家主管部广空调风桃检测单位进行:b)通风机的维构或材质行重大改变性应进行型式确。8
正或正
轴功器
成效宰
6. 2.1拱样检验规定如下
JB/T9068-1999
6.2.2.1样愉验的台数接表9的期定。产量
-51-200
摘挥数量
分格判定数t
不个判定取
6.2.2.2正常或批生产中每种号的道风机在出厂检验后进抛样检验。若执样中,不合碎品教小二或等于判定数Ac,则判定该批产品是合格的;若油样中,不合格品数人丁或等丁判定散R,别定该批产品不合卒。
了标志,包装与存
7.1标志
7.1.1转通风机应在明显的部位固定铭牌,铭牌的型式尺寸和按术要求座符台GB/13306的规定内容包括:
a)制造厂名:
b)产品型号和名称:
全正成静止;
e)转速:
电动机动率:
的)制造年月:
h)心品出广编号,
.1R/T91G名—199%
7.1.2通风机应有标期下作情记(如放转方向)的标志。7.1.3通风机标则注明商标
7.2.1通风机包装应落IB/T9065的规定7.2.2包表箱立带上列装术文件:7. 2. 3. 1产品合格证,
7.2.3.2产品说明书,内容如下;产品型令和名称、工作原理、用途泡司、性能曲线;h)产品的结构与实装示盒网:
c)安装说明和要束:
d)使用说明、维护和保养注意项。7.2. 2.3装箱单,
了3.通风机成存在通风下操的率房或棚罩内,并防止产品受借征廖值气体的保伸。7.3.2外露机械加下零、部件应徐上防锈油变泊脂,用油纸、塑料膜等过好,并定期核直.工面腐情况。
7.3.3贮存期限为一年,赶过一年成及时检查,
小提示:此标准内容仅展示完整标准里的部分截取内容,若需要完整标准请到上方自行免费下载完整标准文档。
标准图片预览:





- 热门标准
 - 机械行业标准(JB)
 
- JB/T10288-2001 连栋温室结构
 - JB/T10056-1999 直流电流互感器 技术条件
 - JB/T7895-2008 永磁筒式磁选机
 - JB/T8679-2008 炭弧气刨炭棒 物理及使用性能试验方法
 - JB/T2756-2006 无轨电车用炭滑块
 - JB/T8082-2010 护指键式和护罩式木工平刨床 安全
 - JB/T9713-1999 工程机械 湿式铜基摩擦件 技术条件
 - JB/T9580-2008 炭石墨 产品分类及型号编制方法
 - JB/T8840-2013 电热器具用电源开关
 - JB/T11340.3-2012 阀控式铅酸蓄电池安全阀 第3部分:橡胶帽、阀芯
 - JB/T3411.50-1999 两爪顶拔器 尺寸
 - JB3704-1984 特种调压器用碳电阻片柱电气机械性能试验方法
 - JB/T10677-2006 投影机 光源
 - JB∕T12675-2016 拖拉机液压系统清洁度限值及测量方法
 - JB/T6316-2006 Z4系列直流电动机技术条件(机座号100~450)
 
- 行业新闻
 
请牢记:“bzxz.net”即是“标准下载”四个汉字汉语拼音首字母与国际顶级域名“.net”的组合。 ©2025 标准下载网 www.bzxz.net 本站邮件:bzxznet@163.com
网站备案号:湘ICP备2025141790号-2
网站备案号:湘ICP备2025141790号-2