- 您的位置:
- 标准下载网 >>
- 标准分类 >>
- 机械行业标准(JB) >>
- JB/T 2001.14-1999 水系统 椭圆连接法兰 型式与尺寸(PN=31.5MPa)
标准号:
JB/T 2001.14-1999
标准名称:
水系统 椭圆连接法兰 型式与尺寸(PN=31.5MPa)
标准类别:
机械行业标准(JB)
英文名称:
Types and dimensions of oval connection flanges for water systems (PN=31.5MPa)标准状态:
现行-
发布日期:
1999-06-28 -
实施日期:
2000-01-01 出版语种:
简体中文下载格式:
.rar.pdf下载大小:
40.74 KB
替代情况:
JB 2014-1984
点击下载
标准简介:
标准下载解压密码:www.bzxz.net
JB/T 2001.14-1999 本标准是对 JB 2014-84《水压机 椭圆连接法兰 型式与尺寸(Pg=315×100000Pa)》的修订。 本标准规定了椭圆连接法兰的型式与尺寸。 本标准适用于公称压力 31.5MPa 水系统用椭圆连接法兰。 本标准于 1984 年月日首次发布。 JB/T 2001.14-1999 水系统 椭圆连接法兰 型式与尺寸(PN=31.5MPa) JB/T2001.14-1999
部分标准内容:
IC.s$ 23.110
中华人民共和国机械行业标准
JB/T 2001.1~2001.74—1999
水系统零部件
Water system assembly and parts1999-06-28 发布
国家机械工业局
2(-01-U1 实施
中华人民共和国机械行业标准
水系统椭圆连接法兰
型式与尺寸
Watersystem-(valaitachednange-Type and size
[PN=31.5 MPa ]
本环准规定了推圆诈接法兰的弹式与见于。本准适用公称底1.5Ma水系统用带圆连摄法兰,2引用标准
JB/T2001.14—1999
代14K4
下标准所包告的条文,通划在本标准中引用而构成为本标准的条文,本标准出版过,所小版均为右效,所有标准部会效修订,使用本标准的各方成探过使用下列标准录最新版本的可踏性,21.5-1列求系统法兰钜块理式与尺3型式与尺寸免费标准bzxz.net
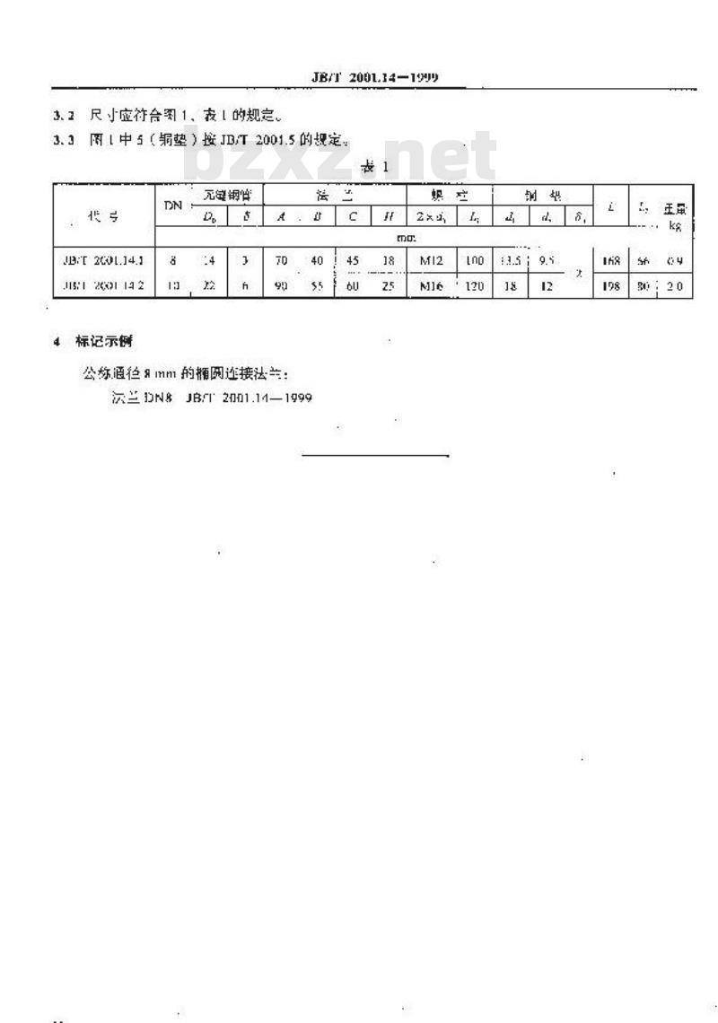
3.1型式应符合图的规定。
螺:2—爆母:3—法兰:4—强智1:5—铜垫:6—接凸2图1
国家机械工业局1999-16-28批准2000-01-01实饰
3. 2尺小应符合图1、表「的规定、JB/T2001.14-19
3.3图1中 5(铜垫)按JB/T 2001.5的规定丧1
JB: 2CO1.J4.1
15:1114 2
标记示例
元钢件
公称通径8mml的插网连接法关:40
兰N8JB/121.14—1999
小提示:此标准内容仅展示完整标准里的部分截取内容,若需要完整标准请到上方自行免费下载完整标准文档。
中华人民共和国机械行业标准
JB/T 2001.1~2001.74—1999
水系统零部件
Water system assembly and parts1999-06-28 发布
国家机械工业局
2(-01-U1 实施
中华人民共和国机械行业标准
水系统椭圆连接法兰
型式与尺寸
Watersystem-(valaitachednange-Type and size
[PN=31.5 MPa ]
本环准规定了推圆诈接法兰的弹式与见于。本准适用公称底1.5Ma水系统用带圆连摄法兰,2引用标准
JB/T2001.14—1999
代14K4
下标准所包告的条文,通划在本标准中引用而构成为本标准的条文,本标准出版过,所小版均为右效,所有标准部会效修订,使用本标准的各方成探过使用下列标准录最新版本的可踏性,21.5-1列求系统法兰钜块理式与尺3型式与尺寸免费标准bzxz.net
3.1型式应符合图的规定。
螺:2—爆母:3—法兰:4—强智1:5—铜垫:6—接凸2图1
国家机械工业局1999-16-28批准2000-01-01实饰
3. 2尺小应符合图1、表「的规定、JB/T2001.14-19
3.3图1中 5(铜垫)按JB/T 2001.5的规定丧1
JB: 2CO1.J4.1
15:1114 2
标记示例
元钢件
公称通径8mml的插网连接法关:40
兰N8JB/121.14—1999
小提示:此标准内容仅展示完整标准里的部分截取内容,若需要完整标准请到上方自行免费下载完整标准文档。
标准图片预览:



- 热门标准
- 机械行业标准(JB)
- JB/T5661-1991 器具开关 术语
- JB/T9396-1999 环块磨损试验机 技术条件
- JB/T5441-1991 压缩机铸钢零件的超声波探伤
- JB/T5660-1991 电器附件、家用和类似用途的控制器、保护器的包装和标志
- JB20009-2004 直线式柱塞灌装机
- JB/T5582-1991 铠装热电偶
- JB/T5777.4-2000 电力系统直流电源设备 通用技术条件及安全要求
- JB/T5338-1991 YB系列隔爆型(dII CT4)三相异步电动机(机座号80~315) 技术条件
- JB/T5442-1991 压缩机重要零件的磁粉探伤
- JB/T5467.2-2002 机电式交流有功和无功电能表 第2部分:长寿命电能表的特殊要求
- JB/T5776-1991 船用保护继电器
- JB/T6664.2-1993 自吸泵 技术条件
- JB/T7732.1-1995 地膜覆盖机 技术条件
- JB/T2257.2-1999 板料折弯机 型式与基本参数
- JB/T7273.8-1994 背面波纹手轮
- 行业新闻
请牢记:“bzxz.net”即是“标准下载”四个汉字汉语拼音首字母与国际顶级域名“.net”的组合。 ©2025 标准下载网 www.bzxz.net 本站邮件:bzxznet@163.com
网站备案号:湘ICP备2025141790号-2
网站备案号:湘ICP备2025141790号-2