- 您的位置:
- 标准下载网 >>
- 标准分类 >>
- 国家标准(GB) >>
- GB/T 9485-2003 径流式涡轮增压器 联接尺寸
标准号:
GB/T 9485-2003
标准名称:
径流式涡轮增压器 联接尺寸
标准类别:
国家标准(GB)
标准状态:
现行-
发布日期:
2003-11-30 -
实施日期:
2004-06-01 出版语种:
简体中文下载格式:
.rar.pdf下载大小:
172.00 KB
标准ICS号:
能源和热传导工程>>27.020内燃机中标分类号:
机械>>活塞式内燃机与其他动力设备>>J91内燃机与附属装置
替代情况:
GB/T 9485-1988

点击下载
标准简介:
标准下载解压密码:www.bzxz.net
本标准规定了径流式涡轮增压器的联接尺寸。本标准适用于压气机叶轮直径为60mm~20mm的增压器,特殊用途的增压器除外。 GB/T 9485-2003 径流式涡轮增压器 联接尺寸 GB/T9485-2003

部分标准内容:
本标理足对(H/194551988稳流式就乾增器联接尽寸的候订
本标准与GB/T9485—1988的主要区别,按顾GB/T1.—20n的要求,对原标准文本进行了编辑性修收,整改广增乐举的相互位置尺寸(表1和据轮山口法兰联接尺小(表)。本标白实施之日制.同升代芒和度止GB门1S4851988
本标赠山中国杭城1业联合会提出。本标准由金国内端机标准化技术委员会归口,GB/T9485——2003
本标准定节单位:上海内燃机许究所、大号市科博机械山器有限公司、上海荣油机股份有限公司,本标惟上要起草人翌俊响,患止、张回稍,离金纳、来国.陈林册。本标准所代替标准的历次版本发情说为:..--GI/T 9485159H.
径流式涡轮增压器联接尺寸
本标准规定了径流式竭轮增压器(以下荷栋增压器)的联接尺中,GI/T 9485--2003
本标准质用于压气机叶轮直径为nmm200mm的增压警,特殊用途的增压器除外,2技术要求
2.1增正器的相五受尺于
见图1和表1。
空气理口
注:错性可与国示小书,但执激期想定的尺寸阳1增压指再位置尺寸
GD/T 9485-2003
压机叶轮直轻
160D175
175,D790
190-D,200
2汽休进出口联接尺司
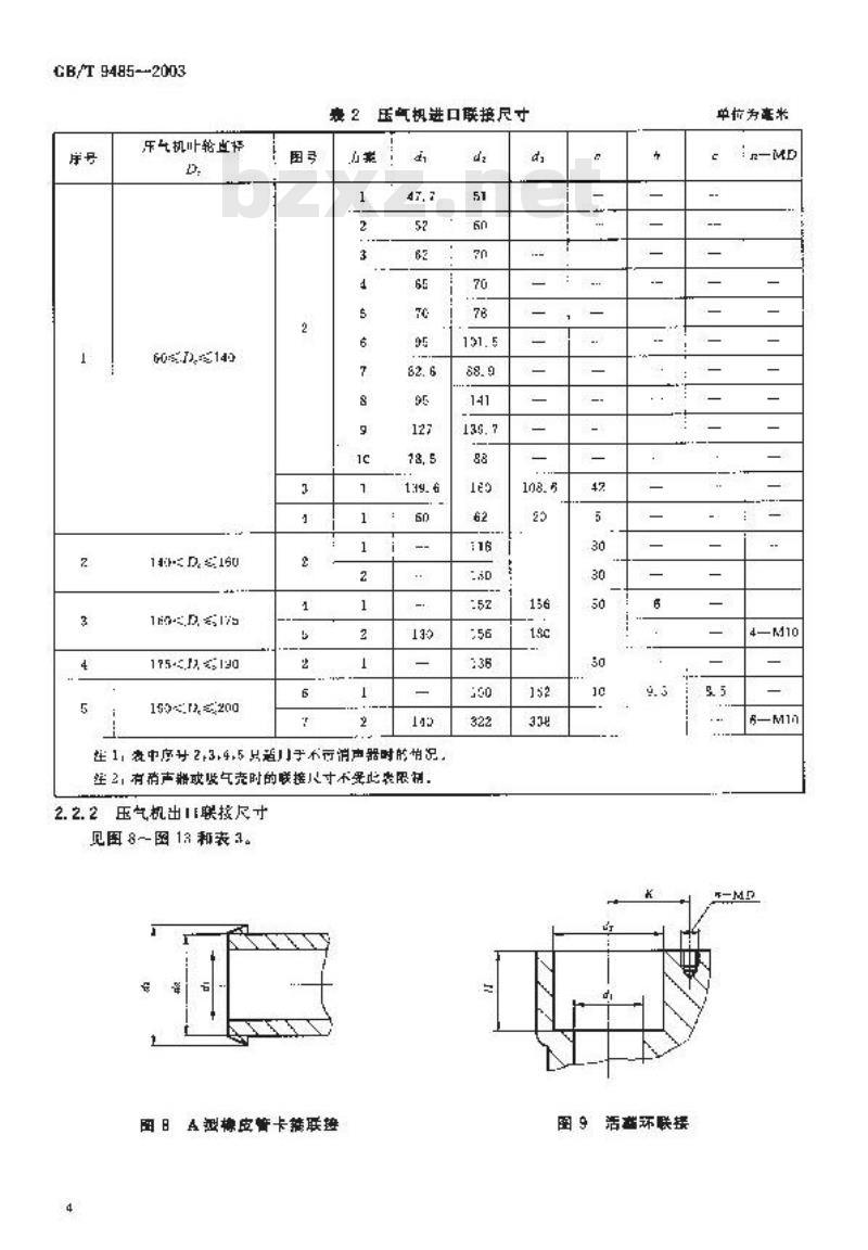
2.2.1压气机进口联接尺寸
死图2-图了和表2
表1增压器相互位五尺寸
113, 8
253, 4
:5:/1h5
277, 5
单证为囊来
41. 5/xb, 5
44. 5/8, 5
田2A型换皮管卡链联接
图4B型橡皮胃卡报联探
图 6活离环联培
GB/T 94B5—2003
国3播入式联播
图54孔法兰联接
图 76孔法兰联接
CB/T94852003
乐气机叶轮血径bzxZ.net
60s.7),g140
1-D, 160
16DE175
175,12, 130
153,2, ≤200
压气机进口联接尺寸
性1,表中序寸2.3.4,5只道于不元消声器时的悄况生2,有硝声糖或吸气壳时的联接儿寸不免比表限制,2.2.2压气机出1联按尺寸
见图8~-图13和表3。
A型禁皮管卡接联垫
图 9活需环联摄
单忙为毫米
6—M1n
图10法兰联接
照12法兰眠摘
GB/T94B5—2003
图11兰联接
图13B型橡按芳卡联接
GB/T 9485-200
出气视叶轮直社
62,110
140.0,:6n
135cD,--90
153200
识轮进口齿兰联接尺寸
见图14~图2U和表4。
压气机出口联接尺寸
国14双进口或单进口
图15鸡进口
单忙为毫米
图16单进口
国19双进口
图1日单进口
GD/T 9485—2003
图17双进口
图20双进口
GH/T 9485-2003
压气机叶轮径
175130
169200
涡轮进口法兰联接尺寸
注-1 因11 中,方案 1-(适来T单是口竭龄光,6E
注2周11中,方亲5适双口误光能五毛于单进轮壳2.2.4
涡轮出后法兰联接人寸见图21--周28和本5,图213孔法兰
图224孔法兰
单位为套米
4-克11
图236充法兰
图248孔法兰
朗26A型卡链联接
围 27B型卡联接
B/T 9485-2003
图2512孔法兰
吗28适事环联接
CB/T9285—2003
6n,s14m
1icD,160
1sc D, 176
J90cD2:X
涡轮出口法兰联接尺寸
js.51c.cs
单位为诺半
12—MI0
12-MI0
3—M1G
X—M1G
22,5°
小提示:此标准内容仅展示完整标准里的部分截取内容,若需要完整标准请到上方自行免费下载完整标准文档。
本标准与GB/T9485—1988的主要区别,按顾GB/T1.—20n的要求,对原标准文本进行了编辑性修收,整改广增乐举的相互位置尺寸(表1和据轮山口法兰联接尺小(表)。本标白实施之日制.同升代芒和度止GB门1S4851988
本标赠山中国杭城1业联合会提出。本标准由金国内端机标准化技术委员会归口,GB/T9485——2003
本标准定节单位:上海内燃机许究所、大号市科博机械山器有限公司、上海荣油机股份有限公司,本标惟上要起草人翌俊响,患止、张回稍,离金纳、来国.陈林册。本标准所代替标准的历次版本发情说为:..--GI/T 9485159H.
径流式涡轮增压器联接尺寸
本标准规定了径流式竭轮增压器(以下荷栋增压器)的联接尺中,GI/T 9485--2003
本标准质用于压气机叶轮直径为nmm200mm的增压警,特殊用途的增压器除外,2技术要求
2.1增正器的相五受尺于
见图1和表1。
空气理口
注:错性可与国示小书,但执激期想定的尺寸阳1增压指再位置尺寸
GD/T 9485-2003
压机叶轮直轻
160D175
175,D790
190-D,200
2汽休进出口联接尺司
2.2.1压气机进口联接尺寸
死图2-图了和表2
表1增压器相互位五尺寸
113, 8
253, 4
:5:/1h5
277, 5
单证为囊来
41. 5/xb, 5
44. 5/8, 5
田2A型换皮管卡链联接
图4B型橡皮胃卡报联探
图 6活离环联培
GB/T 94B5—2003
国3播入式联播
图54孔法兰联接
图 76孔法兰联接
CB/T94852003
乐气机叶轮血径bzxZ.net
60s.7),g140
1-D, 160
16DE175
175,12, 130
153,2, ≤200
压气机进口联接尺寸
性1,表中序寸2.3.4,5只道于不元消声器时的悄况生2,有硝声糖或吸气壳时的联接儿寸不免比表限制,2.2.2压气机出1联按尺寸
见图8~-图13和表3。
A型禁皮管卡接联垫
图 9活需环联摄
单忙为毫米
6—M1n
图10法兰联接
照12法兰眠摘
GB/T94B5—2003
图11兰联接
图13B型橡按芳卡联接
GB/T 9485-200
出气视叶轮直社
62,110
140.0,:6n
135cD,--90
153200
识轮进口齿兰联接尺寸
见图14~图2U和表4。
压气机出口联接尺寸
国14双进口或单进口
图15鸡进口
单忙为毫米
图16单进口
国19双进口
图1日单进口
GD/T 9485—2003
图17双进口
图20双进口
GH/T 9485-2003
压气机叶轮径
175130
169200
涡轮进口法兰联接尺寸
注-1 因11 中,方案 1-(适来T单是口竭龄光,6E
注2周11中,方亲5适双口误光能五毛于单进轮壳2.2.4
涡轮出后法兰联接人寸见图21--周28和本5,图213孔法兰
图224孔法兰
单位为套米
4-克11
图236充法兰
图248孔法兰
朗26A型卡链联接
围 27B型卡联接
B/T 9485-2003
图2512孔法兰
吗28适事环联接
CB/T9285—2003
6n,s14m
1icD,160
1sc D, 176
J90cD2:X
涡轮出口法兰联接尺寸
js.51c.cs
单位为诺半
12—MI0
12-MI0
3—M1G
X—M1G
22,5°
小提示:此标准内容仅展示完整标准里的部分截取内容,若需要完整标准请到上方自行免费下载完整标准文档。

标准图片预览:





- 其它标准
- 热门标准
- 国家标准(GB)
- GB/T43771-2024 电子气体 一氧化碳
- GB/T33814-2017 焊接H型钢
- GB/T17972-2000 信息处理系统 数据通信 局域网中使用X.25包级协议
- GB/T19250-2013 聚氨酯防水涂料
- GB/T12113-2023 接触电流和保护导体电流的测量方法
- GB/T23344-2009 纺织品 4-氨基偶氮苯的测定
- GB/T37319-2019 电梯节能逆变电源装置
- GB51131-2016 燃气冷热电联供工程技术规范
- GB/T22089-2008 电水壶性能要求及试验方法
- GB/T27888.3-2011 船舶与海上技术 船舶与海上结构物的排水系统 第3部分:真空系统的卫生水排放及排放管道
- GB/T40442-2021 纸、纸板和纸浆纤维组成分析中质量因子的测定
- GB/T3765-2008 卡套式管接头技术条件
- GB/T44103-2024 轮滑课程学生运动能力测评规范
- GB/T18878-2008 滑道设计规范
- GB/T23349-2009 肥料中砷、镉、铅、铬、汞生态指标
- 行业新闻
请牢记:“bzxz.net”即是“标准下载”四个汉字汉语拼音首字母与国际顶级域名“.net”的组合。 ©2009 标准下载网 www.bzxz.net 本站邮件:bzxznet@163.com
网站备案号:湘ICP备2023016450号-1
网站备案号:湘ICP备2023016450号-1