- 您的位置:
- 标准下载网 >>
- 标准分类 >>
- 机械行业标准(JB) >>
- JB/T 8820-1998 摩托车传动链条磨损性能试验规范
标准号:
JB/T 8820-1998
标准名称:
摩托车传动链条磨损性能试验规范
标准类别:
机械行业标准(JB)
英文名称:
Motorcycle transmission chain wear performance test specification标准状态:
现行-
发布日期:
1998-09-30 -
实施日期:
1998-12-01 出版语种:
简体中文下载格式:
.rar.pdf下载大小:
74.76 KB
标准ICS号:
机械系统和通用件>>挠性传动和传送>>21.220.30链传动及其零件中标分类号:
机械>>通用零部件>>J18链传动、皮带传动与键联结
点击下载
标准简介:
标准下载解压密码:www.bzxz.net
JB/T 8820-1998 本标准规定了摩托车传动链条磨损性能试验的技术要求、试验条件、试验方法和试验设备。 本标准适用于按 GB/T 14212-93 规定制造的用于各种摩托车(含其他行走机械)上的驱动用链条。按其他标准制造的传动链条,可参照执行。 (注: 本标准参考了 ANSI B29.1-86《传动用精密滚子链、附件和链轮》的有关技术内容。) JB/T 8820-1998 摩托车传动链条磨损性能试验规范 JB/T8820-1998
部分标准内容:
JB/T8820—1998
本标准出全国链传动标准化技术委员会提出并归门。本标准负责起草单位:吉林工业大学链传动研究所。本标准参加起草单位:重庆长江链条实业公司、南京利民(集团)有限公司、杭州众汇实业有限公司、江山市江南链条有限公司、吉林工学院。本标准主要起草人:李欣欣、项步东、秦建明、陈建富、柴清、温晓南。本标准为首次发布。
1范围
中华人民共和国机械行业标准
摩托车传动链条
磨损性能试验规范
Motorcycle transmission chains-Testingrules of wear performance
JB/T8820-1998
本标准规定了摩托车传动链条磨损性能试验的技术要求、试验条件、试验方法和试验设备本标准适用于按GB/T14212一93规定制造的用于各种摩托车(含其他行走机械)上的驱动用传动链条。按其他标准制造的传动链条,可参照执行。2引用标准
下列标准所包含的条文,通过在本标准中引用而构成为本标准的条文。本标准出版时,所示版本均为有效。所有标准都会被修订,使用本标准的各方应探讨使用下列标准最新版本的可能性。GB/T1243·-1997短节距传动用精密滚子链和链轮GB9785--88链条、链轮术语
GB/T14212:-93摩托车链条
3术语
链条术语按GB9785-88的规定。
4技术要求
4.1摩托车传动链条磨损性能试验应符合表1规定。4.2磨损试验过程中如出现链板、滚子、套筒、销轴断裂、破碎,则按不合格处理。4.3试验链条接头处应联接可靠,试验中如接头处出现断裂,则试验无效。国家机械工业局1998~09-30批准76
1998-12-01实施
08MB-2
JB/T 8820
9--1998
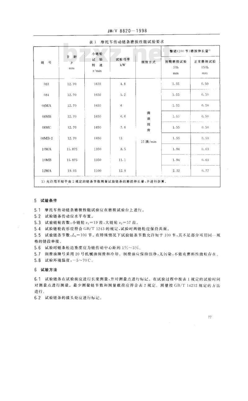
表」摩托车传动链条磨损性能试验要求小链轮
试验功率
润滑方式
15滴/min
整链(100)节)磨损伸长量
初期磨损试验
1)允许用不短于表2规定的链条节数测量试验链条的磨损伸长量,并进行折算。5试验条件
摩托车传动链条磨损性能试验应在磨损试验台上进行。5.2试验链条传动应水平布置。
5.3试验链轮齿数:小链轮=19齿,大链轮2=57齿。5.4试验链轮齿形应符合GB/T1243的规定,试验时两链轮应保持共面。正常磨损试验
5.5试验链条节数:L,一100节。在特殊情况下试验链条节数允许短于100节,其不足部分可用同规格的链段串接bzxZ.net
5.6试验时链条松边垂度应为链传动中心距的1%~~3%5.7润滑油牌号采用20号机械油润滑和冷却。润滑油应保持洁净,无污染,不能有磨料性微粒存在。5.8试验环境温度:-5~70℃。
6试验方法
6.1试验链条在试验前应进行长度测量,并对测量点进行标记。在试验过程中按表1规定的试验时间对测量点进行测量。最少测量链节数和测量载荷应符合表2规定。测量按GB/T14212规定的方法进行。
6.2试验链条的接头处应进行标记。77
08MB-2
7试验设备
:1998
JB/T8820
表2最少测链节数和测量载荷
最少測量链节数
测量载荷
链条磨损试验台分为封闭式试验台与开式试验台。推荐使用封闭式链条磨损试验台。7.2磨损试验台主轴转速误差应为规定试验转速的士1%。7.3磨损试验台加载器扭矩误差应为规定扭矩的土1%。7.4磨损试验台在试验过程中,主轴转速和试验载荷应保持平稳、恒定。磨损试验台转速表和扭矩表应定期校核,以保证实际转速值和扭矩值与仪丧显示值的致性。7.5
7.6磨损试验台应安装在无外来冲击、振动,室内温度比较稳定和无尘、洁净的环境中。78
小提示:此标准内容仅展示完整标准里的部分截取内容,若需要完整标准请到上方自行免费下载完整标准文档。
本标准出全国链传动标准化技术委员会提出并归门。本标准负责起草单位:吉林工业大学链传动研究所。本标准参加起草单位:重庆长江链条实业公司、南京利民(集团)有限公司、杭州众汇实业有限公司、江山市江南链条有限公司、吉林工学院。本标准主要起草人:李欣欣、项步东、秦建明、陈建富、柴清、温晓南。本标准为首次发布。
1范围
中华人民共和国机械行业标准
摩托车传动链条
磨损性能试验规范
Motorcycle transmission chains-Testingrules of wear performance
JB/T8820-1998
本标准规定了摩托车传动链条磨损性能试验的技术要求、试验条件、试验方法和试验设备本标准适用于按GB/T14212一93规定制造的用于各种摩托车(含其他行走机械)上的驱动用传动链条。按其他标准制造的传动链条,可参照执行。2引用标准
下列标准所包含的条文,通过在本标准中引用而构成为本标准的条文。本标准出版时,所示版本均为有效。所有标准都会被修订,使用本标准的各方应探讨使用下列标准最新版本的可能性。GB/T1243·-1997短节距传动用精密滚子链和链轮GB9785--88链条、链轮术语
GB/T14212:-93摩托车链条
3术语
链条术语按GB9785-88的规定。
4技术要求
4.1摩托车传动链条磨损性能试验应符合表1规定。4.2磨损试验过程中如出现链板、滚子、套筒、销轴断裂、破碎,则按不合格处理。4.3试验链条接头处应联接可靠,试验中如接头处出现断裂,则试验无效。国家机械工业局1998~09-30批准76
1998-12-01实施
08MB-2
JB/T 8820
9--1998
表」摩托车传动链条磨损性能试验要求小链轮
试验功率
润滑方式
15滴/min
整链(100)节)磨损伸长量
初期磨损试验
1)允许用不短于表2规定的链条节数测量试验链条的磨损伸长量,并进行折算。5试验条件
摩托车传动链条磨损性能试验应在磨损试验台上进行。5.2试验链条传动应水平布置。
5.3试验链轮齿数:小链轮=19齿,大链轮2=57齿。5.4试验链轮齿形应符合GB/T1243的规定,试验时两链轮应保持共面。正常磨损试验
5.5试验链条节数:L,一100节。在特殊情况下试验链条节数允许短于100节,其不足部分可用同规格的链段串接bzxZ.net
5.6试验时链条松边垂度应为链传动中心距的1%~~3%5.7润滑油牌号采用20号机械油润滑和冷却。润滑油应保持洁净,无污染,不能有磨料性微粒存在。5.8试验环境温度:-5~70℃。
6试验方法
6.1试验链条在试验前应进行长度测量,并对测量点进行标记。在试验过程中按表1规定的试验时间对测量点进行测量。最少测量链节数和测量载荷应符合表2规定。测量按GB/T14212规定的方法进行。
6.2试验链条的接头处应进行标记。77
08MB-2
7试验设备
:1998
JB/T8820
表2最少测链节数和测量载荷
最少測量链节数
测量载荷
链条磨损试验台分为封闭式试验台与开式试验台。推荐使用封闭式链条磨损试验台。7.2磨损试验台主轴转速误差应为规定试验转速的士1%。7.3磨损试验台加载器扭矩误差应为规定扭矩的土1%。7.4磨损试验台在试验过程中,主轴转速和试验载荷应保持平稳、恒定。磨损试验台转速表和扭矩表应定期校核,以保证实际转速值和扭矩值与仪丧显示值的致性。7.5
7.6磨损试验台应安装在无外来冲击、振动,室内温度比较稳定和无尘、洁净的环境中。78
小提示:此标准内容仅展示完整标准里的部分截取内容,若需要完整标准请到上方自行免费下载完整标准文档。
标准图片预览:




- 热门标准
- 机械行业标准(JB)
- JB/T9396-1999 环块磨损试验机 技术条件
- JB/T7928-2014 工业阀门 供货要求
- JB/T7732.1-1995 地膜覆盖机 技术条件
- JB/T9868.1-1999 散装饲料运输车 型式与参数
- JB/T5761.1-1999 数控弯管机 技术条件
- JB/T6664.2-1993 自吸泵 技术条件
- JB/T7665-1995 通用机械噪声声功率级现场测定 声强法
- JB/T8368.1-1996 电锤钻
- JB/T9272-1999 氨压力表
- JB/T10438-2004 额定电压450/750V及以下交联聚氯乙烯绝缘电线和电缆
- JB/T9159.9-1999 单轴纵切自动车床辅具 丝锥夹套 B 型尺寸
- JB/T3235-1999 人造金刚石烧结体磨耗比测定方法
- JB/T3411.87-1999 锥柄卡口镗铰刀杆 尺寸
- JB/T6619.1-1999 轻型机械密封 技术条件
- JB/T6695-1993 汽轮机润滑油系统 技术条件
- 行业新闻
请牢记:“bzxz.net”即是“标准下载”四个汉字汉语拼音首字母与国际顶级域名“.net”的组合。 ©2025 标准下载网 www.bzxz.net 本站邮件:bzxznet@163.com
网站备案号:湘ICP备2025141790号-2
网站备案号:湘ICP备2025141790号-2