- 您的位置:
- 标准下载网 >>
- 标准分类 >>
- 纺织行业标准(FZ) >>
- FZ/T 12003-1995 粘纤本色纱线
标准号:
FZ/T 12003-1995
标准名称:
粘纤本色纱线
标准类别:
纺织行业标准(FZ)
标准状态:
已作废-
实施日期:
1996-07-01 -
作废日期:
2007-01-01 出版语种:
简体中文下载格式:
.rar.pdf下载大小:
132.86 KB
相关标签:
纱线

部分标准内容:
中华人民共和国纺织行业标准
粘纤本色纱线
1 主题内容与适用范围
FZ/T 12003—1995
本标准规定了粘纤本色纱线的产品品种规格、技术要求、试验方法、检验规则、标志、包装。本标准适用于鉴定环锭机制粘纤本色纱线的品质。2引用标准
纱线捻度的测定
GB2543
单根纱线的断裂强力和断裂伸长的测定GB 3916
纱线疵点的分级试验方法
GB4145
纱线的线密度(或支数)的测定方法绞纱法GB 4743
GB9996
棉及化纤纯纺、混纺纱线外观质量黑板检验法FZ/T 10007
棉及化纤纯纺、混纺本色纱线检验规则ZBW04006.1温度与回潮率对棉及化纤纯纺、混纺制品断裂强力的修正方法本色纱线及染色加工线断裂强力的修正方法
ZB W08 001
3产品品种规格
棉及化纤纯纺、混纺本色纱线包装和标志3.1粘纤本色纱线的线密度以1 000 m纱线在公定回潮率时的重量(g)表示,称为特克斯(tex)。3.2粘纤本色纱线的公定回潮率为13.0%。3.3粘纤本色纱线的标准重量
特克斯数(tex)
100m纱线在公定回潮率13.0%时的标准重量(g)10
100 m 纱线的标准干燥重量(g)一特克斯数(tex)11.30
3.4单纱和股线的设计特克斯数必须与其最后成品的公称特克斯数相等。4技术要求
4.1粘纤本色纱技术要求规定见表1。中国纺织总会1995-09-28批准
(2)
1996-07-01实施
公称特克斯数
(英制支数)
(70~56)
(55~44)
(43~37)
16~20
(3629)
(28~24)
(23~19)
32~60
(18~10)
64~192
(9~3)
单纱断裂
强力变异
系数CV
不大于
百米重量
变异系数
不大于
FZ/T12003—1995
条干均匀度
条干均勾度免费标准bzxz.net
黑板外观质量变异系数CV
优—·二三
7.13±0:0
0:017:3
7:31010
071310
0t0713
733t010
010173
73:010
0:713:0
0:0:713
7:3t0t0
0173+0
0:017:3
7t30:0
07:3-0
0:07-3
73#0:0
0173:0
001713
7131010
0*7310
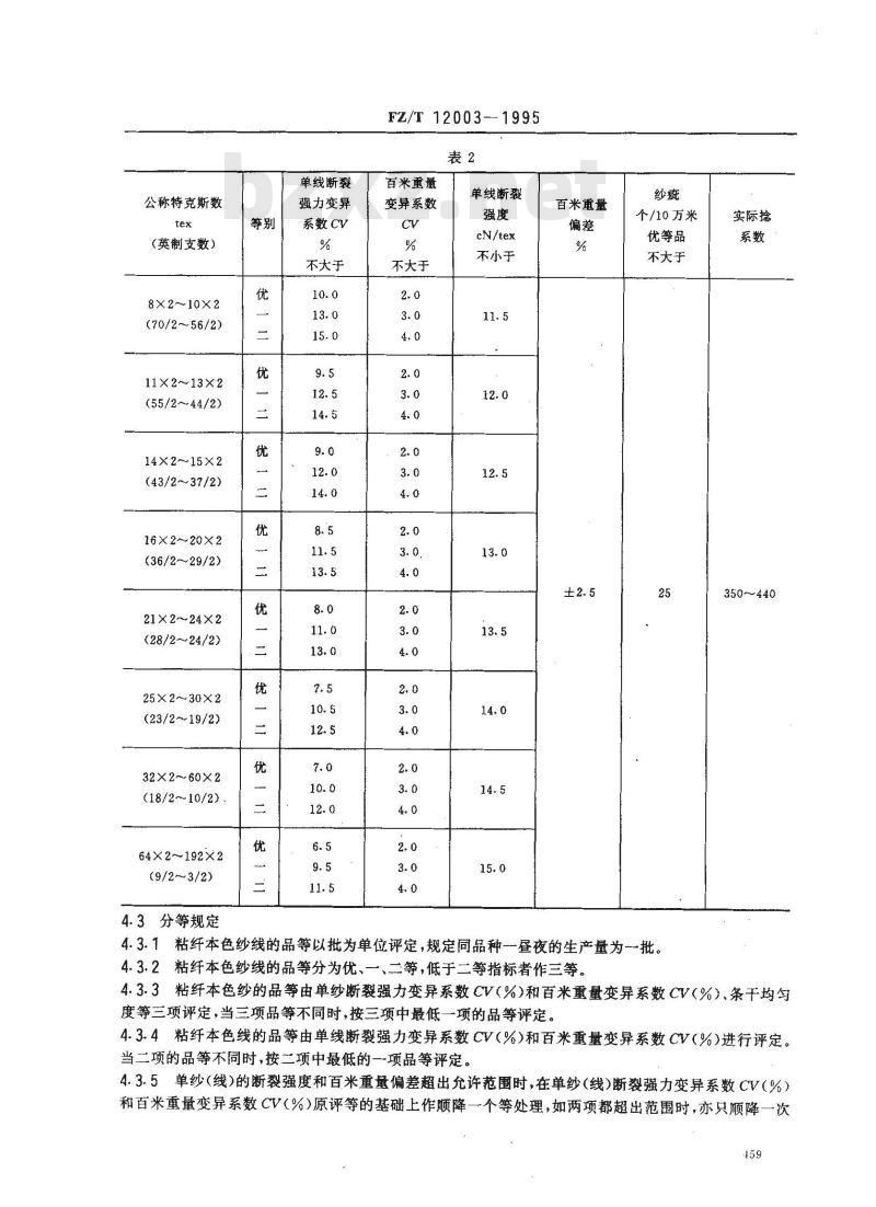
4.2粘纤本色股线技术要求规定见表2。458
不大于
单纱断裂
cN/tex
不小于
百米重量
个/10万米
优等品
不大于
捻系数
260~330
公称特克斯数
(英制支数)
8×2~10×2
(70/2~56/2)
11×2~13×2
(55/2~~44/2)
14×2~15×2
(43/2~37/2)
16×2~20×2
(36/2~29/2)
21×2~24×2
(28/2~24/2)
25×2~30×2
(23/2~19/2)
32×2~60×2
(18/2~~10/2)
64×2~192×2
(9/2~3/2)
4.3分等规定
单线断裂
强力变异
系数cv
不大于
FZ/T12003-1995
百米重量
变异系数
不大于
单线断裂
cN/tex
不小于
百米重量
个/10万米
优等品
不大于
4.3.1粘纤本色纱线的品等以批为单位评定,规定同品种一夜的生产量为一-批。4.3.2粘纤本色纱线的品等分为优、一、二等,低于二等指标者作三等。实际抢
350~440
4.3.3粘纤本色纱的品等由单纱断裂强力变异系数CV(%)和百米重量变异系数CV(%)、条干均匀度等三项评定,当三项品等不同时,按三项中最低一项的品等评定。4.3.4粘纤本色线的品等由单线断裂强力变异系数CV(%)和百米重量变异系数CV(%)进行评定。当二项的品等不同时,按二项中最低的一项品等评定。4.3.5单纱(线)的断裂强度和百米重量偏差超出允许范围时,在单纱(线)断裂强力变异系数CV(%)和百米重量变异系数CV(%)原评等的基础上作顺降一个等处理,如两项都超出范围时,亦只顺降一次459
降至二等为止。
FZ/T12003—1995
4.3.6优等纱线需另加纱疵一项作为分等指标。4.3.7检验条干均匀度可以由生产厂选用黑板外观质量或条干均匀度变异系数CV(%),两者中任何…种。但一经确定,不得任意变更。发生质量争议时,以条干均匀度变异系数CV(%)为准。4.3.8粘纤本色纱线的重量偏差月度累计,应按产量进行加权平均,全月生产在15批及以上的品种,应控制在土0.5%及以内。
5试验方法
5.1试验条件
5.1.1各项试验应在各方法标准规定的温湿度条件下进行。5.1.2工厂内部如达不到标准温湿度条件时,可在一一般条件下进行日常评等,但试验地点的温湿度必须保持稳定,试验时不得故意偏离标准条件。仲裁检验按5.1.1条。5.2试验周期
生产广可根据生产情况决定,一天或二天试验一次,以一次试验为准,作为该批纱的分等依据,但周期一经确定,不得任意变更。
5.3试样
各项指标的试验除了黑板外观质量与纱疵检验采用简子纱以外,其余均采用管纱,用户对产品质量有异议时,以最后成品质量检验为准。5.4单纱或单线断裂强度,单纱或单线断裂强力变异系数CV(%)试验方法,按照GB3916的规定执行,强力修正方法按ZBW04006.1规定执行。5.5百米重量变异系数及百米重量偏差试验方法,按照GB4743的规定执行,其中百米重量变异系数采用任选程序1,线密度采用任选程序3。5.6黑板外观质量试验方法,按GB9996规定执行。检验时,优等纱采用化纤类A级样照,一等纱采用化纤类B级样照。评等时,优等品中不允许有二级和三级板,一等品中不允许有三级板。5.7纱线捻度试验方法按GB2543规定执行。5.8纱线纱疵试验方法按GB4145规定执行。以A3、B:、C3、D2四项数据之和表示试验结果。5.9试验结果的表示
一批纱的各项试验结果是用该项试验的全部试验值的计算结果表示。各项试验结果的计算精确度,除规定者外,均按表3规定。
单纱线断裂强度
单纱线断裂强力变异系数CV
百米重量变异系数 CV
百米重量偏差
黑板外观质量
平均特克斯数
回潮率(修正强力用)
标准干重
捻系数
cN/tex
g/100m
个/10万米
要求小数点后面有效位数
6检验规则
按照FZ/T10007规定执行。
标志、包装
FZ/T 12003-1995
按ZBW08001规定执行,并在产品说明书上或包装物上注明标准号。附加说明:
本标准由中华人民共和国纺织工业部提出,由上海纺织标准计量研究所归口。本标准由上海纺织标准计量研究所负责起草。本标准主要起草人钟建强、周芳。本标准参照1989年鸟斯特公报制订,优等品相当于国际先进水平,等品接近国际般水平。自本标准实施之日起,原国家标准GB402--78《本色粘胶纤维纯纺纱线》作废。161
小提示:此标准内容仅展示完整标准里的部分截取内容,若需要完整标准请到上方自行免费下载完整标准文档。
粘纤本色纱线
1 主题内容与适用范围
FZ/T 12003—1995
本标准规定了粘纤本色纱线的产品品种规格、技术要求、试验方法、检验规则、标志、包装。本标准适用于鉴定环锭机制粘纤本色纱线的品质。2引用标准
纱线捻度的测定
GB2543
单根纱线的断裂强力和断裂伸长的测定GB 3916
纱线疵点的分级试验方法
GB4145
纱线的线密度(或支数)的测定方法绞纱法GB 4743
GB9996
棉及化纤纯纺、混纺纱线外观质量黑板检验法FZ/T 10007
棉及化纤纯纺、混纺本色纱线检验规则ZBW04006.1温度与回潮率对棉及化纤纯纺、混纺制品断裂强力的修正方法本色纱线及染色加工线断裂强力的修正方法
ZB W08 001
3产品品种规格
棉及化纤纯纺、混纺本色纱线包装和标志3.1粘纤本色纱线的线密度以1 000 m纱线在公定回潮率时的重量(g)表示,称为特克斯(tex)。3.2粘纤本色纱线的公定回潮率为13.0%。3.3粘纤本色纱线的标准重量
特克斯数(tex)
100m纱线在公定回潮率13.0%时的标准重量(g)10
100 m 纱线的标准干燥重量(g)一特克斯数(tex)11.30
3.4单纱和股线的设计特克斯数必须与其最后成品的公称特克斯数相等。4技术要求
4.1粘纤本色纱技术要求规定见表1。中国纺织总会1995-09-28批准
(2)
1996-07-01实施
公称特克斯数
(英制支数)
(70~56)
(55~44)
(43~37)
16~20
(3629)
(28~24)
(23~19)
32~60
(18~10)
64~192
(9~3)
单纱断裂
强力变异
系数CV
不大于
百米重量
变异系数
不大于
FZ/T12003—1995
条干均匀度
条干均勾度免费标准bzxz.net
黑板外观质量变异系数CV
优—·二三
7.13±0:0
0:017:3
7:31010
071310
0t0713
733t010
010173
73:010
0:713:0
0:0:713
7:3t0t0
0173+0
0:017:3
7t30:0
07:3-0
0:07-3
73#0:0
0173:0
001713
7131010
0*7310
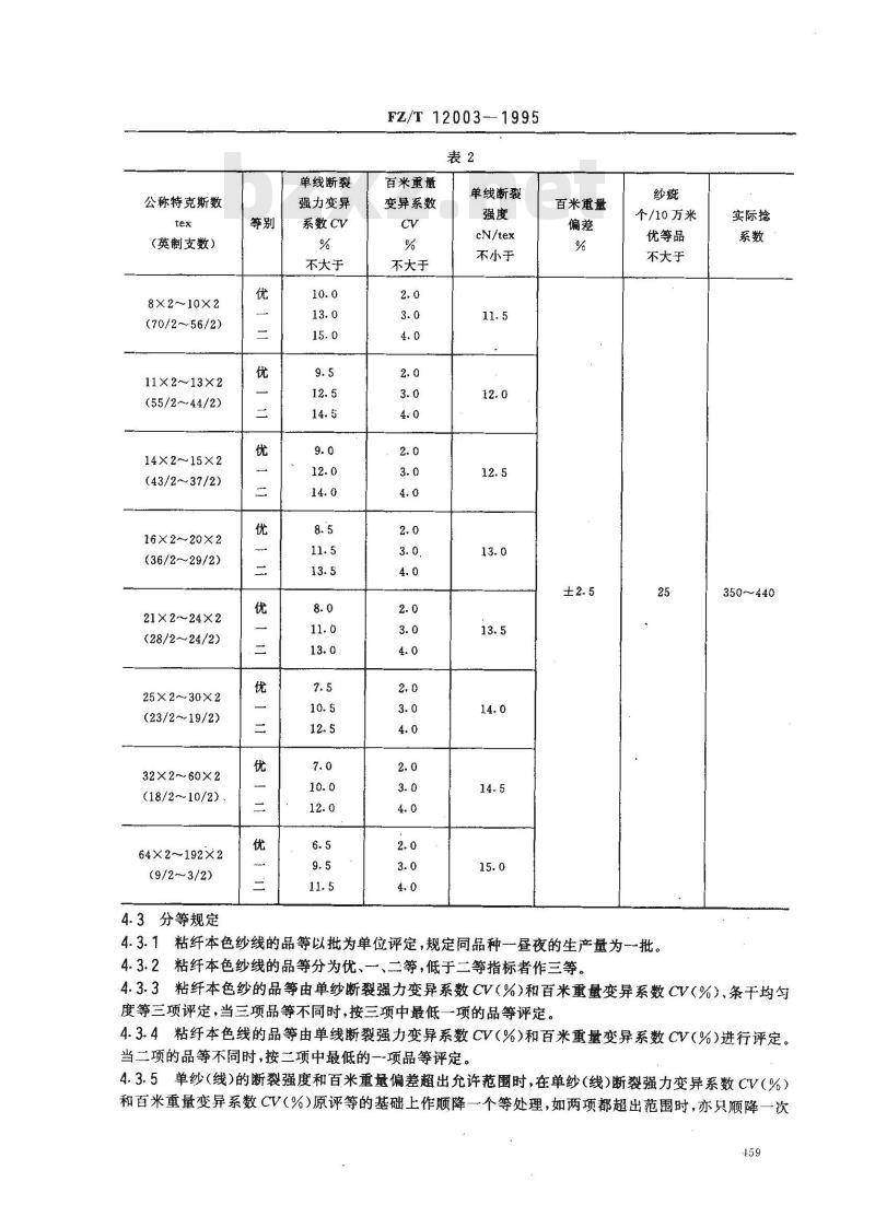
4.2粘纤本色股线技术要求规定见表2。458
不大于
单纱断裂
cN/tex
不小于
百米重量
个/10万米
优等品
不大于
捻系数
260~330
公称特克斯数
(英制支数)
8×2~10×2
(70/2~56/2)
11×2~13×2
(55/2~~44/2)
14×2~15×2
(43/2~37/2)
16×2~20×2
(36/2~29/2)
21×2~24×2
(28/2~24/2)
25×2~30×2
(23/2~19/2)
32×2~60×2
(18/2~~10/2)
64×2~192×2
(9/2~3/2)
4.3分等规定
单线断裂
强力变异
系数cv
不大于
FZ/T12003-1995
百米重量
变异系数
不大于
单线断裂
cN/tex
不小于
百米重量
个/10万米
优等品
不大于
4.3.1粘纤本色纱线的品等以批为单位评定,规定同品种一夜的生产量为一-批。4.3.2粘纤本色纱线的品等分为优、一、二等,低于二等指标者作三等。实际抢
350~440
4.3.3粘纤本色纱的品等由单纱断裂强力变异系数CV(%)和百米重量变异系数CV(%)、条干均匀度等三项评定,当三项品等不同时,按三项中最低一项的品等评定。4.3.4粘纤本色线的品等由单线断裂强力变异系数CV(%)和百米重量变异系数CV(%)进行评定。当二项的品等不同时,按二项中最低的一项品等评定。4.3.5单纱(线)的断裂强度和百米重量偏差超出允许范围时,在单纱(线)断裂强力变异系数CV(%)和百米重量变异系数CV(%)原评等的基础上作顺降一个等处理,如两项都超出范围时,亦只顺降一次459
降至二等为止。
FZ/T12003—1995
4.3.6优等纱线需另加纱疵一项作为分等指标。4.3.7检验条干均匀度可以由生产厂选用黑板外观质量或条干均匀度变异系数CV(%),两者中任何…种。但一经确定,不得任意变更。发生质量争议时,以条干均匀度变异系数CV(%)为准。4.3.8粘纤本色纱线的重量偏差月度累计,应按产量进行加权平均,全月生产在15批及以上的品种,应控制在土0.5%及以内。
5试验方法
5.1试验条件
5.1.1各项试验应在各方法标准规定的温湿度条件下进行。5.1.2工厂内部如达不到标准温湿度条件时,可在一一般条件下进行日常评等,但试验地点的温湿度必须保持稳定,试验时不得故意偏离标准条件。仲裁检验按5.1.1条。5.2试验周期
生产广可根据生产情况决定,一天或二天试验一次,以一次试验为准,作为该批纱的分等依据,但周期一经确定,不得任意变更。
5.3试样
各项指标的试验除了黑板外观质量与纱疵检验采用简子纱以外,其余均采用管纱,用户对产品质量有异议时,以最后成品质量检验为准。5.4单纱或单线断裂强度,单纱或单线断裂强力变异系数CV(%)试验方法,按照GB3916的规定执行,强力修正方法按ZBW04006.1规定执行。5.5百米重量变异系数及百米重量偏差试验方法,按照GB4743的规定执行,其中百米重量变异系数采用任选程序1,线密度采用任选程序3。5.6黑板外观质量试验方法,按GB9996规定执行。检验时,优等纱采用化纤类A级样照,一等纱采用化纤类B级样照。评等时,优等品中不允许有二级和三级板,一等品中不允许有三级板。5.7纱线捻度试验方法按GB2543规定执行。5.8纱线纱疵试验方法按GB4145规定执行。以A3、B:、C3、D2四项数据之和表示试验结果。5.9试验结果的表示
一批纱的各项试验结果是用该项试验的全部试验值的计算结果表示。各项试验结果的计算精确度,除规定者外,均按表3规定。
单纱线断裂强度
单纱线断裂强力变异系数CV
百米重量变异系数 CV
百米重量偏差
黑板外观质量
平均特克斯数
回潮率(修正强力用)
标准干重
捻系数
cN/tex
g/100m
个/10万米
要求小数点后面有效位数
6检验规则
按照FZ/T10007规定执行。
标志、包装
FZ/T 12003-1995
按ZBW08001规定执行,并在产品说明书上或包装物上注明标准号。附加说明:
本标准由中华人民共和国纺织工业部提出,由上海纺织标准计量研究所归口。本标准由上海纺织标准计量研究所负责起草。本标准主要起草人钟建强、周芳。本标准参照1989年鸟斯特公报制订,优等品相当于国际先进水平,等品接近国际般水平。自本标准实施之日起,原国家标准GB402--78《本色粘胶纤维纯纺纱线》作废。161
小提示:此标准内容仅展示完整标准里的部分截取内容,若需要完整标准请到上方自行免费下载完整标准文档。

标准图片预览:





- 其它标准
- 热门标准
- 纺织行业标准(FZ)
- FZ/T94007.2-2013 综第2部分:织机综框用钢丝综
- FZ/T01057.1-2007 纺织纤维鉴别试验方法 第1部分:通用说明
- FZ/T61002-2019 化纤仿毛毛毯
- FZ/T34002-1992 亚麻印染布
- FZ/T01041-2014 绒毛织物 绒毛长度和绒毛高度的测定
- FZ/T63052—2020 涤纶短纤织带
- FZ/T50002-2013 化学纤维异形度试验方法
- FZ/T63035-2016 聚酰胺复丝双层编织结构绳索
- FZ/T43018-2017 蚕丝绒毯
- FZ/T13051—2021 棉羊毛混纺涤纶弹力丝包芯纱本色布
- FZ/T52038-2014 充填用再生涤纶超短纤维
- FZ∕T14041-2018 灯芯绒涤棉混纺印染布
- FZ/T60014-2017 絮片耐洗涤性能试验方法
- FZ66307-1995 特种工业用薄型棉带
- FZ/T72002-2019 毛条喂入式针织人造毛皮
- 行业新闻
请牢记:“bzxz.net”即是“标准下载”四个汉字汉语拼音首字母与国际顶级域名“.net”的组合。 ©2009 标准下载网 www.bzxz.net 本站邮件:bzxznet@163.com
网站备案号:湘ICP备2023016450号-1
网站备案号:湘ICP备2023016450号-1