- 您的位置:
- 标准下载网 >>
- 标准分类 >>
- 国家标准(GB) >>
- GB/T 14311-1993 棉印染灯芯绒
标准号:
GB/T 14311-1993
标准名称:
棉印染灯芯绒
标准类别:
国家标准(GB)
标准状态:
已作废-
发布日期:
1993-04-28 -
实施日期:
1993-10-01 -
作废日期:
2009-03-01 出版语种:
简体中文下载格式:
.rar.pdf下载大小:
292.75 KB

点击下载
标准简介:
标准下载解压密码:www.bzxz.net
本标准规定了棉印染灯芯绒的产品分类、技术要求、试验方法、检验规则及包装和标志。本标准适用于鉴定各类棉漂白、染色和印花灯芯绒,也适用于鉴定提花灯芯绒及割纬平绒的品质。本标准不适用于特殊整理及以低级棉加工的灯芯绒产品。 GB/T 14311-1993 棉印染灯芯绒 GB/T14311-1993

部分标准内容:
中华人民共和国国家标准
棉印染
Dyed or printed cotton corduroy1主题内容与适用范围
GB/T 14311-93
代替 GBn 81~83—80
本标准规定了棉印染灯芯绒的产品分类、技术要求、试验方法、检验规则及包装和标志。本标准适用于鉴定各类棉漂白、染色和印花灯芯绒,也适用于鉴定提花灯芯绒及割纬平绒的品质。本标准不适用于特殊整理及以低级棉加工的灯芯绒产品。2引用标准
评定变色用灰色样卡
评定沾色用灰色样卡
印染棉布验收规则
GB3920
GB3921
GB3923
GB4666
GB4667
GB4668
GB6152
GB8427
GB8628
GB8629
GB8630
纺织品耐摩擦色牢度试验方法
纺织品耐洗色牢度试验方法
机织物断裂强力和断裂伸长的测定(条样法)机织物长度的测定
机织物幅宽的测定
机织物密度的测定
纺织品耐热压(熨烫)色牢度试验方法纺织品耐光色牢度试验方法颌弧测定织物尺寸变化时试样的准备、标记和测量纺织品试验时采用的家庭洗涤及干燥程序纺织品在洗涤和干燥时尺寸变化的测定ZB W08 003
棉及化纤纯纺、混纺印染布包装和标志3术语
3.1线状:沿布面延伸的长形点,宽度不超过0.2cm的为线状。3.2条状:沿布面延伸的长形或块状疵点,宽度超过0.2cm的为条状。3.3破洞:经纬共断(或单断)三根及以上的破损。3.4单丝:割绒过程中造成的单根绒纬未经割断的轻微疵点。3.5漏割:割绒过程中,由于导针跳出等原因造成部分绒纬未割断的疵点。3.6补刀条:染整前后的绒纬漏割,经补割后形成的经向条状疵点。3.7绒经缝补:织造过程中压绒经纱断缺,经缝补加压绒经,再经割绒及染整加工后形成的经向线状或条状疵点。
3.8同类布样:指与生产实样属相同纤维原料及相同组织的来样。国家技术监督局1993-04-28批准1993-10-01实施
GB/T 14311- 93
3.9参考样:指与生产实样不同纤维原料及不同织物组织的来样。4产品分类、品种规格
按棉本色灯芯绒的粗条、中条、细条、特细条的产品,结合印染的漂白、染色和印花进行产品分类。品种规格按棉本色灯芯绒各类产品的品种规格标准,结合印染工艺设计分别制订。5技术要求
技术要求分为内在质量和外观质量两个方面。内在质量包括纬密、断裂强力、水洗尺寸变化和染色牢度;外观质量分局部性疵点和散布性疵点两类。5.1内在质量
5.1.1纬密、断裂强力
根据棉本色灯芯绒布品种规格标准结合印染工艺设计计算所得指标考核。5.1.2水洗尺寸变化
各类织物组织的棉漂白、染色和印花灯芯绒水洗尺寸变化指标规定见表1。表1
水洗尺寸变化,%
织物品种规格
14×2/28
232×846(42/2×21*59×215)粗条14×2/28
303×669(42/2×21*77×170)中条14X2/28
228×669(42/2×2158×170)中条48×36
252×504(12*X16
64×128)中条
36×29
173×528(16*×20*
J10×2/14.5
44×134)细条
291×1146(60°/2×40°74×291)割纬平绒J10×2×14.5
236×.748(60*/2×40°60×190)特细条经向
不小于
注:(①不按本标准附录A(补充件)规定的“幅宽加工系数”生产的棉印染灯芯绒水洗尺寸变化另订指标。②其他组织规格灯芯绒和平绒由企业另订指标。③水洗尺寸变化最高限度为1.5%。①条纹分类规定如下:
粗条9条以下/2.5cm;
中条9~14条/2.5cm;
细条14条以上~19条/2.5cm;
特细条19条以上/2.5cm,
5.1.3染色牢度
不分所用染料仅按加工工艺不同,其染色牢度指标规定见表2。116
GB/T14311-93
耐洗色牢度
耐光色牢度
原样变色
注:①耐光色牢度系保证指标。②耐湿烫色牢度只考核活性染料、3--4
白布沾色
③染色牢度按规定指标其中二项允许低半级,但不允许低一个一级。①特殊染料的色牢度由供需双方另订协议。5.2外观质量
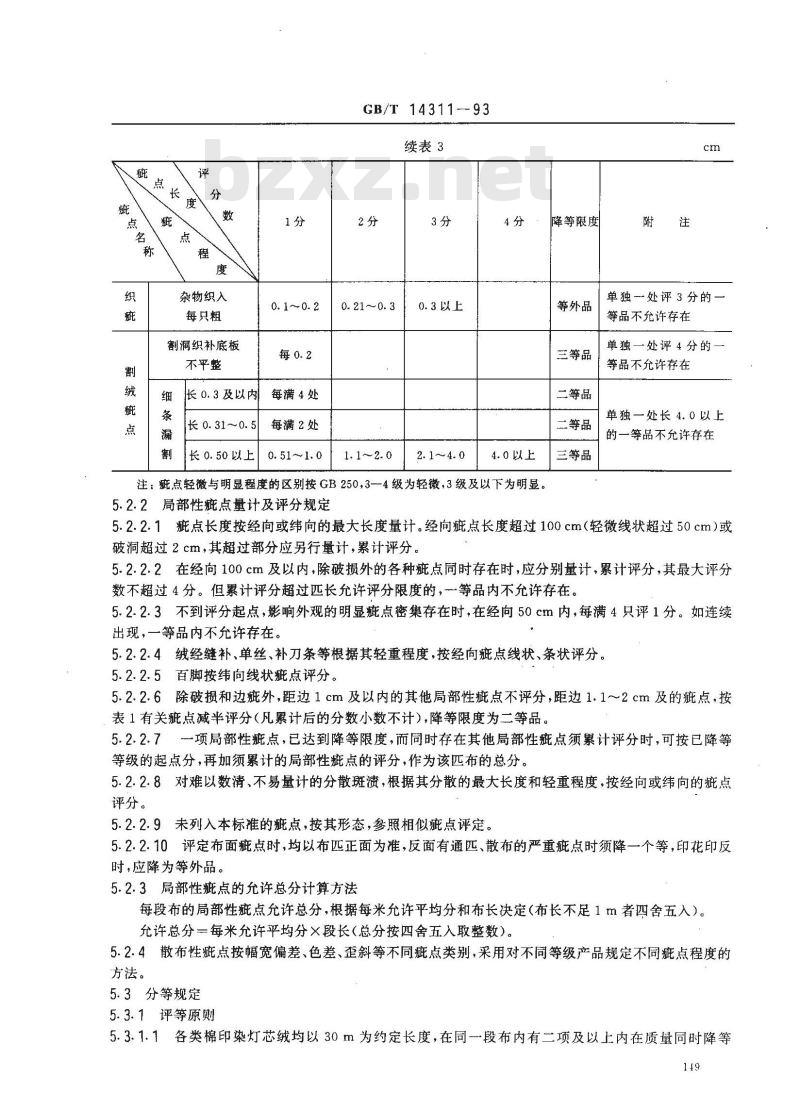
5.2.1局部性疵点评分规定见表3。表3
1.0~~50.0
0. 5~8. 0
0.5及以内
8. 1~16. 0
耐摩擦色牢度
降等限度
二等品
16.1~24.024.1~100.0
三等品
16.1~24.024.1~100.0|三等品
2. 1~~10. 0
10.1~100.0等外品
耐熨烫色牢度
湿烫白布沾色
1.内销产品单独一处
疵点长10.0以上一等
品不允许存在。
2.外销产品单独一
处症点长20.0以上
等品不允许存在
1..单独一处评为 3
分、4分的一等品不允
许存在。
2.3分栏内疵点长在
4.0及以内的定长产品
一等品不受此限
底板擦伤
断经断纬
深入1以
荷叶边
深入0.81~
深浅边
深入 1. 6~2
1.0~半辐
0.5及以内
经纬共断(或
单断)2根
经向每10.0
及以内
及以内
GB/T 14311—93
续表3
超过半幅
8.1~~16.0
16.1~半幅
超过半幅
16.1~~24.0
2. 1~10. 0
24.1~全幅
10.1~全幅
降等限度
二等品
三等品
三等品
等外品
单独一处评4分的一
等品不允许存在
1.单独一处评3分、4
分的一等品不允许存
2.3分栏内点长4.0
及以内的,定长产品
等品不受此限
等外品
半米内均作一处
三等品
1.一等品内不允许有
距边1.0以上的破损
存在。
经纬共断(或
单断)3根~2
2.一等品内允许有距
等外品
边1.0及以内经向长
5.0的破损二处存在
3.脱绒露底按破洞评
分,距边2.0以内破洞
三等品
按破边评分,距边2.0
以上的破边(包括豁
边)按破洞评分
·等品内不允许有长
二等品
15.0以上的荷叶边存
二等品
三等品
1.0.8及以内不评分。
2.深浅边包括白边
杂物织入
每只粗
割洞织补底板
不平整
长0.3及以内
长0.31~0.5
长0.50以上
每满4处
每满2处
0. 51~1. 0
GB/T14311-93
续表3
0. 21~0. 3
1.1~~2. 0
0.3以上
4.0以上
注:疵点轻微与明显程度的区别按GB250,3—-4级为轻微3级及以下为明显。5.2.2局部性症点量计及评分规定降等限度
等外品
三等品
二等品
三等品
单独一处评3分的-
等品不允许存在
单独一处评 4 分的-
等品不允许存在
单独一处长4.0以上
的一等品不允许存在
5.2.2.1疵点长度按经向或纬向的最大长度量计。经向疵点长度超过100cm(轻微线状超过50cm)或破洞超过2cm,其超过部分应另行量计,累计评分。5.2.2.2在经向100cm及以内,除破损外的各种疵点同时存在时,应分别量计,累计评分,其最大评分数不超过4分。但累计评分超过匹长允许评分限度的,一等品内不允许存在。5.2.2.3不到评分起点,影响外观的明显疵点密集存在时,在经向50cm内,每满4只评1分。如连续出现,一等品内不允许存在。
5.2.2.4绒经缝补、单丝、补刀条等根据其轻重程度,按经向疵点线状、条状评分。5.2.2.5百脚按纬向线状疵点评分。5.2.2.6除破损和边疵外,距边1cm及以内的其他局部性疵点不评分,距边1.1~~2cm及的症疵点,按表1有关疵点减半评分(凡累计后的分数小数不计),降等限度为二等品。5.2.2.7项局部性点,已达到降等限度,而同时存在其他局部性疵点须累计评分时,可按已降等等级的起点分,再加须累计的局部性疵点的评分,作为该匹布的总分。5.2.2.8对难以数清、不易量计的分散斑溃,根据其分散的最大长度和轻重程度,按经向或纬向的疵点评分。
5.2.2.9未列入本标准的疵点,按其形态,参照相似疵点评定。5.2.2.10评定布面疵点时,均以布匹正面为准,反面有通匹、散布的严重疵点时须降一个等,印花印反时,应降为等外品。
5.2.3局部性点的允许总分计算方法每段布的局部性疵点允许总分,根据每米允许平均分和布长决定(布长不足1m者四舍五入)。允许总分一每米允许平均分×段长(总分按四舍五入取整数)。5.2.4散布性疵点按幅宽偏差、色差、歪斜等不同疵点类别,采用对不同等级产品规定不同疵点程度的方法。
5.3分等规定
5.3.1评等原则
5.3.1.1各类棉印染灯芯绒均以30m为约定长度,在同段布内有二项及以上内在质量同时降等149
GB/T 14311—93
时,以最低---项评等;有二项及以上散布性疵点同时存在时,按严重一项评等。5.3.1.2局部性疵点,采用以每米允许平均分的办法评定等级;散布性疵点,采用以疵点不同程度逐级降等的办法。在同布段内,同时存在局部性和散布性疵点时,先计算局部性疵点的每米平均分数评定等级,再与散布性疵点的等级结合定等,作为该段布外观质量的等级。5.3.1.3内在质量按批评等;外观质量按匹评等。棉印染灯芯绒的等级由内在质量的等级和外观质量的等级结合评定,分为优等品、一等品、二等品、三等品四个等级。低于三等品的为等外品。评定办法见表4。
内在质量等级
成品评定等级
优等品
外观质量等级
优等品
二等品
三等品
优等品
一等品
二等品
三等品
一等品
一等品
一等品
二等品
三等品
二等品
二等品
二等品
三等品
等外品
注:①连续破损或断裂强力不足降为等外品者,按实际使用价值由工贸协商处理。②等外品中外观瘫点严重而失去使用价值者,作为零疵布处理。5.3.1.4在达到一等品的各项质量指标基础上,又全部具备以下条件者为优等品。a.
三等品
三等品
三等品
等外品
等外品
实物质量能达到:条文清晰圆润,绒毛丰满光洁,手感柔软润滑。实物质量水平参照标样;各项染色牢度全部符合标准指标;左中右色差比规定指标高半级;经纬向水洗尺寸变化比规定指标提高0.5%。内在质量评等规定见表5。
纬密,根/10 cm
断裂强力,N
水洗尺寸变化、%
染色牢度,级
按设计规定
按设计规定
按指标规定
按指标规定
5.3.3局部性疵点评等规定见表6。150
一等品
—2.5%及以内
-10%及以内
符合标准
符合标准
评等规定
二等品
2.5%以上
10. 1%~—20%
超过标准
低于标准允许偏差
三等品
20. 1% ~~30%
局部性
每米允许
平均分
GB/T 14311-93
幅宽在100cm以内
幅宽在100~135cm
幅宽在135cm以上
散布性疵点评等规定见表7。
疵点程度
疵点名称
斓宽公差
左中右
100及以下
100及以上
同类布样
参考样
同类布样
参考样
印花类
前后色差
棉结杂质、深浅细点
花斜或纬斜
条格花斜或纬斜
花纹不符、染色不勺
剃毛档
压皱印
5.3.5散布性疵点评等规定说明
不显著bzxZ.net
不显著
5.5及以下
4.5及以下
不影响外观
不显著
不显著
一等品
+2. 1~4. 0
-1. 1~ - 3. 0
+2. 6~4. 5
1. 6~ 3. 5
影响外观
二等品
+4.0以上
-3.0以下
+4.5以上
-3.5以下
9.0以上
8.0以上
显著影响外观
三等品
严重影响外观
GB/T 14311—93
5.3.5.1条花系指经向伸延或断续的散布全匹色泽有深浅的条状(包括割绒条花)。割绒条花经向轻微、纬向二面看得出者为显著;经向明显、纬向二面看出者为严重;细条经向明显、纬向二面看得出者为显著;经向严重、纬向二面看得出者为严重。5.3.5.2印花品种的绒面疵点,应根据对印花总效果的影响程度评定。5.3.5.3花斜系指--般花型,条格花斜系指花型有条有格并经纬相互交叉的条格花型。6试验检验方法
6.1长度按GB4666执行。
6.2幅宽按GB4667执行。
6.3纬密按GB4668执行。
6.4断裂强力按GB3923执行。
6.5水洗尺寸变化按GB8628,GB8629表1中4A洗涤方法、第6.6条F干燥方法,GB8630执行。6.6耐光色牢度按GB8427方法3执行。6.7耐洗色牢度按GB3921中6.3.1试液1、方法1执行。工厂常规试验可采用一块棉贴衬;仲裁检验时应采用二块贴衬。耐洗色牢度试验后原样变色评级时,原样和试样必须绒毛倒顺一致。用二块贴衬做白布沾色试验时,以沾色深的一块作评级依据。6.8耐摩擦色牢度按GB3920执行,试样经向应与摩擦柱前后往返直线成22.5°角,只试经向。评级前应刷去试样布面有色纤维然后评级。6.9耐熨烫色牢度按GB6152中6.1条180℃执行。6.10外观质量检验规定
6.10.1采用灯光检验时,以40W加罩青日光灯管3~4支,照度不低于7501x,光源与布面距离为1~1.2m。
6.10.2验布机验布板的角度为45°,布行速度为30~~~40m/min。布匹的定等检验,按验布机上作出疵点标记,评分定等。
6.10.3对布匹的检验、复验、验收应将布平摊桌面上逐幅检验,检验人员的视线应正视布面。眼与布面的距离应为55~60cm。
6.10.4规定检验布的正面(梢印盖在反面)。检验规则
按GB432执行外,其中第6条贮存期限为一年半的产品中,增加硫化咖啡一项。8包装与标志
按ZBW08003中有关规定执行。
9其他
特殊品种及用户对产品有特殊要求的,由供需双方另订协议。152
GB/T 14311-93
附录A
棉印染灯芯绒加工系数
(补充件)
A1棉印染灯芯绒幅宽、密度、断裂强力的计算A1.1幅宽
棉印染灯芯绒标准幅宽棉本色灯芯绒布标准幅宽×幅宽加工系数··.(A1)幅宽加工系数按表A1规定。
加工品种
各类棉灯芯绒
A1.2经、纬纱密度
幅宽加工系数
0.895~~0.920
幅宽加工系数=
棉印染灯芯绒标准幅宽
棉本色灯芯绒布标准幅宽
经密加工系数
1.117~~1.087
(A2)
A1.2.1棉印染灯芯绒标准经纱密度一棉本色灯芯绒布标准经纱密度×经纱密度加工系数*.(A3)
经纱密度加工系数
经纱密度加工系数按表A1规定。1
幅宽加工系数
A1.2.2印染棉灯芯绒标准纬纱密度=本色棉灯芯绒布标准纬纱密度×割绒加工系数X纬纱密度加工系数
割绒加工系数=
个完全组织的底纬根数
个完全组织的总纬根数
纬纱密度加工系数
纬纱密度加工系数按表A2规定。表A2
织物种类
纱经灯芯绒
线经灯芯绒
A1.3经、纬向断裂强力
100+伸长率
纬纱密度加工系数
(A5)
(A6)
.(A7)
GB/T 14311—93
棉印染灯芯绒标准经向断裂强力=棉本色灯芯绒布标准经向断裂强力×经向断裂强力加工系数×经纱密度加工系数棉印染灯芯绒标准纬向断裂强力棉本色灯芯绒布标准纬向断裂强力X割绒加工系数
×纬向断裂强力加工系数
×纬纱密度加工系数
断裂强力加工系数按表A3规定。表A3
产品种类
一般染色
酥青染色
一般印花
精元印花
断裂强力加工系数
.(A8)
注:①底板拉绒产品,不按以上断裂强力加工系数考核,但经向强力不得低于294N,纬向强力不得低于245N。②各项物理指标均以整数表示,计算时精确至一位小数,按四舍五入法,保留整数。③特殊需要,不按本标准规定“幅宽加工系数”生产的棉印染灯芯绒本办法不适用。附加说明:
本标准由纺织工业部科技发展司提出。本标准由上海纺织标准计量研究所归口。本标准由常州纺织产品质量监督检验测试所、上海市纺织工业局、浙江省纺织工业公司负责起草。本标准是参考日本纺绩检查协会《棉灯芯绒及棉平绒出口标准》(整理后)、日本《妇女、儿童棉织服装》美国范友生公司的《梭织物疵点分等标准》制订的。优等品相当于国际先进水平,一等品相当于国际一般水平。
小提示:此标准内容仅展示完整标准里的部分截取内容,若需要完整标准请到上方自行免费下载完整标准文档。
棉印染
Dyed or printed cotton corduroy1主题内容与适用范围
GB/T 14311-93
代替 GBn 81~83—80
本标准规定了棉印染灯芯绒的产品分类、技术要求、试验方法、检验规则及包装和标志。本标准适用于鉴定各类棉漂白、染色和印花灯芯绒,也适用于鉴定提花灯芯绒及割纬平绒的品质。本标准不适用于特殊整理及以低级棉加工的灯芯绒产品。2引用标准
评定变色用灰色样卡
评定沾色用灰色样卡
印染棉布验收规则
GB3920
GB3921
GB3923
GB4666
GB4667
GB4668
GB6152
GB8427
GB8628
GB8629
GB8630
纺织品耐摩擦色牢度试验方法
纺织品耐洗色牢度试验方法
机织物断裂强力和断裂伸长的测定(条样法)机织物长度的测定
机织物幅宽的测定
机织物密度的测定
纺织品耐热压(熨烫)色牢度试验方法纺织品耐光色牢度试验方法颌弧测定织物尺寸变化时试样的准备、标记和测量纺织品试验时采用的家庭洗涤及干燥程序纺织品在洗涤和干燥时尺寸变化的测定ZB W08 003
棉及化纤纯纺、混纺印染布包装和标志3术语
3.1线状:沿布面延伸的长形点,宽度不超过0.2cm的为线状。3.2条状:沿布面延伸的长形或块状疵点,宽度超过0.2cm的为条状。3.3破洞:经纬共断(或单断)三根及以上的破损。3.4单丝:割绒过程中造成的单根绒纬未经割断的轻微疵点。3.5漏割:割绒过程中,由于导针跳出等原因造成部分绒纬未割断的疵点。3.6补刀条:染整前后的绒纬漏割,经补割后形成的经向条状疵点。3.7绒经缝补:织造过程中压绒经纱断缺,经缝补加压绒经,再经割绒及染整加工后形成的经向线状或条状疵点。
3.8同类布样:指与生产实样属相同纤维原料及相同组织的来样。国家技术监督局1993-04-28批准1993-10-01实施
GB/T 14311- 93
3.9参考样:指与生产实样不同纤维原料及不同织物组织的来样。4产品分类、品种规格
按棉本色灯芯绒的粗条、中条、细条、特细条的产品,结合印染的漂白、染色和印花进行产品分类。品种规格按棉本色灯芯绒各类产品的品种规格标准,结合印染工艺设计分别制订。5技术要求
技术要求分为内在质量和外观质量两个方面。内在质量包括纬密、断裂强力、水洗尺寸变化和染色牢度;外观质量分局部性疵点和散布性疵点两类。5.1内在质量
5.1.1纬密、断裂强力
根据棉本色灯芯绒布品种规格标准结合印染工艺设计计算所得指标考核。5.1.2水洗尺寸变化
各类织物组织的棉漂白、染色和印花灯芯绒水洗尺寸变化指标规定见表1。表1
水洗尺寸变化,%
织物品种规格
14×2/28
232×846(42/2×21*59×215)粗条14×2/28
303×669(42/2×21*77×170)中条14X2/28
228×669(42/2×2158×170)中条48×36
252×504(12*X16
64×128)中条
36×29
173×528(16*×20*
J10×2/14.5
44×134)细条
291×1146(60°/2×40°74×291)割纬平绒J10×2×14.5
236×.748(60*/2×40°60×190)特细条经向
不小于
注:(①不按本标准附录A(补充件)规定的“幅宽加工系数”生产的棉印染灯芯绒水洗尺寸变化另订指标。②其他组织规格灯芯绒和平绒由企业另订指标。③水洗尺寸变化最高限度为1.5%。①条纹分类规定如下:
粗条9条以下/2.5cm;
中条9~14条/2.5cm;
细条14条以上~19条/2.5cm;
特细条19条以上/2.5cm,
5.1.3染色牢度
不分所用染料仅按加工工艺不同,其染色牢度指标规定见表2。116
GB/T14311-93
耐洗色牢度
耐光色牢度
原样变色
注:①耐光色牢度系保证指标。②耐湿烫色牢度只考核活性染料、3--4
白布沾色
③染色牢度按规定指标其中二项允许低半级,但不允许低一个一级。①特殊染料的色牢度由供需双方另订协议。5.2外观质量
5.2.1局部性疵点评分规定见表3。表3
1.0~~50.0
0. 5~8. 0
0.5及以内
8. 1~16. 0
耐摩擦色牢度
降等限度
二等品
16.1~24.024.1~100.0
三等品
16.1~24.024.1~100.0|三等品
2. 1~~10. 0
10.1~100.0等外品
耐熨烫色牢度
湿烫白布沾色
1.内销产品单独一处
疵点长10.0以上一等
品不允许存在。
2.外销产品单独一
处症点长20.0以上
等品不允许存在
1..单独一处评为 3
分、4分的一等品不允
许存在。
2.3分栏内疵点长在
4.0及以内的定长产品
一等品不受此限
底板擦伤
断经断纬
深入1以
荷叶边
深入0.81~
深浅边
深入 1. 6~2
1.0~半辐
0.5及以内
经纬共断(或
单断)2根
经向每10.0
及以内
及以内
GB/T 14311—93
续表3
超过半幅
8.1~~16.0
16.1~半幅
超过半幅
16.1~~24.0
2. 1~10. 0
24.1~全幅
10.1~全幅
降等限度
二等品
三等品
三等品
等外品
单独一处评4分的一
等品不允许存在
1.单独一处评3分、4
分的一等品不允许存
2.3分栏内点长4.0
及以内的,定长产品
等品不受此限
等外品
半米内均作一处
三等品
1.一等品内不允许有
距边1.0以上的破损
存在。
经纬共断(或
单断)3根~2
2.一等品内允许有距
等外品
边1.0及以内经向长
5.0的破损二处存在
3.脱绒露底按破洞评
分,距边2.0以内破洞
三等品
按破边评分,距边2.0
以上的破边(包括豁
边)按破洞评分
·等品内不允许有长
二等品
15.0以上的荷叶边存
二等品
三等品
1.0.8及以内不评分。
2.深浅边包括白边
杂物织入
每只粗
割洞织补底板
不平整
长0.3及以内
长0.31~0.5
长0.50以上
每满4处
每满2处
0. 51~1. 0
GB/T14311-93
续表3
0. 21~0. 3
1.1~~2. 0
0.3以上
4.0以上
注:疵点轻微与明显程度的区别按GB250,3—-4级为轻微3级及以下为明显。5.2.2局部性症点量计及评分规定降等限度
等外品
三等品
二等品
三等品
单独一处评3分的-
等品不允许存在
单独一处评 4 分的-
等品不允许存在
单独一处长4.0以上
的一等品不允许存在
5.2.2.1疵点长度按经向或纬向的最大长度量计。经向疵点长度超过100cm(轻微线状超过50cm)或破洞超过2cm,其超过部分应另行量计,累计评分。5.2.2.2在经向100cm及以内,除破损外的各种疵点同时存在时,应分别量计,累计评分,其最大评分数不超过4分。但累计评分超过匹长允许评分限度的,一等品内不允许存在。5.2.2.3不到评分起点,影响外观的明显疵点密集存在时,在经向50cm内,每满4只评1分。如连续出现,一等品内不允许存在。
5.2.2.4绒经缝补、单丝、补刀条等根据其轻重程度,按经向疵点线状、条状评分。5.2.2.5百脚按纬向线状疵点评分。5.2.2.6除破损和边疵外,距边1cm及以内的其他局部性疵点不评分,距边1.1~~2cm及的症疵点,按表1有关疵点减半评分(凡累计后的分数小数不计),降等限度为二等品。5.2.2.7项局部性点,已达到降等限度,而同时存在其他局部性疵点须累计评分时,可按已降等等级的起点分,再加须累计的局部性疵点的评分,作为该匹布的总分。5.2.2.8对难以数清、不易量计的分散斑溃,根据其分散的最大长度和轻重程度,按经向或纬向的疵点评分。
5.2.2.9未列入本标准的疵点,按其形态,参照相似疵点评定。5.2.2.10评定布面疵点时,均以布匹正面为准,反面有通匹、散布的严重疵点时须降一个等,印花印反时,应降为等外品。
5.2.3局部性点的允许总分计算方法每段布的局部性疵点允许总分,根据每米允许平均分和布长决定(布长不足1m者四舍五入)。允许总分一每米允许平均分×段长(总分按四舍五入取整数)。5.2.4散布性疵点按幅宽偏差、色差、歪斜等不同疵点类别,采用对不同等级产品规定不同疵点程度的方法。
5.3分等规定
5.3.1评等原则
5.3.1.1各类棉印染灯芯绒均以30m为约定长度,在同段布内有二项及以上内在质量同时降等149
GB/T 14311—93
时,以最低---项评等;有二项及以上散布性疵点同时存在时,按严重一项评等。5.3.1.2局部性疵点,采用以每米允许平均分的办法评定等级;散布性疵点,采用以疵点不同程度逐级降等的办法。在同布段内,同时存在局部性和散布性疵点时,先计算局部性疵点的每米平均分数评定等级,再与散布性疵点的等级结合定等,作为该段布外观质量的等级。5.3.1.3内在质量按批评等;外观质量按匹评等。棉印染灯芯绒的等级由内在质量的等级和外观质量的等级结合评定,分为优等品、一等品、二等品、三等品四个等级。低于三等品的为等外品。评定办法见表4。
内在质量等级
成品评定等级
优等品
外观质量等级
优等品
二等品
三等品
优等品
一等品
二等品
三等品
一等品
一等品
一等品
二等品
三等品
二等品
二等品
二等品
三等品
等外品
注:①连续破损或断裂强力不足降为等外品者,按实际使用价值由工贸协商处理。②等外品中外观瘫点严重而失去使用价值者,作为零疵布处理。5.3.1.4在达到一等品的各项质量指标基础上,又全部具备以下条件者为优等品。a.
三等品
三等品
三等品
等外品
等外品
实物质量能达到:条文清晰圆润,绒毛丰满光洁,手感柔软润滑。实物质量水平参照标样;各项染色牢度全部符合标准指标;左中右色差比规定指标高半级;经纬向水洗尺寸变化比规定指标提高0.5%。内在质量评等规定见表5。
纬密,根/10 cm
断裂强力,N
水洗尺寸变化、%
染色牢度,级
按设计规定
按设计规定
按指标规定
按指标规定
5.3.3局部性疵点评等规定见表6。150
一等品
—2.5%及以内
-10%及以内
符合标准
符合标准
评等规定
二等品
2.5%以上
10. 1%~—20%
超过标准
低于标准允许偏差
三等品
20. 1% ~~30%
局部性
每米允许
平均分
GB/T 14311-93
幅宽在100cm以内
幅宽在100~135cm
幅宽在135cm以上
散布性疵点评等规定见表7。
疵点程度
疵点名称
斓宽公差
左中右
100及以下
100及以上
同类布样
参考样
同类布样
参考样
印花类
前后色差
棉结杂质、深浅细点
花斜或纬斜
条格花斜或纬斜
花纹不符、染色不勺
剃毛档
压皱印
5.3.5散布性疵点评等规定说明
不显著bzxZ.net
不显著
5.5及以下
4.5及以下
不影响外观
不显著
不显著
一等品
+2. 1~4. 0
-1. 1~ - 3. 0
+2. 6~4. 5
1. 6~ 3. 5
影响外观
二等品
+4.0以上
-3.0以下
+4.5以上
-3.5以下
9.0以上
8.0以上
显著影响外观
三等品
严重影响外观
GB/T 14311—93
5.3.5.1条花系指经向伸延或断续的散布全匹色泽有深浅的条状(包括割绒条花)。割绒条花经向轻微、纬向二面看得出者为显著;经向明显、纬向二面看出者为严重;细条经向明显、纬向二面看得出者为显著;经向严重、纬向二面看得出者为严重。5.3.5.2印花品种的绒面疵点,应根据对印花总效果的影响程度评定。5.3.5.3花斜系指--般花型,条格花斜系指花型有条有格并经纬相互交叉的条格花型。6试验检验方法
6.1长度按GB4666执行。
6.2幅宽按GB4667执行。
6.3纬密按GB4668执行。
6.4断裂强力按GB3923执行。
6.5水洗尺寸变化按GB8628,GB8629表1中4A洗涤方法、第6.6条F干燥方法,GB8630执行。6.6耐光色牢度按GB8427方法3执行。6.7耐洗色牢度按GB3921中6.3.1试液1、方法1执行。工厂常规试验可采用一块棉贴衬;仲裁检验时应采用二块贴衬。耐洗色牢度试验后原样变色评级时,原样和试样必须绒毛倒顺一致。用二块贴衬做白布沾色试验时,以沾色深的一块作评级依据。6.8耐摩擦色牢度按GB3920执行,试样经向应与摩擦柱前后往返直线成22.5°角,只试经向。评级前应刷去试样布面有色纤维然后评级。6.9耐熨烫色牢度按GB6152中6.1条180℃执行。6.10外观质量检验规定
6.10.1采用灯光检验时,以40W加罩青日光灯管3~4支,照度不低于7501x,光源与布面距离为1~1.2m。
6.10.2验布机验布板的角度为45°,布行速度为30~~~40m/min。布匹的定等检验,按验布机上作出疵点标记,评分定等。
6.10.3对布匹的检验、复验、验收应将布平摊桌面上逐幅检验,检验人员的视线应正视布面。眼与布面的距离应为55~60cm。
6.10.4规定检验布的正面(梢印盖在反面)。检验规则
按GB432执行外,其中第6条贮存期限为一年半的产品中,增加硫化咖啡一项。8包装与标志
按ZBW08003中有关规定执行。
9其他
特殊品种及用户对产品有特殊要求的,由供需双方另订协议。152
GB/T 14311-93
附录A
棉印染灯芯绒加工系数
(补充件)
A1棉印染灯芯绒幅宽、密度、断裂强力的计算A1.1幅宽
棉印染灯芯绒标准幅宽棉本色灯芯绒布标准幅宽×幅宽加工系数··.(A1)幅宽加工系数按表A1规定。
加工品种
各类棉灯芯绒
A1.2经、纬纱密度
幅宽加工系数
0.895~~0.920
幅宽加工系数=
棉印染灯芯绒标准幅宽
棉本色灯芯绒布标准幅宽
经密加工系数
1.117~~1.087
(A2)
A1.2.1棉印染灯芯绒标准经纱密度一棉本色灯芯绒布标准经纱密度×经纱密度加工系数*.(A3)
经纱密度加工系数
经纱密度加工系数按表A1规定。1
幅宽加工系数
A1.2.2印染棉灯芯绒标准纬纱密度=本色棉灯芯绒布标准纬纱密度×割绒加工系数X纬纱密度加工系数
割绒加工系数=
个完全组织的底纬根数
个完全组织的总纬根数
纬纱密度加工系数
纬纱密度加工系数按表A2规定。表A2
织物种类
纱经灯芯绒
线经灯芯绒
A1.3经、纬向断裂强力
100+伸长率
纬纱密度加工系数
(A5)
(A6)
.(A7)
GB/T 14311—93
棉印染灯芯绒标准经向断裂强力=棉本色灯芯绒布标准经向断裂强力×经向断裂强力加工系数×经纱密度加工系数棉印染灯芯绒标准纬向断裂强力棉本色灯芯绒布标准纬向断裂强力X割绒加工系数
×纬向断裂强力加工系数
×纬纱密度加工系数
断裂强力加工系数按表A3规定。表A3
产品种类
一般染色
酥青染色
一般印花
精元印花
断裂强力加工系数
.(A8)
注:①底板拉绒产品,不按以上断裂强力加工系数考核,但经向强力不得低于294N,纬向强力不得低于245N。②各项物理指标均以整数表示,计算时精确至一位小数,按四舍五入法,保留整数。③特殊需要,不按本标准规定“幅宽加工系数”生产的棉印染灯芯绒本办法不适用。附加说明:
本标准由纺织工业部科技发展司提出。本标准由上海纺织标准计量研究所归口。本标准由常州纺织产品质量监督检验测试所、上海市纺织工业局、浙江省纺织工业公司负责起草。本标准是参考日本纺绩检查协会《棉灯芯绒及棉平绒出口标准》(整理后)、日本《妇女、儿童棉织服装》美国范友生公司的《梭织物疵点分等标准》制订的。优等品相当于国际先进水平,一等品相当于国际一般水平。
小提示:此标准内容仅展示完整标准里的部分截取内容,若需要完整标准请到上方自行免费下载完整标准文档。

标准图片预览:





- 其它标准
- 热门标准
- 国家标准(GB)
- GB50090-2006 铁路线路设计规范
- GB/T37649-2019 化妆品中硫柳汞和苯基汞的测定高效液相色谱-电感耦合等离子体质谱法
- GB/T22777-2019 数码信息历
- GB/T11132-2008 液体石油产品烃类的测定 荧光指示剂吸附法
- GB/T2828.1-2012 计数抽样检验程序 第1部分:按接收质量限(AQL)检索的逐批检验抽样计划
- GB/T3289.26-1982 可锻铸铁管路连接件型式尺寸 内接头
- GB50508-2010 涤纶工厂设计规范
- GB/T33049-2016 偏光片用光学薄膜 涂层附着力的测定方法
- GB/T21666-2008 尿吸收辅助器具 评价的一般指南
- GB/T11982.2-1996 聚氯乙烯卷材地板 第2部分:有基材有背涂层聚氯乙烯卷材地板
- GB/T35608-2024 绿色产品评价 绝热材料
- GB4623-1994 环形预应力混凝土电杆
- GB/T22807-2008 皮革和毛皮 化学试验 六价铬含量的测定
- GB29987-2014 食品安全国家标准 食品添加剂 胶基及其配料
- GB5226.1-2019 机械电气安全 机械电气设备 第1部分:通用技术条件
- 行业新闻
请牢记:“bzxz.net”即是“标准下载”四个汉字汉语拼音首字母与国际顶级域名“.net”的组合。 ©2025 标准下载网 www.bzxz.net 本站邮件:bzxznet@163.com
网站备案号:湘ICP备2025141790号-2
网站备案号:湘ICP备2025141790号-2