- 您的位置:
- 标准下载网 >>
- 标准分类 >>
- 国家标准(GB) >>
- GB/T 14208-1993 纺织玻璃纤维 无捻粗纱棒状复合材料弯曲强度的测定
标准号:
GB/T 14208-1993
标准名称:
纺织玻璃纤维 无捻粗纱棒状复合材料弯曲强度的测定
标准类别:
国家标准(GB)
标准状态:
现行-
发布日期:
1993-02-17 -
实施日期:
1993-10-01 出版语种:
简体中文下载格式:
.rar.pdf下载大小:
1.67 MB
标准ICS号:
纺织和皮革技术>>复合增强材料>>59.100.10纺织玻璃纤维材料中标分类号:
建材>>建材产品>>Q23纤维增强复合材料
替代情况:
被GB/T 14208.2-2009代替采标情况:
≈ISO 3597-77
点击下载
标准简介:
标准下载解压密码:www.bzxz.net
本标准规定了用三点弯曲法测定圆形截面的纺织玻璃纤维无捻粗纱棒状复合材料的弯曲强度。本标准适用于无捻粗纱的检验和质量控制,试验结果不能作为设计数据。 GB/T 14208-1993 纺织玻璃纤维 无捻粗纱棒状复合材料弯曲强度的测定 GB/T14208-1993
部分标准内容:
UDC_677.52
中华人民共和国国家标准
GB/T14208—93
GBT 14208-
纺织玻璃纤维
无捻粗纱
棒状复合材料弯曲强度的测定
Textile glass-RovingsDetermination of flexuralstrengthofrodcomposites
1993-02-17发布
1993-10-01实施
国家技术监督局发布
Laa88c
3972878205943
中华人民共和国国家标准
纺织玻璃纤维无抢粗纱
棒状复合材料弯曲强度的测定
Textileglass-RovingsDeterminationofflexuralstrengthof rod composites
GB/T14208—93
本标准参照采用国际标准ISO3597一1977《纺织玻璃增强塑料-纺织玻璃粗纱制成棒状复合材料一弯曲(横向破坏)强度的测定》。1主题内容与适用范围
本标准规定了用三点弯曲法测定圆形截面的纺织玻璃纤维无抢粗纱(以下简称无抢粗纱)棒状复合材料的弯曲强度。
本标准适用于无拾粗纱的检验和质量控制,试验结果不能作为设计数据。2引用标准
GB1446纤维增强塑料性能试验方法总则GB2577玻璃纤维增强塑料树脂含量试验方法3装置和材料
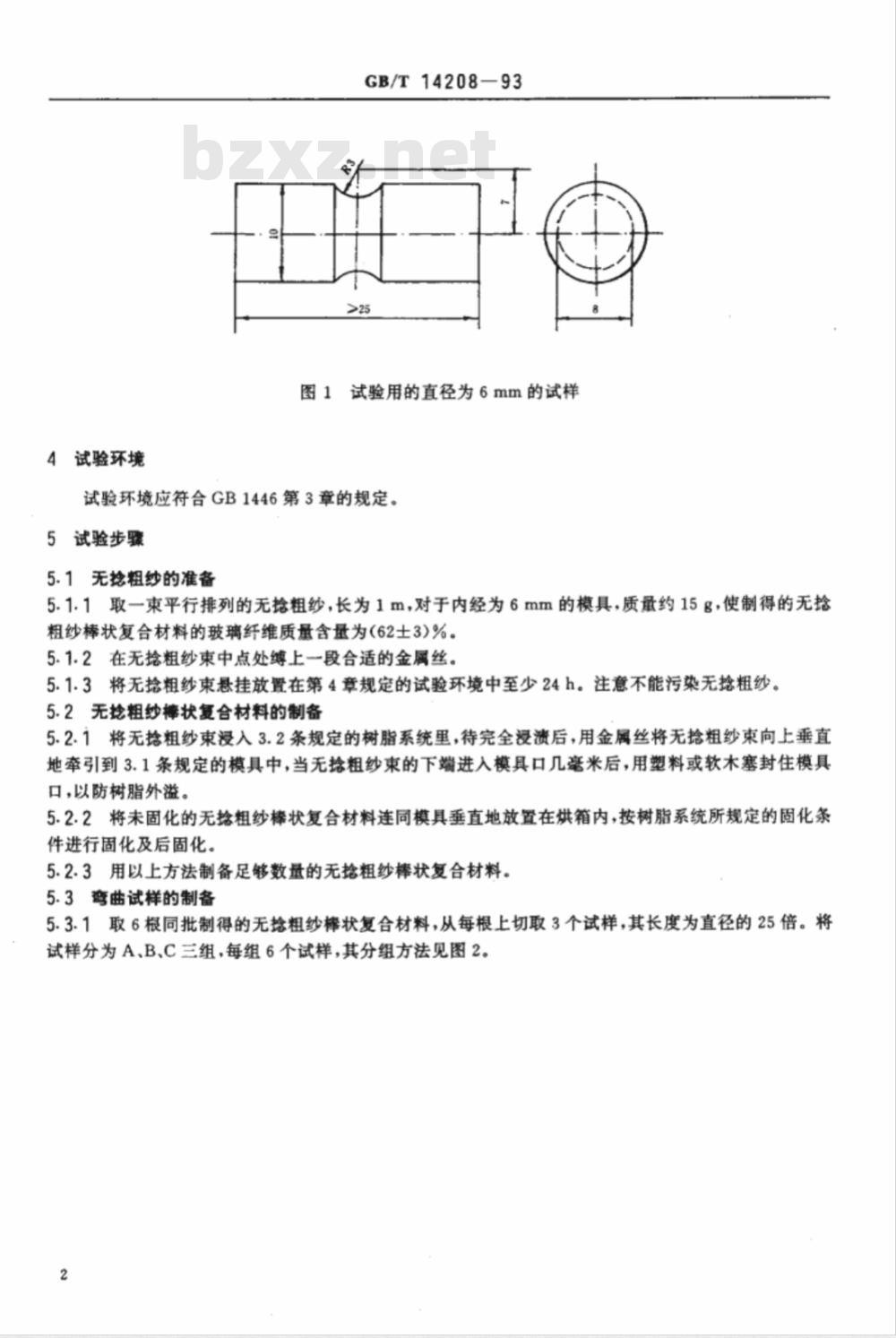
3.1模具:最小长度为500mm,内径为6士0.1mm的刚性直管,如玻璃管等。若模具的内径选择其他尺寸,则须经有关方协商一致,在4士0.1mm至10士0.1mm范围内选取。3.2树脂:采用何种树脂由无抢粗纱制造厂确定,但应按树脂制造厂的详细说明,选取添加剂、确定固化条件。如有异议,可有关方经协商一致,选择其他树脂系统,并以此树脂系统作为试验依据。3.3金属丝:用以牵引粗纱进入模具。3.4烘箱:用于树脂的固化和后固化,具有可控的温度范围,控温精度为士2℃。3.5千分尺:精度为0.01mm。
3.6加热装置和玻璃容器:用于煮沸蒸馏水。3.7试验机:除应符合GB1446第5章规定外,其加载压头和支座还应符合以下要求:a.加载压头和支座的形状和尺寸如图1所示;b.两支座间的跨距为试样直径的16倍。国技术监督局1993-02-17批准
1993-10-01实施
4试验环境
GB/T14208-93
图1试验用的直径为6mm的试样
试验环境应符合GB1446第3章的规定。5试验步聚
5.1无抢粗纱的准备
5.1.1取一束平行排列的无抢粗纱,长为1m,对于内经为6mm的模具,质量约15g,使制得的无抢粗纱棒状复合材料的玻璃纤维质量含量为(62士3)%。5.1.2在无捻粗纱束中点处缚上一段合适的金属丝。5.1.3将无抢粗纱束悬挂放置在第4章规定的试验环境中至少24h。注意不能污染无粗纱。5.2无挖粗纱棒状复合材料的制备5.2.1将无抢粗纱束浸入3.2条规定的树脂系统里,待完全浸溃后,用金属丝将无抢粗纱束向上垂直地牵引到3.1条规定的模具中,当无拾粗纱束的下端进入模具口几毫米后,用塑料或软木塞封住模具口,以防树脂外溢。
5.2.2将未固化的无抢粗纱棒状复合材料连同模具垂直地放置在烘箱内,按树脂系统所规定的固化条件进行固化及后固化。
5.2.3用以上方法制备足够数量的无抢粗纱棒状复合材料。5.3弯曲试样的制备
5.3.1取6根同批制得的无抢粗纱棒状复合材料,从每根上切取3个试样,其长度为直径的25倍。将试样分为A、B、C三组,每组6个试样,其分组方法见图2。c
GB/T14208-93
图2试样分组示意图
5.3.2按GB2577的规定,用每根无抢粗纱棒状复合材料的C试样进行试验,若玻璃纤维质量含量超出(62土3)%,则该棒试样作废,另取同批制得的无抢粗纱棒状复合材料,制备试样代替之。5.4弯曲试验
5.4.1试样状态调节按GB1446第3章规定,预处理按以下进行:a.A组试样不经任何处理,进行干态下的弯曲试验;bB组试样在蒸馏水中煮沸。聚酯基试样至少煮2h;环氧基试样至少煮16h,待这些试样在蒸馏水中冷却至室温后,在6h内完成湿态下的弯曲试验。5.4.2进行弯曲试验前,在试样中部两个相互垂直的方向上测量试样直径,精确到0.01mm,取其算术平均值。
5.4.3将试样放在支座中心位置,试样的长度方向与支座和加载压头相垂直。5.4.4
以10mm/min的速度连续加载,直至试样破坏,记录破坏载荷。5.4.5
仲裁试验时,加载速度为
6结果表示
mm/min(D为试样直径)。
6.1每个试样的弯曲强度按下式计算:8PL
一弯曲强度,MPa;
式中·
一破坏载荷,N;
L跨距,mm;
D—试样直径,mm。
(1)
6.2以每组6个试样弯曲强度的算术平均值作为无抢粗纱棒状复合材料(干态或湿态)的弯曲强度。7试验报告
试验报告应包括下列各项,
说明试验按本标准进行;
GB/T14208-93
无抢粗纱的型号、规格和生产厂家;树脂的型号、规格和生产厂家;树脂的固化和后固化条件;
试验环境;
干态下每个试样弯曲强度和无捻粗纱棒状复合材料的弯曲强度;湿态下每个试样的弯曲强度和无抢粗纱棒状复合材料的弯曲强度;煮沸时间;
试样直径;
每根无抢粗纱棒状复合材料的玻璃纤维质量含量;试验人员、日期。免费标准bzxz.net
附加说明:
本标准由国家建筑材料工业局提出,由全国纤维增强塑料标准化技术委员会归口。本标准由国家建筑材料工业局玻璃钢研究设计院负责起草。本标准主要起草人胡中永、高振荣、李君。
小提示:此标准内容仅展示完整标准里的部分截取内容,若需要完整标准请到上方自行免费下载完整标准文档。
中华人民共和国国家标准
GB/T14208—93
GBT 14208-
纺织玻璃纤维
无捻粗纱
棒状复合材料弯曲强度的测定
Textile glass-RovingsDetermination of flexuralstrengthofrodcomposites
1993-02-17发布
1993-10-01实施
国家技术监督局发布
Laa88c
3972878205943
中华人民共和国国家标准
纺织玻璃纤维无抢粗纱
棒状复合材料弯曲强度的测定
Textileglass-RovingsDeterminationofflexuralstrengthof rod composites
GB/T14208—93
本标准参照采用国际标准ISO3597一1977《纺织玻璃增强塑料-纺织玻璃粗纱制成棒状复合材料一弯曲(横向破坏)强度的测定》。1主题内容与适用范围
本标准规定了用三点弯曲法测定圆形截面的纺织玻璃纤维无抢粗纱(以下简称无抢粗纱)棒状复合材料的弯曲强度。
本标准适用于无拾粗纱的检验和质量控制,试验结果不能作为设计数据。2引用标准
GB1446纤维增强塑料性能试验方法总则GB2577玻璃纤维增强塑料树脂含量试验方法3装置和材料
3.1模具:最小长度为500mm,内径为6士0.1mm的刚性直管,如玻璃管等。若模具的内径选择其他尺寸,则须经有关方协商一致,在4士0.1mm至10士0.1mm范围内选取。3.2树脂:采用何种树脂由无抢粗纱制造厂确定,但应按树脂制造厂的详细说明,选取添加剂、确定固化条件。如有异议,可有关方经协商一致,选择其他树脂系统,并以此树脂系统作为试验依据。3.3金属丝:用以牵引粗纱进入模具。3.4烘箱:用于树脂的固化和后固化,具有可控的温度范围,控温精度为士2℃。3.5千分尺:精度为0.01mm。
3.6加热装置和玻璃容器:用于煮沸蒸馏水。3.7试验机:除应符合GB1446第5章规定外,其加载压头和支座还应符合以下要求:a.加载压头和支座的形状和尺寸如图1所示;b.两支座间的跨距为试样直径的16倍。国技术监督局1993-02-17批准
1993-10-01实施
4试验环境
GB/T14208-93
图1试验用的直径为6mm的试样
试验环境应符合GB1446第3章的规定。5试验步聚
5.1无抢粗纱的准备
5.1.1取一束平行排列的无抢粗纱,长为1m,对于内经为6mm的模具,质量约15g,使制得的无抢粗纱棒状复合材料的玻璃纤维质量含量为(62士3)%。5.1.2在无捻粗纱束中点处缚上一段合适的金属丝。5.1.3将无抢粗纱束悬挂放置在第4章规定的试验环境中至少24h。注意不能污染无粗纱。5.2无挖粗纱棒状复合材料的制备5.2.1将无抢粗纱束浸入3.2条规定的树脂系统里,待完全浸溃后,用金属丝将无抢粗纱束向上垂直地牵引到3.1条规定的模具中,当无拾粗纱束的下端进入模具口几毫米后,用塑料或软木塞封住模具口,以防树脂外溢。
5.2.2将未固化的无抢粗纱棒状复合材料连同模具垂直地放置在烘箱内,按树脂系统所规定的固化条件进行固化及后固化。
5.2.3用以上方法制备足够数量的无抢粗纱棒状复合材料。5.3弯曲试样的制备
5.3.1取6根同批制得的无抢粗纱棒状复合材料,从每根上切取3个试样,其长度为直径的25倍。将试样分为A、B、C三组,每组6个试样,其分组方法见图2。c
GB/T14208-93
图2试样分组示意图
5.3.2按GB2577的规定,用每根无抢粗纱棒状复合材料的C试样进行试验,若玻璃纤维质量含量超出(62土3)%,则该棒试样作废,另取同批制得的无抢粗纱棒状复合材料,制备试样代替之。5.4弯曲试验
5.4.1试样状态调节按GB1446第3章规定,预处理按以下进行:a.A组试样不经任何处理,进行干态下的弯曲试验;bB组试样在蒸馏水中煮沸。聚酯基试样至少煮2h;环氧基试样至少煮16h,待这些试样在蒸馏水中冷却至室温后,在6h内完成湿态下的弯曲试验。5.4.2进行弯曲试验前,在试样中部两个相互垂直的方向上测量试样直径,精确到0.01mm,取其算术平均值。
5.4.3将试样放在支座中心位置,试样的长度方向与支座和加载压头相垂直。5.4.4
以10mm/min的速度连续加载,直至试样破坏,记录破坏载荷。5.4.5
仲裁试验时,加载速度为
6结果表示
mm/min(D为试样直径)。
6.1每个试样的弯曲强度按下式计算:8PL
一弯曲强度,MPa;
式中·
一破坏载荷,N;
L跨距,mm;
D—试样直径,mm。
(1)
6.2以每组6个试样弯曲强度的算术平均值作为无抢粗纱棒状复合材料(干态或湿态)的弯曲强度。7试验报告
试验报告应包括下列各项,
说明试验按本标准进行;
GB/T14208-93
无抢粗纱的型号、规格和生产厂家;树脂的型号、规格和生产厂家;树脂的固化和后固化条件;
试验环境;
干态下每个试样弯曲强度和无捻粗纱棒状复合材料的弯曲强度;湿态下每个试样的弯曲强度和无抢粗纱棒状复合材料的弯曲强度;煮沸时间;
试样直径;
每根无抢粗纱棒状复合材料的玻璃纤维质量含量;试验人员、日期。免费标准bzxz.net
附加说明:
本标准由国家建筑材料工业局提出,由全国纤维增强塑料标准化技术委员会归口。本标准由国家建筑材料工业局玻璃钢研究设计院负责起草。本标准主要起草人胡中永、高振荣、李君。
小提示:此标准内容仅展示完整标准里的部分截取内容,若需要完整标准请到上方自行免费下载完整标准文档。
标准图片预览:





- 热门标准
- 国家标准(GB)
- GB/T2828.1-2012 计数抽样检验程序 第1部分:按接收质量限(AQL)检索的逐批检验抽样计划
- GB/T18204.4-2000 公共场所毛巾、床上卧具微生物检验方法细菌总数测定
- GB/T23892.3-2009 滑动轴承 稳态条件下流体动压可倾瓦块止推轴承 第3部分:可倾瓦块止推轴承计算的许用值
- GB/T11839-1989 二氧化铀芯块中硼的测定 姜黄素萃取光度法
- GB/T6122.1-2002 圆角铣刀 第1部分:型式和尺寸
- GB/T7433-1987 对称电缆载波通信系统抗无线电广播和通信干扰的指标
- GB/T21238-2007 玻璃纤维增强塑料夹砂管
- GB/T28809-2012 轨道交通 通信、信号和处理系统 信号用安全相关电子系统
- GB/T9124.1-2019 钢制管法兰 第1部分:PN 系列
- GB17945-2024 消防应急照明和疏散指示系统
- GB15603-2022 危险化学品仓库储存通则
- GB6819-1996 溶解乙炔
- GB/T9239-1988 刚性转子平衡品质 许用不平衡的确定
- GB/T15917.3-1995 金属镝及氧化镝化学分析方法 对氯苯基荧光酮--溴化十六烷基三甲基胺分光光度法测定钽量
- GB/T5738-1995 瓶装酒、饮料塑料周转箱
- 行业新闻
请牢记:“bzxz.net”即是“标准下载”四个汉字汉语拼音首字母与国际顶级域名“.net”的组合。 ©2025 标准下载网 www.bzxz.net 本站邮件:bzxznet@163.com
网站备案号:湘ICP备2025141790号-2
网站备案号:湘ICP备2025141790号-2