- 您的位置:
- 标准下载网 >>
- 标准分类 >>
- 国家标准(GB) >>
- GB/T 13525-1992 塑料拉伸冲击性能试验方法
标准号:
GB/T 13525-1992
标准名称:
塑料拉伸冲击性能试验方法
标准类别:
国家标准(GB)
标准状态:
现行-
发布日期:
1992-06-23 -
实施日期:
1993-03-01 出版语种:
简体中文下载格式:
.rar.pdf下载大小:
132.41 KB
标准ICS号:
橡胶和塑料工业>>83.080塑料中标分类号:
化工>>合成材料>>G31合成树脂、塑料基础标准与通用方法

点击下载
标准简介:
标准下载解压密码:www.bzxz.net
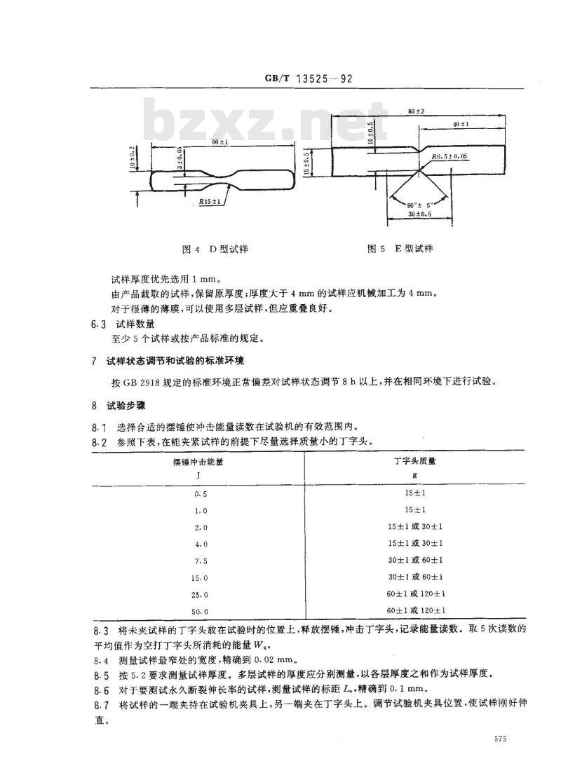
本标准规定了塑料在较高形变速率下拉伸冲击的试验方法。本标准适用于因太软或太薄而不能进行简支梁或悬梁冲击试验的塑料材料,也适用于硬质塑料材料。 GB/T 13525-1992 塑料拉伸冲击性能试验方法 GB/T13525-1992

标准图片预览:





- 热门标准
- 国家标准(GB)
- GB/T997-1981 电机结构及安装型式代号
- GB/T43945-2024 基于统计能量分析的船舶舱室噪声预报
- GB/T38446-2020 微机电系统(MEMS)技术 带状薄膜抗拉性能的试验方法
- GB4623-1994 环形预应力混凝土电杆
- GB/T29887-2013 染色棉
- GB475-2008 商品煤样人工采取方法
- GB17464-2012 连接器件
- GB/T42220-2022 金镶玉镶嵌工艺质量评价
- GB/T37649-2019 化妆品中硫柳汞和苯基汞的测定高效液相色谱-电感耦合等离子体质谱法
- GB/T23344-2009 纺织品 4-氨基偶氮苯的测定
- GB/T37319-2019 电梯节能逆变电源装置
- GB/T39504-2020 病媒生物综合管理技术规范 机场
- GB/T17972-2000 信息处理系统 数据通信 局域网中使用X.25包级协议
- GB16853-1997 结核病监测标准
- GB∕T4937.20-2018 半导体器件 机械和气候试验方法 第20部分:塑封表面安装器件耐潮湿和焊接热综合影响
- 行业新闻
请牢记:“bzxz.net”即是“标准下载”四个汉字汉语拼音首字母与国际顶级域名“.net”的组合。 ©2009 标准下载网 www.bzxz.net 本站邮件:bzxznet@163.com
网站备案号:湘ICP备2023016450号-1
网站备案号:湘ICP备2023016450号-1