- 您的位置:
- 标准下载网 >>
- 标准分类 >>
- 国家标准(GB) >>
- GB 8181-1987 消防水枪性能要求和试验方法
标准号:
GB 8181-1987
标准名称:
消防水枪性能要求和试验方法
标准类别:
国家标准(GB)
标准状态:
已作废-
发布日期:
1987-10-04 -
实施日期:
1988-06-01 -
作废日期:
2006-04-01 出版语种:
简体中文下载格式:
.rar.pdf下载大小:
149.86 KB
标准ICS号:
环保、保健与安全>>消防>>13.220.10灭火中标分类号:
医药、卫生、劳动保护>>消防>>C84消防设备与器材
替代情况:
被GB 8181-2005代替
点击下载
标准简介:
标准下载解压密码:www.bzxz.net
本标准适用于工作压力为0.2~0.7MPa的各种类型的消防水枪。 GB 8181-1987 消防水枪性能要求和试验方法 GB8181-1987
部分标准内容:
中华人民共和国国家标准
消防水枪性能要求和试验方法
Performance requirements and testsmethods for fire water branch本标准适用于工作压力为0.2~0.7MPa的各种类型的消防水枪。1 名词、术语
1.1消防水枪(以下简称为水枪)由单人或双人携带和操作的以水作为灭火剂的喷射管枪。水枪通常由接口、枪体、阀和喷嘴或能形成多种形式喷射的装置组成。1.2充实水流
具有充实核心段的水射流。
1.3雾状水流
射流边缘夹角大于0°,且不具有充实核心段的水射流。UDC 621.694
GB 8181—87
1.4射程
水枪喷射水流散落密集处中心至喷嘴出口端中心在地面上的投影点之间的直线距离。1.5喷雾角
雾状水流边缘间的夹角。
1.6当量喷嘴直径
以表1中直流流量的额定值和额定工作压力为条件,流量系数为1情况下计算的直流喷嘴直径的圆整值。
型式与性能参数
2.1型式
水枪有下面三种基本型式:
直流水枪:喷射充实水流的水枪。喷雾水枪:喷射雾状水流的水枪。直流喷雾水枪:既能喷射充实水流又能喷射雾状水流的水枪。2.2性能参数
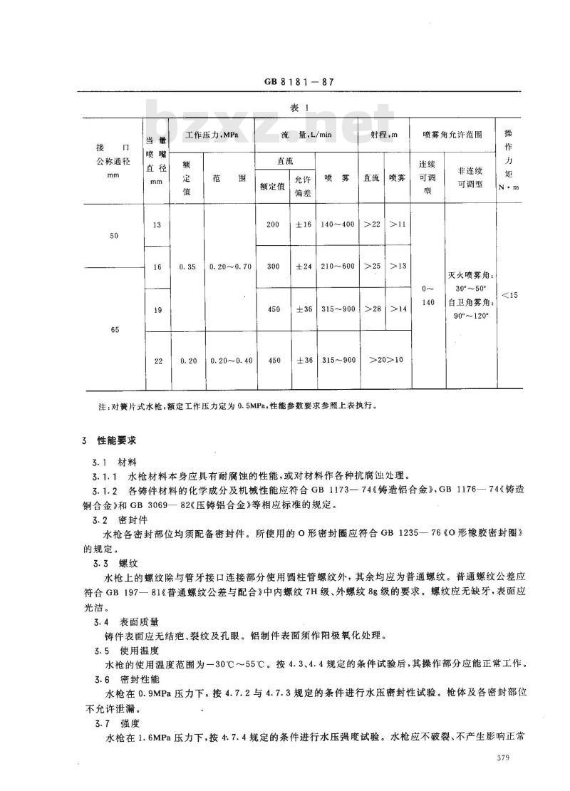
水枪的性能参数见表1。
中华人民共和国公安部1987-10-04批准378
1988-06-01实施
公称通径
工作压力,MPa
0.20~0.70
0.20~0.40
GB8181—87
流量,L/min
额定值
±16140~400
±24210~~600
315~900
±36315900
射程,m
>20>10
注:对簧片式水枪,额定工作压力定为0.5MPa,性能参数要求参照上表执行。3性能要求
3.1材料
喷雾角允许范围
非连续
可调型
灭火喷雾角:
30°~50°
自卫角雾角:
90°~120°
3.1.1水枪材料本身应具有耐腐蚀的性能,或对材料作各种抗腐蚀处理。3.1.2各铸件材料的化学成分及机械性能应符合GB1173-74《铸造铝合金》,GB1176—74《铸造铜合金》和GB3069—82《压铸铝合金》等相应标准的规定。3.2密封件
水枪各密封部位均须配备密封件。所使用的0形密封圈应符合GB1235-—76《0形橡胶密封圈》的规定。
3.3螺纹
水枪上的螺纹除与管牙接口连接部分使用圆柱管螺纹外,其余均应为普通螺纹。普通螺纹公差应符合GB197一81《普通螺纹公差与配合》中内螺纹7H级、外螺纹8g级的要求。螺纹应无缺牙,表面应光洁。
3.4表面质量
铸件表面应无结疤、裂纹及孔眼。铝制件表面须作阳极氧化处理。3.5使用温度
水枪的使用温度范围为一30℃~55℃。按4.3、4.4规定的条件试验后,其操作部分应能正常工作。3.6密封性能
水枪在0.9MPa压力下,按4.7.2与4.7.3规定的条件进行水压密封性试验。枪体及各密封部位不允许泄漏。
3.7强度
水枪在1.6MPa压力下,按4.7.4规定的条件进行水压强度试验。水枪应不破裂、不产生影响正常379
使用的残余变形。
3.8喷射性能
GB 8181—87
在工作压力范围内,水枪操作应灵活可靠。额定工作压力下的喷射性能参数应满足表1所规定的相应要求。
3.9抗跌落性能
水枪于离地1.5m高处按4.6规定的条件作跌落试验后,应仍能正常操作使用。3.10耐腐蚀性能
水枪经4.5规定的条件试验后,应无起层、剥落或肉眼可见的点蚀凹坑,操作应正常。3.11接口性能
内扣式接口应符合GB3265—82《内扣式消防接口型式与基本参数》和GB3266--82《内扣式消防接口通用技术条件》的规定。
4试验方法
螺纹检验
用螺纹规或万能工具显微镜检查水枪上所使用的全部螺纹,检查结果应符合3.3的要求。4.2外表质量检验
目察水枪外表质量,外表质量应满足3.4的要求。4.3耐高温试验
4.3.1将水枪置于电热鼓风干燥箱内,在55℃下保温4h,取出后半分钟内检查。检查结果应满足3.5要求。
4.3.2电热鼓风干燥箱应符合ZBY149-83《干燥箱技术条件》规定的要求(温度波动士1℃,温度均匀性系数为士0.025)。
4.4耐低温试验
4.4.1将擦洗干净的干燥水枪置于低温箱内,在一30℃下保温4h,取出后半分钟内检查。检查结果应满足3.5要求。
4.4.2低温箱的温度波动度和温度均匀性均不超过士3℃。4.5盐雾腐蚀试验
4.5.1试验前对水枪表面作仔细清洗,不得留有油腻、污物。清洗时不准使用磨料或溶剂。水枪在盐雾腐蚀试验箱内应呈直立状态,水枪之间不能互相接触,水枪也不能与箱壁接触。4.5.2试验周期为96h。试验中必须防止盐溶液直接冲击水枪表面。试件从盐雾腐蚀箱内取出后,应用不超过38℃的自来水冲洗,待干燥后检查。检查结果应满足3.10要求。
4.5.3盐雾腐蚀试验的试验条件应符合下述规定:盐溶液50±1g/L;
35℃时的pH值应保持在6.5~7.2范围内;盐雾沉降率1.0~2.0ml/h(在80cm的水平收集区内);试验箱内有效试验空间内的温度为35士2℃;规定的试验周期内喷雾不得中断。4.6跌落试验
4.6.1水枪以喷嘴朝上、喷嘴朝下以及水枪轴线处于水平状态(若有开关时,开关处于水枪水平轴线之下)三个位置,从离地1.5士0.01m高处(从水枪的最低点算起)自由落到坚硬的水泥地面上。水枪于每个位置坠落两次后检查。检查结果应符合3.9要求。4.6.2水泥地面为10cm厚的300级钢筋混凝土板。布置适量钢筋,用425号水泥、中粗黄沙和5~380
13mm的碎石以1:2:4的比例浇注而成。4.7密封性、强度试验
GB 8181 87Www.bzxZ.net
4.7.1试验装置允许工作压力应大于2MPa。稳压精度土2%。装置中的压力表精度等级不低于1.5级。
4.7.2关闭水枪的开关阀,水枪的进水端通过接口与试验装置相连,然后对水枪加压,加压过程中必须先排除枪体内的空气,当压力表上的读数达到0.9MPa后,保压2min,检查结果应符合3.6要求。4.7.3打开水枪的开关阀,水枪的进水端通过接口与试验装置相连,封死水枪的出水端。重复4.7.2的加压与保压过程。检查结果应符合3.6要求。4.7.4水枪状态同4.7.3,加压过程中必须先排除枪体内的空气,当压力表上的读数达1.6MPa后,保压2min。检查结果应符合3.7要求。4.8喷射性能试验
4.8.1喷射性能试验装置的允许工作压力应不小于1MPa,稳压精度土2%。装置中压力表精度等级不低于1.5级。
4.8.2射程与流量测试
首先将水枪置于喷射架上,调整好水枪轴线与水平线的夹角(仰角)至30士1°,调整喷嘴出口端中心至地面的高度到1士0.01m。顺风向布置,要求外界风速小于3m/s。测直流射程时,在水枪正前方的地面上,沿射程方向布置一列尺寸规格相同的接水容器,接水容器的布置范围在厂方标定的直流射程值的0.7~1.3倍之间。容器中心距为0.5m。启动水泵,调整工作压力,当水枪进口压力达到规定的额定工作压力值,且喷射稳定后,连续向接水容器方向喷射半分钟,接水最多的那个容器中心至喷嘴出口端中心在地面上的投影点之间的直线距离,即为所要测的直流射程。测喷雾射程时,在水枪正前方的地面上,沿射程方向布置三列接水容器,接水容器布置范围为厂方标定的喷雾射程值的0.7~1.3倍之间。容器中心距0.5m。喷射过程及喷射时间同直流射程的测定情况。比较各排三个接水容器接水量之和的大小。喷嘴出口端中心在地面上的投影点至接水量之和最大的那排的容器中心的直线距离即为要测的喷雾射程。流量值可以从流量计上读得。
对喷雾角可调的喷雾水枪,喷雾射程在30°喷雾角下测定。射程和流量的测量结果应符合表1中的相应规定。4.8.3喷雾角的测量
将测角规的两条边分别与水枪喷嘴前的喷雾边缘相重,即可测得喷雾角。测量结果应符合表1中的相应规定。
4.9操作力矩测定
将水枪置于喷射性能试验装置上,关闭水枪上的阀门,对水枪加压至最大工作压力时用三等标准测力计测量操作手柄上的操作力矩。允许测量误差为士0.5N·m。5检验规则
5.1产品的定型试验应按本标准规定的试验方法作全面检验。5.2产品检验应满足本标准3.4,3.6,3.7,3.8所规定的要求。5.3试验取样方法及结果的评定按GB2828—81《逐批检查计数抽样程序及抽样表》或GB2829-81《周期检查计数抽样程序及抽样表》的规定执行。6标志
水枪上应牢固标有型号、规格及厂名等标记。381
附加说明:
GB8181—87
本标准由公安部上海消防科学研究所归口。本标准由公安部上海消防科学研究所负责起草。主要起草人李厚林、史兴堂,
小提示:此标准内容仅展示完整标准里的部分截取内容,若需要完整标准请到上方自行免费下载完整标准文档。
消防水枪性能要求和试验方法
Performance requirements and testsmethods for fire water branch本标准适用于工作压力为0.2~0.7MPa的各种类型的消防水枪。1 名词、术语
1.1消防水枪(以下简称为水枪)由单人或双人携带和操作的以水作为灭火剂的喷射管枪。水枪通常由接口、枪体、阀和喷嘴或能形成多种形式喷射的装置组成。1.2充实水流
具有充实核心段的水射流。
1.3雾状水流
射流边缘夹角大于0°,且不具有充实核心段的水射流。UDC 621.694
GB 8181—87
1.4射程
水枪喷射水流散落密集处中心至喷嘴出口端中心在地面上的投影点之间的直线距离。1.5喷雾角
雾状水流边缘间的夹角。
1.6当量喷嘴直径
以表1中直流流量的额定值和额定工作压力为条件,流量系数为1情况下计算的直流喷嘴直径的圆整值。
型式与性能参数
2.1型式
水枪有下面三种基本型式:
直流水枪:喷射充实水流的水枪。喷雾水枪:喷射雾状水流的水枪。直流喷雾水枪:既能喷射充实水流又能喷射雾状水流的水枪。2.2性能参数
水枪的性能参数见表1。
中华人民共和国公安部1987-10-04批准378
1988-06-01实施
公称通径
工作压力,MPa
0.20~0.70
0.20~0.40
GB8181—87
流量,L/min
额定值
±16140~400
±24210~~600
315~900
±36315900
射程,m
>20>10
注:对簧片式水枪,额定工作压力定为0.5MPa,性能参数要求参照上表执行。3性能要求
3.1材料
喷雾角允许范围
非连续
可调型
灭火喷雾角:
30°~50°
自卫角雾角:
90°~120°
3.1.1水枪材料本身应具有耐腐蚀的性能,或对材料作各种抗腐蚀处理。3.1.2各铸件材料的化学成分及机械性能应符合GB1173-74《铸造铝合金》,GB1176—74《铸造铜合金》和GB3069—82《压铸铝合金》等相应标准的规定。3.2密封件
水枪各密封部位均须配备密封件。所使用的0形密封圈应符合GB1235-—76《0形橡胶密封圈》的规定。
3.3螺纹
水枪上的螺纹除与管牙接口连接部分使用圆柱管螺纹外,其余均应为普通螺纹。普通螺纹公差应符合GB197一81《普通螺纹公差与配合》中内螺纹7H级、外螺纹8g级的要求。螺纹应无缺牙,表面应光洁。
3.4表面质量
铸件表面应无结疤、裂纹及孔眼。铝制件表面须作阳极氧化处理。3.5使用温度
水枪的使用温度范围为一30℃~55℃。按4.3、4.4规定的条件试验后,其操作部分应能正常工作。3.6密封性能
水枪在0.9MPa压力下,按4.7.2与4.7.3规定的条件进行水压密封性试验。枪体及各密封部位不允许泄漏。
3.7强度
水枪在1.6MPa压力下,按4.7.4规定的条件进行水压强度试验。水枪应不破裂、不产生影响正常379
使用的残余变形。
3.8喷射性能
GB 8181—87
在工作压力范围内,水枪操作应灵活可靠。额定工作压力下的喷射性能参数应满足表1所规定的相应要求。
3.9抗跌落性能
水枪于离地1.5m高处按4.6规定的条件作跌落试验后,应仍能正常操作使用。3.10耐腐蚀性能
水枪经4.5规定的条件试验后,应无起层、剥落或肉眼可见的点蚀凹坑,操作应正常。3.11接口性能
内扣式接口应符合GB3265—82《内扣式消防接口型式与基本参数》和GB3266--82《内扣式消防接口通用技术条件》的规定。
4试验方法
螺纹检验
用螺纹规或万能工具显微镜检查水枪上所使用的全部螺纹,检查结果应符合3.3的要求。4.2外表质量检验
目察水枪外表质量,外表质量应满足3.4的要求。4.3耐高温试验
4.3.1将水枪置于电热鼓风干燥箱内,在55℃下保温4h,取出后半分钟内检查。检查结果应满足3.5要求。
4.3.2电热鼓风干燥箱应符合ZBY149-83《干燥箱技术条件》规定的要求(温度波动士1℃,温度均匀性系数为士0.025)。
4.4耐低温试验
4.4.1将擦洗干净的干燥水枪置于低温箱内,在一30℃下保温4h,取出后半分钟内检查。检查结果应满足3.5要求。
4.4.2低温箱的温度波动度和温度均匀性均不超过士3℃。4.5盐雾腐蚀试验
4.5.1试验前对水枪表面作仔细清洗,不得留有油腻、污物。清洗时不准使用磨料或溶剂。水枪在盐雾腐蚀试验箱内应呈直立状态,水枪之间不能互相接触,水枪也不能与箱壁接触。4.5.2试验周期为96h。试验中必须防止盐溶液直接冲击水枪表面。试件从盐雾腐蚀箱内取出后,应用不超过38℃的自来水冲洗,待干燥后检查。检查结果应满足3.10要求。
4.5.3盐雾腐蚀试验的试验条件应符合下述规定:盐溶液50±1g/L;
35℃时的pH值应保持在6.5~7.2范围内;盐雾沉降率1.0~2.0ml/h(在80cm的水平收集区内);试验箱内有效试验空间内的温度为35士2℃;规定的试验周期内喷雾不得中断。4.6跌落试验
4.6.1水枪以喷嘴朝上、喷嘴朝下以及水枪轴线处于水平状态(若有开关时,开关处于水枪水平轴线之下)三个位置,从离地1.5士0.01m高处(从水枪的最低点算起)自由落到坚硬的水泥地面上。水枪于每个位置坠落两次后检查。检查结果应符合3.9要求。4.6.2水泥地面为10cm厚的300级钢筋混凝土板。布置适量钢筋,用425号水泥、中粗黄沙和5~380
13mm的碎石以1:2:4的比例浇注而成。4.7密封性、强度试验
GB 8181 87Www.bzxZ.net
4.7.1试验装置允许工作压力应大于2MPa。稳压精度土2%。装置中的压力表精度等级不低于1.5级。
4.7.2关闭水枪的开关阀,水枪的进水端通过接口与试验装置相连,然后对水枪加压,加压过程中必须先排除枪体内的空气,当压力表上的读数达到0.9MPa后,保压2min,检查结果应符合3.6要求。4.7.3打开水枪的开关阀,水枪的进水端通过接口与试验装置相连,封死水枪的出水端。重复4.7.2的加压与保压过程。检查结果应符合3.6要求。4.7.4水枪状态同4.7.3,加压过程中必须先排除枪体内的空气,当压力表上的读数达1.6MPa后,保压2min。检查结果应符合3.7要求。4.8喷射性能试验
4.8.1喷射性能试验装置的允许工作压力应不小于1MPa,稳压精度土2%。装置中压力表精度等级不低于1.5级。
4.8.2射程与流量测试
首先将水枪置于喷射架上,调整好水枪轴线与水平线的夹角(仰角)至30士1°,调整喷嘴出口端中心至地面的高度到1士0.01m。顺风向布置,要求外界风速小于3m/s。测直流射程时,在水枪正前方的地面上,沿射程方向布置一列尺寸规格相同的接水容器,接水容器的布置范围在厂方标定的直流射程值的0.7~1.3倍之间。容器中心距为0.5m。启动水泵,调整工作压力,当水枪进口压力达到规定的额定工作压力值,且喷射稳定后,连续向接水容器方向喷射半分钟,接水最多的那个容器中心至喷嘴出口端中心在地面上的投影点之间的直线距离,即为所要测的直流射程。测喷雾射程时,在水枪正前方的地面上,沿射程方向布置三列接水容器,接水容器布置范围为厂方标定的喷雾射程值的0.7~1.3倍之间。容器中心距0.5m。喷射过程及喷射时间同直流射程的测定情况。比较各排三个接水容器接水量之和的大小。喷嘴出口端中心在地面上的投影点至接水量之和最大的那排的容器中心的直线距离即为要测的喷雾射程。流量值可以从流量计上读得。
对喷雾角可调的喷雾水枪,喷雾射程在30°喷雾角下测定。射程和流量的测量结果应符合表1中的相应规定。4.8.3喷雾角的测量
将测角规的两条边分别与水枪喷嘴前的喷雾边缘相重,即可测得喷雾角。测量结果应符合表1中的相应规定。
4.9操作力矩测定
将水枪置于喷射性能试验装置上,关闭水枪上的阀门,对水枪加压至最大工作压力时用三等标准测力计测量操作手柄上的操作力矩。允许测量误差为士0.5N·m。5检验规则
5.1产品的定型试验应按本标准规定的试验方法作全面检验。5.2产品检验应满足本标准3.4,3.6,3.7,3.8所规定的要求。5.3试验取样方法及结果的评定按GB2828—81《逐批检查计数抽样程序及抽样表》或GB2829-81《周期检查计数抽样程序及抽样表》的规定执行。6标志
水枪上应牢固标有型号、规格及厂名等标记。381
附加说明:
GB8181—87
本标准由公安部上海消防科学研究所归口。本标准由公安部上海消防科学研究所负责起草。主要起草人李厚林、史兴堂,
小提示:此标准内容仅展示完整标准里的部分截取内容,若需要完整标准请到上方自行免费下载完整标准文档。
标准图片预览:





- 热门标准
- 国家标准(GB)
- GB/T30917—2014 /ISo 29941:2010 天然胶乳橡胶避孕套中可迁移亚硝胺的测定
- GB/T12777-1999 金属波纹管膨胀节通用技术条件
- GB15193.5-2003 骨髓细胞微核试验
- GB/T29633.4-2020 南极地名 第4部分:罗马字母拼写
- GB/T39964-2021 造纸行业能源管理体系实施指南
- GB/T43929-2024 空间用纤维光学器件测试指南
- GB/T43225-2023 空间物体登记要求
- GB15985-1995 丝虫病诊断标准及处理原则
- GB19159-2003 车用液化石油气
- GB/T7407-1997 中国及世界主要海运贸易港口代码
- GB1913.2-1990 漂白浸渍绝缘纸
- GB14287.4-2014 电气火灾监控系统 第4部分:故障电弧探测器
- GB5237.3-2008 铝合金建筑型材 第3部分:电泳涂漆型材
- GB/T9771.6-2020 通信用单模光纤 第6部分:宽波长段 光传输用非零色散单模光纤特性
- GB29140-2024 纯碱单位产品能源消耗限额
- 行业新闻
请牢记:“bzxz.net”即是“标准下载”四个汉字汉语拼音首字母与国际顶级域名“.net”的组合。 ©2025 标准下载网 www.bzxz.net 本站邮件:bzxznet@163.com
网站备案号:湘ICP备2025141790号-2
网站备案号:湘ICP备2025141790号-2