- 您的位置:
- 标准下载网 >>
- 标准分类 >>
- 国家标准(GB) >>
- GB/T 6974.16-1986 起重机械名词术语 冶金起重机
标准号:
GB/T 6974.16-1986
标准名称:
起重机械名词术语 冶金起重机
标准类别:
国家标准(GB)
标准状态:
现行-
发布日期:
1986-01-01 -
实施日期:
1987-07-01 出版语种:
简体中文下载格式:
.rar.pdf下载大小:
176.57 KB
点击下载
标准简介:
标准下载解压密码:www.bzxz.net
本标准规定了冶金起重机的专用名词术语。 GB/T 6974.16-1986 起重机械名词术语 冶金起重机 GB/T6974.16-1986
部分标准内容:
中华人民共和国国家标准
起重机械名词术语
冶金起重机
Lifting appliances - Vocabulary—Metallurgy cranesUDC 621.87
GB 6974.16-86
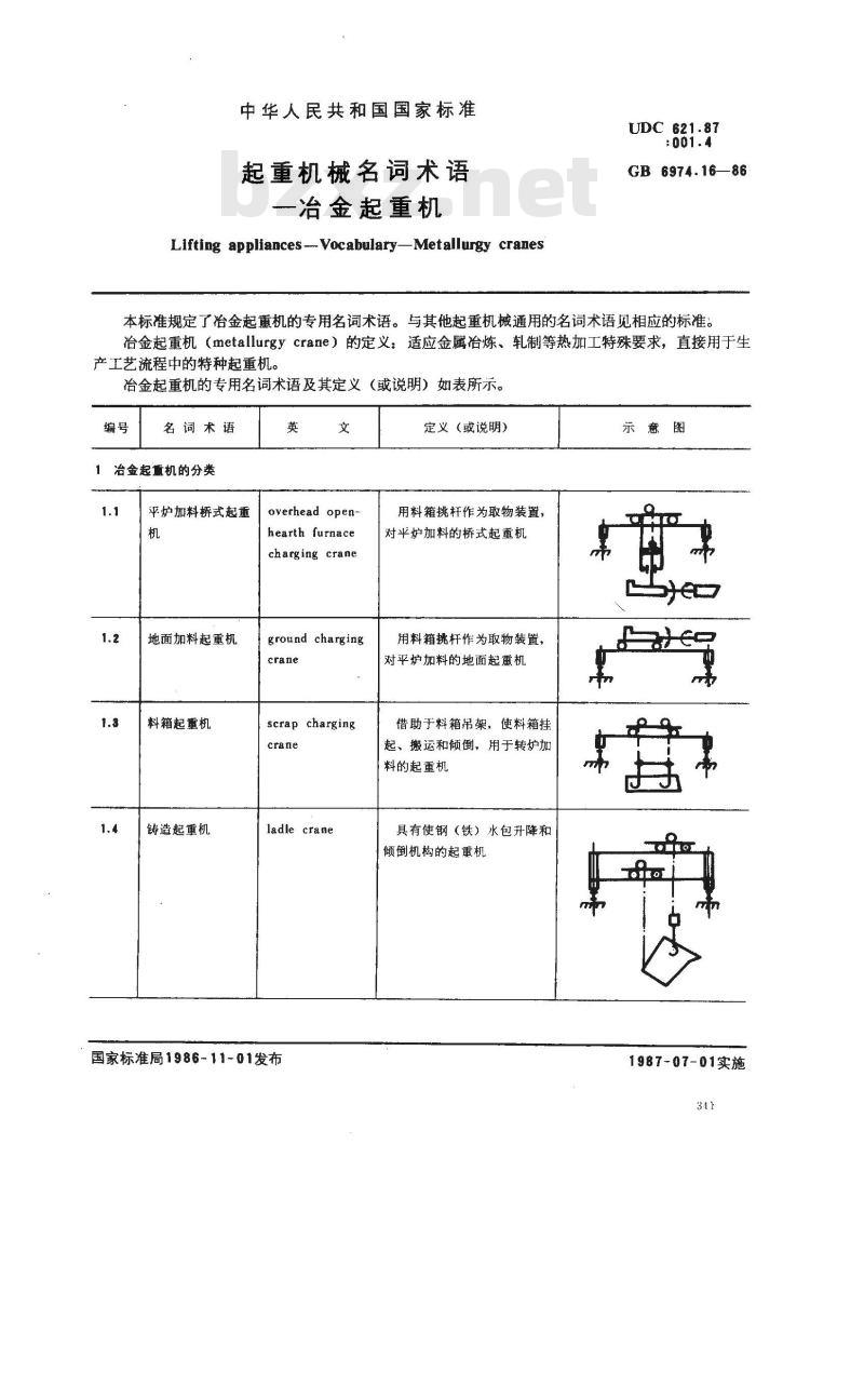
本标准规定了冶金起重机的专用名词术语。与其他起重机械通用的名词术语见相应的标准:冶金起重机(metallurgycrane)的定义:适应金属冶炼、轧制等热加工特殊要求,直接用于生产工艺流程中的特种起重机。
冶金起重机的专用名词术语及其定义(或说明)如表所示。编号
名词术语
1 冶金起重机的分类
平炉加料桥式起重
地面加料起重机
料箱起重机
铸造起重机
overhead open-
hearth furnace
charging crane
ground charging
serap charging
ladle crane
国家标准局1986-11-01发布
定义(或说明)
用料箱挑杆作为取物装置,
对平炉加料的桥式起重机
用料箱挑杆作为取物装置,
对平炉加料的地面起重机
借助于料箱吊架,使料箱挂
起、搬运和倾倒,用于转炉加
料的起重机
具有使钢(铁)水包升降和
倾倒机构的起重机
示意图
1987-07-01实施
名词术语
兑铁水起重机
钢水包起重机
脱锭起重机
整模起重机
揭盖起重机
夹钳起重机
hot metal
GB 6974.16--86
定义(或说明)
用铁水包将铁水送入混铁炉
I charging crane
teeming ladle
stripper crane
mould handling
cover carriage
socking pit crane
或转炉的起重机
用钢水包将钢水注人钢锭模,
或将钢水包放置到钢水包回转
台上(连续铸锭装置)的起重
具有脱锭机构的桥式起重机
具有锭模搬运回转夹钳装置
的起重机
用于初轧厂,为均热炉打开
或关闭炉盖用的起重机
采用立式夹钳作为取物装置
的起重机,用来夹取钢坏,送
人均热炉加热
示意图
名词术语
板坏搬运起重机
板坏翻转起重机
料粑起重机
锻造起重机
slab handling
GB 6974.16-86
定义(或说明)
具有板坏夹钳(或电磁吸盘)
装置的起重机。用于轧制或连
铸板坏的搬运和堆垛
slab turn crane
claw crane
forge crane
采用电磁吸盘使板坏翻转的
起重机。用于板坏精整车间
有料耙(或附加电磁吸盘)
横梁,并由倾翻机构使料靶倾
翻的起重机。用于搬运和堆垛、轧制或连铸的条形坏料
具有使锻件提升、翻转和缓
冲装置的桥式起重机
示意图
名词术语
淬火起重机
加热炉装取料起重
料箱电磁起重机
料箱-抓斗起重机
拔棒起重机
2参数
「\作能力
脱锭力
2顶杆顶出力
小钳上拨力
GB 6974.16—86
定义(或说明)
quenching crane
ingot charging
box-handling
crane with magneti
box-handling
crane with grab
electrode -handling
stripping strength
用于痒火工序时,将工件快
速浸人淬火液中的起重机
用装在回转立柱下端的水平
夹钳作为取物装置的起重机。
用来夹取坏料送人卧式加热炉
加热,并从加热炉取出坏料
用料箱托取器和电磁吸盘作
为取物装置的起重机。电磁吸
盘主要用来对料箱装料
用料箱托取器和抓斗作为取
物装置的起重机。抓斗主要用
来对料箱装料
从电解槽中取出炭精棒的起
使钢锭脱离锭模,施加于锭
模中心线方向的力
用顶杆将上小下大的钢锭从
push force of ram
锭模中项出的力
pull up force of
small tong
用小钳将上大下小的钢锭从
锭模中拔出的力
示意图
名词术语
2.2尺寸参数
挑杆摆动行程,h
夹钳开口度
2.2.3顶杆行程
倾翻角度
2.3速度参数
挑杆摆动频率
2.3.2顶杆顶预出速度
2.3.3小钳上拔速度
2.3.4「夹钳开闭频率
倾翻速度
GB 6974.16--86
定义 (或说明)
ascillation stroke
of rod
open mouth level
of clamp
stroke of ram
tipping angle
挑杆头部相对于水平线向上
与向下摆动的最大距离之和
钳体上两工作点间的距离。
最大距离时为最大开口度:最
小距离时为最小开口度
大钳不动,顶杆上、下极限
位置间的距离
盛料工具相对于水平位置,
绕其回转中心线所转过的殿大
oscillation speed
of rod
push speed of
small tong pull
up speed
open and close
speed of tong
挑杆每分钟能完成摆动行程
的次数(min-1)
预杆工作和不工作(空行程)
时,每分钟的下降距离
(m/min)
小钳工作和不工作(空行程)
时,每分钟的上升距离
(m/min)
夹钳每分钟完成开闭的次数
(min-))
tipping speed
盛料工具倾翻时,转过的允
许最大角度所需要的时间
(r/min,(\)/s)
示意图
名词术语
链条速度V
机构和零部件
立柱回转机构
挑杆回转机构
夹钳开闭机构
脱锭机构
料耙倾翻机构
挑杆摆动机构
挑杆锁紧机构
GB 6974.16—86
定义(或说明)免费标准下载网bzxz
linear velocity of
post revolving
mechanism
rod tipping
mechanism
tong operated
mechanism
stripper
claw tipping
mechanism
rod oscillation
mechanism
rod locking
mechanism
链条与「件同时绕工件轴线
回转时,链条中心线上任意点
的切向速度(m/min)
使立柱相对导架部分绕垂直
中心线转动的机构
使挑杆绕水平中心线转动的
使夹钳张开、闭合的机构
直接使钢锭与锭模脱离的机
使靶子绕料粑横梁轴心线完
成倾翻动作的机构
使挑杆相对于水平线完成摆
动动作的机构
使料箱挂住,并锁定在挑杆
上的机构
通过针口之间的夹紧力夹持,
或借助钳口的形状支承重物的
取物装置
名词术语
8.8.1脱锭夹
均热炉夹钳
锭模搬运夹钳
8.8.4板坏夹钳
钢卷夹钳
stripper tong
GB 6974.16-86
定义(或说明)
用于使锭模和钢锭脱开并夹
取、搬运锭模(a),及夹取、
搬运钢锭(b)的夹钳
socking pit clamp
ingot handling
slab clamp
coil clamp
用于夹取和搬运钢锭,为均
热炉送料的夹钳
用于挂住和搬运锭模的夹钳
用于夹取并搬运板坏的夹钳
用于夹取、搬运带钢卷的夹
示意图
名词本语
料箱吊架
scrap chute
hanger
夹钳吊架(钢板提clamphanger
升器)
轧辊吊架(换辊装
翻料器
roll hanger
tipper
GB 6974.1686
定义(或说明)
料箱起重机起吊并倾翻料箱
的取物装置
用于挂取并搬运成捆薄钢板
的取物装置。钳杆用电动机驱
动,可以纵向和横向移动,以
适应挂取不同尺寸的钢板
更换和吊运轧辊(或支撑辊)
的取物装置。以不同方式史持
轧辊。
(a)更换、吊运轧辊用;
(b)吊运轧辑用
借助于驱动链条来提升和翻
转锻件的装置
用于加料起重机支承料箱的
用于脱锭起重机强追脱模时
顶住钢锭的杆件
示意图
见3.8.1中的图a
名词术语
附加说明:
tang ram
pilot ram
guider
GB 6974.16--86
定义 (或说明)
料粑装置上直接挂取重物的
[C型(或L型)杆件
夹钳装置上直接夹持或支托
重物的杆件
为防止冶金起重机悬挂在起!
升绳上的取物(或工作)装置
摆动,而与悬挂部分连结在一
起的刚性导向构件
,为防止冶金起重机悬挂在起
升绳上的取物(或工作)装置
摆动,而与小车架固定在一起
的刚性导向构架
示意图
本标准由中华人民共和国机械工业部、城乡建设环境保护部、交通部共同提出。本标准由北京起重运输机械研究所归口。本标准由北京起重运输机械研究所、长沙建筑机械研究所和交通部标准计量研究所负责起草。本标准主要起草人渠慧敏。
小提示:此标准内容仅展示完整标准里的部分截取内容,若需要完整标准请到上方自行免费下载完整标准文档。
起重机械名词术语
冶金起重机
Lifting appliances - Vocabulary—Metallurgy cranesUDC 621.87
GB 6974.16-86
本标准规定了冶金起重机的专用名词术语。与其他起重机械通用的名词术语见相应的标准:冶金起重机(metallurgycrane)的定义:适应金属冶炼、轧制等热加工特殊要求,直接用于生产工艺流程中的特种起重机。
冶金起重机的专用名词术语及其定义(或说明)如表所示。编号
名词术语
1 冶金起重机的分类
平炉加料桥式起重
地面加料起重机
料箱起重机
铸造起重机
overhead open-
hearth furnace
charging crane
ground charging
serap charging
ladle crane
国家标准局1986-11-01发布
定义(或说明)
用料箱挑杆作为取物装置,
对平炉加料的桥式起重机
用料箱挑杆作为取物装置,
对平炉加料的地面起重机
借助于料箱吊架,使料箱挂
起、搬运和倾倒,用于转炉加
料的起重机
具有使钢(铁)水包升降和
倾倒机构的起重机
示意图
1987-07-01实施
名词术语
兑铁水起重机
钢水包起重机
脱锭起重机
整模起重机
揭盖起重机
夹钳起重机
hot metal
GB 6974.16--86
定义(或说明)
用铁水包将铁水送入混铁炉
I charging crane
teeming ladle
stripper crane
mould handling
cover carriage
socking pit crane
或转炉的起重机
用钢水包将钢水注人钢锭模,
或将钢水包放置到钢水包回转
台上(连续铸锭装置)的起重
具有脱锭机构的桥式起重机
具有锭模搬运回转夹钳装置
的起重机
用于初轧厂,为均热炉打开
或关闭炉盖用的起重机
采用立式夹钳作为取物装置
的起重机,用来夹取钢坏,送
人均热炉加热
示意图
名词术语
板坏搬运起重机
板坏翻转起重机
料粑起重机
锻造起重机
slab handling
GB 6974.16-86
定义(或说明)
具有板坏夹钳(或电磁吸盘)
装置的起重机。用于轧制或连
铸板坏的搬运和堆垛
slab turn crane
claw crane
forge crane
采用电磁吸盘使板坏翻转的
起重机。用于板坏精整车间
有料耙(或附加电磁吸盘)
横梁,并由倾翻机构使料靶倾
翻的起重机。用于搬运和堆垛、轧制或连铸的条形坏料
具有使锻件提升、翻转和缓
冲装置的桥式起重机
示意图
名词术语
淬火起重机
加热炉装取料起重
料箱电磁起重机
料箱-抓斗起重机
拔棒起重机
2参数
「\作能力
脱锭力
2顶杆顶出力
小钳上拨力
GB 6974.16—86
定义(或说明)
quenching crane
ingot charging
box-handling
crane with magneti
box-handling
crane with grab
electrode -handling
stripping strength
用于痒火工序时,将工件快
速浸人淬火液中的起重机
用装在回转立柱下端的水平
夹钳作为取物装置的起重机。
用来夹取坏料送人卧式加热炉
加热,并从加热炉取出坏料
用料箱托取器和电磁吸盘作
为取物装置的起重机。电磁吸
盘主要用来对料箱装料
用料箱托取器和抓斗作为取
物装置的起重机。抓斗主要用
来对料箱装料
从电解槽中取出炭精棒的起
使钢锭脱离锭模,施加于锭
模中心线方向的力
用顶杆将上小下大的钢锭从
push force of ram
锭模中项出的力
pull up force of
small tong
用小钳将上大下小的钢锭从
锭模中拔出的力
示意图
名词术语
2.2尺寸参数
挑杆摆动行程,h
夹钳开口度
2.2.3顶杆行程
倾翻角度
2.3速度参数
挑杆摆动频率
2.3.2顶杆顶预出速度
2.3.3小钳上拔速度
2.3.4「夹钳开闭频率
倾翻速度
GB 6974.16--86
定义 (或说明)
ascillation stroke
of rod
open mouth level
of clamp
stroke of ram
tipping angle
挑杆头部相对于水平线向上
与向下摆动的最大距离之和
钳体上两工作点间的距离。
最大距离时为最大开口度:最
小距离时为最小开口度
大钳不动,顶杆上、下极限
位置间的距离
盛料工具相对于水平位置,
绕其回转中心线所转过的殿大
oscillation speed
of rod
push speed of
small tong pull
up speed
open and close
speed of tong
挑杆每分钟能完成摆动行程
的次数(min-1)
预杆工作和不工作(空行程)
时,每分钟的下降距离
(m/min)
小钳工作和不工作(空行程)
时,每分钟的上升距离
(m/min)
夹钳每分钟完成开闭的次数
(min-))
tipping speed
盛料工具倾翻时,转过的允
许最大角度所需要的时间
(r/min,(\)/s)
示意图
名词术语
链条速度V
机构和零部件
立柱回转机构
挑杆回转机构
夹钳开闭机构
脱锭机构
料耙倾翻机构
挑杆摆动机构
挑杆锁紧机构
GB 6974.16—86
定义(或说明)免费标准下载网bzxz
linear velocity of
post revolving
mechanism
rod tipping
mechanism
tong operated
mechanism
stripper
claw tipping
mechanism
rod oscillation
mechanism
rod locking
mechanism
链条与「件同时绕工件轴线
回转时,链条中心线上任意点
的切向速度(m/min)
使立柱相对导架部分绕垂直
中心线转动的机构
使挑杆绕水平中心线转动的
使夹钳张开、闭合的机构
直接使钢锭与锭模脱离的机
使靶子绕料粑横梁轴心线完
成倾翻动作的机构
使挑杆相对于水平线完成摆
动动作的机构
使料箱挂住,并锁定在挑杆
上的机构
通过针口之间的夹紧力夹持,
或借助钳口的形状支承重物的
取物装置
名词术语
8.8.1脱锭夹
均热炉夹钳
锭模搬运夹钳
8.8.4板坏夹钳
钢卷夹钳
stripper tong
GB 6974.16-86
定义(或说明)
用于使锭模和钢锭脱开并夹
取、搬运锭模(a),及夹取、
搬运钢锭(b)的夹钳
socking pit clamp
ingot handling
slab clamp
coil clamp
用于夹取和搬运钢锭,为均
热炉送料的夹钳
用于挂住和搬运锭模的夹钳
用于夹取并搬运板坏的夹钳
用于夹取、搬运带钢卷的夹
示意图
名词本语
料箱吊架
scrap chute
hanger
夹钳吊架(钢板提clamphanger
升器)
轧辊吊架(换辊装
翻料器
roll hanger
tipper
GB 6974.1686
定义(或说明)
料箱起重机起吊并倾翻料箱
的取物装置
用于挂取并搬运成捆薄钢板
的取物装置。钳杆用电动机驱
动,可以纵向和横向移动,以
适应挂取不同尺寸的钢板
更换和吊运轧辊(或支撑辊)
的取物装置。以不同方式史持
轧辊。
(a)更换、吊运轧辊用;
(b)吊运轧辑用
借助于驱动链条来提升和翻
转锻件的装置
用于加料起重机支承料箱的
用于脱锭起重机强追脱模时
顶住钢锭的杆件
示意图
见3.8.1中的图a
名词术语
附加说明:
tang ram
pilot ram
guider
GB 6974.16--86
定义 (或说明)
料粑装置上直接挂取重物的
[C型(或L型)杆件
夹钳装置上直接夹持或支托
重物的杆件
为防止冶金起重机悬挂在起!
升绳上的取物(或工作)装置
摆动,而与悬挂部分连结在一
起的刚性导向构件
,为防止冶金起重机悬挂在起
升绳上的取物(或工作)装置
摆动,而与小车架固定在一起
的刚性导向构架
示意图
本标准由中华人民共和国机械工业部、城乡建设环境保护部、交通部共同提出。本标准由北京起重运输机械研究所归口。本标准由北京起重运输机械研究所、长沙建筑机械研究所和交通部标准计量研究所负责起草。本标准主要起草人渠慧敏。
小提示:此标准内容仅展示完整标准里的部分截取内容,若需要完整标准请到上方自行免费下载完整标准文档。
标准图片预览:





- 热门标准
- 国家标准(GB)
- GB/T38684-2020 金属材料 薄板和薄带 双轴应力-应变曲线胀形试验 光学测量方法
- GB5585.3-1985 电工用铜、铝及其合金母线 第3部分:铝母线
- GB/T19561-2004 寒地节能日光温室建造规程
- GB/T7574-1987 信息处理交换用磁带标号和文卷结构
- GB/T21666-2008 尿吸收辅助器具 评价的一般指南
- GB/T24715-2009 氧源转换器
- GB/Z21193.2-2008 矿物燃烧蒸汽发电站 第2部分:汽包水位控制
- GB/T18442.6-2011 固定式真空绝热深冷压力容器 第6部分:安全防护
- GB∕T33370-2016 铜及铜合金软化温度的测定方法
- GB/Z18039.7-2011 电磁兼容 环境公用供电系统中的电压暂降、短时中断及其测量统计结果
- GB/T283-2007 滚动轴承圆柱滚子轴承外形尺寸
- GB/T12500-1990 信息处理系统 开放系统互连 面向连接的运输协议规范
- GB/T21242-2019 烟花爆竹 禁限用物质定性检测方法
- GB/T39088-2020 船舶和海上技术 声响接收系统
- GB/T19673.2-2013 滚动轴承 套筒型直线球轴承附件第2部分:5系列外形尺寸和公差
- 行业新闻
请牢记:“bzxz.net”即是“标准下载”四个汉字汉语拼音首字母与国际顶级域名“.net”的组合。 ©2025 标准下载网 www.bzxz.net 本站邮件:bzxznet@163.com
网站备案号:湘ICP备2025141790号-2
网站备案号:湘ICP备2025141790号-2