- 您的位置:
- 标准下载网 >>
- 标准分类 >>
- 机械行业标准(JB) >>
- JB/T 8290-1998 磁粉探伤机
标准号:
JB/T 8290-1998
标准名称:
磁粉探伤机
标准类别:
机械行业标准(JB)
英文名称:
Magnetic Particle Flaw Detector标准状态:
现行-
发布日期:
1998-06-15 -
实施日期:
1998-12-01 出版语种:
简体中文下载格式:
.rar.pdf下载大小:
213.73 KB
标准ICS号:
试验>>19.100无损检测中标分类号:
仪器、仪表>>试验机与无损探伤仪器>>N78X射线、磁粉、荧光及其他探伤仪器
替代情况:
JB/T 8290-95采标情况:
ASTM E709-80(85) NEQ

部分标准内容:
JB/T8290--1998
本标准是参考美国材料与试验协会的无损检测标准ASTME709--80(85)《磁粉检测实施法》及其他技术先进国家的标准中有关对无损检测设备的要求并根据我国国情对原国家标准GB3721-83《磁粉探伤机》(该标准经国家技术监督局和机械工业部清理整顿后已调为行业标推,并经机械工业部重新编号为JB/T8290-95)进行修订的。本标准与原国家标准GB3721~-83的主要技术差异如下:a)电流表指示误差采用ASTME709的要求;b)增加了对黑光源的校验;
c)对环境条件试验作了较大改动;d)增加了有关电气安全方面的试验方法。有关旋转磁场探伤仪、电磁轭探伤仪标准可参见:a)JB/T6870-93旋转磁场探伤仪技术条件;b)JB/T7411--~94电磁轭探伤仪技术条件。本标准自实施之日起,代替JB/T8290-95(原GB3721--83))。本标准由全国试验机标准化技术委员会提出并归口。本标准负责起草单位:机械工业部长春试验机研究所。本标准参加起草单位:江苏省射阳县无线电厂、上海探伤机厂、南京东电探伤机厂、邯郸无损探测设备厂。
本标准主要起草人:郭永祥、骆嘉龄、蒋凤阳、胡传俊、曾德文、赵贺祥。456
1范围
中华人民共和国机械行业标准
磁粉探伤机
Magnetic particle flaw detectors本标准规定了生产磁粉探伤机的要求和检验方法。JB/T8290—1998
代替JB/T8290---95
本标准适用于交流、直流、半波整流及全波整流磁粉探伤机;不适用于电磁轭探伤仪、旋转磁场探伤仪等磁轭式磁粉探伤仪。
2引用标准
下列标准所包含的条文,通过在本标准中引用而构成为本标准的条文。本标准出版时,所示版本均为有效。所有标准都会被修订,使用本标准的各方应探讨使用下列标准最新版本的可能性。GB/T2611--92试验机通用技术要求GB5097.-85黑光源的问接评定方法JB/T6147--92试验机包装、包装标志、储运技术要求JB/T7406.2--94试验机术语无损检测仪器ZBN70001--87试验机与无损检测仪器型号编制方法3定义
本标推采用JB/T7406.2及以下定义:一-体型磁粉探伤机 unitary type magnetic particle flaw detector般由磁化电源、夹持、磁粉施加、观察、退磁等部分组成一体的磁粉探伤机。分立型磁粉探仿机split type magnetic particle fiaw detector磁粉探伤机中的各组成部分,按功能制成单独分立的装置,在探伤时组合成系统使用,该组合系统称为分立型磁粉探伤机。分立的装置一般包括磁化电源、夹持装置、退磁装置、断电相位控制器等。4分类与命名
4、1磁粉探伤机的结构一般分为一体型和分立型,4.2-体型磁粉探伤机的型式、规格见表1;分立型磁粉探伤机的型式、规格参照表1。4.3磁粉探伤机的型号命名应符合ZBN70001的规定。5技术要求
国家机械工业局1998-06-15批准1998-12-01实施
携帮式
移动式
额定周向磁化电流
磁化电流为有效值。
JB/T 8290--1998
额定周向磁化电流
额定纵向磁化安匝数
随磁化线圈的形
状,放置位置等因
素变化.原则上要
固定式
2线圈安匝数及内径由制造厂给出。5.1
求略高于周向磁
化的磁场强度.以
安匝数计
磁粉探伤机应在下列环境条件下正常工作:温度10℃~+40℃;
空气相对湿度不大于85%:
无大量尘埃、易燃或腐蚀性气体;d)无强电磁辐射和电磁干扰;
电源电压波动不超过额定电源电压的土10%。3000
夹头间距免费标准bzxz.net
0~1500
0~250c
周向磁化电流和纵向磁化安匝数应能调节,并有指示表指示,在使用规定试件时,其值应符合表15.2
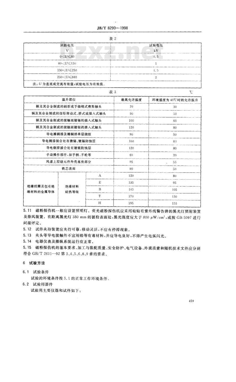
5.3周向磁化电流和纵向磁化安函数对示值的最大相对误差为士10%。5.4可设有调节和控制磁化时间的时控装置,以调节和控制磁化时间的长短。5.5退磁装置应能根据试件的用途将剩磁减小到指定的限度,剩磁感应强度不应大于0.2mT。5.6磁粉探伤机应采取电气安全防护措施,以保证使用者的人身安全。5.6.1整机绝缘电阻不小于2Mo。5.6.2在室温20℃士5℃,相对湿度不大于85%的条件下,各回路绝缘强度在表2规定的50Hz正弦交变试验电压作用下,历时1min而无飞弧和击穿现象。对不能承受规定试验电压的电器元件,试验时应拆除。5.7磁粉探伤机在重复使用率(通常称\暂载率”)为10%~20%时,工作4h后,各部位的最高允许温.度和允许温升应符合表3的规定。5.8磁粉探伤机在规定的包装条件下,经运输颠簸试验后,仍应满足本标准的全部技术要求。5.9干磁粉施加装置应能使干磁粉轻而均匀地喷覆于被检表面,并有足够的力除去多余的磁粉而不影响已形成的磁痕。
5.10磁悬液传输系统不应出现漏液和阻塞现象,储液箱内应设有搅拌机构。磁悬液施加装胃应能使均勾弥散着磁粉的磁悬液稳定地施加到被检表面而不影响已形成的磁痕。458
回路电压
60-U130
130U250
230U≤660
JB/T 8290-1998
注:U为直流或交流有效值:试验电压为有效值表3
温升部位
铜及其合金制成的刷形或手插销式锲形触头铜及其合金制成的指形滑动式、桥式或插入式触头铜及其合金制成的接触面镀锡的插人式触头铜及其合金制成的接触面镀银的插人式触头导电裸铜排及裸铜排单层绕组
导电排接合处有携锡、镀锡防蚀层导电铜排接合处有镀银防蚀层
手动操作部件,如手柄、手轮等风道上层硅光件外壳基座部分
铁芯表面
绝缘线圈及包有绝
缘材料的金属导体
绝缘材料
耐热等级
最高允许温度
试验电压
环境温度为40℃时的允许温升
磁粉探伤机一般应设置照明灯。荧光磁粉探伤机应采用粘贴有紫外线警告牌的黑光灯照射装置5.11
及排风装置。在距离黑光灯380mm的被检表面处,黑光强度应大于800μW/cm2,或按GB5097进行间接评定。
5.12试件夹持装置应夹持可靠,移动灵活,不应有停滞现象。5.13夹头等导电接触件不宜用铅等有毒材料,并应导电良好,不得产生电弧闪光。5.14电器仪表及操纵系统运行应正常。5.15磁粉探伤机的基本要求、加工与装配质量、安全防护、电气设备、外观质量和随机技术文件应分别符合GB/T2611—92第3、4、5、6、8、9章的要求。6试验方法
6.1试验条件
试验的环境条件按5.1的正常工作环境条件。6.2试验用器件
试验用主要仪器和试件如下:
a)直流兆欧表,500V;
JB/T8290--1998
b)耐压试验装置,0~3000V,不小于0.5kVA;c)标准电流表和标准电压表,0.5级;d)电流互感器,1级;
e)分流器,l级;
f)半导体温度计;
g)场强计,±5%;
h)黑光计:
i)规定试件:@25mm×460mm,T2紫铜;j)退磁试件:Φ30mmX300mm,45号钢,860℃水萍火,480℃回火,洛氏硬度38HRC~42HRC。6.3额定周向磁化电流和额定纵向磁化安匝数的检验使用规定试件,由低到高调整磁化电流,观察磁粉探伤机周向磁化电流和纵向磁化安匝数指示值,应满足5.2的要求。
6.4周向磁化电流和纵向磁化安匝数相对误差的测量6.4.1利用规定试件、相应规格的电流互感器或分流器,将对应量程的标准电流表和标准电压表接人磁粉探伤机磁化电流的输出端,6.4.2调整调流装置,在磁粉探伤机的周向磁化电流指示表和纵向磁化安匝数指示表满刻度的30%、60%和100%三点(额定周向磁化电流为6000A及以上时.取50%和100%两点)记录标准电流表的指示值,得到与磁粉探伤机电流表读数相对应的测量值I。重复测量三次,6.4.3周向磁化电流相对误差和纵向磁化安匝数相对误差按公式(1)计算:V
式中:V
×100%
周向磁化电流相对误差或纵向磁化安匝数相对误差;I-磁粉探伤机电流表指示值,A;T…对同测量点,所测得1的算术平均值,A。结果应满足5.3的要求。
6.5剩磁感应强度的测量
(1)
使用规定的退磁试件,将已磁化的退磁试件退磁,用场强计测量试件退磁后的剩磁感应强度,应满足5.5的要求。
6.6绝缘电阻的测量
磁粉探伤机处于非工作状态,开关置于接通位置,用直流兆欧表测量电源进线与保护接地电路之间的绝缘电阻,应满足5.6.1的要求。6.7绝缘强度试验
磁粉探伤机处于非工作状态,开关置于接通位置,用耐压试验装置在电源进线与保护接地电路之间施加表2规定的试验电压。试验时,试验电压应逐渐上升到规定值,在规定的电压上保持1min,然后平稳下降到零,应满足5.6.2的要求。6.8温度测量
用规定试件,使磁粉探伤机按5.7规定的重复使用率或按公式(2)求得的等效电流连续工作4h后,用半导体温度计测量表3规定的各部位的温度。I IN
式中:1
等效电流,A;
I,-n-—额定周向磁化电流.A;
(2)
--磁化时间,S:
T工作周期,s。
6.9运输颠簸试验
JB/T 8290-1998
磁粉探伤机包装件可进行实际运输试验或模拟汽车运输试验·条件是:a)路面:三级公路的中级路面;b)里程:200km;
c)车速:25km/h~40km/h。
试验结果应满足5.8的要求。对试验结果有争议时,按实际运输试验仲裁。6.10黑光强度的测量
方法1:用黑光计测量距离黑光灯380mm被检表面处的黑光强度。方法2:按GB5097进行间接评定。试验结果应满足5.11的要求。对试验结果有争议时,按方法1仲裁。6.11目测检验
本标准5.9、5.10、5.12、5.13、5.14和5.15按常规和目测方法检验。7检验规则
7.1出厂检验
7.1.1出厂检验项目包括5.2、5.3、5.4、5.5、5.6、5.9、5.10、5.11、5.12、5.13、5.14、5.157.1.2每台磁粉探伤机应按出厂检验项目检验合格后方能出厂,并附有证明产品质量合格的文件。7.2型式检验
7.2.1型式检验项目包括本标准规定的全部要求。7.2.2有下列情况之一时,应进行型式检验:a)新产品或老产品转厂生产的试制定型鉴定;b)产品正式生产后,其结构设计、材料、工艺有较大改变.可能影响产品性能时;c)产品长期停产后,恢复生产时;d)出厂检验结果与上次型式检验有较大差异时;e)国家质量监督机构提出进行型式检验要求时。7.3判定规则
7.3.1对于出厂检验,每台产品按规定的检验项目,合格率应达100%。7.3.2对于型式检验,当批量不大于50台时,抽样二台,若检验后有一台不合格,则判定该批产品为不合格批;当批量大于50台时,抽样五台,若检验后样本中出现二台或二台以上的不合格品,则判定该批产品为不合格批。
8标志、包装、运输、存
8.1磁粉探伤机应具有铭牌,内容包括:a)产品名称、型号;
b)主要参数;
c)制造者名称;
d)制造期:
e)制造编号。
8.2磁粉探伤机应采用防水、防潮、防锈的复合防护包装。8.3磁粉探伤机包装、包装标志、储运应符合JB/T6147--92的4.4.1、4.4.2、4.4.4和第5、6章的要求。461
小提示:此标准内容仅展示完整标准里的部分截取内容,若需要完整标准请到上方自行免费下载完整标准文档。
本标准是参考美国材料与试验协会的无损检测标准ASTME709--80(85)《磁粉检测实施法》及其他技术先进国家的标准中有关对无损检测设备的要求并根据我国国情对原国家标准GB3721-83《磁粉探伤机》(该标准经国家技术监督局和机械工业部清理整顿后已调为行业标推,并经机械工业部重新编号为JB/T8290-95)进行修订的。本标准与原国家标准GB3721~-83的主要技术差异如下:a)电流表指示误差采用ASTME709的要求;b)增加了对黑光源的校验;
c)对环境条件试验作了较大改动;d)增加了有关电气安全方面的试验方法。有关旋转磁场探伤仪、电磁轭探伤仪标准可参见:a)JB/T6870-93旋转磁场探伤仪技术条件;b)JB/T7411--~94电磁轭探伤仪技术条件。本标准自实施之日起,代替JB/T8290-95(原GB3721--83))。本标准由全国试验机标准化技术委员会提出并归口。本标准负责起草单位:机械工业部长春试验机研究所。本标准参加起草单位:江苏省射阳县无线电厂、上海探伤机厂、南京东电探伤机厂、邯郸无损探测设备厂。
本标准主要起草人:郭永祥、骆嘉龄、蒋凤阳、胡传俊、曾德文、赵贺祥。456
1范围
中华人民共和国机械行业标准
磁粉探伤机
Magnetic particle flaw detectors本标准规定了生产磁粉探伤机的要求和检验方法。JB/T8290—1998
代替JB/T8290---95
本标准适用于交流、直流、半波整流及全波整流磁粉探伤机;不适用于电磁轭探伤仪、旋转磁场探伤仪等磁轭式磁粉探伤仪。
2引用标准
下列标准所包含的条文,通过在本标准中引用而构成为本标准的条文。本标准出版时,所示版本均为有效。所有标准都会被修订,使用本标准的各方应探讨使用下列标准最新版本的可能性。GB/T2611--92试验机通用技术要求GB5097.-85黑光源的问接评定方法JB/T6147--92试验机包装、包装标志、储运技术要求JB/T7406.2--94试验机术语无损检测仪器ZBN70001--87试验机与无损检测仪器型号编制方法3定义
本标推采用JB/T7406.2及以下定义:一-体型磁粉探伤机 unitary type magnetic particle flaw detector般由磁化电源、夹持、磁粉施加、观察、退磁等部分组成一体的磁粉探伤机。分立型磁粉探仿机split type magnetic particle fiaw detector磁粉探伤机中的各组成部分,按功能制成单独分立的装置,在探伤时组合成系统使用,该组合系统称为分立型磁粉探伤机。分立的装置一般包括磁化电源、夹持装置、退磁装置、断电相位控制器等。4分类与命名
4、1磁粉探伤机的结构一般分为一体型和分立型,4.2-体型磁粉探伤机的型式、规格见表1;分立型磁粉探伤机的型式、规格参照表1。4.3磁粉探伤机的型号命名应符合ZBN70001的规定。5技术要求
国家机械工业局1998-06-15批准1998-12-01实施
携帮式
移动式
额定周向磁化电流
磁化电流为有效值。
JB/T 8290--1998
额定周向磁化电流
额定纵向磁化安匝数
随磁化线圈的形
状,放置位置等因
素变化.原则上要
固定式
2线圈安匝数及内径由制造厂给出。5.1
求略高于周向磁
化的磁场强度.以
安匝数计
磁粉探伤机应在下列环境条件下正常工作:温度10℃~+40℃;
空气相对湿度不大于85%:
无大量尘埃、易燃或腐蚀性气体;d)无强电磁辐射和电磁干扰;
电源电压波动不超过额定电源电压的土10%。3000
夹头间距免费标准bzxz.net
0~1500
0~250c
周向磁化电流和纵向磁化安匝数应能调节,并有指示表指示,在使用规定试件时,其值应符合表15.2
5.3周向磁化电流和纵向磁化安函数对示值的最大相对误差为士10%。5.4可设有调节和控制磁化时间的时控装置,以调节和控制磁化时间的长短。5.5退磁装置应能根据试件的用途将剩磁减小到指定的限度,剩磁感应强度不应大于0.2mT。5.6磁粉探伤机应采取电气安全防护措施,以保证使用者的人身安全。5.6.1整机绝缘电阻不小于2Mo。5.6.2在室温20℃士5℃,相对湿度不大于85%的条件下,各回路绝缘强度在表2规定的50Hz正弦交变试验电压作用下,历时1min而无飞弧和击穿现象。对不能承受规定试验电压的电器元件,试验时应拆除。5.7磁粉探伤机在重复使用率(通常称\暂载率”)为10%~20%时,工作4h后,各部位的最高允许温.度和允许温升应符合表3的规定。5.8磁粉探伤机在规定的包装条件下,经运输颠簸试验后,仍应满足本标准的全部技术要求。5.9干磁粉施加装置应能使干磁粉轻而均匀地喷覆于被检表面,并有足够的力除去多余的磁粉而不影响已形成的磁痕。
5.10磁悬液传输系统不应出现漏液和阻塞现象,储液箱内应设有搅拌机构。磁悬液施加装胃应能使均勾弥散着磁粉的磁悬液稳定地施加到被检表面而不影响已形成的磁痕。458
回路电压
60-U130
130U250
230U≤660
JB/T 8290-1998
注:U为直流或交流有效值:试验电压为有效值表3
温升部位
铜及其合金制成的刷形或手插销式锲形触头铜及其合金制成的指形滑动式、桥式或插入式触头铜及其合金制成的接触面镀锡的插人式触头铜及其合金制成的接触面镀银的插人式触头导电裸铜排及裸铜排单层绕组
导电排接合处有携锡、镀锡防蚀层导电铜排接合处有镀银防蚀层
手动操作部件,如手柄、手轮等风道上层硅光件外壳基座部分
铁芯表面
绝缘线圈及包有绝
缘材料的金属导体
绝缘材料
耐热等级
最高允许温度
试验电压
环境温度为40℃时的允许温升
磁粉探伤机一般应设置照明灯。荧光磁粉探伤机应采用粘贴有紫外线警告牌的黑光灯照射装置5.11
及排风装置。在距离黑光灯380mm的被检表面处,黑光强度应大于800μW/cm2,或按GB5097进行间接评定。
5.12试件夹持装置应夹持可靠,移动灵活,不应有停滞现象。5.13夹头等导电接触件不宜用铅等有毒材料,并应导电良好,不得产生电弧闪光。5.14电器仪表及操纵系统运行应正常。5.15磁粉探伤机的基本要求、加工与装配质量、安全防护、电气设备、外观质量和随机技术文件应分别符合GB/T2611—92第3、4、5、6、8、9章的要求。6试验方法
6.1试验条件
试验的环境条件按5.1的正常工作环境条件。6.2试验用器件
试验用主要仪器和试件如下:
a)直流兆欧表,500V;
JB/T8290--1998
b)耐压试验装置,0~3000V,不小于0.5kVA;c)标准电流表和标准电压表,0.5级;d)电流互感器,1级;
e)分流器,l级;
f)半导体温度计;
g)场强计,±5%;
h)黑光计:
i)规定试件:@25mm×460mm,T2紫铜;j)退磁试件:Φ30mmX300mm,45号钢,860℃水萍火,480℃回火,洛氏硬度38HRC~42HRC。6.3额定周向磁化电流和额定纵向磁化安匝数的检验使用规定试件,由低到高调整磁化电流,观察磁粉探伤机周向磁化电流和纵向磁化安匝数指示值,应满足5.2的要求。
6.4周向磁化电流和纵向磁化安匝数相对误差的测量6.4.1利用规定试件、相应规格的电流互感器或分流器,将对应量程的标准电流表和标准电压表接人磁粉探伤机磁化电流的输出端,6.4.2调整调流装置,在磁粉探伤机的周向磁化电流指示表和纵向磁化安匝数指示表满刻度的30%、60%和100%三点(额定周向磁化电流为6000A及以上时.取50%和100%两点)记录标准电流表的指示值,得到与磁粉探伤机电流表读数相对应的测量值I。重复测量三次,6.4.3周向磁化电流相对误差和纵向磁化安匝数相对误差按公式(1)计算:V
式中:V
×100%
周向磁化电流相对误差或纵向磁化安匝数相对误差;I-磁粉探伤机电流表指示值,A;T…对同测量点,所测得1的算术平均值,A。结果应满足5.3的要求。
6.5剩磁感应强度的测量
(1)
使用规定的退磁试件,将已磁化的退磁试件退磁,用场强计测量试件退磁后的剩磁感应强度,应满足5.5的要求。
6.6绝缘电阻的测量
磁粉探伤机处于非工作状态,开关置于接通位置,用直流兆欧表测量电源进线与保护接地电路之间的绝缘电阻,应满足5.6.1的要求。6.7绝缘强度试验
磁粉探伤机处于非工作状态,开关置于接通位置,用耐压试验装置在电源进线与保护接地电路之间施加表2规定的试验电压。试验时,试验电压应逐渐上升到规定值,在规定的电压上保持1min,然后平稳下降到零,应满足5.6.2的要求。6.8温度测量
用规定试件,使磁粉探伤机按5.7规定的重复使用率或按公式(2)求得的等效电流连续工作4h后,用半导体温度计测量表3规定的各部位的温度。I IN
式中:1
等效电流,A;
I,-n-—额定周向磁化电流.A;
(2)
--磁化时间,S:
T工作周期,s。
6.9运输颠簸试验
JB/T 8290-1998
磁粉探伤机包装件可进行实际运输试验或模拟汽车运输试验·条件是:a)路面:三级公路的中级路面;b)里程:200km;
c)车速:25km/h~40km/h。
试验结果应满足5.8的要求。对试验结果有争议时,按实际运输试验仲裁。6.10黑光强度的测量
方法1:用黑光计测量距离黑光灯380mm被检表面处的黑光强度。方法2:按GB5097进行间接评定。试验结果应满足5.11的要求。对试验结果有争议时,按方法1仲裁。6.11目测检验
本标准5.9、5.10、5.12、5.13、5.14和5.15按常规和目测方法检验。7检验规则
7.1出厂检验
7.1.1出厂检验项目包括5.2、5.3、5.4、5.5、5.6、5.9、5.10、5.11、5.12、5.13、5.14、5.157.1.2每台磁粉探伤机应按出厂检验项目检验合格后方能出厂,并附有证明产品质量合格的文件。7.2型式检验
7.2.1型式检验项目包括本标准规定的全部要求。7.2.2有下列情况之一时,应进行型式检验:a)新产品或老产品转厂生产的试制定型鉴定;b)产品正式生产后,其结构设计、材料、工艺有较大改变.可能影响产品性能时;c)产品长期停产后,恢复生产时;d)出厂检验结果与上次型式检验有较大差异时;e)国家质量监督机构提出进行型式检验要求时。7.3判定规则
7.3.1对于出厂检验,每台产品按规定的检验项目,合格率应达100%。7.3.2对于型式检验,当批量不大于50台时,抽样二台,若检验后有一台不合格,则判定该批产品为不合格批;当批量大于50台时,抽样五台,若检验后样本中出现二台或二台以上的不合格品,则判定该批产品为不合格批。
8标志、包装、运输、存
8.1磁粉探伤机应具有铭牌,内容包括:a)产品名称、型号;
b)主要参数;
c)制造者名称;
d)制造期:
e)制造编号。
8.2磁粉探伤机应采用防水、防潮、防锈的复合防护包装。8.3磁粉探伤机包装、包装标志、储运应符合JB/T6147--92的4.4.1、4.4.2、4.4.4和第5、6章的要求。461
小提示:此标准内容仅展示完整标准里的部分截取内容,若需要完整标准请到上方自行免费下载完整标准文档。

标准图片预览:





- 其它标准
- 热门标准
- 机械行业标准(JB)
- JB/T6882-2006 泵可靠性验证试验
- JB/T5000.3-2007 重型机械通用技术条件 第3部分:焊接件
- JB/T9592.2-1999 全金属12角法兰面锁紧螺母 技术条件
- JB/T4718-1992 管壳式换热器用金属包垫片
- JB8734.2-1998 额定电压 450/750V及以下聚氯乙烯绝缘电缆电线和软线第2部分: 固定布线用电缆电线
- JB/T10325-2002 锅炉除氧器 技术条件
- JB/T10187-2011 滚动轴承 深沟球轴承振动
- JB/T7991.4-2001 电镀超硬磨料制品 磨头
- JB/T8528-1997 普通型阀门电动装置 技术条件
- JBJ10-1996 机械工厂采暖通风与空气调节设计规范
- JB/T2740-2008 工业机械电气设备 电气图、图解和表的绘制
- JB/T82.1-1994 凸面对焊钢制管法兰
- JB/T6313.2-1992 电工铜编织线 斜纹编织线
- JB/T10472-2005 光轮压路机
- JB/T5917-2006 袋式除尘器用滤袋框架
- 行业新闻
请牢记:“bzxz.net”即是“标准下载”四个汉字汉语拼音首字母与国际顶级域名“.net”的组合。 ©2009 标准下载网 www.bzxz.net 本站邮件:bzxznet@163.com
网站备案号:湘ICP备2023016450号-1
网站备案号:湘ICP备2023016450号-1