- 您的位置:
- 标准下载网 >>
- 标准分类 >>
- 国家标准(GB) >>
- GB/T 6417-1986 金属熔化焊焊缝缺陷分类及说明
标准号:
GB/T 6417-1986
标准名称:
金属熔化焊焊缝缺陷分类及说明
标准类别:
国家标准(GB)
标准状态:
已作废-
发布日期:
1986-05-24 -
实施日期:
1987-05-01 -
作废日期:
2006-04-01 出版语种:
简体中文下载格式:
.rar.pdf下载大小:
225.76 KB
替代情况:
被GB/T 6417.1-2005代替采标情况:
=ISO 6520-82

点击下载
标准简介:
标准下载解压密码:www.bzxz.net
本标准适用于金属熔化焊。本标准等效采用ISO 6520-1982《金属熔化焊焊缝缺陷分类及说明》。 GB/T 6417-1986 金属熔化焊焊缝缺陷分类及说明 GB/T6417-1986

部分标准内容:
中华人民共和国国家标准
金属熔化焊焊缝缺陷分类及说明Classification of imperfectionsin metallic fusion welds, with explanations本标准适用于金属熔化焊。
本标准等效采用1SO6520—1982《金属熔化焊焊缝缺陷分类及说明》。分类
金属熔化焊焊缝缺陷分为以下6类:第1类
第2类
第3类
第4类
第5类
第6类
标记及说明
裂纹,
孔穴,
固体夹杂,
未熔合和未焊透
形状缺陷;
上述以外的其它缺陷。
UDC 621.791.5
GB 6417--86
本标准按缺陷性质分大类,按存在的位置及状态分小类,以表格的方式列出。缺陷用数字序号标记。每一缺陷大类用一个三位阿拉伯数字标记,每缺陷小类用一个四位阿拉伯数字标记,同时采用国际焊接学会(IIW)“参考射线底片汇编”中目前通用的缺陷字母代号来对缺陷进行简化标记。本标准所列出的缺陷是金属熔化焊焊缝种类和焊缝形式的焊接接头缺陷的名称。每一数字序号仅适合于某一特定类型的缺陷,例如1021“焊缝横向裂纹”,1023“热影响区横向裂纹”等。各类缺陷的标记如下表所示。
IW射线
底片缺陷
字母代号
国家标准局1986-05-24发布
第1类www.bzxz.net
在焊接应力及其它
致脆因素共同作用下,
辉接接头中局部地区
的金属原子结合力道
到破坏而形成的新界
面而产生的缝隙
1987-05-01实施
HW射线
底片缺陷
字母代号
微观裂纹
纵向裂纹
横向製纹
放射状裂纹
弧坑裂纹
GB 6417-86
在显微镜下才能观
察到的裂纹
基本上与焊缝轴线
平行的纹,可能存
在于:
一焊缝金属中,
熔合线上,
热影响区中,
母材金属中
基本上与焊缝轴线
垂直的裂纹,可能位
焊缝金属中,
热影响区中,
母材金属中
具有基一公共点的
放射状裂纹,可能位
焊缝金属中,
热影响区中,
母材金属中
注:这种类型的小
裂纹也可以叫做星形製
在焊缝妆弧弧坑处
的裂纹,可能是:
一纵向的;
一横向的,
星形的
热影响区
IW射线
底片缺陷
字母代号
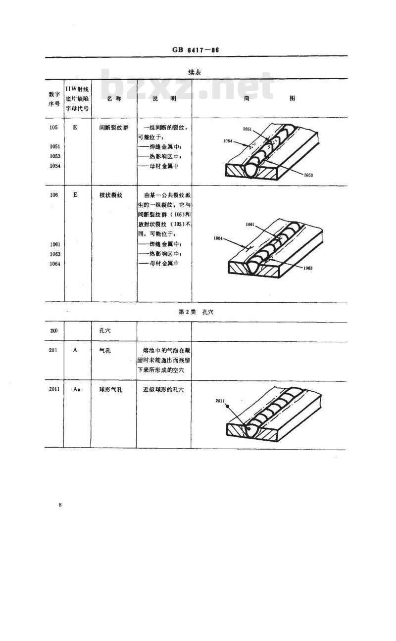
间断裂纹群
枝状裂纹
球形气孔
GB 6417-86
一组间断的裂纹,
可能位于:
焊缝金属中
热影响区中,
-母材金属中
由某一公共裂纹派
生的一组裂纹,它与
间断裂纹群(105)和
放射状裂纹(103)不
同,可能位于:
焊缝金鳳中,
一热影响区中,
母材金属中
第2类孔穴
熔池中的气泡在凝
固时未能逸出而残留
下来所形成的空穴
近似球形的孔穴
HIW射线
底片缺陷
字母代号
均布气孔
局部密集气孔
链状气孔
条形气孔
GB 6417--86
大量气孔比较哟匀
地分布在整个焊缝金
属中,不要与链状气
孔(2014)相混淆
气孔群
与焊缝轴线平行的
威串气孔
长度方向与焊缝轴
线近似平行的非球形
的长气孔
W射线
底片缺陷
字母代号
虫形气孔
表面气孔
结晶缩孔
微缩孔
棱晶间微缩孔
GB 6417-86
由于气孔在焊缝金
属中上浮而引起的管
状孔穴,其位置和形
状是由凝固的形式和
气孔的来源决定的,
通常,它们成群地出
现并且成人字形分布
暴露在焊缝表面的
熔化金属在凝固过
程中收缩而产生的,1
残留在熔核中的孔穴
冷却过程中在焊缝
中心形成的长形收缩
孔穴,可能有残留气
体,这种缺陷通常在
垂直焊缝表面方向上
在显微镜下观繁到!
的缩孔
在显微镜下观察到
的枝晶间微缩孔
HW射线
底片缺陷
字母代号
弧坑缩孔
固体夹杂
[夹渣
焊剂或熔剂夹渣
氨化物夹杂
GB 6417—86
指焊道末端的凹陷,
且在后续焊道焊接之
前或在后续焊道焊接
过程中未被消除
第3类
在焊缝金属中残留
的固体夹杂物
残留在焊缝中的熔
渣,根据其形成的情
况,可以分为:
一线状的,
一孤立的,
其它型式的
残留在焊缝金属中!
的焊剂或熔剂,根据
其形成的情况,可以
分为:
线状的,
孤立的,
-其它型式的
凝固过程中在焊缝
金属中残留的金属氧
固体夹杂
见3011~3013
uw射线
底片缺陷
字母代号
金属夹杂
未熔合和未焊透
未熔合
来焊透
GB 6417-86
在某些情况下,特
别是铝合金焊接时,
由于对焊接熔池保护
不良和熔池中紊流而
产生的大量氧化膜
残留在焊缝金属中
的来自外部的金属颗
粒,这种金属颗粒可
能是,
其它金属
第4类未熔合和末焊透
在焊缝金属和母材
之间或焊道金属和焊
道金属之间未全熔
化结合的部分,它可
分为下述几种形式:
侧壁未熔合:
层间未熔合!
焊缝根部未熔合
焊接时接头的根部
未完全熔透的现象
mw射线
底片缺陷
字母代号
形状缺陷
连续咬边
间断咬边
焊缝超高
GB 6417—86
第5类形状缺陷
焊缝的表面形状与
原设计几何形状有偏
因焊接造成的焊趾
(或焊根)处的沟槽,
咬边可能是连续的
(5011)或间断的
(5012)
由于焊缝金属的收
缩,在根部焊道每,
侧产生的浅的沟槽(也
可见515)
对接焊缝表面上焊
缝金属过高
IW射线
底片缺陷
宇母代号
凸度过大
局部下塌
焊缝型面不良
角度偏差
GB 6417—86
角焊缝表面的焊缝
金属过高
穿过单层焊缝根部
从多层焊接接头穿
过前道熔敷金属塌落
的过量焊缝金属
局部塌落
母材金属表面与靠
近焊趾处焊鐘表面的
切面之间的角度α过小
焊接过程中,熔化
金属流尚到焊缝之外
末熔化的母材上所形
战的金属瘤
由于两个焊件没有
对正而造成板的中心
线平行偏差
由于两个焊件没有
对正而使它们的表面
不平行(或不成预定)
的角度)
由于重力作用造成
的焊缝金属塌落
IW射线
底片缺陷
字母代号
未焊满
焊脚不对称
焊缝宽度不齐
表面不规则
根部收缩
GB 6417-86
横焊缝垂真直下垂;
平焊缝或仰焊缝
下垂:
一角焊缝下垂;
—边缘下垂
焊接过程中,熔化
金属自坡口背而流出,
形成穿孔的缺陷
由于填充金属不足,
在焊缝表面形成的连
续或断续的沟槽
缝宽度改变过大
表面过分粗糙
由于对接焊缝极部
收缩选成的浅的沟槽
(也可见5013)
IW射线!
底片缺陷
字母代号
根部气孔
焊缝接头不良
,其它缺陷
1电弧擦伤
钨飞溅
表面撕裂
GB 6417--86
在凝固瞬间,由于
焊缝析出气体而在焊
缝根部形成的多孔状
焊缝衔接处的局部
表面不规则
第6类其它缺陷
不能包括在1~5
类缺陷的其它缺陷
在焊缝坡口外部引
弧或打弧时产生于母
材金属表面上的局部
熔焊过程中,熔化
的金属颗粒和熔渣向
周图飞散的现象。这!
种飞散出的金属颖颗粒
和熔渣习惯上也叫飞
从钨电极过渡到母
材金属表面或凝固焊
缝金属表面上的钨颗
不按操作规程拆除
临时焊接的附件时产
生于母材金属表面的
IIW射线
底片缺陷
字母代号
附加说明:
打磨过量
定位焊缺陷
层间错位
GB 6417 ~-86
不按操作规程打磨
引起的局部表面损伤
不按操作规程使用!
扁铲或其它工具铲凿
金属而产生的局部损
由于打磨引起的工
件或焊缝的不允许的
不按规定程序熔敷
的焊道
本标准由中华人民共和国机械工业部提出,由机械工业部哈尔滨焊接研究所归口。本标准由机械工业部哈尔滨焊接研究所负责起草。本标准主要起草人魏校华。
小提示:此标准内容仅展示完整标准里的部分截取内容,若需要完整标准请到上方自行免费下载完整标准文档。
金属熔化焊焊缝缺陷分类及说明Classification of imperfectionsin metallic fusion welds, with explanations本标准适用于金属熔化焊。
本标准等效采用1SO6520—1982《金属熔化焊焊缝缺陷分类及说明》。分类
金属熔化焊焊缝缺陷分为以下6类:第1类
第2类
第3类
第4类
第5类
第6类
标记及说明
裂纹,
孔穴,
固体夹杂,
未熔合和未焊透
形状缺陷;
上述以外的其它缺陷。
UDC 621.791.5
GB 6417--86
本标准按缺陷性质分大类,按存在的位置及状态分小类,以表格的方式列出。缺陷用数字序号标记。每一缺陷大类用一个三位阿拉伯数字标记,每缺陷小类用一个四位阿拉伯数字标记,同时采用国际焊接学会(IIW)“参考射线底片汇编”中目前通用的缺陷字母代号来对缺陷进行简化标记。本标准所列出的缺陷是金属熔化焊焊缝种类和焊缝形式的焊接接头缺陷的名称。每一数字序号仅适合于某一特定类型的缺陷,例如1021“焊缝横向裂纹”,1023“热影响区横向裂纹”等。各类缺陷的标记如下表所示。
IW射线
底片缺陷
字母代号
国家标准局1986-05-24发布
第1类www.bzxz.net
在焊接应力及其它
致脆因素共同作用下,
辉接接头中局部地区
的金属原子结合力道
到破坏而形成的新界
面而产生的缝隙
1987-05-01实施
HW射线
底片缺陷
字母代号
微观裂纹
纵向裂纹
横向製纹
放射状裂纹
弧坑裂纹
GB 6417-86
在显微镜下才能观
察到的裂纹
基本上与焊缝轴线
平行的纹,可能存
在于:
一焊缝金属中,
熔合线上,
热影响区中,
母材金属中
基本上与焊缝轴线
垂直的裂纹,可能位
焊缝金属中,
热影响区中,
母材金属中
具有基一公共点的
放射状裂纹,可能位
焊缝金属中,
热影响区中,
母材金属中
注:这种类型的小
裂纹也可以叫做星形製
在焊缝妆弧弧坑处
的裂纹,可能是:
一纵向的;
一横向的,
星形的
热影响区
IW射线
底片缺陷
字母代号
间断裂纹群
枝状裂纹
球形气孔
GB 6417-86
一组间断的裂纹,
可能位于:
焊缝金属中
热影响区中,
-母材金属中
由某一公共裂纹派
生的一组裂纹,它与
间断裂纹群(105)和
放射状裂纹(103)不
同,可能位于:
焊缝金鳳中,
一热影响区中,
母材金属中
第2类孔穴
熔池中的气泡在凝
固时未能逸出而残留
下来所形成的空穴
近似球形的孔穴
HIW射线
底片缺陷
字母代号
均布气孔
局部密集气孔
链状气孔
条形气孔
GB 6417--86
大量气孔比较哟匀
地分布在整个焊缝金
属中,不要与链状气
孔(2014)相混淆
气孔群
与焊缝轴线平行的
威串气孔
长度方向与焊缝轴
线近似平行的非球形
的长气孔
W射线
底片缺陷
字母代号
虫形气孔
表面气孔
结晶缩孔
微缩孔
棱晶间微缩孔
GB 6417-86
由于气孔在焊缝金
属中上浮而引起的管
状孔穴,其位置和形
状是由凝固的形式和
气孔的来源决定的,
通常,它们成群地出
现并且成人字形分布
暴露在焊缝表面的
熔化金属在凝固过
程中收缩而产生的,1
残留在熔核中的孔穴
冷却过程中在焊缝
中心形成的长形收缩
孔穴,可能有残留气
体,这种缺陷通常在
垂直焊缝表面方向上
在显微镜下观繁到!
的缩孔
在显微镜下观察到
的枝晶间微缩孔
HW射线
底片缺陷
字母代号
弧坑缩孔
固体夹杂
[夹渣
焊剂或熔剂夹渣
氨化物夹杂
GB 6417—86
指焊道末端的凹陷,
且在后续焊道焊接之
前或在后续焊道焊接
过程中未被消除
第3类
在焊缝金属中残留
的固体夹杂物
残留在焊缝中的熔
渣,根据其形成的情
况,可以分为:
一线状的,
一孤立的,
其它型式的
残留在焊缝金属中!
的焊剂或熔剂,根据
其形成的情况,可以
分为:
线状的,
孤立的,
-其它型式的
凝固过程中在焊缝
金属中残留的金属氧
固体夹杂
见3011~3013
uw射线
底片缺陷
字母代号
金属夹杂
未熔合和未焊透
未熔合
来焊透
GB 6417-86
在某些情况下,特
别是铝合金焊接时,
由于对焊接熔池保护
不良和熔池中紊流而
产生的大量氧化膜
残留在焊缝金属中
的来自外部的金属颗
粒,这种金属颗粒可
能是,
其它金属
第4类未熔合和末焊透
在焊缝金属和母材
之间或焊道金属和焊
道金属之间未全熔
化结合的部分,它可
分为下述几种形式:
侧壁未熔合:
层间未熔合!
焊缝根部未熔合
焊接时接头的根部
未完全熔透的现象
mw射线
底片缺陷
字母代号
形状缺陷
连续咬边
间断咬边
焊缝超高
GB 6417—86
第5类形状缺陷
焊缝的表面形状与
原设计几何形状有偏
因焊接造成的焊趾
(或焊根)处的沟槽,
咬边可能是连续的
(5011)或间断的
(5012)
由于焊缝金属的收
缩,在根部焊道每,
侧产生的浅的沟槽(也
可见515)
对接焊缝表面上焊
缝金属过高
IW射线
底片缺陷
宇母代号
凸度过大
局部下塌
焊缝型面不良
角度偏差
GB 6417—86
角焊缝表面的焊缝
金属过高
穿过单层焊缝根部
从多层焊接接头穿
过前道熔敷金属塌落
的过量焊缝金属
局部塌落
母材金属表面与靠
近焊趾处焊鐘表面的
切面之间的角度α过小
焊接过程中,熔化
金属流尚到焊缝之外
末熔化的母材上所形
战的金属瘤
由于两个焊件没有
对正而造成板的中心
线平行偏差
由于两个焊件没有
对正而使它们的表面
不平行(或不成预定)
的角度)
由于重力作用造成
的焊缝金属塌落
IW射线
底片缺陷
字母代号
未焊满
焊脚不对称
焊缝宽度不齐
表面不规则
根部收缩
GB 6417-86
横焊缝垂真直下垂;
平焊缝或仰焊缝
下垂:
一角焊缝下垂;
—边缘下垂
焊接过程中,熔化
金属自坡口背而流出,
形成穿孔的缺陷
由于填充金属不足,
在焊缝表面形成的连
续或断续的沟槽
缝宽度改变过大
表面过分粗糙
由于对接焊缝极部
收缩选成的浅的沟槽
(也可见5013)
IW射线!
底片缺陷
字母代号
根部气孔
焊缝接头不良
,其它缺陷
1电弧擦伤
钨飞溅
表面撕裂
GB 6417--86
在凝固瞬间,由于
焊缝析出气体而在焊
缝根部形成的多孔状
焊缝衔接处的局部
表面不规则
第6类其它缺陷
不能包括在1~5
类缺陷的其它缺陷
在焊缝坡口外部引
弧或打弧时产生于母
材金属表面上的局部
熔焊过程中,熔化
的金属颗粒和熔渣向
周图飞散的现象。这!
种飞散出的金属颖颗粒
和熔渣习惯上也叫飞
从钨电极过渡到母
材金属表面或凝固焊
缝金属表面上的钨颗
不按操作规程拆除
临时焊接的附件时产
生于母材金属表面的
IIW射线
底片缺陷
字母代号
附加说明:
打磨过量
定位焊缺陷
层间错位
GB 6417 ~-86
不按操作规程打磨
引起的局部表面损伤
不按操作规程使用!
扁铲或其它工具铲凿
金属而产生的局部损
由于打磨引起的工
件或焊缝的不允许的
不按规定程序熔敷
的焊道
本标准由中华人民共和国机械工业部提出,由机械工业部哈尔滨焊接研究所归口。本标准由机械工业部哈尔滨焊接研究所负责起草。本标准主要起草人魏校华。
小提示:此标准内容仅展示完整标准里的部分截取内容,若需要完整标准请到上方自行免费下载完整标准文档。

标准图片预览:





- 其它标准
- 热门标准
- 国家标准(GB)
- GB/T39249-2020 橡胶和塑料软管及非增强软管织物增强型 低温压扁试验
- GB/T7095.1-2008漆 漆包铜扁绕组线 第1部分:一般规定
- GB50115-2009 工业电视系统工程设计规范
- GB4623-1994 环形预应力混凝土电杆
- GB/T285-1994 滚动轴承 双列圆柱滚子轴承 外形尺寸
- GB50256-2014 电气装置安装工程 起重机电气装置施工及验收规范
- GB50724-2011 大宗气体纯化及输送系统工程技术规范
- GB/T1599-2002 锑锭
- GB5903-1995 工业闭式齿轮油
- GB/T5094.1-2002 工业系统、装置与设备以及工业产品结构原则与参照代号 第1部分:基本规则
- GB/T5094-1985 电气技术中的项目代号
- GB/T23344-2009 纺织品 4-氨基偶氮苯的测定
- GB/T1357-1987 渐开线圆柱齿轮模数
- GB/T7932-2003 气动系统通用技术条件
- GB/T18615-2002 波纹金属软管用非合金钢和不锈钢接头
- 行业新闻
请牢记:“bzxz.net”即是“标准下载”四个汉字汉语拼音首字母与国际顶级域名“.net”的组合。 ©2009 标准下载网 www.bzxz.net 本站邮件:bzxznet@163.com
网站备案号:湘ICP备2023016450号-1
网站备案号:湘ICP备2023016450号-1