- 您的位置:
- 标准下载网 >>
- 标准分类 >>
- 机械行业标准(JB) >>
- JB/T 8137.2-1999 电线电缆交货盘 第2部分:全木结构交货盘
标准号:
JB/T 8137.2-1999
标准名称:
电线电缆交货盘 第2部分:全木结构交货盘
标准类别:
机械行业标准(JB)
英文名称:
Wire and cable delivery trays Part 2: Full wood structure delivery trays标准状态:
现行-
发布日期:
1999-08-06 -
实施日期:
2000-01-01 出版语种:
简体中文下载格式:
.rar.pdf下载大小:
1.44 MB
点击下载
标准简介:
标准下载解压密码:www.bzxz.net
本标准规定了PL型全木结构交货盘的型号、规格、材料、技术要求及检验项目.本标准应与JB/T 8137.1-1999一起使用. JB/T 8137.2-1999 电线电缆交货盘 第2部分:全木结构交货盘 JB/T8137.2-1999
部分标准内容:
中华人民共和、机械行业标准
JB/T8137.2-1999
电线电缆交货盘
第 2部分:全木结构交货盘
1999-08-06发布
国家机械工业局
2000-01-01实施
JB/T8137.2-1999
本标准JB/T8137.1~8137.4—1999的型式尺寸是参照DIN46391标准进行修订的。本标准JB/T8137在总题目《电线电缆交货盘》下包括下列各部分:JB/T8137.1第1部分:一般规定附录A装盘长度参考表;2第2部分:全木结构交货盘;
JB/T8137.2
JB/T8137.3第3部分:全钢瓦楞结构交货盘;JB/T8137.4第4部分:型钢复合结构交货盘;其中第2~4部分应与第1部分一起使用。1995年曾将GB4005一83的标准号改为JB/T8137一95,但未对其内容进行修订。现根据DIN46391标准对其进行修订时,将d,规定为轴孔直径,与DIN标准及小孔径机用线盘标准相一致:并将原标准只分型尺寸和技术要求的编写方法改成分部标准的编写方法,按交货盘的结构分为全木结构、全钢瓦楞结构和型钢复合结构,并将原铁木结构归入型钢复合结合。每部分详尽叙述了各种交货盘的型号、规格、材料、基本技术要求及检测项目。本标准自实施之日起,同时代替JB/T8137.1~8137.2—95。本标准第1部分的附录A是提示的附录。本标准由全国电线电缆标准化技术委员会提出并归口。本标准由上海电缆研究所负责起草。本标准主要起草人:王善庆、苗德江、孙欣。1
1范围
中华人民共和国机械行业标准
电线电缆交货盘
第2部分:全木结构交货盘
JB/T8137.2-1999
本标准规定了PL型全木结构交货盘的型号、规格、材料、技术要求及检验项目。本标准应与JB/T8137.1-1999-起使用。
引用标准
下列标准所包含的条文,通过在本标准中引用而构成为本标准的条文。本标准出版时,所示版本均为有效。所有标准都会被修订,使用本标准的各方应探讨使用下列标准最新版本的可能性。GB/T153—1995
针叶树锯材
第1部分一般规定
JB/T8137.1--1999电线电缆交货盘3材料
全木结构交货盘用本材应符合GB/T153的规定。加工时木材的含水率应小于干材重量的20%。型号
线盘的型号及简图如表1、1所示,表1
5规格
线盘的规格范围应符合表2的规定。型
国家机械工业局1999-08-06批准表2
全木结构交货盘
500~2500
2000-01-01实施
6技术要求
JB/T8137.2-1999bzxZ.net
图1全木结构交货盘
6.1规格为500~800者应采用全木结构,900~2500者允许采用全木结构。6.2公差
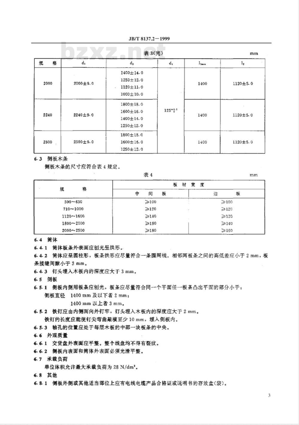
尺寸偏差应符合表3规定。
1000±5.0
1120±5.0
1250±5.0
1400±5.0
1600±5.0
1800±9.0
1000±10.0
1250±12.0
1120±11.0
1000±10.0
1120±5.0
6.3侧板木条
2000±9.0
2240±9.0
2500±9.0
侧板木条的尺寸应符合表4规定。规
500~630
710~1000
1120~1600
1800~2000
2000~2500
6.4简体
JB/T8137.2-1999
表3(完)
1400±14.0
1250±12.0
1120±11.0
1000±10.0
1800±18.0
1600±16.0
1400±14.0
1250±12.0
1800±18.0
1600±16.α
1250±12.0
6.4.1筒体板条外表面应刨光呈拱形。间
≥120
≥140
≥180
≥180
125+-5
板材宽度
1120±5.0
1120±5.0
1120±5.0
≥120
≥120
≥140
≥160
6.4.2简体应呈圆柱形,板条拱形应尽量符合一条圆周线。相邻两板条之间的高低差应小于2mm,板条接缝间隙小于3mm。
6.4.3钉头埋入木板内的深度应大于3mm。6.5侧板
6.5.1侧板内侧用板条应刨光,板条应尽量符合同一个平面任一板条凸出平面的部分小于:侧板直径1400mm及以下者2mm;
1400mm以上者3mm。
6.5.2铁钉应由内侧面向外钉牢,钉头埋入木板内的深度应大于2mm。铁钉的长度应能使钉尖弯曲蔽横至少10mm,埋入侧板内。6.5.3轴孔的位置应处于每层木板的中部一块板条的中央。6.6外观质量
6.6.1交货盘外表面应乎整。整个线盘均不得有裂纹。6.6.2侧板内表面和简体外表面必须光滑平整。6.7承载负荷
单位体积充许最大承载负荷为28N/dm。6.8其他
6.8.1侧板外侧或其他适当部位上应有电线电缆产品合格证或说明书的存放盒(裁)。6.8.2
JB/T8137.2-1999
侧板上可以有引出电线电缆端头的孔眼。同轴电缆端头的蜗型垫肩按双方协议处理。侧板上应有固定电缆端头的安装孔眼。7
检验项目
产品按表5规定检验。
尺寸偏差
技术要求
按表3规定
按JB/T8137.1的规定
按6.4的规定
检验类型
检验方法
按JB/T8137.1的规定
中华人民共和
机械行业标准
电线电缆交货盘
第2部分:全木结构交货盘
JB/T8137.2-1999
机械科学研究院出版发行
机械科学研究院印刷
(北京首体南路2号
邮编100044)
开本880×12301/16印张X/X字数XXX,XXX19XX年XX月第X版19XX年XX月第X印刷定价XXX.XX元
印数1-XXX
编号XX-XXX
机械工业标准服务网:http://www.JB.ac.cnJB/
小提示:此标准内容仅展示完整标准里的部分截取内容,若需要完整标准请到上方自行免费下载完整标准文档。
JB/T8137.2-1999
电线电缆交货盘
第 2部分:全木结构交货盘
1999-08-06发布
国家机械工业局
2000-01-01实施
JB/T8137.2-1999
本标准JB/T8137.1~8137.4—1999的型式尺寸是参照DIN46391标准进行修订的。本标准JB/T8137在总题目《电线电缆交货盘》下包括下列各部分:JB/T8137.1第1部分:一般规定附录A装盘长度参考表;2第2部分:全木结构交货盘;
JB/T8137.2
JB/T8137.3第3部分:全钢瓦楞结构交货盘;JB/T8137.4第4部分:型钢复合结构交货盘;其中第2~4部分应与第1部分一起使用。1995年曾将GB4005一83的标准号改为JB/T8137一95,但未对其内容进行修订。现根据DIN46391标准对其进行修订时,将d,规定为轴孔直径,与DIN标准及小孔径机用线盘标准相一致:并将原标准只分型尺寸和技术要求的编写方法改成分部标准的编写方法,按交货盘的结构分为全木结构、全钢瓦楞结构和型钢复合结构,并将原铁木结构归入型钢复合结合。每部分详尽叙述了各种交货盘的型号、规格、材料、基本技术要求及检测项目。本标准自实施之日起,同时代替JB/T8137.1~8137.2—95。本标准第1部分的附录A是提示的附录。本标准由全国电线电缆标准化技术委员会提出并归口。本标准由上海电缆研究所负责起草。本标准主要起草人:王善庆、苗德江、孙欣。1
1范围
中华人民共和国机械行业标准
电线电缆交货盘
第2部分:全木结构交货盘
JB/T8137.2-1999
本标准规定了PL型全木结构交货盘的型号、规格、材料、技术要求及检验项目。本标准应与JB/T8137.1-1999-起使用。
引用标准
下列标准所包含的条文,通过在本标准中引用而构成为本标准的条文。本标准出版时,所示版本均为有效。所有标准都会被修订,使用本标准的各方应探讨使用下列标准最新版本的可能性。GB/T153—1995
针叶树锯材
第1部分一般规定
JB/T8137.1--1999电线电缆交货盘3材料
全木结构交货盘用本材应符合GB/T153的规定。加工时木材的含水率应小于干材重量的20%。型号
线盘的型号及简图如表1、1所示,表1
5规格
线盘的规格范围应符合表2的规定。型
国家机械工业局1999-08-06批准表2
全木结构交货盘
500~2500
2000-01-01实施
6技术要求
JB/T8137.2-1999bzxZ.net
图1全木结构交货盘
6.1规格为500~800者应采用全木结构,900~2500者允许采用全木结构。6.2公差
尺寸偏差应符合表3规定。
1000±5.0
1120±5.0
1250±5.0
1400±5.0
1600±5.0
1800±9.0
1000±10.0
1250±12.0
1120±11.0
1000±10.0
1120±5.0
6.3侧板木条
2000±9.0
2240±9.0
2500±9.0
侧板木条的尺寸应符合表4规定。规
500~630
710~1000
1120~1600
1800~2000
2000~2500
6.4简体
JB/T8137.2-1999
表3(完)
1400±14.0
1250±12.0
1120±11.0
1000±10.0
1800±18.0
1600±16.0
1400±14.0
1250±12.0
1800±18.0
1600±16.α
1250±12.0
6.4.1筒体板条外表面应刨光呈拱形。间
≥120
≥140
≥180
≥180
125+-5
板材宽度
1120±5.0
1120±5.0
1120±5.0
≥120
≥120
≥140
≥160
6.4.2简体应呈圆柱形,板条拱形应尽量符合一条圆周线。相邻两板条之间的高低差应小于2mm,板条接缝间隙小于3mm。
6.4.3钉头埋入木板内的深度应大于3mm。6.5侧板
6.5.1侧板内侧用板条应刨光,板条应尽量符合同一个平面任一板条凸出平面的部分小于:侧板直径1400mm及以下者2mm;
1400mm以上者3mm。
6.5.2铁钉应由内侧面向外钉牢,钉头埋入木板内的深度应大于2mm。铁钉的长度应能使钉尖弯曲蔽横至少10mm,埋入侧板内。6.5.3轴孔的位置应处于每层木板的中部一块板条的中央。6.6外观质量
6.6.1交货盘外表面应乎整。整个线盘均不得有裂纹。6.6.2侧板内表面和简体外表面必须光滑平整。6.7承载负荷
单位体积充许最大承载负荷为28N/dm。6.8其他
6.8.1侧板外侧或其他适当部位上应有电线电缆产品合格证或说明书的存放盒(裁)。6.8.2
JB/T8137.2-1999
侧板上可以有引出电线电缆端头的孔眼。同轴电缆端头的蜗型垫肩按双方协议处理。侧板上应有固定电缆端头的安装孔眼。7
检验项目
产品按表5规定检验。
尺寸偏差
技术要求
按表3规定
按JB/T8137.1的规定
按6.4的规定
检验类型
检验方法
按JB/T8137.1的规定
中华人民共和
机械行业标准
电线电缆交货盘
第2部分:全木结构交货盘
JB/T8137.2-1999
机械科学研究院出版发行
机械科学研究院印刷
(北京首体南路2号
邮编100044)
开本880×12301/16印张X/X字数XXX,XXX19XX年XX月第X版19XX年XX月第X印刷定价XXX.XX元
印数1-XXX
编号XX-XXX
机械工业标准服务网:http://www.JB.ac.cnJB/
小提示:此标准内容仅展示完整标准里的部分截取内容,若需要完整标准请到上方自行免费下载完整标准文档。
标准图片预览:





- 热门标准
- 机械行业标准(JB)
- JB/T7940.3-1995 旋盖式油杯
- JB/T7893.1-1999 立式振动离心机
- JB/T7899-1999 填充聚四氟乙烯软带导轨 技术条件
- JB/T7938-1999 液压泵站油箱公称容量系列
- JB/T7948.3-1999 熔炼焊剂化学分析方法 高锰酸盐光度法测定氧化锰量
- JB/T7850-1995 手夹快换接头
- JB/T7952-1995 空气净化器
- JB/T8009.4-1999 机床夹具零件及部件 弧形压块
- JB/T1625-2002 工业锅炉焊接管孔
- JB/T7936-1999 直廓环面蜗杆减速器
- JB/T7939-1999 单活塞杆液压缸两腔面积比
- JB/T7941.2-1995 旋入式圆形油杯
- JB/T7948.11-1999 熔炼焊剂化学分析方法 燃烧-碘量法测定硫量
- JB/T7925.2-1995 滑动轴承 多层轴承减摩合金硬度检验方法
- JB/T7946.2-1999 铸造铝硅合金过烧
- 行业新闻
请牢记:“bzxz.net”即是“标准下载”四个汉字汉语拼音首字母与国际顶级域名“.net”的组合。 ©2025 标准下载网 www.bzxz.net 本站邮件:bzxznet@163.com
网站备案号:湘ICP备2025141790号-2
网站备案号:湘ICP备2025141790号-2