- 您的位置:
- 标准下载网 >>
- 标准分类 >>
- 国家标准(GB) >>
- GB/T 1722-1992 清漆,清油及稀释剂颜色测定法
标准号:
GB/T 1722-1992
标准名称:
清漆,清油及稀释剂颜色测定法
标准类别:
国家标准(GB)
标准状态:
现行-
发布日期:
1992-12-12 -
实施日期:
1993-10-01 出版语种:
简体中文下载格式:
.rar.pdf下载大小:
115.93 KB
替代情况:
GB 1722-1979
点击下载
标准简介:
标准下载解压密码:www.bzxz.net
本标准规定了用铁钴比色计或罗维朋比色计目视比色测定透明液体颜色的方法。以铁钴比色计的色阶号或罗维朋色度值表示液体的颜色。本标准适用于清漆、清油及稀释剂的颜色测定。 GB/T 1722-1992 清漆,清油及稀释剂颜色测定法 GB/T1722-1992
部分标准内容:
中华人民共和国国家标准
清漆、清油及稀释剂颜色测定法Estimation of colour of varnishes ,boiled oils and thinners
1主题内容与适用范围
GB/T 1722-—92
代替GB1722-79
本标准规定了用铁钻比色计或罗维朋比色计目视比色测定透明液体颜色的方法。以铁钻比色计的色阶号或罗维朋色度值表示液体的颜色。本标准适用于清漆、清油及稀释剂的颜色测定。2引用标准
GB9761色漆和清漆
3甲法铁钴比色法
3.1方法提要
色漆的目视比色
将试样置于玻璃试管中,以目视法将试样与一系列标有色阶标号的铁钻标准色阶溶液进行比较来评定结果。
3.2材料和仪器
3.2.1无色玻璃试管:内径10.75±0.05mm,高114士1mm。3.2.2铁钻比色计。
3.2.3人造日光比色箱或木制暗箱:3.2.3.1人造日光比色箱的技术要求应符合GB97.61中的规定。3.2.3.2木制暗箱600mm×500mm×400mm,如图1所示。暗箱内用3mm厚的磨砂玻璃将箱分成上下两部分,磨砂玻璃的磨面向下,使光线均勾。暗箱上部平行等距装置15W日光灯2支,前面按一挡光板,下部正面蔽开,用于检验,内壁涂无光黑漆。3.3测定方法
将试样装入洁净干燥的试管(3.2.1)中,在23±2℃,置于人造日光比色箱(3.2.3.1)或木制暗箱(3.2.3.2)内,以30~~50cm之间的视距的透射光下与铁钻比色计的标准色阶溶液进行比较。选出二个与试样颜色深浅最接近的,或一个与试样颜色深浅相同的标准色阶溶液。以标准色阶号数表示试样颜色的等级。
在测试时,试样若由于低温而引起混浊,可在水浴上加热至50~~55C,保持5min,然后冷却至23士2(,再保持5min后进行测定。
国家技术监督周1992-12~12批准1993-10-01实施
4 乙法 罗维朋比色法
4.1方法提要
GB/T 1722--92
1—磨砂玻璃,2—挡光板,3—电源开关,4—15W日光灯将试样置于罗维朋比色计的样品池中,用具有罗维朋色度标单位值的红、黄、蓝三原色滤色片与试样进行目视匹配,当匹配色与试样颜色一致时,以三滤色片的色度标单位值表示试样的颜色。4.2材料和仪器
4.2.1样品池:10.0mm,用于测深色的试样,25.4mm,用于测浅色的试样;133.4mm,用于测极浅色的试样。
4.2.2罗维朋比色计:
4.2.2.1罗维朋比色计的结构如图2所示。图2
1样品室2—光源室;3—测试室
4.2.2.2罗维朋比色计的光学系统如图3所示。496
敢大镜
较正灌色片
罗维朋糖色片
液体样品池
GB/T 1722--- 92
4.2.2.3滤色片的罗维朋色度标单位值范围:红色滤色片
0.1~~0.9
黄色滤色片0.1~0.9
蓝色滤色片0.1~0.9
1.0~9.0
中性灰色滤色片0.1~~0.9
最小读数为0.1罗维朋色度标单位。4.2.2.4测定方法
10.0~70.0
10.0~70.0
10.0~~40.0
鸡丝灯
钨丝灯
按仪器说明书要求检查仪器(4.2.2)使之达到规定状态,标准白板放在规定位置上,将被测液体倒入产品标准规定规格的样品池(4.2.1)中,放入仪器中。从目镜中观察试样,调节各滤色片进行匹配组合,直至三滤色片组成的颜色与试样颜色一致。记录各滤色片色度标单位值及所用样品池规格。当使用一个或二个滤色片进行目视匹配时,如果滤色片较样品暗,则需在样品池外加中性灰色滤色片,使二者颜色和亮度都一致。记录各滤色片色度标单位值、样品池规格及中性灰色滤色片色度标单位值。
5试验报告
被试样品的名称、型号、来源、批号。注明采用本国家标准。
测试方法:铁钻比色法(注明所用的是人造日光比色箱还是暗箱)或罗维朋比色法。测试结果:铁钻比色法以标准色阶号数表示;罗维朋比色法以各滤色片色度标单位值表示,并d.
注明所用样品池规格。
测试日期。
A1试剂
GB/T 1722—92
附录A
铁钻比色计标准色阶
(补充件)
盐酸(GB622):分析纯,密度p=1.19g/mL;硫酸(GB625):分析纯,密度p=1.84g/mL;重铬酸钾(GB642):分析纯;
三氯化铁(HG3—1085):分析纯。A2铁钻比色计标准色阶的配制
A2.1稀盐酸:1份质量的盐酸于17份质量的蒸馏水中。A2.2三氯化铁溶液:将约5份质量的三氟化铁溶于1.2份质量的稀盐酸(A2.1)中,调整它的颜色相当于3.000g重铬酸钾溶于100mL硫酸中的溶液颜色。如重铬酸钾不全部溶解,可用水浴加热到温度不超过80℃下溶解。bzxZ.net
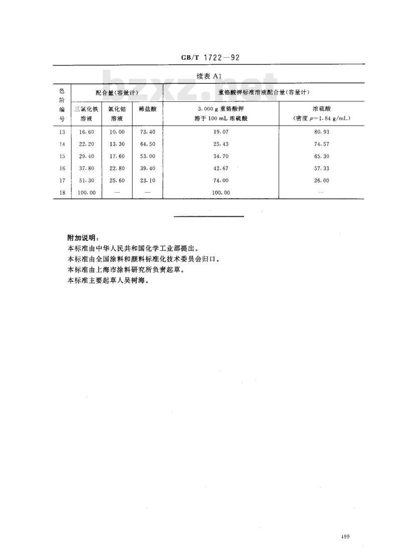
A2.3氯化钴溶液:1份质量的氯化钻溶于3份质量的稀盐酸(A2.1)中。A2.4将上述配制好的稀盐酸(A2.1)、三氟化铁溶液(A2.2)和氯化钴溶液(A2.3)按表A1所列的用量,配成18档色阶溶液,准确调整它们的颜色至相当于同表同行所列重铬酸钾溶于硫酸中的标准溶液的颜色。分别装于18支试管中,将管口密封,按顺序排列于架上,妥善保管,防止日照。对照用的重铬酸钾标准溶液必须准确配制,当日使用。铁钻比色计每三年校正一次。
表A1铁钻比色计及重铬酸钾标准溶液配合量色
配合量(容量计)
三氯化铁
氯化钴
稀盐酸
重铬酸钾标准溶液配合量(容量计)3.000g重铬酸钾
溶于 100 mL 浓硫酸
浓硫酸
(密度 p1.84g/mL)
配合量(容量计)
三氯化铁
附加说明:
氯化钻
稀盐酸
GB/T1722—92
续表A1
重铬酸钾标准溶液配合量(容量计)3.000g重铬酸钾
溶于100mL浓硫酸
本标准由中华人民共和国化学工业部提出。本标准由全国涂料和颜料标准化技术委员会归口。本标准由上海市涂料研究所负责起草。本标准主要起草人吴树海。
浓硫酸
(密度p=1.84g/mL)
小提示:此标准内容仅展示完整标准里的部分截取内容,若需要完整标准请到上方自行免费下载完整标准文档。
清漆、清油及稀释剂颜色测定法Estimation of colour of varnishes ,boiled oils and thinners
1主题内容与适用范围
GB/T 1722-—92
代替GB1722-79
本标准规定了用铁钻比色计或罗维朋比色计目视比色测定透明液体颜色的方法。以铁钻比色计的色阶号或罗维朋色度值表示液体的颜色。本标准适用于清漆、清油及稀释剂的颜色测定。2引用标准
GB9761色漆和清漆
3甲法铁钴比色法
3.1方法提要
色漆的目视比色
将试样置于玻璃试管中,以目视法将试样与一系列标有色阶标号的铁钻标准色阶溶液进行比较来评定结果。
3.2材料和仪器
3.2.1无色玻璃试管:内径10.75±0.05mm,高114士1mm。3.2.2铁钻比色计。
3.2.3人造日光比色箱或木制暗箱:3.2.3.1人造日光比色箱的技术要求应符合GB97.61中的规定。3.2.3.2木制暗箱600mm×500mm×400mm,如图1所示。暗箱内用3mm厚的磨砂玻璃将箱分成上下两部分,磨砂玻璃的磨面向下,使光线均勾。暗箱上部平行等距装置15W日光灯2支,前面按一挡光板,下部正面蔽开,用于检验,内壁涂无光黑漆。3.3测定方法
将试样装入洁净干燥的试管(3.2.1)中,在23±2℃,置于人造日光比色箱(3.2.3.1)或木制暗箱(3.2.3.2)内,以30~~50cm之间的视距的透射光下与铁钻比色计的标准色阶溶液进行比较。选出二个与试样颜色深浅最接近的,或一个与试样颜色深浅相同的标准色阶溶液。以标准色阶号数表示试样颜色的等级。
在测试时,试样若由于低温而引起混浊,可在水浴上加热至50~~55C,保持5min,然后冷却至23士2(,再保持5min后进行测定。
国家技术监督周1992-12~12批准1993-10-01实施
4 乙法 罗维朋比色法
4.1方法提要
GB/T 1722--92
1—磨砂玻璃,2—挡光板,3—电源开关,4—15W日光灯将试样置于罗维朋比色计的样品池中,用具有罗维朋色度标单位值的红、黄、蓝三原色滤色片与试样进行目视匹配,当匹配色与试样颜色一致时,以三滤色片的色度标单位值表示试样的颜色。4.2材料和仪器
4.2.1样品池:10.0mm,用于测深色的试样,25.4mm,用于测浅色的试样;133.4mm,用于测极浅色的试样。
4.2.2罗维朋比色计:
4.2.2.1罗维朋比色计的结构如图2所示。图2
1样品室2—光源室;3—测试室
4.2.2.2罗维朋比色计的光学系统如图3所示。496
敢大镜
较正灌色片
罗维朋糖色片
液体样品池
GB/T 1722--- 92
4.2.2.3滤色片的罗维朋色度标单位值范围:红色滤色片
0.1~~0.9
黄色滤色片0.1~0.9
蓝色滤色片0.1~0.9
1.0~9.0
中性灰色滤色片0.1~~0.9
最小读数为0.1罗维朋色度标单位。4.2.2.4测定方法
10.0~70.0
10.0~70.0
10.0~~40.0
鸡丝灯
钨丝灯
按仪器说明书要求检查仪器(4.2.2)使之达到规定状态,标准白板放在规定位置上,将被测液体倒入产品标准规定规格的样品池(4.2.1)中,放入仪器中。从目镜中观察试样,调节各滤色片进行匹配组合,直至三滤色片组成的颜色与试样颜色一致。记录各滤色片色度标单位值及所用样品池规格。当使用一个或二个滤色片进行目视匹配时,如果滤色片较样品暗,则需在样品池外加中性灰色滤色片,使二者颜色和亮度都一致。记录各滤色片色度标单位值、样品池规格及中性灰色滤色片色度标单位值。
5试验报告
被试样品的名称、型号、来源、批号。注明采用本国家标准。
测试方法:铁钻比色法(注明所用的是人造日光比色箱还是暗箱)或罗维朋比色法。测试结果:铁钻比色法以标准色阶号数表示;罗维朋比色法以各滤色片色度标单位值表示,并d.
注明所用样品池规格。
测试日期。
A1试剂
GB/T 1722—92
附录A
铁钻比色计标准色阶
(补充件)
盐酸(GB622):分析纯,密度p=1.19g/mL;硫酸(GB625):分析纯,密度p=1.84g/mL;重铬酸钾(GB642):分析纯;
三氯化铁(HG3—1085):分析纯。A2铁钻比色计标准色阶的配制
A2.1稀盐酸:1份质量的盐酸于17份质量的蒸馏水中。A2.2三氯化铁溶液:将约5份质量的三氟化铁溶于1.2份质量的稀盐酸(A2.1)中,调整它的颜色相当于3.000g重铬酸钾溶于100mL硫酸中的溶液颜色。如重铬酸钾不全部溶解,可用水浴加热到温度不超过80℃下溶解。bzxZ.net
A2.3氯化钴溶液:1份质量的氯化钻溶于3份质量的稀盐酸(A2.1)中。A2.4将上述配制好的稀盐酸(A2.1)、三氟化铁溶液(A2.2)和氯化钴溶液(A2.3)按表A1所列的用量,配成18档色阶溶液,准确调整它们的颜色至相当于同表同行所列重铬酸钾溶于硫酸中的标准溶液的颜色。分别装于18支试管中,将管口密封,按顺序排列于架上,妥善保管,防止日照。对照用的重铬酸钾标准溶液必须准确配制,当日使用。铁钻比色计每三年校正一次。
表A1铁钻比色计及重铬酸钾标准溶液配合量色
配合量(容量计)
三氯化铁
氯化钴
稀盐酸
重铬酸钾标准溶液配合量(容量计)3.000g重铬酸钾
溶于 100 mL 浓硫酸
浓硫酸
(密度 p1.84g/mL)
配合量(容量计)
三氯化铁
附加说明:
氯化钻
稀盐酸
GB/T1722—92
续表A1
重铬酸钾标准溶液配合量(容量计)3.000g重铬酸钾
溶于100mL浓硫酸
本标准由中华人民共和国化学工业部提出。本标准由全国涂料和颜料标准化技术委员会归口。本标准由上海市涂料研究所负责起草。本标准主要起草人吴树海。
浓硫酸
(密度p=1.84g/mL)
小提示:此标准内容仅展示完整标准里的部分截取内容,若需要完整标准请到上方自行免费下载完整标准文档。
标准图片预览:





- 其它标准
- 热门标准
- 国家标准(GB)
- GB/T30917—2014 /ISo 29941:2010 天然胶乳橡胶避孕套中可迁移亚硝胺的测定
- GB/T12777-1999 金属波纹管膨胀节通用技术条件
- GB15193.5-2003 骨髓细胞微核试验
- GB/T29633.4-2020 南极地名 第4部分:罗马字母拼写
- GB/T39964-2021 造纸行业能源管理体系实施指南
- GB/T43929-2024 空间用纤维光学器件测试指南
- GB/T42970-2023 半导体集成电路 视频编解码电路测试方法
- GB/T43225-2023 空间物体登记要求
- GB15985-1995 丝虫病诊断标准及处理原则
- GB19159-2003 车用液化石油气
- GB/T7407-1997 中国及世界主要海运贸易港口代码
- GB1913.2-1990 漂白浸渍绝缘纸
- GB14287.4-2014 电气火灾监控系统 第4部分:故障电弧探测器
- GB5237.3-2008 铝合金建筑型材 第3部分:电泳涂漆型材
- GB/T9771.6-2020 通信用单模光纤 第6部分:宽波长段 光传输用非零色散单模光纤特性
- 行业新闻
请牢记:“bzxz.net”即是“标准下载”四个汉字汉语拼音首字母与国际顶级域名“.net”的组合。 ©2025 标准下载网 www.bzxz.net 本站邮件:bzxznet@163.com
网站备案号:湘ICP备2025141790号-2
网站备案号:湘ICP备2025141790号-2