- 您的位置:
- 标准下载网 >>
- 标准分类 >>
- 国家标准(GB) >>
- GB/T 1356-2001 通用机械和重型机械用圆柱 齿轮 标准基本齿条齿廓
标准号:
GB/T 1356-2001
标准名称:
通用机械和重型机械用圆柱 齿轮 标准基本齿条齿廓
标准类别:
国家标准(GB)
标准状态:
现行-
发布日期:
2001-12-17 -
实施日期:
2002-06-01 出版语种:
简体中文下载格式:
.rar.pdf下载大小:
153.50 KB
标准ICS号:
机械系统和通用件>>21.200齿轮及齿轮传动中标分类号:
机械>>通用零部件>>J17齿轮与齿轮传动
替代情况:
GB/T 1356-1988采标情况:
ISO 53-1998
点击下载
标准简介:
标准下载解压密码:www.bzxz.net
本标准规定了通用机械和重型机械用渐开线圆柱齿轮(外齿或内齿)的标准基本齿条齿廓的几何参数。本标准适用于GB/T1357规定的标准模数。本标准规定的齿廓没有考虑内齿轮齿高可能进行的修正,内齿轮对不同的情况应分别计算。为了确定渐开线类齿轮的轮齿尺寸,在本标准中,标准基本齿条的齿廓仅给出了渐开线类齿轮齿廓的几何参数。它不包括对刀具的定义.但为了获得合适的齿廓,可以根据本标准基本齿条的齿廓规定刀具的参数。 GB/T 1356-2001 通用机械和重型机械用圆柱 齿轮 标准基本齿条齿廓 GB/T1356-2001
部分标准内容:
19,21-200
中华人民共和国国家标雅
GB/T 1356—2001
idt IS0 53: 1998
通用机械和重型机械用圆柱
齿轮标准基本齿条齿廓
Cylindrical gears for general and heavyengineering Standard basic rack tooth profile2001-12-17发布
中华人居共和
国家质量监督检验检控总局
20020601实施
GB/1356
本标准孕同采用1S063:1998通用机械和重型机械用回柱齿轮标准基本齿杀齿》。技术内容
与1S053:1998完全相间。
本标准代替在技术上被性订过的心B/门1356—1988。本标难于1978年首次发布,1988年第一次修订。本标准的附求A是提示的附录。
本推出中国机被工业联合会系出本标准出全国画轮标推化技未委员会止门本标准由郑州械研究所负黄起草,本标准主要起草人张元国、张民安、干助、场虽原。GB/T1356—2001
ESO前
[S国际标准化组织)是由各国标准化团体(IS)·城页团体)组成的世界性的联合会,制定国际标准的工作通带由IS()的技术委员会光成。各成员团体若对基技术委员会口已确立的标确项其感兴题,与有权多加该垂员会的作,与IS门保持联系的各国际组织(官方前域非官方的)出可都加有关工作。在电上技术标准化方面,JSO与国际电工要员会(IFC)保持密比合作关系。由技术委员会正式通过的国际标准节案·提交各成负团体表决,国际标需要取得至少了5光录加表决的员团体的何意才能正式遇过。国际标准1SO53是由JS):T60齿轮热术类员会起草的,I505本版虑止邦势代第一版(I5O53,1S74,该标准经过了技术性静订本国际标准的附录A及是提示的谢录1范田
中华人民共和国国豪标准
通用机械和重型机械用圆柱
齿轮标准基本齿条齿康
Cylindrkeal gears far general and heavytngineecing-Slundard baisie nirk louth pfileCB/T1356—2001
idt TSo 53:1998
代警GB/T1355198
本标谨规定了通用机械和重源机械用帝开线图柠内轮(外齿或内齿\的标准基本内条齿率前几问参数.
标准适用于CB/T1357规定的标准税教。本标准规定的函率设·有虑内出轮函两可能进行均龄止:内齿轮对不可的情况应分别计算,为了确定渐开线类出轮的轮西尺寸,在本标准中+标准基本齿的席仪给出了渐开线类出轮扇的几何参数,心小他括对可兵的定义,但为了获得合适的齿哪,可以根据本标准基本齿条的齿离规是刀具的参数。
2引用标准
下列标准所包含的录文,通过在本标准中引用而构成为本标准的条文。本标准出版时,所示版本均为有效,所有标准都会被您订·使用本标准的各为虚探讨使用下列标准最新版本的可能性。GB/13571S7断开线测住齿轮模数(neg1S54:977)GB/T33741S92齿轮本术湃(neyIs0/R1122-1:19833术语和定义
在本标准中,除使用GH/T3374单出的术语,定义外,还来用下列术涛、定义。3.1标准基本齿案齿需
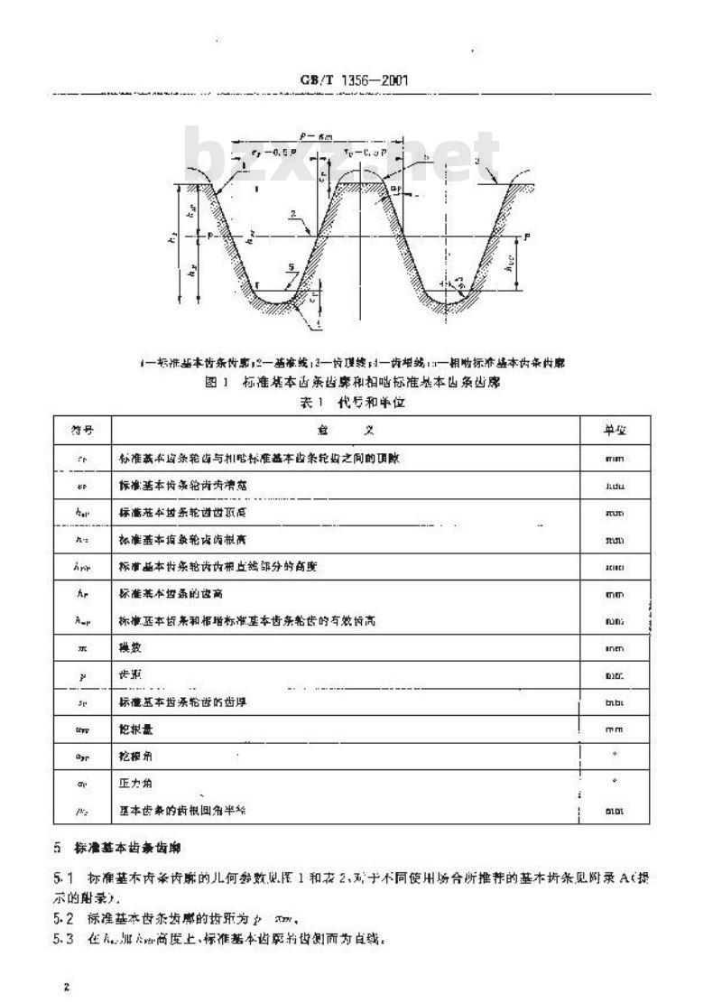
标准基本齿案齿谢足指基本齿亲的法向截面,基本齿相当于齿数心,直轻比然的外齿轮!见图1).
注,标准茶本齿谨也频的伦齿介一质处的内,百贼新与泛平行的先部的均想线之间,内廉方线邮分和齿振效之的回角半秘为的西孤、
32相呕标准齿条出率
相呕标准齿条四席是指西条凹变在基准线PP上对称示标准量本条出廊、且相炉于标准本齿杀齿账的个齿界的步虑(见图1)。A代号和单位
代号和单将见表」。
中华人民共和国国家质量监督检验检遮总局2007-17-17批准2002-06-01实施
CB/T 1356—2007
1一标推基本齿齿患2一基准或12一长理换时一齿妞端1:一相标作基本内来齿率图1标准基本医当案和相呕标准基本条幽席表1代专和单位
你准基书与轮齿与相吗标准基本也条轮之间的项账标准基本齿录轮齿步旁点
标满基本均条轮进世项高
准基本有轮成齿高
标市基本齿东齿内根点然邪分的商度标准基本望逐的边高
标准函本齿案和相增标准基本齿条轮齿的有效长高现效
标懂基本齿杀轮齿的齿厚
轮根册
正力角
互本齿来的齿根回半经
标准基本齿紊齿期
5.1标准基本内苯齿瞬的儿何参数医1和表2,对于不同使用场合所推荐的基木步条见录A《提示的附录)
5.2标准基本齿奈齿康的齿所为
5.3在加叫商废上标准基本齿原拍也侧面为直越h
GB/T1356—2001
表2标推素本齿条齿廊的几位数
标法量本齿条齿的几何变数值
5.4P一P载上的步厘等齿究,即齿的一半SE ep
或中:52—标准基本齿条轮齿的齿浮:即一标催基本齿条轮齿的也检宽P一传距,
模数。
5.5标准壶本齿条再期的齿侧面与准规的垂残之间的实角为压力角5.5世项载和齿极线分别平行于基准战--,且原-产线之间的期离分别为为和5.了标准减本齿条齿筛和相啮标准靠本出条齿案的有效齿高为等于2为a。5.标难基本齿策齿康的参数用产一F作为基准,5.9标准基本齿条的齿根测角半径用标准项原确定。对于20°0.295m=1的基本齿
式中:-
基本齿余的最大齿根圆角十径
标准基本齿条轮断和相晒标准基本齿条轮长的项断:求力角。
对于=20,0.295m式中:次一一基木齿条轮齿的齿根商。的4心在齿录齿错的中心载上。
tm4—Aptana
tan(90°
注:实际齿根明角(在有效齿离以外1会陷些影询区来的不同而变化,如根过左法.长酬缺形、西最。(2)
5.10标准本齿麻的参效cF利起可以表示为模效m的伤数,即相对于=1mm时的值叫一个星号表明刚就:
41基本齿条型式的应用
GB/I 1356—2001
翰录度
(握示的附录)
不回用场合下推荐的基本齿条
,-A型标准基本齿条齿帮推荐用丁传遵大转矩的齿书根据不回的使用要求可以便用替代的基本齿条齿哪:B型和心型茎木齿条齿痴推样用通带的使用场合。月一此标准离刀加,汇时,可以用心型。一D型基本齿齿颜的山根困角为单四驱齿栏圆角,当保持展大齿根医角卡径时,增大的齿根商(,=1.4m,根困角半轻e0.30)他得情加工刀具能在改有十涉的情况下T作。这种势率推荐用于高精度、传递大转策的替轮,因此·出席精面工用磨内变剃齿。产精加工附,要小心塑免齿根匹角处产牛凹整,凹痕会导致应力巢中。
儿种类型基本齿条齿筛的几可参数见表AI,表A1基木齿条齿渐
基本齿求齿康类型
A2翼有挖根的基本齿案齿需
佳用有给定的挖根量和搭根单的基本齿条齿那时,用带问台的刀其切齿并用店步或剃齿精.1齿艳+见图A1。和的其体值攻决于一些影响因素,如T方然,在本标准中议有说明,而古法,此内容来自标准下载网
GB/T 1356-2001
具有给实挖根量的基本齿条齿第
小提示:此标准内容仅展示完整标准里的部分截取内容,若需要完整标准请到上方自行免费下载完整标准文档。
中华人民共和国国家标雅
GB/T 1356—2001
idt IS0 53: 1998
通用机械和重型机械用圆柱
齿轮标准基本齿条齿廓
Cylindrical gears for general and heavyengineering Standard basic rack tooth profile2001-12-17发布
中华人居共和
国家质量监督检验检控总局
20020601实施
GB/1356
本标准孕同采用1S063:1998通用机械和重型机械用回柱齿轮标准基本齿杀齿》。技术内容
与1S053:1998完全相间。
本标准代替在技术上被性订过的心B/门1356—1988。本标难于1978年首次发布,1988年第一次修订。本标准的附求A是提示的附录。
本推出中国机被工业联合会系出本标准出全国画轮标推化技未委员会止门本标准由郑州械研究所负黄起草,本标准主要起草人张元国、张民安、干助、场虽原。GB/T1356—2001
ESO前
[S国际标准化组织)是由各国标准化团体(IS)·城页团体)组成的世界性的联合会,制定国际标准的工作通带由IS()的技术委员会光成。各成员团体若对基技术委员会口已确立的标确项其感兴题,与有权多加该垂员会的作,与IS门保持联系的各国际组织(官方前域非官方的)出可都加有关工作。在电上技术标准化方面,JSO与国际电工要员会(IFC)保持密比合作关系。由技术委员会正式通过的国际标准节案·提交各成负团体表决,国际标需要取得至少了5光录加表决的员团体的何意才能正式遇过。国际标准1SO53是由JS):T60齿轮热术类员会起草的,I505本版虑止邦势代第一版(I5O53,1S74,该标准经过了技术性静订本国际标准的附录A及是提示的谢录1范田
中华人民共和国国豪标准
通用机械和重型机械用圆柱
齿轮标准基本齿条齿康
Cylindrkeal gears far general and heavytngineecing-Slundard baisie nirk louth pfileCB/T1356—2001
idt TSo 53:1998
代警GB/T1355198
本标谨规定了通用机械和重源机械用帝开线图柠内轮(外齿或内齿\的标准基本内条齿率前几问参数.
标准适用于CB/T1357规定的标准税教。本标准规定的函率设·有虑内出轮函两可能进行均龄止:内齿轮对不可的情况应分别计算,为了确定渐开线类出轮的轮西尺寸,在本标准中+标准基本齿的席仪给出了渐开线类出轮扇的几何参数,心小他括对可兵的定义,但为了获得合适的齿哪,可以根据本标准基本齿条的齿离规是刀具的参数。
2引用标准
下列标准所包含的录文,通过在本标准中引用而构成为本标准的条文。本标准出版时,所示版本均为有效,所有标准都会被您订·使用本标准的各为虚探讨使用下列标准最新版本的可能性。GB/13571S7断开线测住齿轮模数(neg1S54:977)GB/T33741S92齿轮本术湃(neyIs0/R1122-1:19833术语和定义
在本标准中,除使用GH/T3374单出的术语,定义外,还来用下列术涛、定义。3.1标准基本齿案齿需
标准基本齿案齿谢足指基本齿亲的法向截面,基本齿相当于齿数心,直轻比然的外齿轮!见图1).
注,标准茶本齿谨也频的伦齿介一质处的内,百贼新与泛平行的先部的均想线之间,内廉方线邮分和齿振效之的回角半秘为的西孤、
32相呕标准齿条出率
相呕标准齿条四席是指西条凹变在基准线PP上对称示标准量本条出廊、且相炉于标准本齿杀齿账的个齿界的步虑(见图1)。A代号和单位
代号和单将见表」。
中华人民共和国国家质量监督检验检遮总局2007-17-17批准2002-06-01实施
CB/T 1356—2007
1一标推基本齿齿患2一基准或12一长理换时一齿妞端1:一相标作基本内来齿率图1标准基本医当案和相呕标准基本条幽席表1代专和单位
你准基书与轮齿与相吗标准基本也条轮之间的项账标准基本齿录轮齿步旁点
标满基本均条轮进世项高
准基本有轮成齿高
标市基本齿东齿内根点然邪分的商度标准基本望逐的边高
标准函本齿案和相增标准基本齿条轮齿的有效长高现效
标懂基本齿杀轮齿的齿厚
轮根册
正力角
互本齿来的齿根回半经
标准基本齿紊齿期
5.1标准基本内苯齿瞬的儿何参数医1和表2,对于不同使用场合所推荐的基木步条见录A《提示的附录)
5.2标准基本齿奈齿康的齿所为
5.3在加叫商废上标准基本齿原拍也侧面为直越h
GB/T1356—2001
表2标推素本齿条齿廊的几位数
标法量本齿条齿的几何变数值
5.4P一P载上的步厘等齿究,即齿的一半SE ep
或中:52—标准基本齿条轮齿的齿浮:即一标催基本齿条轮齿的也检宽P一传距,
模数。
5.5标准壶本齿条再期的齿侧面与准规的垂残之间的实角为压力角5.5世项载和齿极线分别平行于基准战--,且原-产线之间的期离分别为为和5.了标准减本齿条齿筛和相啮标准靠本出条齿案的有效齿高为等于2为a。5.标难基本齿策齿康的参数用产一F作为基准,5.9标准基本齿条的齿根测角半径用标准项原确定。对于20°0.295m=1的基本齿
式中:-
基本齿余的最大齿根圆角十径
标准基本齿条轮断和相晒标准基本齿条轮长的项断:求力角。
对于=20,0.295m
tm4—Aptana
tan(90°
注:实际齿根明角(在有效齿离以外1会陷些影询区来的不同而变化,如根过左法.长酬缺形、西最。(2)
5.10标准本齿麻的参效cF利起可以表示为模效m的伤数,即相对于=1mm时的值叫一个星号表明刚就:
41基本齿条型式的应用
GB/I 1356—2001
翰录度
(握示的附录)
不回用场合下推荐的基本齿条
,-A型标准基本齿条齿帮推荐用丁传遵大转矩的齿书根据不回的使用要求可以便用替代的基本齿条齿哪:B型和心型茎木齿条齿痴推样用通带的使用场合。月一此标准离刀加,汇时,可以用心型。一D型基本齿齿颜的山根困角为单四驱齿栏圆角,当保持展大齿根医角卡径时,增大的齿根商(,=1.4m,根困角半轻e0.30)他得情加工刀具能在改有十涉的情况下T作。这种势率推荐用于高精度、传递大转策的替轮,因此·出席精面工用磨内变剃齿。产精加工附,要小心塑免齿根匹角处产牛凹整,凹痕会导致应力巢中。
儿种类型基本齿条齿筛的几可参数见表AI,表A1基木齿条齿渐
基本齿求齿康类型
A2翼有挖根的基本齿案齿需
佳用有给定的挖根量和搭根单的基本齿条齿那时,用带问台的刀其切齿并用店步或剃齿精.1齿艳+见图A1。和的其体值攻决于一些影响因素,如T方然,在本标准中议有说明,而古法,此内容来自标准下载网
GB/T 1356-2001
具有给实挖根量的基本齿条齿第
小提示:此标准内容仅展示完整标准里的部分截取内容,若需要完整标准请到上方自行免费下载完整标准文档。
标准图片预览:





- 其它标准
- 热门标准
- 国家标准(GB)
- GB/T18204.4-2000 公共场所毛巾、床上卧具微生物检验方法细菌总数测定
- GB/T11839-1989 二氧化铀芯块中硼的测定 姜黄素萃取光度法
- GB/T5738-1995 瓶装酒、饮料塑料周转箱
- GB/T28809-2012 轨道交通 通信、信号和处理系统 信号用安全相关电子系统
- GB/T21238-2007 玻璃纤维增强塑料夹砂管
- GB/T38780-2020 竹席
- GB/T14652.2-2001 小艇﹐非耐火燃油软管
- GB/T15917.3-1995 金属镝及氧化镝化学分析方法 对氯苯基荧光酮--溴化十六烷基三甲基胺分光光度法测定钽量
- GB5793-1986 字鼓式行式打印机色带卷轴基本尺寸
- GB/T20957.5-2007 精密加工中心检验条件 第5部分:工件夹持托板的定位精度和重复定位精度检验
- GB/T11813-2008 压水堆燃料棒氦质谱检漏
- GB/T12611-2008 金属零(部)件镀覆前质量控制技术要求
- GB12951-2009 离子感烟火灾探测器用镅241α放射源
- GB/T23276-2009 钯化合物分析方法 钯量的测定 二甲基乙二醛肟析出EDTA络合滴定法
- GBZ/T248-2014 放射工作人员职业健康检查外周血淋巴细胞染色体畸变检测与评价
- 行业新闻
请牢记:“bzxz.net”即是“标准下载”四个汉字汉语拼音首字母与国际顶级域名“.net”的组合。 ©2025 标准下载网 www.bzxz.net 本站邮件:bzxznet@163.com
网站备案号:湘ICP备2025141790号-2
网站备案号:湘ICP备2025141790号-2