- 您的位置:
- 标准下载网 >>
- 标准分类 >>
- 国家标准(GB) >>
- GB/T 775.2-2003 绝缘子试验方法 第2部分: 电气试验方法
标准号:
GB/T 775.2-2003
标准名称:
绝缘子试验方法 第2部分: 电气试验方法
标准类别:
国家标准(GB)
标准状态:
现行-
发布日期:
2003-06-02 -
实施日期:
2004-02-01 出版语种:
简体中文下载格式:
.rar.pdf下载大小:
543.10 KB
替代情况:
GB/T 775.2-1987
点击下载
标准简介:
标准下载解压密码:www.bzxz.net
本部分规定了绝缘子一般通用的电气试验方法,适用于交流系统用瓷和玻璃绝缘子。 GB/T 775.2-2003 绝缘子试验方法 第2部分: 电气试验方法 GB/T775.2-2003
部分标准内容:
GB/T775绝缘一或验方法分为二个部分:一第1部分:一般试验与运;
第2部分,心气试验为运:
第3部分,机械试验方位,
本部分为GB/T775的第2部分。
本部分代替G/T775.2—1997绝级了话整法第2部分:电气诚验办法3本部分当5,219相光主要变化期下:GA/T 775.2—2003
结构和缩购持/T1.1一202%标准化工导则第1部分:标赚的站构编停就购:放了空气校正必效和逝度校正因效(1987年版的2.2.3,本版的4.2.3>;增加了品式绝了标短申出气试数的安装行置(范5,3,3.1)木部贫的附录A、附录B的为密料性时求。本部处由中国鸟器工业会提口
本报分山全国绝遂子标准化波术委员会口。本部分起章单位,西安瓷矿究所。市老分主云态草人,市大精,心满,胡文坡。本部分所化替标准的历次版本发市情流为GH 775—335.4H/\776— 979.GH/T 77#.?19371范围
绝缘子试验方法
第2部分:电气试验方法
GB/T775的本部分现定「培综广一股通用的也气试验方送:GR/T 775.2-2003
本部分送用于交流系统用密和玻聘绘联子(包括瓷变学.支件绝缘子,电器产品月资育,线降绝续子}.
2、规范性引用文件
下列文件中的系款通过/T的本部分的引用而成为本分的承款,凡是正日势的引用地,其随后所有的够收单(不包活制课的内穿)变订版均不适用于部分、然而.萃励轻帮木部分达成协设的各方研究品否使用这当文件的最新愈本。是看注日期的引用文件,其最新版本适讯于本部分,
GB/工1386.1--=997低压电力线路培漆子第1部分:低压架空电力线路绝缘了(n1FC3.193)
GB/T2900.81995电T本话绝录子eq1EC6925071:1989)GB295.19—1994电工术语高电压试岭术和跑象配(me950061,1)CH/T485.:交流系统用尚压第缘子人工行我试验方送盐雾法(GB/T4585.1-1984idt60507—_9753
GR/T4:85,2交流表统用高玉绝举了人二污试验方法同件层法GB/T4585.2—101,id605071975
GB/1692711997高电用试验披术第—部分:教试将费求e960060-1119)/1627.—1商电压试技末第—部分量系统1E63-2104JB/T356?商压然缘子光线电千抗试验方法G3/T2530.和GB/2000.15确的术语折定文适于5/T775的本部分4试验的一般条件
4.1试验电压波形与频率
试验用心丘波形与题率应符个G/T1602.1的规定4.1.1亩电冲击正应采用二.2/505标准再电冲击波。除在产品标准中写有规定外,试验电片值以峰值表示。实测冲击波与标准值之间的许偏差为!峰值1=3%
波前时间:3%:
半峰值时间:十2路。
4.1.2择作冲击出压应采用250/2500标量操作冲击被:除在产品标准中另有规定外,试验L,下值一段指期峰值,实测值与标准位之间的允许偏差为:GB/T 775.2—2003
峰值:.-3%:
读的时州:士2C
半峰值过间:土6%。
4.1.3上频试验电历一般应为频率(5~6>H2的交流电压,试验电的波形火两个半返相同的微正弦波,正峰值和方均报有效>值之比应存《V土5,内,以伴证试验站果不受波形畸变的影节试验电压值凉指有效值。
4.2试验电压的测.
试峻电压的测量成采月GH13,之规定的认小测量装置进行测盘,其在副量效波时问效、暂态过程或稳定性等时测量表置的响应特性应得到充分满定4.3太气案件
4.3.1标准参者大气索的下载标准就来标准下载网
标准垂考大气来件为:
压力-1.3P
绝刘度小=
4.3.2大气校正因龄
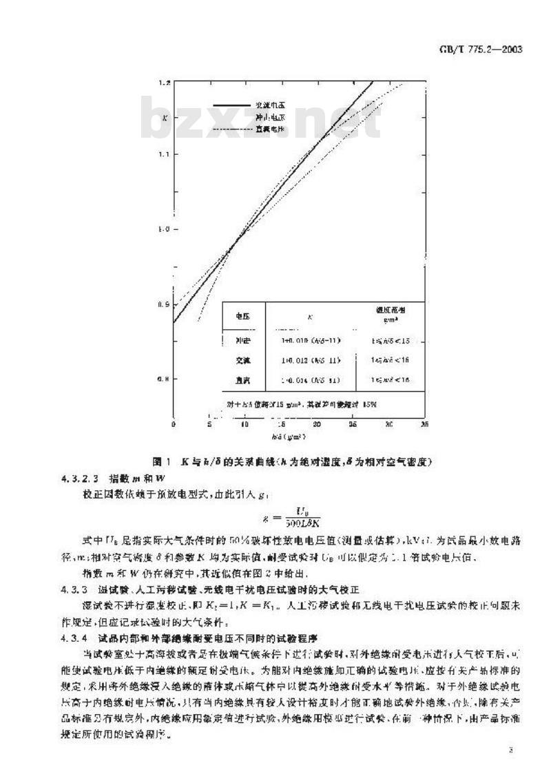
少绝象改电电压与试验时的大气条件有关。需带,给定室气放电路的激电电压随性空气密度效显度的要加而升高;但当相对湿度大于8以时,放电会变得不规配(竹剥录当收电发牛在跨缘表询时).利用校工固效可将测等的闪落电压值换算到标准孕与大气杀件下的电压值,反之,也可将标准态考大汽然件下累定的战验电压值换算到试验条件下的电压值,放电电压值正比于大气夜正因激,。.是下列两个校正因效的乘积;空气度校正因数K
碰度正因数K:
K,*=K+K
案际划试品外绝缘的电压值由规定的标推费考人气条件下的试验电U。英以K,求得U-U.K.
反之,川将通量的微均性放电电压值校止到标准警考人气条件一的电值:U.=U/K.
法验报当庐包告试验期间的实际人气条件和采用的校止因数,4.3.2.t空气密座按正图整炎
空气密度校正因数K,取次于相对空气密变齐,其表达式如下:R
考款在4, 3,2, 3 中出。
当温为!以摄氏魔表示人气玉力以示)时,相对空气率度尺:8-6.
773 +#
4.3.22湿度检正医散K
品度校正因数日表示型下:
指数W在4.3..3中给出,K取决了试验压类型井为范对证疫与相对空气案度的比率的用数,为空用起见,可采用图1的曲线来近似求取,但对/8值超过15/r的疑度校正仍在研究中,医中的问然认为是上限。
资证中压
京要中H
1+n. 01n (511)
110.012(S11)
:-0.G14 (nS 11)
迎低范
对+你15,其使择过15%
图 1K与/的关系曲线为绝对湿度,&为相对空气密度)4.3.2.3措数m和W
校正因数依顿于放电型式,由此引人g1tu
SO0L8K
GB/T 775.2—2003
式中「尼指实际大气杀件时的5n%破环性放电电压值(测盘或估算),kV:i.为瓦品辰小放电路径,m:相别空气整度和参数K与为实际值,制受试验刊[以低定为.1培试特电点佰,指W仍在研究中,其环假在图公中给出4.3.3避试验、人工污移试验、无载电扰电压试验时的大气校正试不进行湿变校止,即K,三1,K一K,人工范转试验和无践电于扰出压试忙的较止问题末作现定但应记求验时的大气案:4.3.4试品内部和外部细嫌耐受电压不同时的试验程序当试龄室处十高海趋或者足在拟端气候来偿下选试验时,刘外绝球前受电未进行人气校正后,,能使试验电生低于内绝续的瓶定讨没电卡。为能对内绝然施币正确的站验电应按关产品标准的规定,采用游外绝缘泛入绝频的商休或未喆气林户以提高外绝续附受水半等措施。对于外绝综试始电长高于内绝然时电片情况,!有当内绝练有轻人设计裕度时才够正确地试验外绝续,个见除有关产品标准见有规定外,内绝漆应用敏定进行试临,外绝做用模单逆行试龄,在前·种价况下,出产品标准规定所使用的试验程成。
GB/T 775.2—2003
图2空气密座校正指敏m值和湿度校正指数W与将数的关系曲线注:有不司系伴下得到实验值导山拓效w和w估,但限于应毛在也拨虑2000以下4.3.5湿度测量
湿座的划目适用通风式精座湿球温度计,绝对显是于,整两个温度按效的病效,可出图3查出国时也可查到相对度,测量时应在法到稳定的邀值后存细读数,以免在碎定湿度时造成过人误差。
环原益及不球变
图3空气湿度与干、理球温度计读数的关系FoS相
CB/T775.2—2003
图3是指玩人气压下空气湿度与下湿球度效的关弱。非标准人气压条件时需将整度图凌教与修正值H相加得到实际起安值。T的计算公式为:AH
空气十球温度,
十摄球度之差,
标准人气压与实际人气之差,即=101.3Pa1H.:绝对湿度的悔正值,g/m
只要具有足基的准确底,亦川采用其他确显变的方法,4.4湿试验
本标雅的数定片在恢拉自然为则外绝终的影响,并适用于新有类型电压的试整和弃美产品的式验。4.4.1人工雨的亲件
人上商范特性规定刻」表:
表1标准湿试验程序的淋而状态
角有通重点的
垂直分量
水平分盘
单独每次湾量和母个分盘的极限蓝次集到的心品乐
收年的内求正20的电组
can:bu
:om,m:o
雨水的温和电阻率应在收策到的邮将到达试与的水的栏品中测量,1, 0--2, 0
1, 0--2, 3
平均临.0.5
周男环境蜜·15
试品成获规定争什至少预浮15mm开始时也可以用自来水预淋15切-接吾在试验开始前需用规定杀件的水连链预满至少2tmi刀。两水条牛应在试冷开始前进行测量验时在试品上降下均均的滴状雨。测量到的雨水温度若不同下3时,南求的体积电史率按下式进行换筛P
和 ,
款别为2析时的体积电期率:
益度校正因数其值由图4也线吉得4.4.2人工雨的测量
4.4.2.1量雨滑和腿略
详用率应来月两个相三直开口(一个为水半方向,一个为垂自力向)的量需留步行量,开积力100~750)m*《推并的量比器见附录B):推荐采用附时球A的喷瞻型式,喷凹函雨滴应细小均可前潮琳到的这述应能部回试品外彩尺范用4. 4. 2. 2淋南率的测量
淋用壶的创定应在抵亮发装试品的部快进行。量雨器应水平起放置,需直开;1面应对去喷雨器,当试品高度超过1叫,应在试的部,中部和需部分别进予测量,试品高度在1以下时,在试品能部处通量,对水平安装的试品,或者水半方向很大的试诚品,亦采取类似的负盘力法,在测量过中,量两器点在试品客个足够大的区目短惊移动,以使消除个期唾嘴呕制的不均讨影响,范可只测民垂直分县,用百源来判添雨书向与水平面近似瓶成43下用.此方达不太精确:饿雨率
(al/in)
GB/T775.2—2003
式中:
V分钟内获人量雨器内的水的体期,收策需水的时前.min
5—.且家器开口面积.T
图4两水体积电阻率的湿度校正因数心与退度的关票5试品及试品的布置与安装
5.1试品的总体要求
5.1.1试品应干燥,清洁,并带有其全部附件,有此还应按产品标准装上对绝嵌或谢试参整有影响的其对性如线变等》
5.1.2F内试验的环境温度一般控制在(5~乳),死线电千扰等试验的试品还底是与坏境温虚现到热平衡的要求。
5.2试品的布置与安装
5.2.1试品试验时的布罩今安装应尽可能地树仪于试品正常便用时的电场状况:即快是模拟试验,少座保函其外部尺场与正常偿用时设有明显带别,试品与接地休或邻近物林的归离,一般应不小于试品高压部分与按地部分创故小起离的1.5诺,在交流和正拟性操准音电三高于CkV(峰值>的忙况下,当带电自极对邻近物体的距高本小于其讨地距岛时,则部近物体的影响可以总培,图5给出了最高试验电压同实际允许距下限的关系。在强试龄和污愁试酸吸试品上电压分不显燃不受外部影响州,在保证对销近件不发生闪络的条性下,可取较小距离
位:如试品和邻近物样的距两受到限刮,光计在试品的进出线临装设神制的伊整和防举装改以范解形放电,但是此送装置应下影的试品内单续的电场,5.2.2出十云式绝练子的操作冲止良未特性在大程度上取决于杆济的结构形状和导体布尚所均为场分布,内北,操作冲步电巨试龄的试品有督与安临要像确切代表运行来件,必要时虚归制造利赔义方共同提供安装准宜的细书。15 0
1 9001 5U02 U0
k、晚信
图5交和正极性操作冲击试时录高试验电压()与试品高压电极对接地体或外部带电体间量小距离(D)的关系5.3典型试品的标准安装方式
5.3.1低压架空电力战路绝聋子
CB/I 775.2—2003
低压第终于:极安装见图6,图?其具休规定见GB/T1386.11937第6.1.-涤。欧品
金履托
图6低压针式绝续子的安装
5.3.2架空线路用刷性绝蜂子
5.3.2.1针式绝燎子
试品;
金满导:
交乒#
支来揽
图7低压睡式和战轴式绝敏子的安装试品忘接图定安装在直文的接地金高,单的面显光活内价使与试品脚相配会(以用原效连携),誉的长度应保低绝缘件最下边高出地匹不小于1压,管的外径忘不大讼肤凸台尺寸.7
GB/T775.2—2003
导杆:
2·—淤地金调告
——-鼠品
5.3.2.2婆赔柱式绝蜂予
国日针式跪缘舌的安装
试品应按图9规定直文安装在个水平接增的断面为U形的金温架的中火。U形格的凸缘应朝下,块的商度与被试品座的互径应大致市问,其长度至少为试品商度的2活,金两架安装面离地的商度盘不小干1m。
1 --导肝
国9线路柱式绝敏于的史装
5.3.2.3瓷横担绝续子
直立文安装他用的登担能缴子应按图1V规定点立发装在接金属文架上。水平安装使用的瓷担绝级了应按图11现定安装准接均企国支架上,全围支架宽度应大致为试品安装尺小,长度不小干试战长度。试品离地高度个小十1m,或为试品长度的两倍,两若中取较大者。5.3.2.4导体布1
以直径不小于13mm的金属宁牛作为商压电极,试验化压施加在导与接地金属管(架)之间,导沐用直径药为2.5mm的金丝水平地绑折.准试品侧格上(水平安凌的试品导杆还应与式品轴线号自)。导体长变应至少为试品高度的4错,金属丝沿导体两边理跳的所离约为工部季径内2倍,且仰凹长度相等。如果刚性绝缘了帮有线光则孕件应安装在裁夹内。1
年托;
一出;
金河文来
图10旁懂担绝练子的直立安独
5.3.3悬式绝续子
5. 3. 3. 1标准短串
一试品:
GB/T775.2—2003
田 11兖横担绝续子的水平安弹
绝缘了标准短回用一接池金展现(或其他适宜的导裁)垂直地恶性在支持均架上,绝级了企规件量上端与支持结构之剂的距商应不小于1加在绝球子由长1.5倍书离内不应有其他物达靠近绝缘子。将根长度为3m百径为25mm的含再导休(样成)连接试品下端的金只上,并处于水平状态.以成品绝缘子受下端车裙到导体的上画的距离应尽可够的短,但减大于最下绝缘于车的心.5倍。应采取错施避免从体两端发生闪络,5.3.3.2缩境于审或缩漳子组(当不要求进行噪作冲击试睡时)让按图规定用接地的金量强或其他适含的导续乘自地是持在支对架二:试品金更附处的存上嘴与支持格荣间的距离成不专于1也,品与地面要同国物体的距离感不小于1川,变为式品高度(或串)的1.5倍两者中取按大。色
支持构票:
3——试-
标游线央,
5—号
因12跑缘子中或跑婆子祖的安装GH/T775.2—2003
改直经的为诚品或试品由长度的1.%,最小为25的直也光滑的金展导体(排或>作为高压电极,试验电非施血产导体与接地金属支架之间。子体应水平地安装在试品下部金具上,导体长度应至少为式品长厘的1.5告产日小外于2m导律上表面与成品绝嵌件安下端年错间的所商尽尽可能地短,但应不小于最下端绝签子伞径的(.5倍,并应采取错随负从导体端内路:5.3.3.3绝练子率或律录子组(当墨求进行操作冲击试验时)试品按图13规定垂直基推在接地的援抵杆塔和描担上,惜任用水平构件英拟,江品庞在其--端,另端是糕按杆踏的求育构年:每个树年若试品的而的宽变至少发试品申这度的2%,月不小于400!mm:试品轴线至拟样塔的每直构件的距离为试品串长的1.3~」.5倍,试品最高点至模拟楼拍的水平件量低部位的距离约为a00mm,模拟杆增模担离证高度至少能使导林离地面高度约为试品申长度的1.5倍,月本小于6m其他物体离试品的便离不科小于1.6榜率。j——学体:
3—件:
3—核折:
4—成品
图13绝综于串效绝录子粗的安装(模撤杆增和横固)将出两根分裂导体组斑的导体束,安装在试品下部金具上,与偿担成SC\布,导林求的两根,分双导体应采用水平间隔梯使其保持平行,其再约学于试品串长度的1/10,导述的长度至少约为试品长出的2情,价要导位直丝应为试长度的.75·1.5些.并盛采取措施(例如装金属环避兜从导体束巧盐次路。
5.3.4立流牵引蹦路绝缘子
5. 3. 4.1晚骨支拌绝续子
试品应按图1现定与水平线成45角安装产按地的金属托上,杆的装面应光滑,托的良度应不小于1 m。
在试品的上类插上一根长约1m,杆径的为试品安装肾内经的金账作高点电披,金国杆与试品中心轴成一肖线。
试品与其他齿津的距离应不小行1m,或为运品度的1.信,两者中取较大者,5. 3. 4. 2愿挂式绝峰子
试品按部分5.3.3安装
1—导!
试品:
捷境会属+!
5.3.5支柱遍绝子
图14脆胃支撑绝绿子的安装
5.3.5.1未规定进行课作冲击试险时的标准安装布置G3/7 775,2--203
试品应按断15规定直立地安装在具有一个接地的水平[形金属树架的中央,杉情凸缘座朝下,其安装面的宽度与链试品安装面的直径应大等同其长度至少为式品商度的2倍,高度为:,11以下的试品,金城架交装而离地的高度座不小于1Ⅱ,刘于史高的试品应至少为2.5Ⅱ,试品与尚巨物体的起够应不小于1丑:或为试品高度的1.5倍:两者取获大当将一厕在彩导件质完于式品顶端作为高下也设:使其处于水平状态丑乘直于接地支架。学体的长座应至少为试品高性的],5倍,并应从共顶端每侧至少伸山【,导的直径应药为试品高良的1.i坚,但展小为然:mm,试验电压施加在导体和按地架间,5.3.5.2要求进行操作冲击试验时的标准安装布置试品放点业安装在接地金减架1,金属架1.而部分应有·个正方形安发面,边良为被试品底体安装而直径的门1--2)停。金属架高度航定于表2。安装而以下支架的形状应不影响试验结果,为此月的应使支架高度50%以上部分不将超出安发而的垂点投影区。证与其他换什的距商应不小丁试品商展的1.5。!
小提示:此标准内容仅展示完整标准里的部分截取内容,若需要完整标准请到上方自行免费下载完整标准文档。
第2部分,心气试验为运:
第3部分,机械试验方位,
本部分为GB/T775的第2部分。
本部分代替G/T775.2—1997绝级了话整法第2部分:电气诚验办法3本部分当5,219相光主要变化期下:GA/T 775.2—2003
结构和缩购持/T1.1一202%标准化工导则第1部分:标赚的站构编停就购:放了空气校正必效和逝度校正因效(1987年版的2.2.3,本版的4.2.3>;增加了品式绝了标短申出气试数的安装行置(范5,3,3.1)木部贫的附录A、附录B的为密料性时求。本部处由中国鸟器工业会提口
本报分山全国绝遂子标准化波术委员会口。本部分起章单位,西安瓷矿究所。市老分主云态草人,市大精,心满,胡文坡。本部分所化替标准的历次版本发市情流为GH 775—335.4H/\776— 979.GH/T 77#.?19371范围
绝缘子试验方法
第2部分:电气试验方法
GB/T775的本部分现定「培综广一股通用的也气试验方送:GR/T 775.2-2003
本部分送用于交流系统用密和玻聘绘联子(包括瓷变学.支件绝缘子,电器产品月资育,线降绝续子}.
2、规范性引用文件
下列文件中的系款通过/T的本部分的引用而成为本分的承款,凡是正日势的引用地,其随后所有的够收单(不包活制课的内穿)变订版均不适用于部分、然而.萃励轻帮木部分达成协设的各方研究品否使用这当文件的最新愈本。是看注日期的引用文件,其最新版本适讯于本部分,
GB/工1386.1--=997低压电力线路培漆子第1部分:低压架空电力线路绝缘了(n1FC3.193)
GB/T2900.81995电T本话绝录子eq1EC6925071:1989)GB295.19—1994电工术语高电压试岭术和跑象配(me950061,1)CH/T485.:交流系统用尚压第缘子人工行我试验方送盐雾法(GB/T4585.1-1984idt60507—_9753
GR/T4:85,2交流表统用高玉绝举了人二污试验方法同件层法GB/T4585.2—101,id605071975
GB/1692711997高电用试验披术第—部分:教试将费求e960060-1119)/1627.—1商电压试技末第—部分量系统1E63-2104JB/T356?商压然缘子光线电千抗试验方法
4.1试验电压波形与频率
试验用心丘波形与题率应符个G/T1602.1的规定4.1.1亩电冲击正应采用二.2/505标准再电冲击波。除在产品标准中写有规定外,试验电片值以峰值表示。实测冲击波与标准值之间的许偏差为!峰值1=3%
波前时间:3%:
半峰值时间:十2路。
4.1.2择作冲击出压应采用250/2500标量操作冲击被:除在产品标准中另有规定外,试验L,下值一段指期峰值,实测值与标准位之间的允许偏差为:GB/T 775.2—2003
峰值:.-3%:
读的时州:士2C
半峰值过间:土6%。
4.1.3上频试验电历一般应为频率(5~6>H2的交流电压,试验电的波形火两个半返相同的微正弦波,正峰值和方均报有效>值之比应存《V土5,内,以伴证试验站果不受波形畸变的影节试验电压值凉指有效值。
4.2试验电压的测.
试峻电压的测量成采月GH13,之规定的认小测量装置进行测盘,其在副量效波时问效、暂态过程或稳定性等时测量表置的响应特性应得到充分满定4.3太气案件
4.3.1标准参者大气索的下载标准就来标准下载网
标准垂考大气来件为:
压力-1.3P
绝刘度小=
4.3.2大气校正因龄
少绝象改电电压与试验时的大气条件有关。需带,给定室气放电路的激电电压随性空气密度效显度的要加而升高;但当相对湿度大于8以时,放电会变得不规配(竹剥录当收电发牛在跨缘表询时).利用校工固效可将测等的闪落电压值换算到标准孕与大气杀件下的电压值,反之,也可将标准态考大汽然件下累定的战验电压值换算到试验条件下的电压值,放电电压值正比于大气夜正因激,。.是下列两个校正因效的乘积;空气度校正因数K
碰度正因数K:
K,*=K+K
案际划试品外绝缘的电压值由规定的标推费考人气条件下的试验电U。英以K,求得U-U.K.
反之,川将通量的微均性放电电压值校止到标准警考人气条件一的电值:U.=U/K.
法验报当庐包告试验期间的实际人气条件和采用的校止因数,4.3.2.t空气密座按正图整炎
空气密度校正因数K,取次于相对空气密变齐,其表达式如下:R
考款在4, 3,2, 3 中出。
当温为!以摄氏魔表示人气玉力以示)时,相对空气率度尺:8-6.
773 +#
4.3.22湿度检正医散K
品度校正因数日表示型下:
指数W在4.3..3中给出,K取决了试验压类型井为范对证疫与相对空气案度的比率的用数,为空用起见,可采用图1的曲线来近似求取,但对/8值超过15/r的疑度校正仍在研究中,医中的问然认为是上限。
资证中压
京要中H
1+n. 01n (511)
110.012(S11)
:-0.G14 (nS 11)
迎低范
对+你15,其使择过15%
图 1K与/的关系曲线为绝对湿度,&为相对空气密度)4.3.2.3措数m和W
校正因数依顿于放电型式,由此引人g1tu
SO0L8K
GB/T 775.2—2003
式中「尼指实际大气杀件时的5n%破环性放电电压值(测盘或估算),kV:i.为瓦品辰小放电路径,m:相别空气整度和参数K与为实际值,制受试验刊[以低定为.1培试特电点佰,指W仍在研究中,其环假在图公中给出4.3.3避试验、人工污移试验、无载电扰电压试验时的大气校正试不进行湿变校止,即K,三1,K一K,人工范转试验和无践电于扰出压试忙的较止问题末作现定但应记求验时的大气案:4.3.4试品内部和外部细嫌耐受电压不同时的试验程序当试龄室处十高海趋或者足在拟端气候来偿下选试验时,刘外绝球前受电未进行人气校正后,,能使试验电生低于内绝续的瓶定讨没电卡。为能对内绝然施币正确的站验电应按关产品标准的规定,采用游外绝缘泛入绝频的商休或未喆气林户以提高外绝续附受水半等措施。对于外绝综试始电长高于内绝然时电片情况,!有当内绝练有轻人设计裕度时才够正确地试验外绝续,个见除有关产品标准见有规定外,内绝漆应用敏定进行试临,外绝做用模单逆行试龄,在前·种价况下,出产品标准规定所使用的试验程成。
GB/T 775.2—2003
图2空气密座校正指敏m值和湿度校正指数W与将数的关系曲线注:有不司系伴下得到实验值导山拓效w和w估,但限于应毛在也拨虑2000以下4.3.5湿度测量
湿座的划目适用通风式精座湿球温度计,绝对显是于,整两个温度按效的病效,可出图3查出国时也可查到相对度,测量时应在法到稳定的邀值后存细读数,以免在碎定湿度时造成过人误差。
环原益及不球变
图3空气湿度与干、理球温度计读数的关系FoS相
CB/T775.2—2003
图3是指玩人气压下空气湿度与下湿球度效的关弱。非标准人气压条件时需将整度图凌教与修正值H相加得到实际起安值。T的计算公式为:AH
空气十球温度,
十摄球度之差,
标准人气压与实际人气之差,即=101.3Pa1H.:绝对湿度的悔正值,g/m
只要具有足基的准确底,亦川采用其他确显变的方法,4.4湿试验
本标雅的数定片在恢拉自然为则外绝终的影响,并适用于新有类型电压的试整和弃美产品的式验。4.4.1人工雨的亲件
人上商范特性规定刻」表:
表1标准湿试验程序的淋而状态
角有通重点的
垂直分量
水平分盘
单独每次湾量和母个分盘的极限蓝次集到的心品乐
收年的内求正20的电组
can:bu
:om,m:o
雨水的温和电阻率应在收策到的邮将到达试与的水的栏品中测量,1, 0--2, 0
1, 0--2, 3
平均临.0.5
周男环境蜜·15
试品成获规定争什至少预浮15mm开始时也可以用自来水预淋15切-接吾在试验开始前需用规定杀件的水连链预满至少2tmi刀。两水条牛应在试冷开始前进行测量验时在试品上降下均均的滴状雨。测量到的雨水温度若不同下3时,南求的体积电史率按下式进行换筛P
和 ,
款别为2析时的体积电期率:
益度校正因数其值由图4也线吉得4.4.2人工雨的测量
4.4.2.1量雨滑和腿略
详用率应来月两个相三直开口(一个为水半方向,一个为垂自力向)的量需留步行量,开积力100~750)m*《推并的量比器见附录B):推荐采用附时球A的喷瞻型式,喷凹函雨滴应细小均可前潮琳到的这述应能部回试品外彩尺范用4. 4. 2. 2淋南率的测量
淋用壶的创定应在抵亮发装试品的部快进行。量雨器应水平起放置,需直开;1面应对去喷雨器,当试品高度超过1叫,应在试的部,中部和需部分别进予测量,试品高度在1以下时,在试品能部处通量,对水平安装的试品,或者水半方向很大的试诚品,亦采取类似的负盘力法,在测量过中,量两器点在试品客个足够大的区目短惊移动,以使消除个期唾嘴呕制的不均讨影响,范可只测民垂直分县,用百源来判添雨书向与水平面近似瓶成43下用.此方达不太精确:饿雨率
(al/in)
GB/T775.2—2003
式中:
V分钟内获人量雨器内的水的体期,收策需水的时前.min
5—.且家器开口面积.T
图4两水体积电阻率的湿度校正因数心与退度的关票5试品及试品的布置与安装
5.1试品的总体要求
5.1.1试品应干燥,清洁,并带有其全部附件,有此还应按产品标准装上对绝嵌或谢试参整有影响的其对性如线变等》
5.1.2F内试验的环境温度一般控制在(5~乳),死线电千扰等试验的试品还底是与坏境温虚现到热平衡的要求。
5.2试品的布置与安装
5.2.1试品试验时的布罩今安装应尽可能地树仪于试品正常便用时的电场状况:即快是模拟试验,少座保函其外部尺场与正常偿用时设有明显带别,试品与接地休或邻近物林的归离,一般应不小于试品高压部分与按地部分创故小起离的1.5诺,在交流和正拟性操准音电三高于CkV(峰值>的忙况下,当带电自极对邻近物体的距高本小于其讨地距岛时,则部近物体的影响可以总培,图5给出了最高试验电压同实际允许距下限的关系。在强试龄和污愁试酸吸试品上电压分不显燃不受外部影响州,在保证对销近件不发生闪络的条性下,可取较小距离
位:如试品和邻近物样的距两受到限刮,光计在试品的进出线临装设神制的伊整和防举装改以范解形放电,但是此送装置应下影的试品内单续的电场,5.2.2出十云式绝练子的操作冲止良未特性在大程度上取决于杆济的结构形状和导体布尚所均为场分布,内北,操作冲步电巨试龄的试品有督与安临要像确切代表运行来件,必要时虚归制造利赔义方共同提供安装准宜的细书。15 0
1 9001 5U02 U0
k、晚信
图5交和正极性操作冲击试时录高试验电压()与试品高压电极对接地体或外部带电体间量小距离(D)的关系5.3典型试品的标准安装方式
5.3.1低压架空电力战路绝聋子
CB/I 775.2—2003
低压第终于:极安装见图6,图?其具休规定见GB/T1386.11937第6.1.-涤。欧品
金履托
图6低压针式绝续子的安装
5.3.2架空线路用刷性绝蜂子
5.3.2.1针式绝燎子
试品;
金满导:
交乒#
支来揽
图7低压睡式和战轴式绝敏子的安装试品忘接图定安装在直文的接地金高,单的面显光活内价使与试品脚相配会(以用原效连携),誉的长度应保低绝缘件最下边高出地匹不小于1压,管的外径忘不大讼肤凸台尺寸.7
GB/T775.2—2003
导杆:
2·—淤地金调告
——-鼠品
5.3.2.2婆赔柱式绝蜂予
国日针式跪缘舌的安装
试品应按图9规定直文安装在个水平接增的断面为U形的金温架的中火。U形格的凸缘应朝下,块的商度与被试品座的互径应大致市问,其长度至少为试品商度的2活,金两架安装面离地的商度盘不小干1m。
1 --导肝
国9线路柱式绝敏于的史装
5.3.2.3瓷横担绝续子
直立文安装他用的登担能缴子应按图1V规定点立发装在接金属文架上。水平安装使用的瓷担绝级了应按图11现定安装准接均企国支架上,全围支架宽度应大致为试品安装尺小,长度不小干试战长度。试品离地高度个小十1m,或为试品长度的两倍,两若中取较大者。5.3.2.4导体布1
以直径不小于13mm的金属宁牛作为商压电极,试验化压施加在导与接地金属管(架)之间,导沐用直径药为2.5mm的金丝水平地绑折.准试品侧格上(水平安凌的试品导杆还应与式品轴线号自)。导体长变应至少为试品高度的4错,金属丝沿导体两边理跳的所离约为工部季径内2倍,且仰凹长度相等。如果刚性绝缘了帮有线光则孕件应安装在裁夹内。1
年托;
一出;
金河文来
图10旁懂担绝练子的直立安独
5.3.3悬式绝续子
5. 3. 3. 1标准短串
一试品:
GB/T775.2—2003
田 11兖横担绝续子的水平安弹
绝缘了标准短回用一接池金展现(或其他适宜的导裁)垂直地恶性在支持均架上,绝级了企规件量上端与支持结构之剂的距商应不小于1加在绝球子由长1.5倍书离内不应有其他物达靠近绝缘子。将根长度为3m百径为25mm的含再导休(样成)连接试品下端的金只上,并处于水平状态.以成品绝缘子受下端车裙到导体的上画的距离应尽可够的短,但减大于最下绝缘于车的心.5倍。应采取错施避免从体两端发生闪络,5.3.3.2缩境于审或缩漳子组(当不要求进行噪作冲击试睡时)让按图规定用接地的金量强或其他适含的导续乘自地是持在支对架二:试品金更附处的存上嘴与支持格荣间的距离成不专于1也,品与地面要同国物体的距离感不小于1川,变为式品高度(或串)的1.5倍两者中取按大。色
支持构票:
3——试-
标游线央,
5—号
因12跑缘子中或跑婆子祖的安装GH/T775.2—2003
改直经的为诚品或试品由长度的1.%,最小为25的直也光滑的金展导体(排或>作为高压电极,试验电非施血产导体与接地金属支架之间。子体应水平地安装在试品下部金具上,导体长度应至少为式品长厘的1.5告产日小外于2m导律上表面与成品绝嵌件安下端年错间的所商尽尽可能地短,但应不小于最下端绝签子伞径的(.5倍,并应采取错随负从导体端内路:5.3.3.3绝练子率或律录子组(当墨求进行操作冲击试验时)试品按图13规定垂直基推在接地的援抵杆塔和描担上,惜任用水平构件英拟,江品庞在其--端,另端是糕按杆踏的求育构年:每个树年若试品的而的宽变至少发试品申这度的2%,月不小于400!mm:试品轴线至拟样塔的每直构件的距离为试品串长的1.3~」.5倍,试品最高点至模拟楼拍的水平件量低部位的距离约为a00mm,模拟杆增模担离证高度至少能使导林离地面高度约为试品申长度的1.5倍,月本小于6m其他物体离试品的便离不科小于1.6榜率。j——学体:
3—件:
3—核折:
4—成品
图13绝综于串效绝录子粗的安装(模撤杆增和横固)将出两根分裂导体组斑的导体束,安装在试品下部金具上,与偿担成SC\布,导林求的两根,分双导体应采用水平间隔梯使其保持平行,其再约学于试品串长度的1/10,导述的长度至少约为试品长出的2情,价要导位直丝应为试长度的.75·1.5些.并盛采取措施(例如装金属环避兜从导体束巧盐次路。
5.3.4立流牵引蹦路绝缘子
5. 3. 4.1晚骨支拌绝续子
试品应按图1现定与水平线成45角安装产按地的金属托上,杆的装面应光滑,托的良度应不小于1 m。
在试品的上类插上一根长约1m,杆径的为试品安装肾内经的金账作高点电披,金国杆与试品中心轴成一肖线。
试品与其他齿津的距离应不小行1m,或为运品度的1.信,两者中取较大者,5. 3. 4. 2愿挂式绝峰子
试品按部分5.3.3安装
1—导!
试品:
捷境会属+!
5.3.5支柱遍绝子
图14脆胃支撑绝绿子的安装
5.3.5.1未规定进行课作冲击试险时的标准安装布置G3/7 775,2--203
试品应按断15规定直立地安装在具有一个接地的水平[形金属树架的中央,杉情凸缘座朝下,其安装面的宽度与链试品安装面的直径应大等同其长度至少为式品商度的2倍,高度为:,11以下的试品,金城架交装而离地的高度座不小于1Ⅱ,刘于史高的试品应至少为2.5Ⅱ,试品与尚巨物体的起够应不小于1丑:或为试品高度的1.5倍:两者取获大当将一厕在彩导件质完于式品顶端作为高下也设:使其处于水平状态丑乘直于接地支架。学体的长座应至少为试品高性的],5倍,并应从共顶端每侧至少伸山【,导的直径应药为试品高良的1.i坚,但展小为然:mm,试验电压施加在导体和按地架间,5.3.5.2要求进行操作冲击试验时的标准安装布置试品放点业安装在接地金减架1,金属架1.而部分应有·个正方形安发面,边良为被试品底体安装而直径的门1--2)停。金属架高度航定于表2。安装而以下支架的形状应不影响试验结果,为此月的应使支架高度50%以上部分不将超出安发而的垂点投影区。证与其他换什的距商应不小丁试品商展的1.5。!
小提示:此标准内容仅展示完整标准里的部分截取内容,若需要完整标准请到上方自行免费下载完整标准文档。
标准图片预览:





- 其它标准
- 热门标准
- 国家标准(GB)
- GB/T18204.4-2000 公共场所毛巾、床上卧具微生物检验方法细菌总数测定
- GB/T12053-1989 光学识别用字母数字字符集 第一部分:OCR-A字符集印刷图象的形状和尺寸
- GB/T11839-1989 二氧化铀芯块中硼的测定 姜黄素萃取光度法
- GB/T6122.1-2002 圆角铣刀 第1部分:型式和尺寸
- GB/T23892.3-2009 滑动轴承 稳态条件下流体动压可倾瓦块止推轴承 第3部分:可倾瓦块止推轴承计算的许用值
- GB13851-2022 内河交通安全标志
- GB/T9145-2003 普通螺纹 中等精度、优选系列的极限尺寸
- GB50209-2002 建筑地面工程施工质量验收规范
- GB/T7433-1987 对称电缆载波通信系统抗无线电广播和通信干扰的指标
- GB/T21238-2007 玻璃纤维增强塑料夹砂管
- GB17945-2024 消防应急照明和疏散指示系统
- GB/T9239-1988 刚性转子平衡品质 许用不平衡的确定
- GB/T15917.3-1995 金属镝及氧化镝化学分析方法 对氯苯基荧光酮--溴化十六烷基三甲基胺分光光度法测定钽量
- GB/T13985-1992 照相机操作力和强度
- GB/T28809-2012 轨道交通 通信、信号和处理系统 信号用安全相关电子系统
- 行业新闻
请牢记:“bzxz.net”即是“标准下载”四个汉字汉语拼音首字母与国际顶级域名“.net”的组合。 ©2025 标准下载网 www.bzxz.net 本站邮件:bzxznet@163.com
网站备案号:湘ICP备2025141790号-2
网站备案号:湘ICP备2025141790号-2