- 您的位置:
- 标准下载网 >>
- 标准分类 >>
- 建筑材料行业标准(JC) >>
- JC/T 847.2-1999 异型装饰石材 第2部分:花线
标准号:
JC/T 847.2-1999
标准名称:
异型装饰石材 第2部分:花线
标准类别:
建筑材料行业标准(JC)
标准状态:
现行-
发布日期:
1999-06-07 -
实施日期:
1999-09-01 出版语种:
简体中文下载格式:
.rar.pdf下载大小:
464.15 KB
点击下载
标准简介:
标准下载解压密码:www.bzxz.net
本标准规定了花线的产品分类、技术要求、试验方法、检验规则及标志、包装、运抽和贮存等。本标准适用于以天然花岗石、大理石荒料加工而成的单件或多件拼接作为建筑装饰用的花线,亦适用于其他类似的石制品. JC/T 847.2-1999 异型装饰石材 第2部分:花线 JC/T847.2-1999
部分标准内容:
JC/T 84.7:21999
为规范异型装饰石材的产品质量,满足市场需求,特制定本标准。经检索,目前尚未发现异型装饰石材的国标推和国外先进标准。
JC/T847在异型装饰石材3总标题下,包括以下部分:第1部分:弧面板:
第 2 部分:花线#
第3部分:实心柱体,
本标准是第 2部分。
本标准由国家建筑材料王业局标准化研究所提出并归日,本标准由国象建筑材料工业局标准化研究所、广东东莞环球石材集团公司共同起草,本标准要起草人:曲光宇朱新胜武庆涛郭侃良肖建平新碧黄小常1范围
中华人民共和国建材行业标准
异型装饰石材
第2部分:花线
Speclal type decoratlve stonePart2, Decorative tine
JC/T 8 4 7. 2-1 9 9 9
本标准规定了花线的产品分类、技术要求、试验方法,检验规则及标志,包装、运输和贮存等,本标准适用于以天然花岗石,大理石荒料加工而成的单件或多件拼接作为建筑装饰用的花线,亦适用于其他类似的石制品。
2引用标准
下列标准所包含的条文,通过在本标准中引用而构成为本标准的条文。本标准出版时,所示版本均为有效。所有标准都会被修订,使用本标准的各方应探讨使用下列标准最新版本的可能性。GB191—90包装储运图示标志
GB/T11821996形状和位置公差—通则、定义、符号和图样表示法GB/T 9966.1-88天然饰面石材试验方法干爆、水饱和、冻融循环后压缩强度试验方法GB/T9966.2—88天然怖面石材试验方法弯曲强度试验方法GB/T9966.3一88天然饰面石材试验方法体积密度、真密度,其气孔率、吸水率试验方法GB/T13890-92天然饰面石材术语:JC/T79-92(1996)天然大理石建筑板材JC/T205—92(1996)天然花岗石建筑板材3定文
本标准采用 GB/T 13890 和 GB/T 1182 及下列定义。花线
具有十定儿何图形的截面沿一定轨迹延伸所形成的装怖用石质板条。4产品分类
4.1分类
4.1.1按所用石材种类分为大理石花线(代号为M>和花岗石花线(代号为G)4.1.2按截面延伸轨迹分为,
a)直位花线(代号为Z):延伸轨迹为直线的花线b)弯位花线(代号为W)延伸轨迹为曲线的花线。4.1.3按表面加工程度分为:
a)镜面花线(代号为J):表面具有镜面光泽的花线国家睡筑材料工业扇1999-06-07批准17bzw.cn脆黛万
既痕张科5湖
17izw.com脆慧峰
种铁盆霾藕顏
1 9 9 90 9-0 1.施
扇种铁峰 聚鹅發魅
1案60
JC/T 8 47.2-19 9 9
b)细面花线(代号为X):表面光滑的花线:c)粗面花线(代号为C):表面粗糙、经烧面或剃斧而成的花线,4.2产品代号
产品代号表示方法规定如下:
4.3等级
数字数字数字×数字
外弧半径,m(仅适用于弯位花线)长度或装饰面的外弧弦长,mm
厚度.mm
宽度,mtn
加工程度分类代号(见4:1.3
几间形状分类代号(见4.1.2)
石材种类代号(见4.1.1)
花线按加工质量分为优等品(代号为A)、一等品(代号为B)、合格品(代号为C)三个等级。4.4命名与产品标记
4.4.1花线命名顺序为荒料产地地名、色调花纹特征名称、花线,4.4.2产品标记顺序为命名、产品代号、等级、标准编号。4.4.3标记示例如下:
)用内蒙丰镇黑色花岗石荒料加工的觉度为150mm,厚度为50mm,长度为200mm的镜面、直位、一等品花线标记为:
GZJ150X50X200BJC/T847.2-1999丰镇黑花线
b)用内丰镇墨色花岗石荒料加工的宽度为150mm,厚度为50mm,装饰面外弧弦长为200mm、外殖半径为300mm的粗面、弯位、合格品花线标记为:丰镇黑花线GWC150X50X200X300CJC/T847.2-19995技术要求
,5.1尺寸极限偏差
5.1.1直位花线规格尺寸极限偏差应符合表1的规定表1
宽度(高度)
优等品
细面和镜面花线
一等品
合格品
优等品
粗面花线
一等品
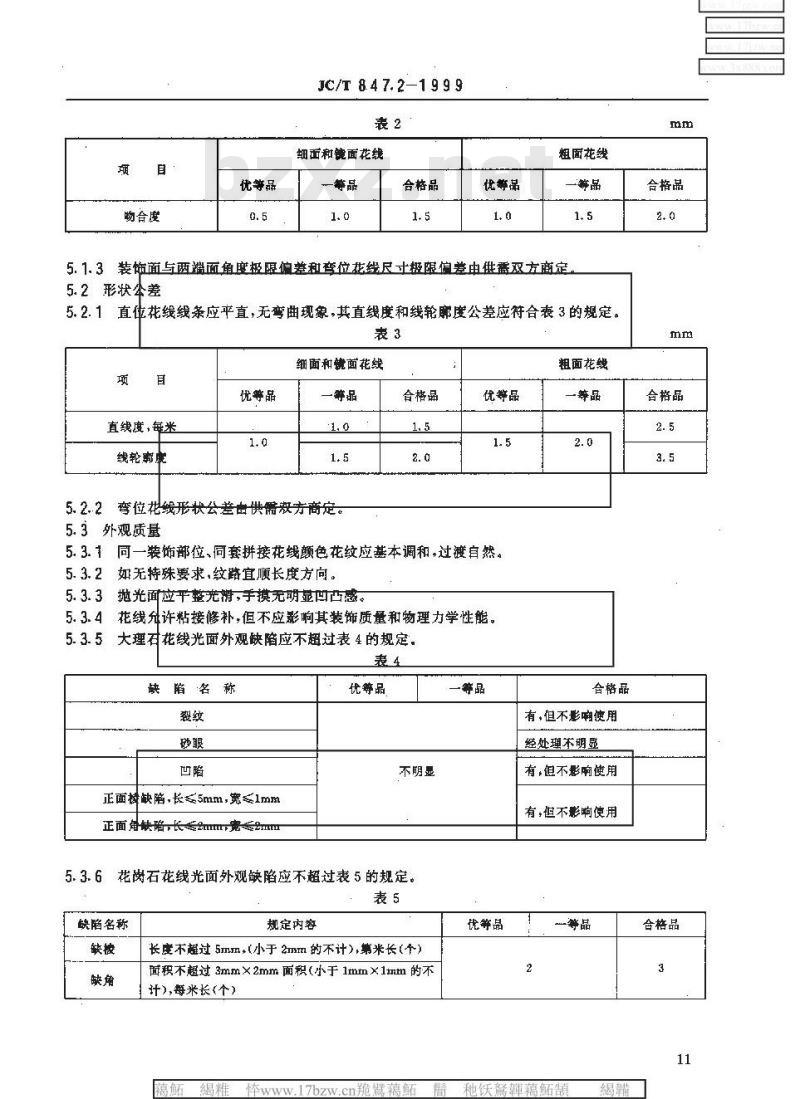
整批或同类拼接直位花线裁面形状应一致,其吻合度应不大于表2的规定。mm
合格品
吻合度
优等品
JC/T 8. 4 7. 2-1 9 9 9
细面和镜面花线
一等品
合格品
优等品
粗厨花线
一等品
装怖面与两端面角度极限偏差和套位花线尺寸极限偏差电供需双方商定5. 1. 3
5.2形状公差
5.2.1直花线线条应平直,无弯曲现象,其直线度和线轮廊度公差应符合表3的规定。表3
直线度,每米
线轮率度
优等品
细面和镜面花线
一等品
弯位花线形状公差由供需救方商定。5. 2.2
5.3外观质量
合格品
优等品
5.3.1同一装饰部位、同套拼接花线颤色花纹应基本调和,过渡自然。5.3.2如无特殊要求,纹路宜顺长度方向。5.3.3抛光面应平整光,手摸无明显凹凸感。5. 3. 4花线分许粘接修补,但不应影响其装饰质量和物理力学性能。5.3.5大理花线光面外观缺陷应不超过表4的规定。表4
缺陷名称
正面树缺陷,长≤5mm,宽≤1mm正面缺陷,长2mm,宽2mmm
优等品
不明显
花岗石花线光面外观缺陷应不超过表5的规定。5.3.6
缺陷名称
规定内容
长度不超过5mm,(小于2mm的不计),第米长(个)面积木超过3mm×2mm面积(小于1mm×1mm的不计),每米长(个)
既瘦科5湖
17bzw.cn脆黛藕
17izw.com脆暨峰
一等品
粗面花线
一等品
合格品
有,但不影响使用
经处理不明显
有,但不影响使用
有,但不影响使用
优等品
他煎干颌
阁种妖蜂 柴蝎轰睫
合格品
合格品
合格品
1膜颖60星bZxz.net
缺陷名称
JC/T B 47. 2-1 9 9 9
表5(完)
规定内容
长度不超过单件总长度的1/10,长度小于5mm的不计)每米长(条)
面积不超过 5mtu× 5am(小于 2mm× 2mm 不计),每来长(个)
长度不超过单件总长度的1/10(长度小于5mm的不计),每米长(条)
5.4光泽度
花线光泽度由供需效方商定。
物理力学性能
花线物理力学性能应符合表 6的规定。表6
体积密度,B/cm2
吸水率%
干燥压缩强度,MPa
弯曲强度,MPa
6试验方法
6.1尺寸偏差的测量
大理石
优等品
一等品
花肉石
合格品
6.1.1花线的长度、宽度、厚度用分度值为1mm的钢直尺或铜卷尺测量,长度应分别测量两长边,宽度和厚度应分别测量两端端面,见图1和图2,分别用偏的最大值和最小值表示长度、宽度、厚度的尺寸偏差,读数精确至0.5mm。
外弧弦长
外弧半径
6.1.2吻合度测量:将同类拼接花线量于平台上,拼接后用钢平尺或塞尺测量,6.2形状公差的测量
6.2.1直位花线直线度用直线度公差不大于0.1mm、长1000mm的钢平尺紧贴被检花线的两逆缘和造型面中间线,钢乎尺放置平行于两长边,用塞尺测量尺面与花线见光面的间,以最大值作为直线度偏差,见图3。
JC/T 8 4 7. 2- 1 9 9 9
6.2.2 线轮廊度用与花线曲率相同的精度不低于IF13 级的样板配合塞尺测量,以最大值作为线轮廊度偏差。
6.3外观质量检验
6.3.1花线颜色花纹和纹路检验
单件花线[将选定的迹议板与被检花线同时平放于地面上,距1.Um处目测:拼接花线将整套花线按序号拼成一体,距拼接台2.0m处目测。6.3.2外观缺陷检验
6.3.2.1大理石花线,将花线平置地面上.距花线2.0m处明显可见的缺隆视为有缺陷,距花线2.0m处不明显的视为无缺陷。
6.3.2.2花岗石花线:将平尺紧靠有缺陷部位,用分度值为1mm的钢直尺测量缺陷的长度、宽度。6.4物理力学性能试验
6. 4. 1体积寄度和吸水率按 GB/T 9966. 3 的规定进行测试。6.4.2于燥压缩强度按GB/T9966.1的规定进行测试。6.4.3李曲弹度按GB/T 9966.2的规定进行测试。7检验规刻
7.1检验分类
花线检验分为出厂检验和型式检验。7.2出厂检验
7.2.1检验项目
尺寸偏差、形状公差、外观质量,均为全数检验。7.2.2判症规则
单件花线的所有检验结果均符合相应等级的要求时,判为该等级。同类型的花线中,优等品中不得有超过5%的一等品,一等品中不得有超过10%的合格品,合格品中不得有不合格品7.3型式检验
7.3.1有下列情况之一时,应对本标准规定的全部项目进行型式检验:a)新建厂投产时;
b)国家质量监督机构提出进行型式检验要求时。7.3.2检验项目
尺寸偏差、形状公差、外观质量等项目为全数检验。7.3.3抽样
体积密度、吸水率,干燥压缩强度,弯曲强度的检验从生产同批花线的荒料中的不同块体上按GB/T 9966.1~GB/T 9966.3的规定取样。13
旺瘦张科5湖
17bzw.cn脆黛藕
17izw.com脆解摔
饮駕藕頔
离种蟀架鹉鼓
1膜颖60
7.3.4判定规则
JC/T 8 4 7. 21 9 9 9
体积密度、吸水率、干燥压缩强度、弯曲强度的检验结果中,有一项不符合本标准5.5的要求时,则判定该批花线为不合格品,其他项目检验结果的判定同出厂检验。8标志、包装、运输和贮存
8.1标志
8.1.1产品标志
8.1.1.1出厂产品应注明生产厂名、商标、产品名称、产品代号、等级、标准编号、出厂日期、工程名称等,并且在每件产品上还应标明编号或标记等。8. 1. 1. 2
的规定。
包装箱上必须有“向上”,“怡湿”、“小心轻放”“易碎物品\等安全警示标志,并应符合GB1918.2包装
8.2.1包装时光面应相对,并按花线品种,规格、工程名称、等级等分别包装,且应用泡沫塑料等隔离物进行隔离,并附产品合格证、说明书和配滚拼接工程用料图纸以及拼接安装编号指引图。8.2.2包装质量应符合产品在正常条件下安全装卸、运输的要求,8.3运输
花线运輪过程中应防湿,严禁滚摔、碰撞。8.4存
8.4.1花线应在室内贮存,室外贮存应加遮盖。8.4.2花线应按品种、规格、等级和工程名称等分别码放。14
小提示:此标准内容仅展示完整标准里的部分截取内容,若需要完整标准请到上方自行免费下载完整标准文档。
为规范异型装饰石材的产品质量,满足市场需求,特制定本标准。经检索,目前尚未发现异型装饰石材的国标推和国外先进标准。
JC/T847在异型装饰石材3总标题下,包括以下部分:第1部分:弧面板:
第 2 部分:花线#
第3部分:实心柱体,
本标准是第 2部分。
本标准由国家建筑材料王业局标准化研究所提出并归日,本标准由国象建筑材料工业局标准化研究所、广东东莞环球石材集团公司共同起草,本标准要起草人:曲光宇朱新胜武庆涛郭侃良肖建平新碧黄小常1范围
中华人民共和国建材行业标准
异型装饰石材
第2部分:花线
Speclal type decoratlve stonePart2, Decorative tine
JC/T 8 4 7. 2-1 9 9 9
本标准规定了花线的产品分类、技术要求、试验方法,检验规则及标志,包装、运输和贮存等,本标准适用于以天然花岗石,大理石荒料加工而成的单件或多件拼接作为建筑装饰用的花线,亦适用于其他类似的石制品。
2引用标准
下列标准所包含的条文,通过在本标准中引用而构成为本标准的条文。本标准出版时,所示版本均为有效。所有标准都会被修订,使用本标准的各方应探讨使用下列标准最新版本的可能性。GB191—90包装储运图示标志
GB/T11821996形状和位置公差—通则、定义、符号和图样表示法GB/T 9966.1-88天然饰面石材试验方法干爆、水饱和、冻融循环后压缩强度试验方法GB/T9966.2—88天然怖面石材试验方法弯曲强度试验方法GB/T9966.3一88天然饰面石材试验方法体积密度、真密度,其气孔率、吸水率试验方法GB/T13890-92天然饰面石材术语:JC/T79-92(1996)天然大理石建筑板材JC/T205—92(1996)天然花岗石建筑板材3定文
本标准采用 GB/T 13890 和 GB/T 1182 及下列定义。花线
具有十定儿何图形的截面沿一定轨迹延伸所形成的装怖用石质板条。4产品分类
4.1分类
4.1.1按所用石材种类分为大理石花线(代号为M>和花岗石花线(代号为G)4.1.2按截面延伸轨迹分为,
a)直位花线(代号为Z):延伸轨迹为直线的花线b)弯位花线(代号为W)延伸轨迹为曲线的花线。4.1.3按表面加工程度分为:
a)镜面花线(代号为J):表面具有镜面光泽的花线国家睡筑材料工业扇1999-06-07批准17bzw.cn脆黛万
既痕张科5湖
17izw.com脆慧峰
种铁盆霾藕顏
1 9 9 90 9-0 1.施
扇种铁峰 聚鹅發魅
1案60
JC/T 8 47.2-19 9 9
b)细面花线(代号为X):表面光滑的花线:c)粗面花线(代号为C):表面粗糙、经烧面或剃斧而成的花线,4.2产品代号
产品代号表示方法规定如下:
4.3等级
数字数字数字×数字
外弧半径,m(仅适用于弯位花线)长度或装饰面的外弧弦长,mm
厚度.mm
宽度,mtn
加工程度分类代号(见4:1.3
几间形状分类代号(见4.1.2)
石材种类代号(见4.1.1)
花线按加工质量分为优等品(代号为A)、一等品(代号为B)、合格品(代号为C)三个等级。4.4命名与产品标记
4.4.1花线命名顺序为荒料产地地名、色调花纹特征名称、花线,4.4.2产品标记顺序为命名、产品代号、等级、标准编号。4.4.3标记示例如下:
)用内蒙丰镇黑色花岗石荒料加工的觉度为150mm,厚度为50mm,长度为200mm的镜面、直位、一等品花线标记为:
GZJ150X50X200BJC/T847.2-1999丰镇黑花线
b)用内丰镇墨色花岗石荒料加工的宽度为150mm,厚度为50mm,装饰面外弧弦长为200mm、外殖半径为300mm的粗面、弯位、合格品花线标记为:丰镇黑花线GWC150X50X200X300CJC/T847.2-19995技术要求
,5.1尺寸极限偏差
5.1.1直位花线规格尺寸极限偏差应符合表1的规定表1
宽度(高度)
优等品
细面和镜面花线
一等品
合格品
优等品
粗面花线
一等品
整批或同类拼接直位花线裁面形状应一致,其吻合度应不大于表2的规定。mm
合格品
吻合度
优等品
JC/T 8. 4 7. 2-1 9 9 9
细面和镜面花线
一等品
合格品
优等品
粗厨花线
一等品
装怖面与两端面角度极限偏差和套位花线尺寸极限偏差电供需双方商定5. 1. 3
5.2形状公差
5.2.1直花线线条应平直,无弯曲现象,其直线度和线轮廊度公差应符合表3的规定。表3
直线度,每米
线轮率度
优等品
细面和镜面花线
一等品
弯位花线形状公差由供需救方商定。5. 2.2
5.3外观质量
合格品
优等品
5.3.1同一装饰部位、同套拼接花线颤色花纹应基本调和,过渡自然。5.3.2如无特殊要求,纹路宜顺长度方向。5.3.3抛光面应平整光,手摸无明显凹凸感。5. 3. 4花线分许粘接修补,但不应影响其装饰质量和物理力学性能。5.3.5大理花线光面外观缺陷应不超过表4的规定。表4
缺陷名称
正面树缺陷,长≤5mm,宽≤1mm正面缺陷,长2mm,宽2mmm
优等品
不明显
花岗石花线光面外观缺陷应不超过表5的规定。5.3.6
缺陷名称
规定内容
长度不超过5mm,(小于2mm的不计),第米长(个)面积木超过3mm×2mm面积(小于1mm×1mm的不计),每米长(个)
既瘦科5湖
17bzw.cn脆黛藕
17izw.com脆暨峰
一等品
粗面花线
一等品
合格品
有,但不影响使用
经处理不明显
有,但不影响使用
有,但不影响使用
优等品
他煎干颌
阁种妖蜂 柴蝎轰睫
合格品
合格品
合格品
1膜颖60星bZxz.net
缺陷名称
JC/T B 47. 2-1 9 9 9
表5(完)
规定内容
长度不超过单件总长度的1/10,长度小于5mm的不计)每米长(条)
面积不超过 5mtu× 5am(小于 2mm× 2mm 不计),每来长(个)
长度不超过单件总长度的1/10(长度小于5mm的不计),每米长(条)
5.4光泽度
花线光泽度由供需效方商定。
物理力学性能
花线物理力学性能应符合表 6的规定。表6
体积密度,B/cm2
吸水率%
干燥压缩强度,MPa
弯曲强度,MPa
6试验方法
6.1尺寸偏差的测量
大理石
优等品
一等品
花肉石
合格品
6.1.1花线的长度、宽度、厚度用分度值为1mm的钢直尺或铜卷尺测量,长度应分别测量两长边,宽度和厚度应分别测量两端端面,见图1和图2,分别用偏的最大值和最小值表示长度、宽度、厚度的尺寸偏差,读数精确至0.5mm。
外弧弦长
外弧半径
6.1.2吻合度测量:将同类拼接花线量于平台上,拼接后用钢平尺或塞尺测量,6.2形状公差的测量
6.2.1直位花线直线度用直线度公差不大于0.1mm、长1000mm的钢平尺紧贴被检花线的两逆缘和造型面中间线,钢乎尺放置平行于两长边,用塞尺测量尺面与花线见光面的间,以最大值作为直线度偏差,见图3。
JC/T 8 4 7. 2- 1 9 9 9
6.2.2 线轮廊度用与花线曲率相同的精度不低于IF13 级的样板配合塞尺测量,以最大值作为线轮廊度偏差。
6.3外观质量检验
6.3.1花线颜色花纹和纹路检验
单件花线[将选定的迹议板与被检花线同时平放于地面上,距1.Um处目测:拼接花线将整套花线按序号拼成一体,距拼接台2.0m处目测。6.3.2外观缺陷检验
6.3.2.1大理石花线,将花线平置地面上.距花线2.0m处明显可见的缺隆视为有缺陷,距花线2.0m处不明显的视为无缺陷。
6.3.2.2花岗石花线:将平尺紧靠有缺陷部位,用分度值为1mm的钢直尺测量缺陷的长度、宽度。6.4物理力学性能试验
6. 4. 1体积寄度和吸水率按 GB/T 9966. 3 的规定进行测试。6.4.2于燥压缩强度按GB/T9966.1的规定进行测试。6.4.3李曲弹度按GB/T 9966.2的规定进行测试。7检验规刻
7.1检验分类
花线检验分为出厂检验和型式检验。7.2出厂检验
7.2.1检验项目
尺寸偏差、形状公差、外观质量,均为全数检验。7.2.2判症规则
单件花线的所有检验结果均符合相应等级的要求时,判为该等级。同类型的花线中,优等品中不得有超过5%的一等品,一等品中不得有超过10%的合格品,合格品中不得有不合格品7.3型式检验
7.3.1有下列情况之一时,应对本标准规定的全部项目进行型式检验:a)新建厂投产时;
b)国家质量监督机构提出进行型式检验要求时。7.3.2检验项目
尺寸偏差、形状公差、外观质量等项目为全数检验。7.3.3抽样
体积密度、吸水率,干燥压缩强度,弯曲强度的检验从生产同批花线的荒料中的不同块体上按GB/T 9966.1~GB/T 9966.3的规定取样。13
旺瘦张科5湖
17bzw.cn脆黛藕
17izw.com脆解摔
饮駕藕頔
离种蟀架鹉鼓
1膜颖60
7.3.4判定规则
JC/T 8 4 7. 21 9 9 9
体积密度、吸水率、干燥压缩强度、弯曲强度的检验结果中,有一项不符合本标准5.5的要求时,则判定该批花线为不合格品,其他项目检验结果的判定同出厂检验。8标志、包装、运输和贮存
8.1标志
8.1.1产品标志
8.1.1.1出厂产品应注明生产厂名、商标、产品名称、产品代号、等级、标准编号、出厂日期、工程名称等,并且在每件产品上还应标明编号或标记等。8. 1. 1. 2
的规定。
包装箱上必须有“向上”,“怡湿”、“小心轻放”“易碎物品\等安全警示标志,并应符合GB1918.2包装
8.2.1包装时光面应相对,并按花线品种,规格、工程名称、等级等分别包装,且应用泡沫塑料等隔离物进行隔离,并附产品合格证、说明书和配滚拼接工程用料图纸以及拼接安装编号指引图。8.2.2包装质量应符合产品在正常条件下安全装卸、运输的要求,8.3运输
花线运輪过程中应防湿,严禁滚摔、碰撞。8.4存
8.4.1花线应在室内贮存,室外贮存应加遮盖。8.4.2花线应按品种、规格、等级和工程名称等分别码放。14
小提示:此标准内容仅展示完整标准里的部分截取内容,若需要完整标准请到上方自行免费下载完整标准文档。
标准图片预览:





- 其它标准
- 热门标准
- 建筑材料行业标准(JC)
- JC/T613-2005 混凝土和钢筋混凝土排水管钢模
- JC248-1981 水力旋流器铸石衬里
- JC/T2548-2019 建筑固废再生砂粉
- JC/T1013-2006 盘转式压砖机
- JC255-1981 铸石粉中游离铁的试验方法
- JC253-1981 铸石制品检验、验收、标志、包装、运输规则
- JC/T460.1-2006 水泥工业用胶带斗式提升机 第1部分:型式与基本参数
- JC/T872-2000 建筑装饰用微晶玻璃
- JC/T2044-2011 墙材工业用出口拉引机
- JC/T620-2009 石灰取样方法
- JC/T833-2011 水泥工业用堆取料机
- JC/T2045-2011 墙材工业用液压顶车机
- JC250-1981 水膜除尘器铸石衬里
- JC/T863-2011 高分子防水卷材胶粘剂
- JC/T2209-2014 氧化铝陶瓷衬板耐磨管件
- 行业新闻
请牢记:“bzxz.net”即是“标准下载”四个汉字汉语拼音首字母与国际顶级域名“.net”的组合。 ©2025 标准下载网 www.bzxz.net 本站邮件:bzxznet@163.com
网站备案号:湘ICP备2025141790号-2
网站备案号:湘ICP备2025141790号-2