- 您的位置:
- 标准下载网 >>
- 标准分类 >>
- 建筑材料行业标准(JC) >>
- JC/T 548-1994 壁纸胶粘剂
标准号:
JC/T 548-1994
标准名称:
壁纸胶粘剂
标准类别:
建筑材料行业标准(JC)
标准状态:
现行-
发布日期:
1994-03-26 -
实施日期:
1994-12-01 出版语种:
简体中文下载格式:
.rar.pdf下载大小:
200.67 KB
点击下载
标准简介:
标准下载解压密码:www.bzxz.net
本标准规定了壁纸胶粘剂的分类、技术要求、试验方法、检验规则、包装、标志、运输和贮存。本标准适用于建筑装饰装修用壁纸胶粘剂. JC/T 548-1994 壁纸胶粘剂 JC/T548-1994
部分标准内容:
中华人民共和国建材行业标准
壁纸胶
JC/T 548—94
国家建筑材料工业局1994-03-26批准并发布1994-12-01实施
标准搜零网
各义标准行业资科免费下率
1主题内容与适用范围
本标准规定了壁纸胶粘剂的分类、技术要求、试验方法、检验规则、包装、标志、运输和贮存。
本标准适用于建筑装饰装修用壁纸胶粘剂。2引用标准
GB2423.16电工电子产品基本环境试验规程试验:J:长试验方法GB2943胶粘剂术语及其定义
GB2944胶粘剂产品包装、标志、运输和贮存的规定GB2954合成胶乳PH值测定法
GB3186涂料产品的取样
GB/T12954建筑胶粘剂通用试验方法JC457无釉陶瓷地砖
3术语
3.1成品胶:根据产品说明配制好供使用的壁纸胶液。3.2湿粘性:胶粘层仍为湿态时胶粘剂对被粘基材的粘附性。3.3网面:纸张分二个表面,其贴向造纸机铜网的一面为网面(没面),另面为非网面(正面)。
3.4其他术语按GB2943规定解释。4产品分类
41分类
壁纸胶粘剂按其材性和应用分为两大类。第1类:适用于般纸基壁纸粘贴的胶粘剂。第2类:具有高凝粘性、高干强适用于各种基底壁纸粘贴的胶粘剂。4.2代号
每类按其物理形态又分为粉型、调制型、成品型三种形态。第类三种形态代号依次为1F、1H、1Y;第2类三种形态代号依次为2F、2H、2Y。4.3产品标记
产品标记由产品名称、种类、湿粘性质量等级和标准号构成。例:湿粘性优等品第1类粉型壁纸胶粘剂标记为:
壁纸胶粘剂1F-200-JC/T548
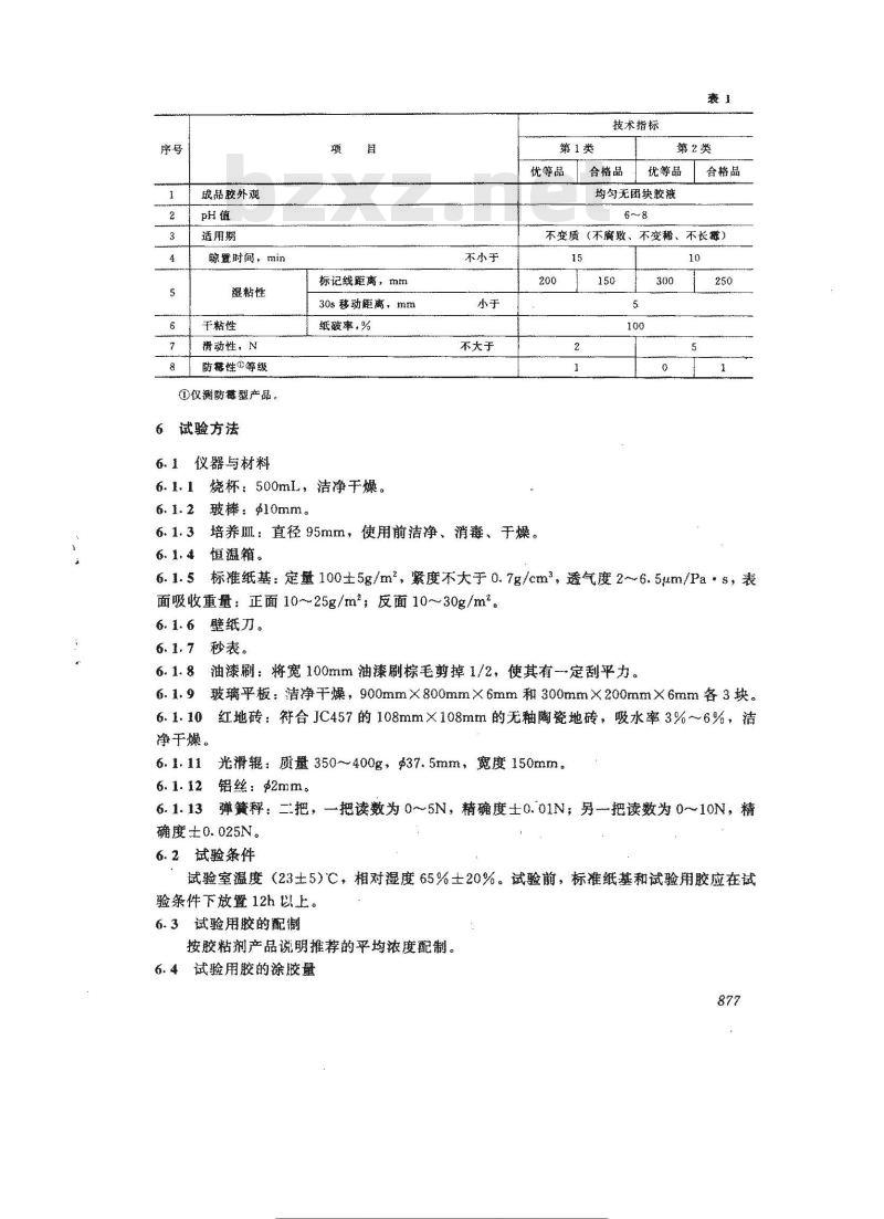
5技术要求
壁纸胶粘剂技术要求应符合下表1的规定。876
标注度授网Aw.b=0
各标注行业资料免费下载
成品胶外观
适用期
晾置时闻,min
耀粘性免费标准bzxz.net
干粘性
滑动性,N
防毒性等级
0仅测防荐型产品。
6试验方法
仪器与材料
标记线解离,mm
30s移动距离,mm
纸破率,%
6.1.1烧杯:500mL,洁净干燥。6.1.2玻棒:10mm。
不小于
不大于
第1类
优等品
技术指标
合格品
第2类
优等品
合格品
均匀无团块胶液
不变稀、不长霉)
不变质(不腐败、
6.1.3培养血:直径95mm,使用前洁净、消毒、干燥。6.盖、4恒溢箱。
6.1.5标催纸基:定量100士5g/m*,紧度不大于0.7g/cm2,透气度2~6.5um/Pa*s,表面吸收重量:正面10~25g/m*,反面10~30g/m。6.美.看壁纸刀。
养.美+9
秒表。
油漆剂:将宽100mm油漆刷棕毛剪掉1/2,使其有一定刮平力。玻璃平板:洁净干燥,900mmX800mmX6mm和300mm×200mmX6mm各3块。6. 1. 10
净干燥。
6. 美. 11
红地砖:符合JC457的108mm×108mm的无釉陶瓷地砖吸水率3%~6%,洁光滑:质量350~400g,$37.5mm,宽度150mm。铝丝:$2mma
弹簧秤:二把,一把读数为0~5N,精确度士0.01N,另把读数为0~10N,精确度士0.025N。
6.2试验条件
试验室激度(235)C,相对湿度65%土20%。试验前,标准纸基和试验用胶应在试验条件下放置12h以上。
6.3试验用胶的配制
按胶粘剂产品说明推荐的平均浓度配制。6.4试验用胶的涂胶量
标注度瘦网Aw.bzs
各类标注行业资料免费下载
按胶粘剂产品说明推荐的平均单位面积涂胶量施胶。6.5试验步骤
6.5.1成品胶外观
6.5.1.1粉型
在500mL烧杯中盛入定量蒸馏水,按照产品说明,将按比例称好的粉状胶撒人其中,配成约300mL成品胶,边撒边用玻棒搅拌。到达产品说明规定的分散时间后,用玻棒再次搅动,观察胶液,记录成品胶是否已分散均匀,有否团块。6.5.1.2调制型
在500mL烧杯中盛入定量蒸馏水,根据产品说明按比例加人调制型胶,配成约300mL成品胶,用玻棒搅动分散后观察胶液,记录成品胶,是否已分散均匀,有否团块。6.5.1.3成品型
在500mL烧杯中,倒人约300mL成品胶,用玻棒搅动后观察,记录成品胶有否团块。6.5.2pH值
按GB2954进行。
6.5.3适用期
将20g成品胶移入培养血,加盖,放到30士2℃的恒温箱内,7d后从箱中取出检查胶液是否变质(腐败,变稀或长)。6.5.4晾置时间
剪取3块125mm×800mm的标准纸基试条。从中取1块试条,用玻棒蘸胶液将其均勾涂布至少700mm的网面(见图1a)上,涂胶量按6.4条,将试条铺平,并立即将短边对短边,胶面对胶面叠合,使二个短边重合。用油漆刷刮平,排除气泡,保证整体接合,拿试条时仅允许拿住短边。将叠合的试条铺放在玻璃板表面至表1规定的时间,从叠合块上剪除从一端起算的150mm(见图16),并立即小心剥开余下的叠合块,登合试条应易于完全分离。对其余2块试条重复操作。
6.5.5湿粘性
剪取3块标准纸基试条,每块试条为125mm×800mm。在非网面上根据表1规定的胶粘剂种类距离划出标记线距离BB线,在网面上标出CC线(见图2a)。从中取1块试条。用玻棒蘸胶液均勾涂布在网面上,涂胶量按6.4条。涂胶后将试条平放,使AA线和CC线重合,用油漆刷刮平,排除气泡,878
标准搜零网
证低行
两面涂胶层,
切割线
图1晾置时间的测定
保证整体接合。拿住CCDD区将试条放在玻璃板表面上渗吸4min。然后拿住CCDD区剥开试条并迅速将涂胶面贴到直立的玻璃平板上,使AA边位于上部,AD边垂直,用油漆刷向下刮平,排除气泡。使试条与玻璃紧密接合。停留1min后人工小心均勾地从AA线往下拉试条,尽可能贴住玻璃并以约20mm/s的匀速拉试条至BB线,放开试条(见图26),30s时观察标记线BB的下移距离,每一试条的下移距离应该小于5mm。对其余2块试条重复操作。
6.5.6干粘性
在试验前24h将胶液涂在红地砖平面上,涂胶量按6.4条,让其在试验条件下干燥,剪取3块标准纸基试条,每块为90rmmX150mm,其长边平行于纸的机械成型方向。在每块试条的非网面划出1块50mm×150mm的试条,在网面上划出一条CC线,CC线距离一端80mm且平行于短边(见图3a和6)。从中取1块试条。用玻棒胶液均匀涂布在网面CCBB区,涂胶量按6.4条。立即将胶面叠合使BB线和CC线重合,用油漆刷刮平,使整体均匀接合(见图3c)。将其放在玻璃板表面渗吸4min,然后立即剪去ABXX和ABYY两部分,将涂胶面分开并贴到红地砖预涂胶的表面,使BB线与红地砖的一端重合,使涂胶区位于红地砖中(见图3c)。稍微倾斜红地砖,将光滑辊在其自重下横过试条滚压一次,使试条与红地砖紧密结合,让其在试验条件下干燥24h。然后,在与表面成90°角的方向将试条的无胶端拉离红地砖,试条的纸破率应为100%。对其余2块试条重复操作。6.5.7滑动性
剪取3块标准纸基试条,每块为
125mm×250mm,长边平行于纸的机械成B
网面涂胶层
玻璃板
图 2 湿粘性的测定
型方向。在每块试样的网面上画出1块75mm×180mm的试条(见图4a)。从中取1块试条,用玻棒蘸胶液均匀涂布在网面上,涂胶量按6.4条规定,保证X和Y面完全涂胶。立即剪取180mm×75mm的试条而不要触及 X涂胶区,然后将试条二边胶对胶地重合。在Y区放1根2铝丝,形成在AA线上对接在Y区对折线内放置mm铝丝(见图4b)。将试条放在玻璃板表面上渗吸4.5min。剥开X区,将其涂胶面朝下放在300mm×200mm的玻璃平板上,AA线与玻璃的一边重合并用辊子在约5s内滚压一次,稍徽倾斜玻璃板,让辊子在其自重下滚压,然后将板放平。30s后,将弹簧秤上的联接勾从BB线中心插穿试条并与铝丝相连接(现图4c),以约10mm/s的稳定速度使试条相对玻璃平板移动25mm(注意避免879
标注瘦授网w.bseo3
各类标注行业资料免费下载
图 3 干粘性的测定
红地砖
(a)非网面;(b)网面;(c)·涂胶后叠合,(d)剪除ABXX和ABYY后试条贴到红地砖上联接勾和台座间的摩擦),记录试条稳定移动时弹簧秤的读数,对其余2块试条重复操作。6.5.8防霉性
按GB2423.16进行。
检验规则
7.1检验分类
7.1.1出厂检验
出厂检验项目包括成品胶外观,适用期、晾置时间、湿粘性和干粘性。7.1.2型式检验
型式检验项目包括成品胶外观、PH值、适用期、晾置时间、湿粘性、干粘性、滑动性。若为防霉型产品,加测防霉性。正常生产时,型式检验周期为半年。7.2组批和抽样
7.2.1同一生产时间、同一配料工艺条件制得的产品为一批。7.2.2按GB/T12954中4.1条抽样。7.2.3调制型和成品型胶取样按GB3186中5.3条规定进行;粉型胶按GB3186中5.4条规定进行。
7.2.4取样后,将样品-一分为二。一份检测,一份留样以备供需双方出现质量争议时复检,880
标准搜零网
7.3判定规则
$2铝丝
777727777777
图 4 滑动性的测定
弹黄种
7.3.1外观、适用期、pH值、防性每个单项试验结果符合上表规定者为单项合格;晾置时间、湿粘性、干粘性、滑动性每个单项3块试条试验结果均符合上表规定者为单项合格,反之为单项不合格。
7.3.2产品检验结果全部符合本标准规定的技术要求者为批合格。如结果中有任一项不合格,则按7.2条规定重复取样再检,每一项均合格者为批合格,如仍有一项不合格,则为批不合格。
8包装、标志、运输和存
按GB2944规定,且在标志中增加产品标记并注明主成分。贮存温度5~30℃,贮存期3个月,超过贮存期如仍符合技术要求可继续使用。附加说明:
本标准由中国建筑材料科学研究院负资起草。本标准主要起草人忻秀卿。
标准搜
小提示:此标准内容仅展示完整标准里的部分截取内容,若需要完整标准请到上方自行免费下载完整标准文档。
壁纸胶
JC/T 548—94
国家建筑材料工业局1994-03-26批准并发布1994-12-01实施
标准搜零网
各义标准行业资科免费下率
1主题内容与适用范围
本标准规定了壁纸胶粘剂的分类、技术要求、试验方法、检验规则、包装、标志、运输和贮存。
本标准适用于建筑装饰装修用壁纸胶粘剂。2引用标准
GB2423.16电工电子产品基本环境试验规程试验:J:长试验方法GB2943胶粘剂术语及其定义
GB2944胶粘剂产品包装、标志、运输和贮存的规定GB2954合成胶乳PH值测定法
GB3186涂料产品的取样
GB/T12954建筑胶粘剂通用试验方法JC457无釉陶瓷地砖
3术语
3.1成品胶:根据产品说明配制好供使用的壁纸胶液。3.2湿粘性:胶粘层仍为湿态时胶粘剂对被粘基材的粘附性。3.3网面:纸张分二个表面,其贴向造纸机铜网的一面为网面(没面),另面为非网面(正面)。
3.4其他术语按GB2943规定解释。4产品分类
41分类
壁纸胶粘剂按其材性和应用分为两大类。第1类:适用于般纸基壁纸粘贴的胶粘剂。第2类:具有高凝粘性、高干强适用于各种基底壁纸粘贴的胶粘剂。4.2代号
每类按其物理形态又分为粉型、调制型、成品型三种形态。第类三种形态代号依次为1F、1H、1Y;第2类三种形态代号依次为2F、2H、2Y。4.3产品标记
产品标记由产品名称、种类、湿粘性质量等级和标准号构成。例:湿粘性优等品第1类粉型壁纸胶粘剂标记为:
壁纸胶粘剂1F-200-JC/T548
5技术要求
壁纸胶粘剂技术要求应符合下表1的规定。876
标注度授网Aw.b=0
各标注行业资料免费下载
成品胶外观
适用期
晾置时闻,min
耀粘性免费标准bzxz.net
干粘性
滑动性,N
防毒性等级
0仅测防荐型产品。
6试验方法
仪器与材料
标记线解离,mm
30s移动距离,mm
纸破率,%
6.1.1烧杯:500mL,洁净干燥。6.1.2玻棒:10mm。
不小于
不大于
第1类
优等品
技术指标
合格品
第2类
优等品
合格品
均匀无团块胶液
不变稀、不长霉)
不变质(不腐败、
6.1.3培养血:直径95mm,使用前洁净、消毒、干燥。6.盖、4恒溢箱。
6.1.5标催纸基:定量100士5g/m*,紧度不大于0.7g/cm2,透气度2~6.5um/Pa*s,表面吸收重量:正面10~25g/m*,反面10~30g/m。6.美.看壁纸刀。
养.美+9
秒表。
油漆剂:将宽100mm油漆刷棕毛剪掉1/2,使其有一定刮平力。玻璃平板:洁净干燥,900mmX800mmX6mm和300mm×200mmX6mm各3块。6. 1. 10
净干燥。
6. 美. 11
红地砖:符合JC457的108mm×108mm的无釉陶瓷地砖吸水率3%~6%,洁光滑:质量350~400g,$37.5mm,宽度150mm。铝丝:$2mma
弹簧秤:二把,一把读数为0~5N,精确度士0.01N,另把读数为0~10N,精确度士0.025N。
6.2试验条件
试验室激度(235)C,相对湿度65%土20%。试验前,标准纸基和试验用胶应在试验条件下放置12h以上。
6.3试验用胶的配制
按胶粘剂产品说明推荐的平均浓度配制。6.4试验用胶的涂胶量
标注度瘦网Aw.bzs
各类标注行业资料免费下载
按胶粘剂产品说明推荐的平均单位面积涂胶量施胶。6.5试验步骤
6.5.1成品胶外观
6.5.1.1粉型
在500mL烧杯中盛入定量蒸馏水,按照产品说明,将按比例称好的粉状胶撒人其中,配成约300mL成品胶,边撒边用玻棒搅拌。到达产品说明规定的分散时间后,用玻棒再次搅动,观察胶液,记录成品胶是否已分散均匀,有否团块。6.5.1.2调制型
在500mL烧杯中盛入定量蒸馏水,根据产品说明按比例加人调制型胶,配成约300mL成品胶,用玻棒搅动分散后观察胶液,记录成品胶,是否已分散均匀,有否团块。6.5.1.3成品型
在500mL烧杯中,倒人约300mL成品胶,用玻棒搅动后观察,记录成品胶有否团块。6.5.2pH值
按GB2954进行。
6.5.3适用期
将20g成品胶移入培养血,加盖,放到30士2℃的恒温箱内,7d后从箱中取出检查胶液是否变质(腐败,变稀或长)。6.5.4晾置时间
剪取3块125mm×800mm的标准纸基试条。从中取1块试条,用玻棒蘸胶液将其均勾涂布至少700mm的网面(见图1a)上,涂胶量按6.4条,将试条铺平,并立即将短边对短边,胶面对胶面叠合,使二个短边重合。用油漆刷刮平,排除气泡,保证整体接合,拿试条时仅允许拿住短边。将叠合的试条铺放在玻璃板表面至表1规定的时间,从叠合块上剪除从一端起算的150mm(见图16),并立即小心剥开余下的叠合块,登合试条应易于完全分离。对其余2块试条重复操作。
6.5.5湿粘性
剪取3块标准纸基试条,每块试条为125mm×800mm。在非网面上根据表1规定的胶粘剂种类距离划出标记线距离BB线,在网面上标出CC线(见图2a)。从中取1块试条。用玻棒蘸胶液均勾涂布在网面上,涂胶量按6.4条。涂胶后将试条平放,使AA线和CC线重合,用油漆刷刮平,排除气泡,878
标准搜零网
证低行
两面涂胶层,
切割线
图1晾置时间的测定
保证整体接合。拿住CCDD区将试条放在玻璃板表面上渗吸4min。然后拿住CCDD区剥开试条并迅速将涂胶面贴到直立的玻璃平板上,使AA边位于上部,AD边垂直,用油漆刷向下刮平,排除气泡。使试条与玻璃紧密接合。停留1min后人工小心均勾地从AA线往下拉试条,尽可能贴住玻璃并以约20mm/s的匀速拉试条至BB线,放开试条(见图26),30s时观察标记线BB的下移距离,每一试条的下移距离应该小于5mm。对其余2块试条重复操作。
6.5.6干粘性
在试验前24h将胶液涂在红地砖平面上,涂胶量按6.4条,让其在试验条件下干燥,剪取3块标准纸基试条,每块为90rmmX150mm,其长边平行于纸的机械成型方向。在每块试条的非网面划出1块50mm×150mm的试条,在网面上划出一条CC线,CC线距离一端80mm且平行于短边(见图3a和6)。从中取1块试条。用玻棒胶液均匀涂布在网面CCBB区,涂胶量按6.4条。立即将胶面叠合使BB线和CC线重合,用油漆刷刮平,使整体均匀接合(见图3c)。将其放在玻璃板表面渗吸4min,然后立即剪去ABXX和ABYY两部分,将涂胶面分开并贴到红地砖预涂胶的表面,使BB线与红地砖的一端重合,使涂胶区位于红地砖中(见图3c)。稍微倾斜红地砖,将光滑辊在其自重下横过试条滚压一次,使试条与红地砖紧密结合,让其在试验条件下干燥24h。然后,在与表面成90°角的方向将试条的无胶端拉离红地砖,试条的纸破率应为100%。对其余2块试条重复操作。6.5.7滑动性
剪取3块标准纸基试条,每块为
125mm×250mm,长边平行于纸的机械成B
网面涂胶层
玻璃板
图 2 湿粘性的测定
型方向。在每块试样的网面上画出1块75mm×180mm的试条(见图4a)。从中取1块试条,用玻棒蘸胶液均匀涂布在网面上,涂胶量按6.4条规定,保证X和Y面完全涂胶。立即剪取180mm×75mm的试条而不要触及 X涂胶区,然后将试条二边胶对胶地重合。在Y区放1根2铝丝,形成在AA线上对接在Y区对折线内放置mm铝丝(见图4b)。将试条放在玻璃板表面上渗吸4.5min。剥开X区,将其涂胶面朝下放在300mm×200mm的玻璃平板上,AA线与玻璃的一边重合并用辊子在约5s内滚压一次,稍徽倾斜玻璃板,让辊子在其自重下滚压,然后将板放平。30s后,将弹簧秤上的联接勾从BB线中心插穿试条并与铝丝相连接(现图4c),以约10mm/s的稳定速度使试条相对玻璃平板移动25mm(注意避免879
标注瘦授网w.bseo3
各类标注行业资料免费下载
图 3 干粘性的测定
红地砖
(a)非网面;(b)网面;(c)·涂胶后叠合,(d)剪除ABXX和ABYY后试条贴到红地砖上联接勾和台座间的摩擦),记录试条稳定移动时弹簧秤的读数,对其余2块试条重复操作。6.5.8防霉性
按GB2423.16进行。
检验规则
7.1检验分类
7.1.1出厂检验
出厂检验项目包括成品胶外观,适用期、晾置时间、湿粘性和干粘性。7.1.2型式检验
型式检验项目包括成品胶外观、PH值、适用期、晾置时间、湿粘性、干粘性、滑动性。若为防霉型产品,加测防霉性。正常生产时,型式检验周期为半年。7.2组批和抽样
7.2.1同一生产时间、同一配料工艺条件制得的产品为一批。7.2.2按GB/T12954中4.1条抽样。7.2.3调制型和成品型胶取样按GB3186中5.3条规定进行;粉型胶按GB3186中5.4条规定进行。
7.2.4取样后,将样品-一分为二。一份检测,一份留样以备供需双方出现质量争议时复检,880
标准搜零网
7.3判定规则
$2铝丝
777727777777
图 4 滑动性的测定
弹黄种
7.3.1外观、适用期、pH值、防性每个单项试验结果符合上表规定者为单项合格;晾置时间、湿粘性、干粘性、滑动性每个单项3块试条试验结果均符合上表规定者为单项合格,反之为单项不合格。
7.3.2产品检验结果全部符合本标准规定的技术要求者为批合格。如结果中有任一项不合格,则按7.2条规定重复取样再检,每一项均合格者为批合格,如仍有一项不合格,则为批不合格。
8包装、标志、运输和存
按GB2944规定,且在标志中增加产品标记并注明主成分。贮存温度5~30℃,贮存期3个月,超过贮存期如仍符合技术要求可继续使用。附加说明:
本标准由中国建筑材料科学研究院负资起草。本标准主要起草人忻秀卿。
标准搜
小提示:此标准内容仅展示完整标准里的部分截取内容,若需要完整标准请到上方自行免费下载完整标准文档。
标准图片预览:





- 其它标准
- 上一篇: JC/T 547-1994 陶瓷墙地砖胶粘剂
- 下一篇: JC/T 549-1994 天花板胶粘剂
- 热门标准
- 建筑材料行业标准(JC)
- JC/T613-2005 混凝土和钢筋混凝土排水管钢模
- JC248-1981 水力旋流器铸石衬里
- JC/T2548-2019 建筑固废再生砂粉
- JC/T1013-2006 盘转式压砖机
- JC255-1981 铸石粉中游离铁的试验方法
- JC253-1981 铸石制品检验、验收、标志、包装、运输规则
- JC/T460.1-2006 水泥工业用胶带斗式提升机 第1部分:型式与基本参数
- JC/T872-2000 建筑装饰用微晶玻璃
- JC/T2044-2011 墙材工业用出口拉引机
- JC/T620-2009 石灰取样方法
- JC/T833-2011 水泥工业用堆取料机
- JC/T2045-2011 墙材工业用液压顶车机
- JC/T863-2011 高分子防水卷材胶粘剂
- JC250-1981 水膜除尘器铸石衬里
- JC/T2209-2014 氧化铝陶瓷衬板耐磨管件
- 行业新闻
请牢记:“bzxz.net”即是“标准下载”四个汉字汉语拼音首字母与国际顶级域名“.net”的组合。 ©2025 标准下载网 www.bzxz.net 本站邮件:bzxznet@163.com
网站备案号:湘ICP备2025141790号-2
网站备案号:湘ICP备2025141790号-2