- 您的位置:
 - 标准下载网 >>
 - 标准分类 >>
 - 建筑材料行业标准(JC) >>
 - JC/T 550-1994 半硬质聚氯乙烯块状塑料地板胶粘剂
 
标准号:
JC/T 550-1994
标准名称:
半硬质聚氯乙烯块状塑料地板胶粘剂
标准类别:
建筑材料行业标准(JC)
标准状态:
已作废- 
          	
发布日期:
1994-03-26 - 
		 
实施日期:
1994-12-01 - 
          	
作废日期:
2008-12-01 出版语种:
简体中文下载格式:
.rar.pdf下载大小:
144.82 KB
替代情况:
被JC/T 550-2008代替
点击下载
标准简介:
										 标准下载解压密码:www.bzxz.net
					 					 
						 
	        
	      本标准规定了半硬质聚氯乙烯块状塑料地板胶粘剂的产品分类及代号、技术要求、试验方法、检验规则、包装、标志、运输与贮存。本标准适用于以合成树脂或合成胶乳为粘料,加人其他添加剂而制得的半硬质聚氯乙烯块状塑料地板胶粘剂(以下简称PVC地板胶粘剂)。该产品主要用于PA℃ 地板与水泥砂浆或混凝土地面的粘贴。 JC/T 550-1994 半硬质聚氯乙烯块状塑料地板胶粘剂 JC/T550-1994
部分标准内容:
					
					中华人民共和国建材行业标准
半硬质聚氯乙烯块状塑料地板胶粘剂JC/T550-—94
国家建筑材料工业局1994-03-26批准并发布1994-12-01实施
主题内容与适用范围
本标准规定工半硬质聚氟乙烯块状塑料地板胶粘剂的产品分类及代号、技术要求、试验方法、检验规、包装、标志、运输与贮存。本标准适用于以合成树脂或合成胶乳为粘料,加人其他添加剂而制得的半硬质聚氯乙烯块状塑料地板胶粘剂(以下简称PVC地板胶粘剂)。该产品主要用于PVC地板与水泥砂浆或混凝土地面的粘贴。
2引用标准
试验机通用技术条件
GB 2611
GB2944
胶粘剂产品包装、标记、运输和贮存的规定GB085半硬质聚氯乙烯块状燃料地板GB/T12954建筑胶粘剂通用试验方法JC434电工用石棉水泥压力板
3产品分类
3.1类型
按粘料分为:
a.乙酸乙烯系以乙酸乙烯树脂为粘料,加人其他添加剂,又分乳液型和溶剂型两种。b.乙烯共聚系以艺烯和乙酸乙烯共物为粘料,加人其他添加剂,又分乳液型和溶剂型两种。
c.合成胶乳系
以合戒胶乳为粘料,
加人其他添加剂。
d.环氧树脂系一以环氧树脂为粘料,加人其他添加剂。
按用途分为:
A型普通用粘贴后用于不受水影响的场合。
B型附水用粘贴后用于易受水影响的场合。
3.2代号
PVC地板胶粘剂分类代号,如表1所示。3.3产品标记
艺酸乙烯紧
乙烯共察系
无液型
游剂型
乳液型
合成胶乳系
环氧树脂系
产品按下列顺序标记:产品名称、类型、质量等级和本标号。例等品普通用乙酸乙烯系乳液型PVC地板胶粘剂标记为:PVC地板胶粘剂VA-A一等品JC/T5504技术要求
PVC地板胶粘剂技术要求应符合表2的规定。1
胶接强度,MPa
不小于
试验项目
涂布性
耐水用
①在满足普通用胶接强度下,再漫水168弄后的指标。5斌验方法
5.1外观
一等品
技术摧标
合格品
胶体均匀,无团块题粒
容易涂布,桃齿不零乱
将试样倒入$70mm表面m中,用玻璃棒搅动胶体,目测并记录试样均匀程度。5.2涂布性
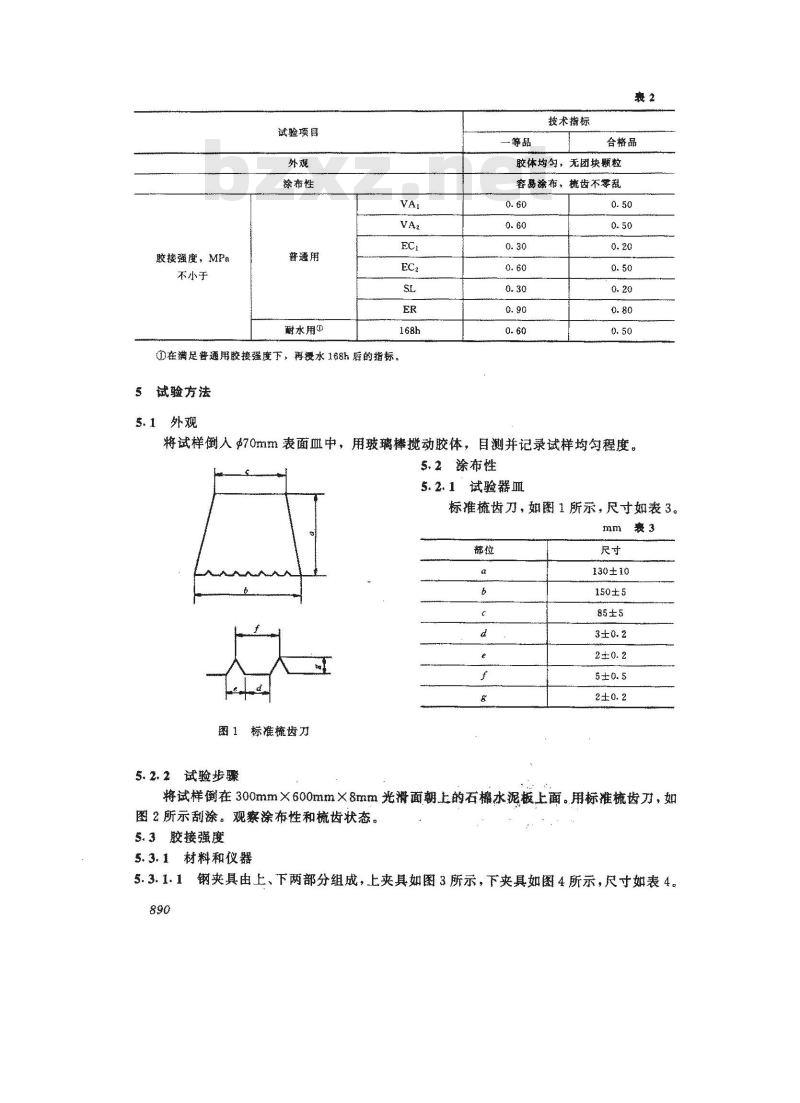
5.2.1试验器血
标推梳齿刀,如图1所示,尺寸如表3。mm裹3
标准梳齿力
5.2.2试验步骤
130±10
150±5
将试样倒在300mm×600mm×8mm光滑面朝上的石榜水泥板上面。用标准梳齿万,如图2所示刮涂。观察涂布性和梳齿状态。5.3胶接强度
5.3.1材料和仪器
5.3.1.1钢夹具由上、下两部分组成,上夹具如图3所示,下夹具如图4所示,尺寸如表4。890
图2试样涂布状态
图3钢质上夹具
1、2—上夹具,3—环氧树脂胶粘剂;4—PVC地板铁制辅助框模,如图5,尺寸如表5所示。部位
聚氯乙烯地板,尺寸40mm×40mm×40mm,符合GB4085要求,共计5块。5.3.1.3
5.3.1.4石棉水泥板,尺寸70mm×70mm×8mm符合JC434要求,共计5块。5.3.1.5拉力试验机,符合GB2611要求。5.3.2试件制作
5.3.2.1试样涂布将5块平滑面朝上的石棉水泥板严密无缝地插入辅助框模内,用宽度为7mm的聚氯乙烯胶粘带沿框四边粘贴,如图6所示。然后在石棉水泥板上面涂布足量试样,891
图4钢质下夹具
图5铁制辅助框模
用标准梳齿刀呈60°角一次拉向框模一端,使试样涂布均匀。小心撕去胶带。5.3.2.2粘贴聚氯乙烯地板,试样涂布后,晾置片刻(视种类而定),将图3带上夹具的聚氯乙烯地板分别置于5块石棉水泥板中央,用1kg重铁块加压30s。如图7所示,于23士2℃,相对湿度50%士5%标准条件下放置168h。892
图6试样涂布
1—PVC 胶粘带,2一涂布用辅助框;3-衡在基材上面的胶粘剂,4一标准梳齿刀涂布方向
EYARAY
图7粘贴PVC地板
1—石棉水泥板,2—上夹具;
3—PVC地板;4—胶粘剂
5.3.3胶接强度测定
图8胶接强度装配形式
1PVC地板;2—胶粘剂,3—拉伸方向:4—上夹具,5——石棉水泥板,6—下夹具5.3.3.1标准状态胶接强度按5.3.2.2制备的试件,如图8装配形式进行胶接强度测定,拉伸速度为30mm/min。
5.3.3.2水中浸泡胶接强度按5.3.2.2制备的试件,再置于图9所示(23士2)℃水中漫泡168h,取出。如图8装配形式测定胶接强度,拉伸速度为30mm/min。5.3.4计算
胶接强度按下式计算:
式中:F——胶接强度,MPa;
P-最大荷载,N;
胶接面积,mm2。
胶接强度以5个试件的平均值表示,取小数点后面两位数。夹具和PVC地板界面发生破裂,应重作。
检验规则wwW.bzxz.Net
6.1出厂检验
出厂检验的试验项目为外观、涂布性和胶接强度。
6.2型式检验
图9水中漫泡试样状态
1—石棉水泥板:2—PVC地板;3—水面;4—上夹具:5—胶粘剂,6—玻璃棒对产品质量进行全面考核或生产工艺改变或长期停产后恢复生产时,应对本标准规定的技术要求全部进行检验。在正常情况下,型式检验周期规定为半年。6.3组批和抽样
以同一制造条件,同一时间和地点生产的产品为一批,按GB/T12954规定抽样。6.4判定规则
从同批中随机取1kg试验,若有任一项指标不符合要求时,从该批中重新取另一份试样进行全部复验,若仍有一项不合格,则判该批不合格。7包装、标志、运输和贮存
按GB2944执行,并增加产品标记,贮存期为6个月。附加说明:
本标准由上海市建筑科学研究所负责起草。本标准主要起草人殷欣。
小提示:此标准内容仅展示完整标准里的部分截取内容,若需要完整标准请到上方自行免费下载完整标准文档。
	 
	        
	      半硬质聚氯乙烯块状塑料地板胶粘剂JC/T550-—94
国家建筑材料工业局1994-03-26批准并发布1994-12-01实施
主题内容与适用范围
本标准规定工半硬质聚氟乙烯块状塑料地板胶粘剂的产品分类及代号、技术要求、试验方法、检验规、包装、标志、运输与贮存。本标准适用于以合成树脂或合成胶乳为粘料,加人其他添加剂而制得的半硬质聚氯乙烯块状塑料地板胶粘剂(以下简称PVC地板胶粘剂)。该产品主要用于PVC地板与水泥砂浆或混凝土地面的粘贴。
2引用标准
试验机通用技术条件
GB 2611
GB2944
胶粘剂产品包装、标记、运输和贮存的规定GB085半硬质聚氯乙烯块状燃料地板GB/T12954建筑胶粘剂通用试验方法JC434电工用石棉水泥压力板
3产品分类
3.1类型
按粘料分为:
a.乙酸乙烯系以乙酸乙烯树脂为粘料,加人其他添加剂,又分乳液型和溶剂型两种。b.乙烯共聚系以艺烯和乙酸乙烯共物为粘料,加人其他添加剂,又分乳液型和溶剂型两种。
c.合成胶乳系
以合戒胶乳为粘料,
加人其他添加剂。
d.环氧树脂系一以环氧树脂为粘料,加人其他添加剂。
按用途分为:
A型普通用粘贴后用于不受水影响的场合。
B型附水用粘贴后用于易受水影响的场合。
3.2代号
PVC地板胶粘剂分类代号,如表1所示。3.3产品标记
艺酸乙烯紧
乙烯共察系
无液型
游剂型
乳液型
合成胶乳系
环氧树脂系
产品按下列顺序标记:产品名称、类型、质量等级和本标号。例等品普通用乙酸乙烯系乳液型PVC地板胶粘剂标记为:PVC地板胶粘剂VA-A一等品JC/T5504技术要求
PVC地板胶粘剂技术要求应符合表2的规定。1
胶接强度,MPa
不小于
试验项目
涂布性
耐水用
①在满足普通用胶接强度下,再漫水168弄后的指标。5斌验方法
5.1外观
一等品
技术摧标
合格品
胶体均匀,无团块题粒
容易涂布,桃齿不零乱
将试样倒入$70mm表面m中,用玻璃棒搅动胶体,目测并记录试样均匀程度。5.2涂布性
5.2.1试验器血
标推梳齿刀,如图1所示,尺寸如表3。mm裹3
标准梳齿力
5.2.2试验步骤
130±10
150±5
将试样倒在300mm×600mm×8mm光滑面朝上的石榜水泥板上面。用标准梳齿万,如图2所示刮涂。观察涂布性和梳齿状态。5.3胶接强度
5.3.1材料和仪器
5.3.1.1钢夹具由上、下两部分组成,上夹具如图3所示,下夹具如图4所示,尺寸如表4。890
图2试样涂布状态
图3钢质上夹具
1、2—上夹具,3—环氧树脂胶粘剂;4—PVC地板铁制辅助框模,如图5,尺寸如表5所示。部位
聚氯乙烯地板,尺寸40mm×40mm×40mm,符合GB4085要求,共计5块。5.3.1.3
5.3.1.4石棉水泥板,尺寸70mm×70mm×8mm符合JC434要求,共计5块。5.3.1.5拉力试验机,符合GB2611要求。5.3.2试件制作
5.3.2.1试样涂布将5块平滑面朝上的石棉水泥板严密无缝地插入辅助框模内,用宽度为7mm的聚氯乙烯胶粘带沿框四边粘贴,如图6所示。然后在石棉水泥板上面涂布足量试样,891
图4钢质下夹具
图5铁制辅助框模
用标准梳齿刀呈60°角一次拉向框模一端,使试样涂布均匀。小心撕去胶带。5.3.2.2粘贴聚氯乙烯地板,试样涂布后,晾置片刻(视种类而定),将图3带上夹具的聚氯乙烯地板分别置于5块石棉水泥板中央,用1kg重铁块加压30s。如图7所示,于23士2℃,相对湿度50%士5%标准条件下放置168h。892
图6试样涂布
1—PVC 胶粘带,2一涂布用辅助框;3-衡在基材上面的胶粘剂,4一标准梳齿刀涂布方向
EYARAY
图7粘贴PVC地板
1—石棉水泥板,2—上夹具;
3—PVC地板;4—胶粘剂
5.3.3胶接强度测定
图8胶接强度装配形式
1PVC地板;2—胶粘剂,3—拉伸方向:4—上夹具,5——石棉水泥板,6—下夹具5.3.3.1标准状态胶接强度按5.3.2.2制备的试件,如图8装配形式进行胶接强度测定,拉伸速度为30mm/min。
5.3.3.2水中浸泡胶接强度按5.3.2.2制备的试件,再置于图9所示(23士2)℃水中漫泡168h,取出。如图8装配形式测定胶接强度,拉伸速度为30mm/min。5.3.4计算
胶接强度按下式计算:
式中:F——胶接强度,MPa;
P-最大荷载,N;
胶接面积,mm2。
胶接强度以5个试件的平均值表示,取小数点后面两位数。夹具和PVC地板界面发生破裂,应重作。
检验规则wwW.bzxz.Net
6.1出厂检验
出厂检验的试验项目为外观、涂布性和胶接强度。
6.2型式检验
图9水中漫泡试样状态
1—石棉水泥板:2—PVC地板;3—水面;4—上夹具:5—胶粘剂,6—玻璃棒对产品质量进行全面考核或生产工艺改变或长期停产后恢复生产时,应对本标准规定的技术要求全部进行检验。在正常情况下,型式检验周期规定为半年。6.3组批和抽样
以同一制造条件,同一时间和地点生产的产品为一批,按GB/T12954规定抽样。6.4判定规则
从同批中随机取1kg试验,若有任一项指标不符合要求时,从该批中重新取另一份试样进行全部复验,若仍有一项不合格,则判该批不合格。7包装、标志、运输和贮存
按GB2944执行,并增加产品标记,贮存期为6个月。附加说明:
本标准由上海市建筑科学研究所负责起草。本标准主要起草人殷欣。
小提示:此标准内容仅展示完整标准里的部分截取内容,若需要完整标准请到上方自行免费下载完整标准文档。
标准图片预览:





- 其它标准
 
- 热门标准
 - 建筑材料行业标准(JC)
 
- JC248-1981 水力旋流器铸石衬里
 - JC/T1013-2006 盘转式压砖机
 - JC255-1981 铸石粉中游离铁的试验方法
 - JC253-1981 铸石制品检验、验收、标志、包装、运输规则
 - JC/T872-2000 建筑装饰用微晶玻璃
 - JC/T2044-2011 墙材工业用出口拉引机
 - JC/T620-2009 石灰取样方法
 - JC250-1981 水膜除尘器铸石衬里
 - JC/T833-2011 水泥工业用堆取料机
 - JC/T2045-2011 墙材工业用液压顶车机
 - JC/T863-2011 高分子防水卷材胶粘剂
 - JC/T925-2003 玻璃窑用烧结AZS砖
 - JC/T835-2011 水泥工业用取料机 技术条件
 - JC220-1979(1996) 天然金刚石
 - JC/T834-2011 水泥工业用堆料机 技术条件
 
- 行业新闻
 
请牢记:“bzxz.net”即是“标准下载”四个汉字汉语拼音首字母与国际顶级域名“.net”的组合。 ©2025 标准下载网 www.bzxz.net 本站邮件:bzxznet@163.com
网站备案号:湘ICP备2025141790号-2
网站备案号:湘ICP备2025141790号-2