- 您的位置:
- 标准下载网 >>
- 标准分类 >>
- 国家标准(GB) >>
- GB 12941-1991 景观娱乐用水水质标准
标准号:
GB 12941-1991
标准名称:
景观娱乐用水水质标准
标准类别:
国家标准(GB)
英文名称:
Water quality standards for landscape and recreational water标准状态:
已作废-
发布日期:
1991-03-18 -
实施日期:
1992-02-01 -
作废日期:
2000-01-01 出版语种:
简体中文下载格式:
.rar.pdf下载大小:
147.24 KB
标准ICS号:
环保、保健与安全>>13.060中标分类号:
环境保护>>环境质量标准>>Z50大气、水、土壤环境质量标准
替代情况:
调整为GHZB 1-1999
点击下载
标准简介:
标准下载解压密码:www.bzxz.net
本标准适用于以景观、疗养、度假和娱乐为目的的江、河、湖(水库)、海水水体或其中一部分。 GB 12941-1991 景观娱乐用水水质标准 GB12941-1991
部分标准内容:
中华人民共和国国家标准
景观娱乐用水水质标准
Water quality standard for sceneryand recreation area
GB12941—91
为贯彻中华人民共和国水污染防治法》及《中华人民共和国海洋环境保护法》,保护和改善景观、娱乐用水水体的水质,恢复并保持其水体的自然生态系统,促进旅游事业的发展,特制订本标准。标准的适用范围免费标准bzxz.net
本标准适用于以景观、疗养、度假和娱乐为目的的江、河、湖(水库)、海水水体或其中一部分。2标准的分类与标准值
2.1标准的分类
本标准按照水体的不同功能,分为三大类:A类:主要适用于天然浴场或其他与人体直接接触的景观、娱乐水体。B类:主要适用于国家重点风景游览区及那些与人体非直接接触的景观娱乐水体。C类:主要适用于--般景观用水水体。2.2标准值
各类水质标准项目及标准值列于表1。表1景观娱乐用水水质标准
标准值
漂浮物
透明度,m
水温,℃
溶解氧(DO),mg/L
高锰酸盐指数,mg/L
生化需氧量(BODs),mg/L
氨氮,mg/L
国家环境保护局1991-03-18批准分类
颜色无异常变化
不得含有任何异嗅
不超过25色度单位
无明显异嗅
不得含有漂浮的浮膜、油斑和聚巢的其他物质1.2
不高于近十年当月平均水温2℃2)6.5~8.5
不高于近·十年当
月平均水温4℃
1992-02-01实施
标准值
非离子氨,mg/L
亚硝酸盐氨,mg/L
总铁,mg/L
总铜,mg/L
总锌,mg/L
总镍,mg/L.
总磷,(以P计)mg/L
挥发酚,mg/L
阴离子表面活性剂,mg/
总大肠菌群,个,
粪大肠菌群,个/
GB12941—91
续表1
0.01(浴场0.1)
0.1(浴场1.0)
0.01(海水0.1)
0.1(海水1.0)
注:1)氨氮和非离子氨在水中存在化学平衡关系,在水温高于20℃、pH>8时,必须用非离子氮作为控制水质的指标。
2)浴场水温各地区可根据当地的具体情况自行规定本标准未作明确规定的项月,执行GB3838§地面水环境质量标准》和GB3097《海水水质标准》中的标准值及其有关规定。
3标准的实施与管理
3.1各地环境保护部门会同同级有关部门划定景观、娱乐水域的保护范围及其使用类型。3.2若是景观,娱乐水体中有些标准项目的自然本底值(即没有受到人为的污染)高于本标准所规定的标准值,应维持原自然状态。
3.3在不发生事故和特殊自然条件干扰情况下,景观、娱乐水体的水质一年内应有95%以上的分析样品数符合本标准值的规定。
3.4A类水体内的天然浴场在游泳季节内水质应保证全部分析样品符合本水质标准。3.5含有毒有害污染物的废水,禁止排入景观、娱乐用水水域,一般工业废水、生活污水禁止直接排入A类、B类水域,该废水必须经过处理并保证其受纳水体符合水标准的情况下方可排人C类水域。3.6同一水域兼有多种功能的,执行最高功能用水的水质标准。4水质监测
4.1本标准各项目的分析方法按表2执行,水样的采集和保存严格按照《环境监测技术规范》有关规定执行。
4.2海水水样的采集,保存和分析方法按《海洋监测规范》执行。其中分析方法未做规定的项目按表2执行。
4.3监测采样点,应选择具有代表性的位置。不得使用瞬时一次监测值作为水质判断依据。在任何情况下,采样频率不得少于一月一次。对有迹象表明水质可能恶化的水体及游泳季节内天然浴场水体均应适当增加采样率,增加的采样率由各地监测部门根据水体具体情况确定,并将分析结果连同采样情况报告当地环境保护主管部门。序号
标准项目
漂浮物
透明度
溶解氧(DO)
高锰酸盐指数
生化需氧基(BODs)
非离子氮
亚硝酸盐氮
挥发酚
阴离子表面活性剂
总大肠菌群
粪大肠菌群
GB12941-91
表2景观娱乐用水水质标准项目分析方法测定方法
铂钻标准比色法
文字描述法
文字描述法
塞氏盘法
水温计法
玻璃电极法
碘量法
酸性法
碱性法
稀释与接种法
纳氏试剂比色法
纳氏试剂比色法\
分光光度法
二氮杂菲分光光度法
火焰原子吸收分光光度法
双硫腺分光光度法
原子吸收分光光度法
原子吸收分光光度法
二乙基二硫代氮基甲酸钠分光光度法2,9-二甲基-1,10-菲罗啉分光光度法火焰原子吸收分光光度法
钼酸铵分光光度法
蒸馏后4-氨基安替比林分光光度法亚甲蓝分光光度法
多管发酵法
滤膜法
多管发酵法
滤膜法
注:1)按《水和废水监测分析方法》第三版,中国环境科学出版社,1989。测定方法标准编号
GB11903
GB6820
GB7489
GB11892
GB7488
GB7479
GB7479
GB7493
GB5750
GB11911
GB7472
GB7475
GB7475
GB7474
GB7473
GB11912
GB11893
GB7490
GB7494
GB5750
GB12941-91
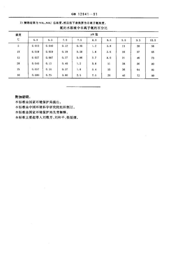
2)测得结果为NH:、NH7总度,然后按下表换算为非离子氨浓度。氨的水溶液中非离子氨的百分比温度
附加说明:
本标准由国家环境保护局提出。本标准由中国环境科学研究院组织制订。本标准由国家环境保护局负责解释。7.5
本标准主要起草人刘载芳、刘和平、杨延捷。pH值
小提示:此标准内容仅展示完整标准里的部分截取内容,若需要完整标准请到上方自行免费下载完整标准文档。
景观娱乐用水水质标准
Water quality standard for sceneryand recreation area
GB12941—91
为贯彻中华人民共和国水污染防治法》及《中华人民共和国海洋环境保护法》,保护和改善景观、娱乐用水水体的水质,恢复并保持其水体的自然生态系统,促进旅游事业的发展,特制订本标准。标准的适用范围免费标准bzxz.net
本标准适用于以景观、疗养、度假和娱乐为目的的江、河、湖(水库)、海水水体或其中一部分。2标准的分类与标准值
2.1标准的分类
本标准按照水体的不同功能,分为三大类:A类:主要适用于天然浴场或其他与人体直接接触的景观、娱乐水体。B类:主要适用于国家重点风景游览区及那些与人体非直接接触的景观娱乐水体。C类:主要适用于--般景观用水水体。2.2标准值
各类水质标准项目及标准值列于表1。表1景观娱乐用水水质标准
标准值
漂浮物
透明度,m
水温,℃
溶解氧(DO),mg/L
高锰酸盐指数,mg/L
生化需氧量(BODs),mg/L
氨氮,mg/L
国家环境保护局1991-03-18批准分类
颜色无异常变化
不得含有任何异嗅
不超过25色度单位
无明显异嗅
不得含有漂浮的浮膜、油斑和聚巢的其他物质1.2
不高于近十年当月平均水温2℃2)6.5~8.5
不高于近·十年当
月平均水温4℃
1992-02-01实施
标准值
非离子氨,mg/L
亚硝酸盐氨,mg/L
总铁,mg/L
总铜,mg/L
总锌,mg/L
总镍,mg/L.
总磷,(以P计)mg/L
挥发酚,mg/L
阴离子表面活性剂,mg/
总大肠菌群,个,
粪大肠菌群,个/
GB12941—91
续表1
0.01(浴场0.1)
0.1(浴场1.0)
0.01(海水0.1)
0.1(海水1.0)
注:1)氨氮和非离子氨在水中存在化学平衡关系,在水温高于20℃、pH>8时,必须用非离子氮作为控制水质的指标。
2)浴场水温各地区可根据当地的具体情况自行规定本标准未作明确规定的项月,执行GB3838§地面水环境质量标准》和GB3097《海水水质标准》中的标准值及其有关规定。
3标准的实施与管理
3.1各地环境保护部门会同同级有关部门划定景观、娱乐水域的保护范围及其使用类型。3.2若是景观,娱乐水体中有些标准项目的自然本底值(即没有受到人为的污染)高于本标准所规定的标准值,应维持原自然状态。
3.3在不发生事故和特殊自然条件干扰情况下,景观、娱乐水体的水质一年内应有95%以上的分析样品数符合本标准值的规定。
3.4A类水体内的天然浴场在游泳季节内水质应保证全部分析样品符合本水质标准。3.5含有毒有害污染物的废水,禁止排入景观、娱乐用水水域,一般工业废水、生活污水禁止直接排入A类、B类水域,该废水必须经过处理并保证其受纳水体符合水标准的情况下方可排人C类水域。3.6同一水域兼有多种功能的,执行最高功能用水的水质标准。4水质监测
4.1本标准各项目的分析方法按表2执行,水样的采集和保存严格按照《环境监测技术规范》有关规定执行。
4.2海水水样的采集,保存和分析方法按《海洋监测规范》执行。其中分析方法未做规定的项目按表2执行。
4.3监测采样点,应选择具有代表性的位置。不得使用瞬时一次监测值作为水质判断依据。在任何情况下,采样频率不得少于一月一次。对有迹象表明水质可能恶化的水体及游泳季节内天然浴场水体均应适当增加采样率,增加的采样率由各地监测部门根据水体具体情况确定,并将分析结果连同采样情况报告当地环境保护主管部门。序号
标准项目
漂浮物
透明度
溶解氧(DO)
高锰酸盐指数
生化需氧基(BODs)
非离子氮
亚硝酸盐氮
挥发酚
阴离子表面活性剂
总大肠菌群
粪大肠菌群
GB12941-91
表2景观娱乐用水水质标准项目分析方法测定方法
铂钻标准比色法
文字描述法
文字描述法
塞氏盘法
水温计法
玻璃电极法
碘量法
酸性法
碱性法
稀释与接种法
纳氏试剂比色法
纳氏试剂比色法\
分光光度法
二氮杂菲分光光度法
火焰原子吸收分光光度法
双硫腺分光光度法
原子吸收分光光度法
原子吸收分光光度法
二乙基二硫代氮基甲酸钠分光光度法2,9-二甲基-1,10-菲罗啉分光光度法火焰原子吸收分光光度法
钼酸铵分光光度法
蒸馏后4-氨基安替比林分光光度法亚甲蓝分光光度法
多管发酵法
滤膜法
多管发酵法
滤膜法
注:1)按《水和废水监测分析方法》第三版,中国环境科学出版社,1989。测定方法标准编号
GB11903
GB6820
GB7489
GB11892
GB7488
GB7479
GB7479
GB7493
GB5750
GB11911
GB7472
GB7475
GB7475
GB7474
GB7473
GB11912
GB11893
GB7490
GB7494
GB5750
GB12941-91
2)测得结果为NH:、NH7总度,然后按下表换算为非离子氨浓度。氨的水溶液中非离子氨的百分比温度
附加说明:
本标准由国家环境保护局提出。本标准由中国环境科学研究院组织制订。本标准由国家环境保护局负责解释。7.5
本标准主要起草人刘载芳、刘和平、杨延捷。pH值
小提示:此标准内容仅展示完整标准里的部分截取内容,若需要完整标准请到上方自行免费下载完整标准文档。
标准图片预览:




- 其它标准
- 热门标准
- 国家标准(GB)
- GB/T2828.1-2012 计数抽样检验程序 第1部分:按接收质量限(AQL)检索的逐批检验抽样计划
- GB/T228.1-2021 金属材料 拉伸试验 第1部分:室温试验方法
- GB/T7534-1987 工业用挥发性有机液体沸程的测定
- GB/T3836.1-2021 爆炸性环境 第1部分:设备 通用要求
- GB/T4100-2015 陶瓷砖
- GB/T10125-2021 人造气氛腐蚀试验 盐雾试验
- GB/T50772-2012 木结构工程施工规范
- GB/T30835-2014 锂离子电池用炭复合磷酸铁锂正极材料
- GB5226.1-2019 机械电气安全 机械电气设备 第1部分:通用技术条件
- GB50666-2011 混凝土结构工程施工规范
- GB/T15449-1995 管壳额定开关用场效应晶体管空白详细规范
- GB/T18204.4-2000 公共场所毛巾、床上卧具微生物检验方法细菌总数测定
- GB8552-1987 电子器件详细规范 低功率非线绕固定电阻器 RJ13型金属膜固定电阻器评定水平E(可供认证用)
- GB/T11379-2008 金属覆盖层 工程用铬电镀层
- GB50303-2015 建筑电气工程施工质量验收规范
- 行业新闻
请牢记:“bzxz.net”即是“标准下载”四个汉字汉语拼音首字母与国际顶级域名“.net”的组合。 ©2025 标准下载网 www.bzxz.net 本站邮件:bzxznet@163.com
网站备案号:湘ICP备2025141790号-2
网站备案号:湘ICP备2025141790号-2