- 您的位置:
- 标准下载网 >>
- 标准分类 >>
- 轻工行业标准(QB) >>
- QB/T 1085-1991 手工打结地毯用纯棉经纬线
标准号:
QB/T 1085-1991
标准名称:
手工打结地毯用纯棉经纬线
标准类别:
轻工行业标准(QB)
标准状态:
现行-
发布日期:
1991-03-30 -
实施日期:
1991-12-01 出版语种:
简体中文下载格式:
.rar.pdf下载大小:
89.72 KB
点击下载
标准简介:
标准下载解压密码:www.bzxz.net
本标准规定了手工打结地毯用纯棉经、纬线的产品分类、技术要求、试验方法和检验规则等内容。本标准适用于采用纯棉纱制成的手工打结地毯用纯棉经、纬线。 QB/T 1085-1991 手工打结地毯用纯棉经纬线 QB/T1085-1991
部分标准内容:
中华人民共和国轻工行业标准
手工打结地毯用纯棉经纬线
主题内容与适用范围
QB/T1085—1991
本标准规定了手工打结地毯用纯棉经、纬线的产品分类、技术要求、试验方法和检验规则等内容。本标准适用于采用纯棉纱制成的手工打结地毯用纯棉经、纬线。2引用标准
GB/T2543纱线捻度试验方法
GB/T 6529纺织品的调湿和试验用标准大气GB/T8170数值修约规定
3产品分类
本产品分为经线和纬线两个品种。4技术要求
4.1拾向
捻向是指捻回形成的螺线倾斜方向,以大写字母“S”、“Z”表示。Z捻向
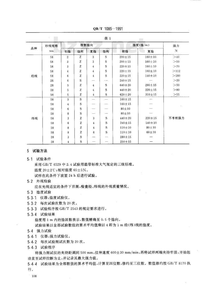
4.2物理指标(见表1)
S拾向
4.3外观要求
捻度要均匀一致,不得出现松股、紧股、多股、少股;不得有油污、霉烂、潮湿等现象。4.4回潮率
纯棉经纬线的公定回潮率为8.5%。中华人民共和国轻工业部1991-03-30批准1991-12-01实施
纱线规格
5试验方法
5.1试验条件
QB/T1085—1991
股数捻向
200±15
200±15
220±15
220±15
220±15
240±15
640±20
440±20
620±20
160±15
160±15
80±10
80±10bzxz.net
440±20
240±15
110±10
110±10
280±15
250±15
捻度(捻/m)
160±10
160±10
160±10
160±10
140±10
290±15
220±15
310±15
220±15
140±10
80±10
60±10
采用GB/T6529中2.4试验用温带标准大气规定的三级标准。温度20士2℃;相对湿度65士5%。试样在此条件下放置24h后进行试验。5.2外观检验
应在光线适宜的条件下目测,检查经、纬线的外观质量情况。5.3抢度试验
5.3.1仪器:捻度试验仪。
5.3.2每次试验次数为20次。
5.3.3试验程序按GB/T2543的规定要求进行。5.3.4试验结果
捻度用1m内的捻回数表示,数值精确至0.5个捻向。试验结果以全部试验数值的算术平均值乘以4即为1m经(纬)线的捻度。5.4强力试验
5.4.1仪器:强力试验仪。
5.4.2每次试验测试次数为20次。5.4.3试验程序
不考核强力
TKAIKAca
将强力测试仪的夹持距调到500mm,拉伸速度600士30mm/min,再将试样两端夹持牢固,开始起动直至试样拉断为止,并记录其最大强力值。5.4.4试验结果为全部数值的算术平均值,计算至四位数,修约至三位数。数值修约按GB/T8170执行。
5.5回潮率测试
QB/T1085-—1991
5.5.1仪器:八篮恒温烘箱、0.01g感量天平。5.5.2试样:每次试验取两份试样,每份试样重10~20g。5.5.3试验程序
将烘箱温度控制在105~110℃,用0.01g感量天平称量试样烘前重量和试样不变重量不变重量是指相隔10min的两次称重差异不超过原称重的0.05%时的最后一次所称重量。称量的重量数值精确至0.01g。
5.5.4试验结果按式(1)计算,数值精确至0.1%。GGo
回潮率(%)兰
式中:G-试样的烘前重量,g;
G—-试样的不变重量,g。
公定回潮重量按式(2)计算:
1十实际回潮率
公定回潮重量= 1+85然是圖潮率)×实际重量取算术平均值,计算至小数点后二位数,修约至一位,修约按GB/T8170进行。6检验规则
6.1抽样方法
在每批、每种经纬线中,随机均匀地以绞为单位进行抽样。6.1.1每次试验物理指标的抽样数量见表2。表2
重量,kg
500以下
500~1000
1000以上
6.1.2外观检验的抽验数量不得少于总量的25%。抽样数量,绞
6.2凡经检验符合本标准规定要求的产品为合格品,否则为不合格品。6.3复验
·(1)
6.3.1本产品在交接验收中,如有异议,双方应协商解决或共同进行复验,按复验结果处理。复验以次试验为准。
6.3.2复验产品应是同一品种、等级的产品,并仅限于未加工使用的整包产品。6.3.3因收货方运输或保管不良等原因造成的质量问题,不得提出复验或索赔要求。7标志、包装、运输、贮存
7.1产品包装
7.1.1产品应打成捆、每捆线的公定重量分别为25kg和30kg两种。7.1.2本产品的公定回潮重量按5.5.4公式(2)计算。7.2产品标志
凡出厂产品应在线捆上悬挂产品标志,其内容应包括:生产厂名称、产品名称、产品规格(线密度×股数)、强力值(纬线不要求)、公定回潮重量和批号等,经检验员盖章后出厂。7.3产品运输
运输时应避免日晒雨淋。
7.4产品贮存
QB/T1085—1991
产品存放时距地面不得低于0.1m,应避免受潮、发霉及油污等。附加说明:
本标准由全国地毯标准化中心归口。本标准由天津市地毯公司负责起草。本标雄主要起草人于波、陈燕、萧根生。110
小提示:此标准内容仅展示完整标准里的部分截取内容,若需要完整标准请到上方自行免费下载完整标准文档。
手工打结地毯用纯棉经纬线
主题内容与适用范围
QB/T1085—1991
本标准规定了手工打结地毯用纯棉经、纬线的产品分类、技术要求、试验方法和检验规则等内容。本标准适用于采用纯棉纱制成的手工打结地毯用纯棉经、纬线。2引用标准
GB/T2543纱线捻度试验方法
GB/T 6529纺织品的调湿和试验用标准大气GB/T8170数值修约规定
3产品分类
本产品分为经线和纬线两个品种。4技术要求
4.1拾向
捻向是指捻回形成的螺线倾斜方向,以大写字母“S”、“Z”表示。Z捻向
4.2物理指标(见表1)
S拾向
4.3外观要求
捻度要均匀一致,不得出现松股、紧股、多股、少股;不得有油污、霉烂、潮湿等现象。4.4回潮率
纯棉经纬线的公定回潮率为8.5%。中华人民共和国轻工业部1991-03-30批准1991-12-01实施
纱线规格
5试验方法
5.1试验条件
QB/T1085—1991
股数捻向
200±15
200±15
220±15
220±15
220±15
240±15
640±20
440±20
620±20
160±15
160±15
80±10
80±10bzxz.net
440±20
240±15
110±10
110±10
280±15
250±15
捻度(捻/m)
160±10
160±10
160±10
160±10
140±10
290±15
220±15
310±15
220±15
140±10
80±10
60±10
采用GB/T6529中2.4试验用温带标准大气规定的三级标准。温度20士2℃;相对湿度65士5%。试样在此条件下放置24h后进行试验。5.2外观检验
应在光线适宜的条件下目测,检查经、纬线的外观质量情况。5.3抢度试验
5.3.1仪器:捻度试验仪。
5.3.2每次试验次数为20次。
5.3.3试验程序按GB/T2543的规定要求进行。5.3.4试验结果
捻度用1m内的捻回数表示,数值精确至0.5个捻向。试验结果以全部试验数值的算术平均值乘以4即为1m经(纬)线的捻度。5.4强力试验
5.4.1仪器:强力试验仪。
5.4.2每次试验测试次数为20次。5.4.3试验程序
不考核强力
TKAIKAca
将强力测试仪的夹持距调到500mm,拉伸速度600士30mm/min,再将试样两端夹持牢固,开始起动直至试样拉断为止,并记录其最大强力值。5.4.4试验结果为全部数值的算术平均值,计算至四位数,修约至三位数。数值修约按GB/T8170执行。
5.5回潮率测试
QB/T1085-—1991
5.5.1仪器:八篮恒温烘箱、0.01g感量天平。5.5.2试样:每次试验取两份试样,每份试样重10~20g。5.5.3试验程序
将烘箱温度控制在105~110℃,用0.01g感量天平称量试样烘前重量和试样不变重量不变重量是指相隔10min的两次称重差异不超过原称重的0.05%时的最后一次所称重量。称量的重量数值精确至0.01g。
5.5.4试验结果按式(1)计算,数值精确至0.1%。GGo
回潮率(%)兰
式中:G-试样的烘前重量,g;
G—-试样的不变重量,g。
公定回潮重量按式(2)计算:
1十实际回潮率
公定回潮重量= 1+85然是圖潮率)×实际重量取算术平均值,计算至小数点后二位数,修约至一位,修约按GB/T8170进行。6检验规则
6.1抽样方法
在每批、每种经纬线中,随机均匀地以绞为单位进行抽样。6.1.1每次试验物理指标的抽样数量见表2。表2
重量,kg
500以下
500~1000
1000以上
6.1.2外观检验的抽验数量不得少于总量的25%。抽样数量,绞
6.2凡经检验符合本标准规定要求的产品为合格品,否则为不合格品。6.3复验
·(1)
6.3.1本产品在交接验收中,如有异议,双方应协商解决或共同进行复验,按复验结果处理。复验以次试验为准。
6.3.2复验产品应是同一品种、等级的产品,并仅限于未加工使用的整包产品。6.3.3因收货方运输或保管不良等原因造成的质量问题,不得提出复验或索赔要求。7标志、包装、运输、贮存
7.1产品包装
7.1.1产品应打成捆、每捆线的公定重量分别为25kg和30kg两种。7.1.2本产品的公定回潮重量按5.5.4公式(2)计算。7.2产品标志
凡出厂产品应在线捆上悬挂产品标志,其内容应包括:生产厂名称、产品名称、产品规格(线密度×股数)、强力值(纬线不要求)、公定回潮重量和批号等,经检验员盖章后出厂。7.3产品运输
运输时应避免日晒雨淋。
7.4产品贮存
QB/T1085—1991
产品存放时距地面不得低于0.1m,应避免受潮、发霉及油污等。附加说明:
本标准由全国地毯标准化中心归口。本标准由天津市地毯公司负责起草。本标雄主要起草人于波、陈燕、萧根生。110
小提示:此标准内容仅展示完整标准里的部分截取内容,若需要完整标准请到上方自行免费下载完整标准文档。
标准图片预览:




- 其它标准
- 热门标准
- 轻工行业标准(QB)
- QB/T5247-2018 箱包配件塑料插扣耐 用性能试验方法
- QB/T2856-2007 毛革服装
- QB/T2425-1998 封箱用再湿性牛皮纸胶粘带
- QB/T3520-1999 500kV油纸套管绝缘纸
- QB2584-2003 蒸汽淋浴房
- QB/T1439-2005 帐册
- QB/T1584-2005 日用皮手套
- QB/T1756-1993 造纸机械湍流式中浓度浆泵
- QB/T1782-1993 苯乙醇
- QB/T1664-1998 纸板戳穿强度测定仪
- QB/T1702.2-1993 括板升运机
- QB/T2501-2000 重力式自动装料衡器
- QB/T2161-1995 儿童推车整车通用技术条件
- QB/T3510-1999 Y311条粗条干仪用记录纸
- QB/T3607-1999 油浸鲅鱼罐头
- 行业新闻
请牢记:“bzxz.net”即是“标准下载”四个汉字汉语拼音首字母与国际顶级域名“.net”的组合。 ©2025 标准下载网 www.bzxz.net 本站邮件:bzxznet@163.com
网站备案号:湘ICP备2025141790号-2
网站备案号:湘ICP备2025141790号-2