- 您的位置:
- 标准下载网 >>
- 标准分类 >>
- 轻工行业标准(QB) >>
- QB 1258-1991 铅酸蓄电池用聚氯乙烯微孔隔板
标准号:
QB 1258-1991
标准名称:
铅酸蓄电池用聚氯乙烯微孔隔板
标准类别:
轻工行业标准(QB)
标准状态:
现行-
发布日期:
1991-10-17 -
实施日期:
1992-06-01 出版语种:
简体中文下载格式:
.rar.pdf下载大小:
239.69 KB
替代情况:
SG 260-82采标情况:
JIS C2313-76(84) NEQ
点击下载
标准简介:
标准下载解压密码:www.bzxz.net
本标准规定了铅酸蓄电池用聚氯乙烯微孔隔板的产品分类、技术要求、试验方法、检验规则及标志、包装、运输、贮存。本标准适用于烧结成型铅酸蓄电池用聚氯乙烯微孔隔板(以下简称隔板)。 QB 1258-1991 铅酸蓄电池用聚氯乙烯微孔隔板 QB1258-1991
部分标准内容:
中华人民共和国轻工行业标准
铅酸蓄电池用聚氯乙烯微孔隔板主题内容与适用范围
QB1258—91
本标准规定了铅酸蓄电池用聚氯乙烯微孔隔板的产品分类、技术要求、试验方法、检验规则及标志、包装、运输、贮存。
本标准适用于烧结成型铅酸蓄电池用聚氯乙烯微孔隔板(以下简称隔板)。2引用标准
GB1039塑料力学性能试验方法总则GB 1040
GB 2914
GB2828
3产品分类
塑料拉伸试验方法
聚氯乙烯树脂挥发物(包括水)测定方法逐批检查计数抽样程序及抽样表(适用于连续批的检查)产品分为P型和J型
P型两主面呈平形。
J型两主面面或两面带有筋条。
4技术要求
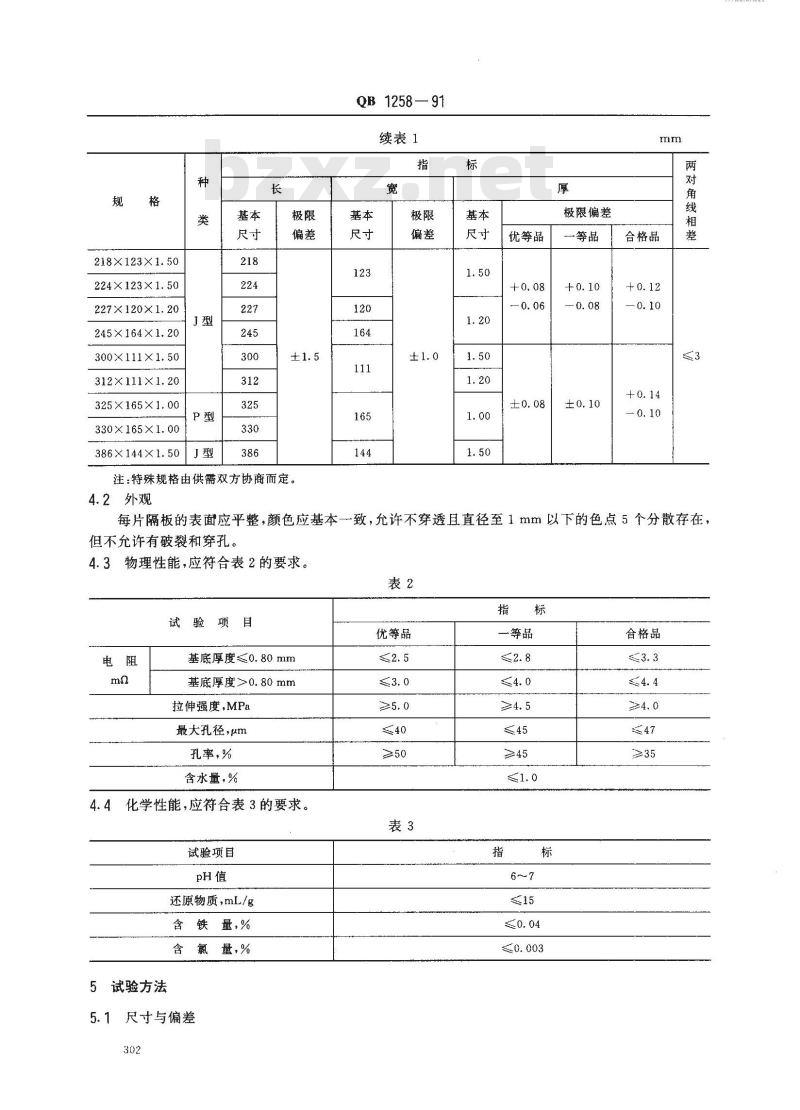
4.1规格及尺寸偏差,应符合表1要求。表1
146X146×1.50
146×148×1.50
146×146×1.20
146X140X1. 20
134×114×0. 90
120×100×1.00
105×56.5×1.00
90 X75X1.20
中华人民共和国轻工业部1991-10-17批准宽
优等品
极限偏差
一等品
合格品
1992-06-01实施
218X123X1.50
224×123×1.50
227X120X1.20
245X164X1.20
300X111X1.50
312×111×1, 20
325×165×1.00
330 X165 X1. 00
386 X144 X1. 50
注:特殊规格由供需双方协商而定。4.2外观
QB 1258—91
续表1
优等品
极限偏差
一等品
加线相
合格品
每片隔板的表面应平整,颜色应基本一致,允许不穿透且直径至1mm以下的色点5个分散存在,但不充许有破裂和穿孔。
4.3物理性能,应符合表2的要求。表2
试验项目
基底厚度≤0.80mm
基底厚度>0.80mm
拉伸强度,MPa
最大孔径,μm
孔率,%
含水量,%
4.4化学性能,应符合表3的要求。试验项目
还原物质,mL/g
含 铁 量,%
含氯量,%
5试验方法
5.1尺寸与偏差
优等品
一等品
合格品
TKAIKAca
QB 1258- 91
长度、宽度和两对角线长度用精度为1mm的通用量具测量,精确至1mm,厚度用精度为0.02mm的游标卡尺测量,精确至0.02mm。5.2外观
在自然光线下目测。破裂和穿孔在透光灯箱上检测,箱体内装有100W的白炽灯泡或40W的日光灯,透光玻璃距光源约100mm。
5.3电阻
5.3.1试剂
硫酸:分析纯,密度1.28g/cm。5.3.2仪器
直流电流表:0~5A,0.5级;
b.直流电压表:0~300mV,0.5级;c.直流稳压电源:0~5A,精度0.2A;d.滑线变阻器:120。
5.3.3试验装置
耐酸容器见图1,铅板两块纯度为98%以上,尺寸为134mm×145mm×1.5mm,镉棒两根纯度为98%以上,直径为10mm,长度为140mm。B-B
稳压电源
电压表
5.3.4试验环境
试验环境温度为(23士2)C。
电流表
变阻器
5.3.5试验步骤
QB1258 91
将146mm×142mm的试样5片,在测得其基底厚度后,放入耐酸容器内,注入硫酸溶液,使隔板完全浸没1h后,按图1接通线路,充电30min,电源电压稳定在12V。用滑线变阻器将电流强度调整到3A,保持稳定状态,然后将试样从浸槽中取出,插入中间夹层,待电流表指针稳定在3A时,记录电压表值Vi,取出试样,立即记录取出时的电压值V2。5.3.6试验结果
电阻R按式(1)计算:
式中:R
试样电阻,2;
V,- V2
试样插入中间夹层中时的电压表读数,mV;V,-试样取出时电压表瞬时读数,mV;I电流表读数,A。
试验结果以5个试样测量值的算术平均值表示,取二位有效数字。5.4拉伸强度
拉伸强度的测量应按GB1040的规定进行,试样为Ⅱ型,试验机的拉伸速度为(100士10)mm/min。
5.5最大孔径
5.5.1试剂
a.异丙醇:分析纯;
b.蒸馏水。
5.5.2仪器
a.U型压力计:长度1000mm,精度为1mm,空气压缩机或其他气源。
5.5.3试验装置
孔径试验装置示意见图2。
异丙醇
橡皮圈
5.5.4试验步骤
微调并关
调节器
减压阀
U型压力计
网纹0.8
QB1258—91
将直径为50mm的试样5片,放入盛有异丙醇的容器中,浸没。浸入时间不少于1h。然后将试样放置在微孔测试仪上拧紧螺帽,倒入异丙醇,液面高出试样至少10mm,调节气源开关,控制空气压力为(0.10土0.01)MPa,调节微调开关,使水柱上升速度控制在5mm/s左右,当液面冒出第三个气泡时,立即记录压力计读数,若气泡从边沿冒出则无效。5.5.5试验结果
最大孔径按式(2)计算:
式中:D-
试样最大孔径,um;
D=X10*
-异丙醇在测试室温t时表面张力10-$N/cm;△P——U型压力计水柱的高度差,毫米水柱。不同测试室温t时异丙醇表面张力E,见表4所示。试验结果以5个试样的算术平均值表示,取二位有效数。表4
5.6孔率
5.6.1试验装置
10°5N/cm
10-5N/cm
电光分析天平或电子天平,精度为0.1mg;快速水分测定仪。
10-$N/cm
5.6.2试验步骤
将直径为50mm的试样5片置于快速水分测定仪中干燥10min,取出后迅速放入干燥器中冷却至室温,然后用悬丝将试样悬挂在天平上,称量并记录其质量。再把试样放在盛有蒸馏水的烧杯中,浸没时间不少于3min,试样不得与烧杯壁接触。称取试样在水中时的质量,将试样从烧杯中提出,使其在30 s内不滴水为止,然后,在天平上称取此时的质量,精确至0.1mg。5.6.3试验结果
孔率X,按式(3)计算:
m一mi
试样的孔率,%,
式中:X
一试样在空气中的质量,g;
试样在水中的质量,g;
试样充满水后的质量,8。
QB 1258—91
试验结果以5个试样的算术平均值表示,取二位有效数。5.7含水量
按GB2914的规定进行。
5.8.1仪器
天平:精度为0.5g。
5.8.2测试步骤
称取10mm×10mm的小块试样30g,均匀分成3组,分别放入250mL广口瓶中,注入100mL蒸馏水,在常温下浸泡5h后,用精密试纸测定。”5.8.3试验结果
试验结果以3次试验实际的算术平均值表示。5.9还原物质
5.9.1试剂
高锰酸钾:分析纯,0.01N溶液;草酸:分析纯0.01N溶液;
硫酸:分析纯,密度为1.28g/cm。5.9.2仪器
分析天平,精度为0.1mg;
恒温水浴。
5.9.3试验步骤
称取10mm×10mm的小块试样10g,放入玻璃容器中,注入硫酸150mL,盖上表面Ⅲ,在常温下TKKAa
浸泡24h后取20mL滤液装入250mL的锥形瓶中,注入高锰酸钾溶液20mL,然后,将锥形瓶置于70~80℃的恒温水浴内加热15min,取出后滴加草酸溶液20mL,再用高锰酸钾溶液滴定至粉红色。按上述步骤作空白试验。
5.9.4试验结果
还原物质X按式(4)计算:
式中:X
Xb (i-V)V
每克试样所耗高锰酸钾量,mL/g;试样质量,g;
取试样浸泡液量,mL;
浸泡试样所用酸液的总量,mL;
试样消耗高锰酸钾溶液量,mL;空白试验消耗高锰酸钾溶液量,mL。试样结果以3次试验结果算术平均值表示,取二位有效数。5.10含铁量
5.10.1试剂
硫酸:分析纯,密度1.28g/cm;氢氧化铵:分析纯,1+1溶液;
·(4)
盐酸羟胺:分析纯,10%溶液;
QB 1258-91
乙酸:乙酸钠缓冲溶液500mL,内含20g乙酸钠和36%冰乙酸134mL,邻菲啰琳:分析纯,0.1%溶液加热溶解;铁铵钒:分析纯;
盐酸:分析纯,6N。
分光光度计:724型或7230型;
分析天平:精度0.1mg。
5.10.3试验步骤
称取10mm×10mm的小块试样40g,置于250mL的三角烧杯中,注入200mL硫酸,盖上表面血,在常温下浸泡24 h后,滤净待测。5.10.3.1标准铁液配制
准确称取铁铵钒0.216g溶于水,加6N盐酸5mL,转移至250mL容量瓶中稀释至刻度。然后吸取上述溶液25mL于250mL容量瓶中,加6N盐酸5mL,用水稀释至刻度,所得含铁量为0.010mg/mL的标准液。
5.10.3.2含铁量测定
吸取待测液5~10mL于50mL容量瓶中,缓慢注入1+1氢氧化铵溶液(每毫升待测液加氢氧化铵1.6mL)加水稀释至30mL加10%盐酸羟胺3mL,乙酸-乙酸钠缓冲液5mL,邻菲啰淋5ml投入50mL容量瓶,用蒸馏水稀释至刻度,摇匀,置10min,在分光光度计中测得含铁量。5.10.4试验结果
式中:X。一试样含铁量,%;
C—一测得试样浓度,mg/mL
V-试液总体积,mL;
试样质量,mg。
试样以3次试验的算术平均值为该批产品的含铁量,取一位有效数字。5.11含氯量
5.11.1试剂
a.硫酸:分析纯,密度1.28g/cm2;b.硝酸:分析纯,1+1溶液;
c.硝酸银:分析纯,20%溶液。5.11.2试验步骤
·(5)
称取经500~600℃高温灼烧1h的基准氯化钠0.8245g,溶于水后,移入1000mL容量瓶中,用水稀释至刻度,此溶液含氯量为0.00005g/mL。吸取5.10.3待测液10mL置于50mL比色管中,加入1+1硝酸溶液2mL,用水稀释至约40mL,加2%硝酸银溶液2mL,加蒸馏水至刻度线,同时做空白试验,比较两管颜色,并向空白液比色管中加入氯标准溶液至混浊程度一致,在暗处置15min不变化,记录标准氯液用量。5.11.3试验结果
含氯量X。按式(6)计算:
式中:X.-试样含氯量,%;
× 100
(6)
标准氯液用量,mL;
试液总体积,mL;
Vi——分取试液体积,mL;
试样质量,g;
-标准氯液浓度,g/mL。
QB1258-91
试样以3次试验的算术平均值为该批产品含氯量,取一位有效数字。6检验规则
6.1组批与抽样规则
以同一批号原材料,同一工艺和配方为一批,但每批不超过500箱。抽样按GB2828规定进行,采用两次正带抽样方案,检查水平S为4,AQL为6.5,抽样应符合表5。
批量范围,片
3201~10 000
10 001~35000
35 001~~150 000
150 001~500 000
500000以上
6.2出厂检验
出厂检验项目为4.1和4.2。
6.3型式检验
在下列情况之一时,应进行型式检验:a.
产品连续生产三个月,
原料、配方、工艺有较大改变时;产品质量监督机构提出要求时;产品停产三个月后恢复生产。
6.4判定规则
样本大小
6.4.1第4.1和4.2按GB2828的规定进行判断。累计样本大小
合格判定数
不合格判定数
6.4.2第4.3和4.4中任一项不合格时,应在原批中抽取双倍样品,对不合格项进行复测。如全部合格,则该项为合格项,否则为不合格项。出厂检验或型式检验,任一项不合格,则该批产品为不合格批。7标志、包装、运输、贮存
7.1标志
包装箱上应有下述标志:
产品名称、型号、规格数量;
b.产品的注册商标;
产品所执行的标准代号,
QB1258-91免费标准bzxz.net
d.对运输与贮存有关要求的标准代号。7.2包装
塑料隔板分内外包装,内包装用牛皮纸等,外包装用硬质瓦楞纸箱或木箱等。每箱1000~1500片成箱,箱内应有合格证。
7.3运输
在运输过程中应避免曝晒、雨淋,在装卸过程中应轻拿轻放。7.4贮存
应贮存在干燥、通风良好的库房内,避免日光照射或与油类物质接触;本产品限堆六层,不允许重压;b.
生产之日起,贮存期为二年。
附加说明:
本标准由轻工业部质量标准司提出。本标准由全国塑料制品标准化中心归口。本标准由上海蕃电池隔离板厂、衡阳市第二塑料厂共同起草。本标准主要起草人朱正国、蒋继红。本标准参照采用日本工业标准JISC2313-1976(84)《铅蓄电池用隔板》。自本标准实施之日起,原轻工业部标准SG260--82《蓄电池用聚氟乙烯烧结微孔隔板》作废。309
小提示:此标准内容仅展示完整标准里的部分截取内容,若需要完整标准请到上方自行免费下载完整标准文档。
铅酸蓄电池用聚氯乙烯微孔隔板主题内容与适用范围
QB1258—91
本标准规定了铅酸蓄电池用聚氯乙烯微孔隔板的产品分类、技术要求、试验方法、检验规则及标志、包装、运输、贮存。
本标准适用于烧结成型铅酸蓄电池用聚氯乙烯微孔隔板(以下简称隔板)。2引用标准
GB1039塑料力学性能试验方法总则GB 1040
GB 2914
GB2828
3产品分类
塑料拉伸试验方法
聚氯乙烯树脂挥发物(包括水)测定方法逐批检查计数抽样程序及抽样表(适用于连续批的检查)产品分为P型和J型
P型两主面呈平形。
J型两主面面或两面带有筋条。
4技术要求
4.1规格及尺寸偏差,应符合表1要求。表1
146X146×1.50
146×148×1.50
146×146×1.20
146X140X1. 20
134×114×0. 90
120×100×1.00
105×56.5×1.00
90 X75X1.20
中华人民共和国轻工业部1991-10-17批准宽
优等品
极限偏差
一等品
合格品
1992-06-01实施
218X123X1.50
224×123×1.50
227X120X1.20
245X164X1.20
300X111X1.50
312×111×1, 20
325×165×1.00
330 X165 X1. 00
386 X144 X1. 50
注:特殊规格由供需双方协商而定。4.2外观
QB 1258—91
续表1
优等品
极限偏差
一等品
加线相
合格品
每片隔板的表面应平整,颜色应基本一致,允许不穿透且直径至1mm以下的色点5个分散存在,但不充许有破裂和穿孔。
4.3物理性能,应符合表2的要求。表2
试验项目
基底厚度≤0.80mm
基底厚度>0.80mm
拉伸强度,MPa
最大孔径,μm
孔率,%
含水量,%
4.4化学性能,应符合表3的要求。试验项目
还原物质,mL/g
含 铁 量,%
含氯量,%
5试验方法
5.1尺寸与偏差
优等品
一等品
合格品
TKAIKAca
QB 1258- 91
长度、宽度和两对角线长度用精度为1mm的通用量具测量,精确至1mm,厚度用精度为0.02mm的游标卡尺测量,精确至0.02mm。5.2外观
在自然光线下目测。破裂和穿孔在透光灯箱上检测,箱体内装有100W的白炽灯泡或40W的日光灯,透光玻璃距光源约100mm。
5.3电阻
5.3.1试剂
硫酸:分析纯,密度1.28g/cm。5.3.2仪器
直流电流表:0~5A,0.5级;
b.直流电压表:0~300mV,0.5级;c.直流稳压电源:0~5A,精度0.2A;d.滑线变阻器:120。
5.3.3试验装置
耐酸容器见图1,铅板两块纯度为98%以上,尺寸为134mm×145mm×1.5mm,镉棒两根纯度为98%以上,直径为10mm,长度为140mm。B-B
稳压电源
电压表
5.3.4试验环境
试验环境温度为(23士2)C。
电流表
变阻器
5.3.5试验步骤
QB1258 91
将146mm×142mm的试样5片,在测得其基底厚度后,放入耐酸容器内,注入硫酸溶液,使隔板完全浸没1h后,按图1接通线路,充电30min,电源电压稳定在12V。用滑线变阻器将电流强度调整到3A,保持稳定状态,然后将试样从浸槽中取出,插入中间夹层,待电流表指针稳定在3A时,记录电压表值Vi,取出试样,立即记录取出时的电压值V2。5.3.6试验结果
电阻R按式(1)计算:
式中:R
试样电阻,2;
V,- V2
试样插入中间夹层中时的电压表读数,mV;V,-试样取出时电压表瞬时读数,mV;I电流表读数,A。
试验结果以5个试样测量值的算术平均值表示,取二位有效数字。5.4拉伸强度
拉伸强度的测量应按GB1040的规定进行,试样为Ⅱ型,试验机的拉伸速度为(100士10)mm/min。
5.5最大孔径
5.5.1试剂
a.异丙醇:分析纯;
b.蒸馏水。
5.5.2仪器
a.U型压力计:长度1000mm,精度为1mm,空气压缩机或其他气源。
5.5.3试验装置
孔径试验装置示意见图2。
异丙醇
橡皮圈
5.5.4试验步骤
微调并关
调节器
减压阀
U型压力计
网纹0.8
QB1258—91
将直径为50mm的试样5片,放入盛有异丙醇的容器中,浸没。浸入时间不少于1h。然后将试样放置在微孔测试仪上拧紧螺帽,倒入异丙醇,液面高出试样至少10mm,调节气源开关,控制空气压力为(0.10土0.01)MPa,调节微调开关,使水柱上升速度控制在5mm/s左右,当液面冒出第三个气泡时,立即记录压力计读数,若气泡从边沿冒出则无效。5.5.5试验结果
最大孔径按式(2)计算:
式中:D-
试样最大孔径,um;
D=X10*
-异丙醇在测试室温t时表面张力10-$N/cm;△P——U型压力计水柱的高度差,毫米水柱。不同测试室温t时异丙醇表面张力E,见表4所示。试验结果以5个试样的算术平均值表示,取二位有效数。表4
5.6孔率
5.6.1试验装置
10°5N/cm
10-5N/cm
电光分析天平或电子天平,精度为0.1mg;快速水分测定仪。
10-$N/cm
5.6.2试验步骤
将直径为50mm的试样5片置于快速水分测定仪中干燥10min,取出后迅速放入干燥器中冷却至室温,然后用悬丝将试样悬挂在天平上,称量并记录其质量。再把试样放在盛有蒸馏水的烧杯中,浸没时间不少于3min,试样不得与烧杯壁接触。称取试样在水中时的质量,将试样从烧杯中提出,使其在30 s内不滴水为止,然后,在天平上称取此时的质量,精确至0.1mg。5.6.3试验结果
孔率X,按式(3)计算:
m一mi
试样的孔率,%,
式中:X
一试样在空气中的质量,g;
试样在水中的质量,g;
试样充满水后的质量,8。
QB 1258—91
试验结果以5个试样的算术平均值表示,取二位有效数。5.7含水量
按GB2914的规定进行。
5.8.1仪器
天平:精度为0.5g。
5.8.2测试步骤
称取10mm×10mm的小块试样30g,均匀分成3组,分别放入250mL广口瓶中,注入100mL蒸馏水,在常温下浸泡5h后,用精密试纸测定。”5.8.3试验结果
试验结果以3次试验实际的算术平均值表示。5.9还原物质
5.9.1试剂
高锰酸钾:分析纯,0.01N溶液;草酸:分析纯0.01N溶液;
硫酸:分析纯,密度为1.28g/cm。5.9.2仪器
分析天平,精度为0.1mg;
恒温水浴。
5.9.3试验步骤
称取10mm×10mm的小块试样10g,放入玻璃容器中,注入硫酸150mL,盖上表面Ⅲ,在常温下TKKAa
浸泡24h后取20mL滤液装入250mL的锥形瓶中,注入高锰酸钾溶液20mL,然后,将锥形瓶置于70~80℃的恒温水浴内加热15min,取出后滴加草酸溶液20mL,再用高锰酸钾溶液滴定至粉红色。按上述步骤作空白试验。
5.9.4试验结果
还原物质X按式(4)计算:
式中:X
Xb (i-V)V
每克试样所耗高锰酸钾量,mL/g;试样质量,g;
取试样浸泡液量,mL;
浸泡试样所用酸液的总量,mL;
试样消耗高锰酸钾溶液量,mL;空白试验消耗高锰酸钾溶液量,mL。试样结果以3次试验结果算术平均值表示,取二位有效数。5.10含铁量
5.10.1试剂
硫酸:分析纯,密度1.28g/cm;氢氧化铵:分析纯,1+1溶液;
·(4)
盐酸羟胺:分析纯,10%溶液;
QB 1258-91
乙酸:乙酸钠缓冲溶液500mL,内含20g乙酸钠和36%冰乙酸134mL,邻菲啰琳:分析纯,0.1%溶液加热溶解;铁铵钒:分析纯;
盐酸:分析纯,6N。
分光光度计:724型或7230型;
分析天平:精度0.1mg。
5.10.3试验步骤
称取10mm×10mm的小块试样40g,置于250mL的三角烧杯中,注入200mL硫酸,盖上表面血,在常温下浸泡24 h后,滤净待测。5.10.3.1标准铁液配制
准确称取铁铵钒0.216g溶于水,加6N盐酸5mL,转移至250mL容量瓶中稀释至刻度。然后吸取上述溶液25mL于250mL容量瓶中,加6N盐酸5mL,用水稀释至刻度,所得含铁量为0.010mg/mL的标准液。
5.10.3.2含铁量测定
吸取待测液5~10mL于50mL容量瓶中,缓慢注入1+1氢氧化铵溶液(每毫升待测液加氢氧化铵1.6mL)加水稀释至30mL加10%盐酸羟胺3mL,乙酸-乙酸钠缓冲液5mL,邻菲啰淋5ml投入50mL容量瓶,用蒸馏水稀释至刻度,摇匀,置10min,在分光光度计中测得含铁量。5.10.4试验结果
式中:X。一试样含铁量,%;
C—一测得试样浓度,mg/mL
V-试液总体积,mL;
试样质量,mg。
试样以3次试验的算术平均值为该批产品的含铁量,取一位有效数字。5.11含氯量
5.11.1试剂
a.硫酸:分析纯,密度1.28g/cm2;b.硝酸:分析纯,1+1溶液;
c.硝酸银:分析纯,20%溶液。5.11.2试验步骤
·(5)
称取经500~600℃高温灼烧1h的基准氯化钠0.8245g,溶于水后,移入1000mL容量瓶中,用水稀释至刻度,此溶液含氯量为0.00005g/mL。吸取5.10.3待测液10mL置于50mL比色管中,加入1+1硝酸溶液2mL,用水稀释至约40mL,加2%硝酸银溶液2mL,加蒸馏水至刻度线,同时做空白试验,比较两管颜色,并向空白液比色管中加入氯标准溶液至混浊程度一致,在暗处置15min不变化,记录标准氯液用量。5.11.3试验结果
含氯量X。按式(6)计算:
式中:X.-试样含氯量,%;
× 100
(6)
标准氯液用量,mL;
试液总体积,mL;
Vi——分取试液体积,mL;
试样质量,g;
-标准氯液浓度,g/mL。
QB1258-91
试样以3次试验的算术平均值为该批产品含氯量,取一位有效数字。6检验规则
6.1组批与抽样规则
以同一批号原材料,同一工艺和配方为一批,但每批不超过500箱。抽样按GB2828规定进行,采用两次正带抽样方案,检查水平S为4,AQL为6.5,抽样应符合表5。
批量范围,片
3201~10 000
10 001~35000
35 001~~150 000
150 001~500 000
500000以上
6.2出厂检验
出厂检验项目为4.1和4.2。
6.3型式检验
在下列情况之一时,应进行型式检验:a.
产品连续生产三个月,
原料、配方、工艺有较大改变时;产品质量监督机构提出要求时;产品停产三个月后恢复生产。
6.4判定规则
样本大小
6.4.1第4.1和4.2按GB2828的规定进行判断。累计样本大小
合格判定数
不合格判定数
6.4.2第4.3和4.4中任一项不合格时,应在原批中抽取双倍样品,对不合格项进行复测。如全部合格,则该项为合格项,否则为不合格项。出厂检验或型式检验,任一项不合格,则该批产品为不合格批。7标志、包装、运输、贮存
7.1标志
包装箱上应有下述标志:
产品名称、型号、规格数量;
b.产品的注册商标;
产品所执行的标准代号,
QB1258-91免费标准bzxz.net
d.对运输与贮存有关要求的标准代号。7.2包装
塑料隔板分内外包装,内包装用牛皮纸等,外包装用硬质瓦楞纸箱或木箱等。每箱1000~1500片成箱,箱内应有合格证。
7.3运输
在运输过程中应避免曝晒、雨淋,在装卸过程中应轻拿轻放。7.4贮存
应贮存在干燥、通风良好的库房内,避免日光照射或与油类物质接触;本产品限堆六层,不允许重压;b.
生产之日起,贮存期为二年。
附加说明:
本标准由轻工业部质量标准司提出。本标准由全国塑料制品标准化中心归口。本标准由上海蕃电池隔离板厂、衡阳市第二塑料厂共同起草。本标准主要起草人朱正国、蒋继红。本标准参照采用日本工业标准JISC2313-1976(84)《铅蓄电池用隔板》。自本标准实施之日起,原轻工业部标准SG260--82《蓄电池用聚氟乙烯烧结微孔隔板》作废。309
小提示:此标准内容仅展示完整标准里的部分截取内容,若需要完整标准请到上方自行免费下载完整标准文档。
标准图片预览:





- 其它标准
- 热门标准
- 轻工行业标准(QB)
- QB/T5247-2018 箱包配件塑料插扣耐 用性能试验方法
- QB/T2856-2007 毛革服装
- QB/T2425-1998 封箱用再湿性牛皮纸胶粘带
- QB/T3520-1999 500kV油纸套管绝缘纸
- QB2584-2003 蒸汽淋浴房
- QB/T2591-2003 抗菌塑料-抗菌性能试验方法和抗菌效果
- QB/T1439-2005 帐册
- QB/T1584-2005 日用皮手套
- QB/T1756-1993 造纸机械湍流式中浓度浆泵
- QB/T1782-1993 苯乙醇
- QB/T1664-1998 纸板戳穿强度测定仪
- QB/T1702.2-1993 括板升运机
- QB/T2501-2000 重力式自动装料衡器
- QB/T2161-1995 儿童推车整车通用技术条件
- QB/T3510-1999 Y311条粗条干仪用记录纸
- 行业新闻
请牢记:“bzxz.net”即是“标准下载”四个汉字汉语拼音首字母与国际顶级域名“.net”的组合。 ©2025 标准下载网 www.bzxz.net 本站邮件:bzxznet@163.com
网站备案号:湘ICP备2025141790号-2
网站备案号:湘ICP备2025141790号-2