- 您的位置:
- 标准下载网 >>
- 标准分类 >>
- 国家标准(GB) >>
- GB/T 16429-1996 粉尘云最低着火温度测定方法
标准号:
GB/T 16429-1996
标准名称:
粉尘云最低着火温度测定方法
标准类别:
国家标准(GB)
标准状态:
现行-
发布日期:
1996-06-04 -
实施日期:
1997-04-01 出版语种:
简体中文下载格式:
.rar.pdf下载大小:
2.68 MB
标准ICS号:
13.220.60中标分类号:
矿业>>矿业综合>>D09卫生、安全、劳动保护
点击下载
标准简介:
标准下载解压密码:www.bzxz.net
本标准规定了粉尘云最低着火温度测定用试样、测定装置、测定步骤、着火的判别和最低着火温度的确定。本标准适用于依赖空气中的氧维持其氧化反应的可燃粉尘。本标准不适用于炸药或具有爆炸性质的物质。 GB/T 16429-1996 粉尘云最低着火温度测定方法 GB/T16429-1996
部分标准内容:
ICS13-220.60
中华人民共和国国家标准
GB/T16429—1996
粉尘云最低着火温度测定方法
Determination of the minimum ignitiontemperature of dust cloud
1996-06-04发布
1997-04-01实施
国家技术监督局发布
中华人民共和国国家标准
粉尘云最低着火温度测定方法
Determination of the minimum ignitiontemperature of dust cloud
1主题内容与适用范围
GB/T16429-1996
本标准规定了粉尘云最低着火温度测定用试样、测定装置、测定步骤、着火的判别和最低着火温度的确定。此内容来自标准下载网
本标准适用于依模空气中的氧维持其氧化反应的可燃扮尘。本标准不适于炸药或具有炸性质的物质。2术语
2.1粉尘云若火ignitionof dustcloud由于能垫传逆的作用,空气中的粉尘云发生爆炸的初始现象2.2粉尘云着火混度ignitiontemperatureofdustcloud在加热炉中的粉尘云发生着火时,加热炉中部内壁的最低温度。3试样的制备
试样应制备成均质的,并具有代表性,试样应通过标称孔径为75um的金属丝网或方孔板试验箱。如果要对比较粗的粉尘进行测定,可用孔径高达500m的试验筛,但在试验报告中要写明试验筛的标称孔径。在试样的制备过程中,引起粉尘性质的任何变化都应在试验报告中说明,如由筛分、品度或湿度引起的变化,
4测定装置
测定装置如图1所示,其中加热炉见图2(其组成零部件见表1),国家技术监督局1996-06-04批准1997-04-01实施
GB/T16429—1996
图1粉尘云最低着火温度测定装置空
1-加热护,2连披头:3-储尘器:4-电磁间:5-储气漏:6-闸烟:7-U型管:8-稳压电漆:9组度控邮仪:10退度记录仪GB/T16429-1996
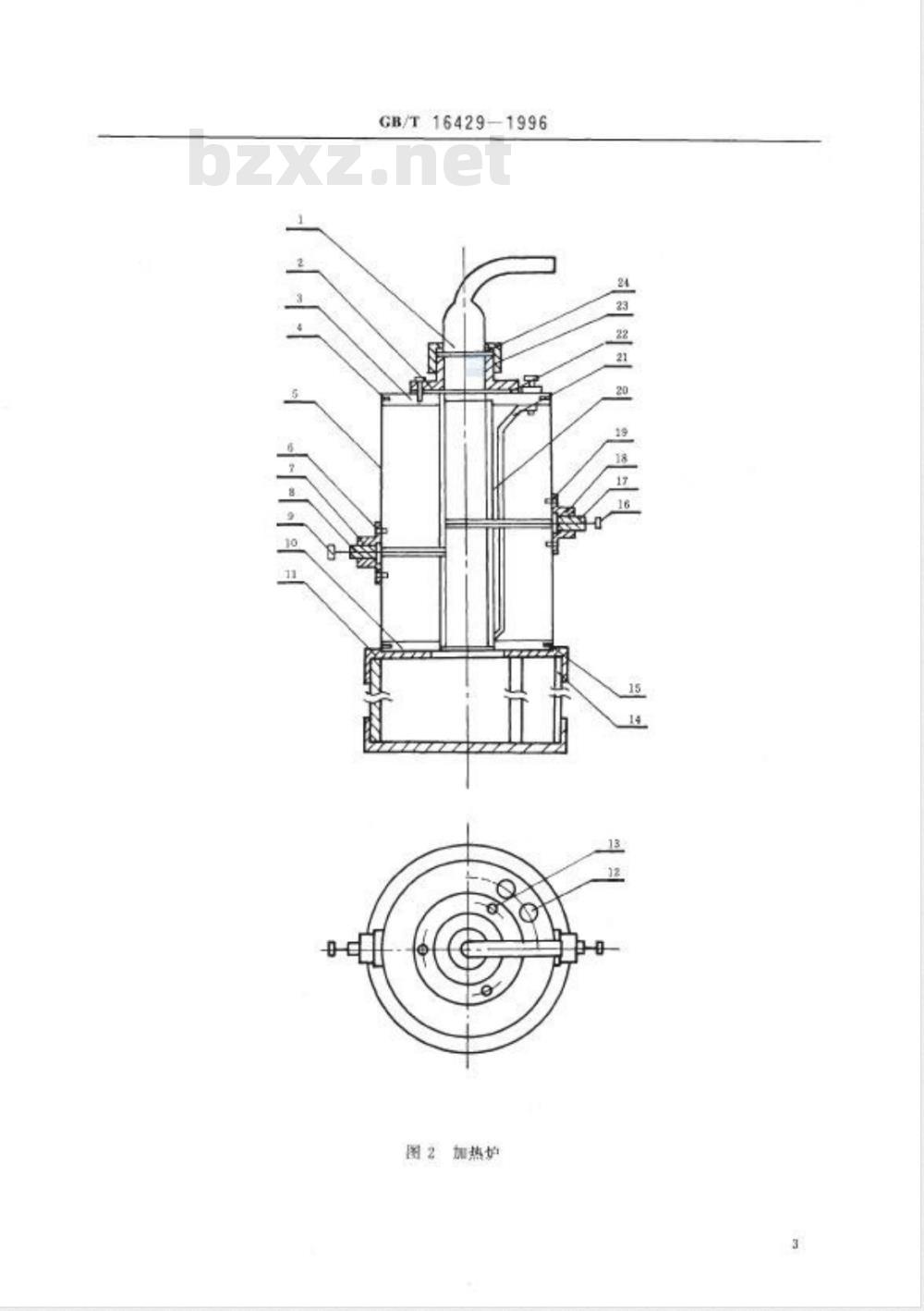
图2加热护
加热炉
鼓消适配器
连接环
固定座鳞灯
加热护外壳
固定座锦钉
热电偶固定密
调节器
热电码
加热护支撑座
接线柱
连接环国定钢订
支撑座围板
陈置固定锦订
热电话
调节器
热电俩固定库
固定座解钉
石英管
电醒丝
固定环
GB/T164291996
加热炉有关零部件
不锈钢
不锈钢
不锈钢
不锈钢
不钢钢
不锈钢
有机玻璃
不锈钢
不锈钢
不锈钢
不锈钢
电工合金丝
不锈钢
规格.mm
直径9
直径150.厚度12
厚度1:0
直径150,厚度12
厚度5.6
直径44.长度216
总电阻值为130
直径90,厚度2.0
直径60
直径45厚度2.0
加热炉的加热石英管垂直安装,外整绕有加热用的总电阻为130的电工合金丝,其下端开口,与大气相通,上端通过瑕璃适配器与储尘器相连。中部与中下部分别装有热电解,用以调控和记录试验温度。加热炉安装在一个支痒座上,以便从炉子下端观察粉尘的者火情况。在加热石英管下端应放一个镜子,以便观察加热石英管的内部情况4.2
压气喷尘系统
GB/T16429—1996
压气喷尘系统由小型空气压缩机、储气罐(容积为500mL)、U塑管、电磁阀、储尘器组成,当电磁阀打开时,储气缝中的压缩空气将储尘器中的粉尘喷入加热炉中,形成粉尘云,电磁阅出口到储尘器的距离不得超过500mm。
4.3试验混度的调控和记录系统
安装在加热炉中下部的热电阀与温度控制仪相连,用以调控试验退度,安装在加热炉中部的热电偶与蛊度记录仪相连,用以记录试验温度。5测定步骤
5.1加热炉的安装
如热护应安装在不受空气流动影响且能将粉尘和有毒气体抽出的罩子下菌5.2加热炉的标定
5.2.1加热炉使用的热电震应定期进行标定5.2.2加热炉安装完毕后,应采用石松子粉进行标定。所测得的最低卷着火温度值为:450℃士50℃。标定用的石松子粉在常压、50℃的温度下干燥24h,石松子粉的中位径为30士54m。5.3最低卷火温度的测定
称量0.1基的粉尘装入储尘器中,将加热炉温度调到500C,井将储气罐气压调到10kPa,打开电避阀,将粉尘喷人加热炉内。如果未出现着火,则以50℃的步长升高加热炉温度,重新装人相同质量的粉尘进行试验,直至出现着火+或直到加热炉温度达到1000C为止,一旦出现着火,期改变粉生的质量和喷尘压力,直到出现剖烈的着火,然后,将这个粉尘质量和喷尘压力固定不变,以20的间隔降低加热炉的温度进行试验,直到10次试均未出现着火,如果在300C时仍出现着火,则以10C的步长降低加热妒的据度,当试验到未出现着火时,再取下二个激度值,将粉尘质量和喷尘压力分别采用较低和较高一级的规定值进行试验。如有必要,可进一步降低加热炉询度直到10次试验均未出现着火。5.4粉尘的质量
试验时,粉尘的质量控从下述值中选取,允许编差为土5%:0.01.0.02.0.03.0.05.o.10.0.20.0,30.0.50.1.00..***g5.5喷坐压力
试验时,喷尘压力应从下述值中选取,允许偏差为土5头;2.0.3.0.5.0.10.26.30.50kPa.
6着火的判别
试验时,在部热炉管下烯若有火焰喷出或火婚滞后喷出,则判为着火:若只有火星而没有火增、则判为未着火。
7最低着火温度的确定
按上述方法所测得的粉尘出现着火时,如热炉的最低温度,若高于300C,则应减去20C,若等于或低于300C,侧应减去10C.即为粉尘云最低着火益度如果在加热炉的遇度达到1000C时,粉尘仍未出现着火,则应在试验报昏中加以说明。8试验报告
试验报告应写明下列内容:
试样的名称;
试样的来源
试样的制备;
GB/T16429
9-1996
试样的粒度分布(如果需要,应写明水含量);粉尘云最低着火鼠度是按本标准的规定测得的:按本标准第7章的规定记录着火溢度;试验日期和试验人员(签名)。
附加说明:
本标准由中华人民共和国煤炭工业部提出。本标准由中华人民共和国煤炭工业部煤矿安全标准化技术委员会归口。本标准由中华人民共和国煤炭工业部煤炭科学研究总院重庆分院起草和负责解释,本标准主要起草人何朝远、田仁曲、张引合、苑洪湘。0
小提示:此标准内容仅展示完整标准里的部分截取内容,若需要完整标准请到上方自行免费下载完整标准文档。
中华人民共和国国家标准
GB/T16429—1996
粉尘云最低着火温度测定方法
Determination of the minimum ignitiontemperature of dust cloud
1996-06-04发布
1997-04-01实施
国家技术监督局发布
中华人民共和国国家标准
粉尘云最低着火温度测定方法
Determination of the minimum ignitiontemperature of dust cloud
1主题内容与适用范围
GB/T16429-1996
本标准规定了粉尘云最低着火温度测定用试样、测定装置、测定步骤、着火的判别和最低着火温度的确定。此内容来自标准下载网
本标准适用于依模空气中的氧维持其氧化反应的可燃扮尘。本标准不适于炸药或具有炸性质的物质。2术语
2.1粉尘云若火ignitionof dustcloud由于能垫传逆的作用,空气中的粉尘云发生爆炸的初始现象2.2粉尘云着火混度ignitiontemperatureofdustcloud在加热炉中的粉尘云发生着火时,加热炉中部内壁的最低温度。3试样的制备
试样应制备成均质的,并具有代表性,试样应通过标称孔径为75um的金属丝网或方孔板试验箱。如果要对比较粗的粉尘进行测定,可用孔径高达500m的试验筛,但在试验报告中要写明试验筛的标称孔径。在试样的制备过程中,引起粉尘性质的任何变化都应在试验报告中说明,如由筛分、品度或湿度引起的变化,
4测定装置
测定装置如图1所示,其中加热炉见图2(其组成零部件见表1),国家技术监督局1996-06-04批准1997-04-01实施
GB/T16429—1996
图1粉尘云最低着火温度测定装置空
1-加热护,2连披头:3-储尘器:4-电磁间:5-储气漏:6-闸烟:7-U型管:8-稳压电漆:9组度控邮仪:10退度记录仪GB/T16429-1996
图2加热护
加热炉
鼓消适配器
连接环
固定座鳞灯
加热护外壳
固定座锦钉
热电偶固定密
调节器
热电码
加热护支撑座
接线柱
连接环国定钢订
支撑座围板
陈置固定锦订
热电话
调节器
热电俩固定库
固定座解钉
石英管
电醒丝
固定环
GB/T164291996
加热炉有关零部件
不锈钢
不锈钢
不锈钢
不锈钢
不钢钢
不锈钢
有机玻璃
不锈钢
不锈钢
不锈钢
不锈钢
电工合金丝
不锈钢
规格.mm
直径9
直径150.厚度12
厚度1:0
直径150,厚度12
厚度5.6
直径44.长度216
总电阻值为130
直径90,厚度2.0
直径60
直径45厚度2.0
加热炉的加热石英管垂直安装,外整绕有加热用的总电阻为130的电工合金丝,其下端开口,与大气相通,上端通过瑕璃适配器与储尘器相连。中部与中下部分别装有热电解,用以调控和记录试验温度。加热炉安装在一个支痒座上,以便从炉子下端观察粉尘的者火情况。在加热石英管下端应放一个镜子,以便观察加热石英管的内部情况4.2
压气喷尘系统
GB/T16429—1996
压气喷尘系统由小型空气压缩机、储气罐(容积为500mL)、U塑管、电磁阀、储尘器组成,当电磁阀打开时,储气缝中的压缩空气将储尘器中的粉尘喷入加热炉中,形成粉尘云,电磁阅出口到储尘器的距离不得超过500mm。
4.3试验混度的调控和记录系统
安装在加热炉中下部的热电阀与温度控制仪相连,用以调控试验退度,安装在加热炉中部的热电偶与蛊度记录仪相连,用以记录试验温度。5测定步骤
5.1加热炉的安装
如热护应安装在不受空气流动影响且能将粉尘和有毒气体抽出的罩子下菌5.2加热炉的标定
5.2.1加热炉使用的热电震应定期进行标定5.2.2加热炉安装完毕后,应采用石松子粉进行标定。所测得的最低卷着火温度值为:450℃士50℃。标定用的石松子粉在常压、50℃的温度下干燥24h,石松子粉的中位径为30士54m。5.3最低卷火温度的测定
称量0.1基的粉尘装入储尘器中,将加热炉温度调到500C,井将储气罐气压调到10kPa,打开电避阀,将粉尘喷人加热炉内。如果未出现着火,则以50℃的步长升高加热炉温度,重新装人相同质量的粉尘进行试验,直至出现着火+或直到加热炉温度达到1000C为止,一旦出现着火,期改变粉生的质量和喷尘压力,直到出现剖烈的着火,然后,将这个粉尘质量和喷尘压力固定不变,以20的间隔降低加热炉的温度进行试验,直到10次试均未出现着火,如果在300C时仍出现着火,则以10C的步长降低加热妒的据度,当试验到未出现着火时,再取下二个激度值,将粉尘质量和喷尘压力分别采用较低和较高一级的规定值进行试验。如有必要,可进一步降低加热炉询度直到10次试验均未出现着火。5.4粉尘的质量
试验时,粉尘的质量控从下述值中选取,允许编差为土5%:0.01.0.02.0.03.0.05.o.10.0.20.0,30.0.50.1.00..***g5.5喷坐压力
试验时,喷尘压力应从下述值中选取,允许偏差为土5头;2.0.3.0.5.0.10.26.30.50kPa.
6着火的判别
试验时,在部热炉管下烯若有火焰喷出或火婚滞后喷出,则判为着火:若只有火星而没有火增、则判为未着火。
7最低着火温度的确定
按上述方法所测得的粉尘出现着火时,如热炉的最低温度,若高于300C,则应减去20C,若等于或低于300C,侧应减去10C.即为粉尘云最低着火益度如果在加热炉的遇度达到1000C时,粉尘仍未出现着火,则应在试验报昏中加以说明。8试验报告
试验报告应写明下列内容:
试样的名称;
试样的来源
试样的制备;
GB/T16429
9-1996
试样的粒度分布(如果需要,应写明水含量);粉尘云最低着火鼠度是按本标准的规定测得的:按本标准第7章的规定记录着火溢度;试验日期和试验人员(签名)。
附加说明:
本标准由中华人民共和国煤炭工业部提出。本标准由中华人民共和国煤炭工业部煤矿安全标准化技术委员会归口。本标准由中华人民共和国煤炭工业部煤炭科学研究总院重庆分院起草和负责解释,本标准主要起草人何朝远、田仁曲、张引合、苑洪湘。0
小提示:此标准内容仅展示完整标准里的部分截取内容,若需要完整标准请到上方自行免费下载完整标准文档。
标准图片预览:





- 其它标准
- 热门标准
- 国家标准(GB)
- GB/T18204.4-2000 公共场所毛巾、床上卧具微生物检验方法细菌总数测定
- GB50367-2013 混凝土结构加固设计规范
- GB8552-1987 电子器件详细规范 低功率非线绕固定电阻器 RJ13型金属膜固定电阻器评定水平E(可供认证用)
- GB/T11379-2008 金属覆盖层 工程用铬电镀层
- GB/T23892.3-2009 滑动轴承 稳态条件下流体动压可倾瓦块止推轴承 第3部分:可倾瓦块止推轴承计算的许用值
- GB/T20976-2023 软冰淇淋预拌粉质量要求
- GB/T9145-2003 普通螺纹 中等精度、优选系列的极限尺寸
- GB/T9239-1988 刚性转子平衡品质 许用不平衡的确定
- GB/T15917.3-1995 金属镝及氧化镝化学分析方法 对氯苯基荧光酮--溴化十六烷基三甲基胺分光光度法测定钽量
- GB/T11839-1989 二氧化铀芯块中硼的测定 姜黄素萃取光度法
- GB/T6122.1-2002 圆角铣刀 第1部分:型式和尺寸
- GB/T7433-1987 对称电缆载波通信系统抗无线电广播和通信干扰的指标
- GB/T12053-1989 光学识别用字母数字字符集 第一部分:OCR-A字符集印刷图象的形状和尺寸
- GB/T14463-2022 粘胶短纤维
- GB13851-2022 内河交通安全标志
- 行业新闻
请牢记:“bzxz.net”即是“标准下载”四个汉字汉语拼音首字母与国际顶级域名“.net”的组合。 ©2025 标准下载网 www.bzxz.net 本站邮件:bzxznet@163.com
网站备案号:湘ICP备2025141790号-2
网站备案号:湘ICP备2025141790号-2