- 您的位置:
- 标准下载网 >>
- 标准分类 >>
- 国家标准(GB) >>
- GB/T 16743-1997 冲裁间隙
标准号:
GB/T 16743-1997
标准名称:
冲裁间隙
标准类别:
国家标准(GB)
标准状态:
现行-
发布日期:
1997-03-04 -
实施日期:
1997-09-01 出版语种:
简体中文下载格式:
.rar.pdf下载大小:
136.28 KB
替代情况:
JB/Z 271-1986采标情况:
MF 64-151,REF
首发日期:
1997-03-04复审日期:
2004-10-14起草单位:
西安交通大学发布部门:
国家技术监督局主管部门:
中国机械工业联合会相关标签:
间隙
点击下载
标准简介:
标准下载解压密码:www.bzxz.net
本标准规定了金属材料与非金属材料的冲裁间隙值,以及采用此间隙值时冲裁件可以达到的尺寸精度与剪切面质量水平。本标准适用于板料厚度为10mm以下的金属与非金属材料平板冲压件的普通冲裁。 GB/T 16743-1997 冲裁间隙 GB/T16743-1997
部分标准内容:
GB/T16743-1997
本标准是在JB/Z271—86《冲裁间隙》和HB/Z167—90《板料冲裁间隙》的基础.于,总结『国有关冲裁间隙的科研成果和生产经验,并参照美国工.具和制造工程师协会(ASTME)推荐的冲裁间隙资料(MF64-151)制订而放。
标准中保留了JB/Z271—86和HB/Z16790中实践证明切实可行的部分,补充修改了不完善的部分。遵照标准化工作导则(GB/T1.1-1993)的规定和表述规则,本标准增加了前言,还增加「第2.2条符号。技术内容补充修改的部分主要有:表2推荐金属材料的冲裁间隙道时,除了给定材料品种和牌号外,还列出了抗剪强度,这给其他金属材料采用类比法选用抗剪强度相近材料的间隙值提供了方便;考虑材料厚度对冲裁间隙值的影响,本标准将料厚分成五档,且数值连贯,克服了J13/7.271-86料厚数值不连贯的缺陷;非金属材料的冲裁间隙值则单独列于表3,这样层次清晰,便于查找。本标准由中华人民共和国机械工业部提出。本标准由全国锻压标准化技术委员会归口。本标准起草单位:西安交通大学。本标准主要起草人:储家佑、郭成本标准自实施之日起,JB/Z27186标准作废范围
中华人民共和国国家标准
冲裁间隙
Blanking clearance
GB/T 16743--1997
本标准规定了金属材料与非金属材料的冲裁间隙值,以及采用此间隙值时冲裁件可以达到的尺寸精度与剪切面质量水平。
本标准适用于板料厚度为10mm以下的金属与非金属材料平板冲压件的普通冲裁。2定义、符号
2.1定义
冲裁问隙·blanking clearance冲裁模具中叫模与凸模刃口侧壁之闻缝隙的距离。行
图1冲裁模示意图
2.2符号
c一冲裁间隙(单边间隙),mm;t--材料厚度,mm;
f-材料抗剪强度,MPa;
R-塌角高度(以料厚的百分比表示);B-光亮带高度(以料厚的百分比表示);F-断裂带高度(以料厚的百分比表示);α--断裂角,
h---毛刺高度,mm;
f-平面度,mm。
上述符号见图1及表1附图。
3冲裁间隙
3.1金属材料冲裁间隙
国家技术监督局1997-03-04批准60
1997-09-01实施
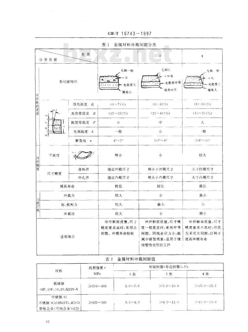
3.1.1金属材料冲裁隙分类
GB/T16743---1997
根据冲裁件尺寸精度、剪切面质量、模具寿命和力能消耗等主要因素,将金属材料冲裁问隙分成三种类型,即类(小间隙),Ⅱ类(中等问隙),Ⅲ类(大间隙),列了表1。3.1.2金属材料冲裁间隙档次
按金属材料的种类、供应状态、抗剪强度,给出相应了表1的三类冲裁间隙值,列于表2。3.2非金属材料冲裁间隙
常用非金属材料的冲裁间隙值,列于表3。4冲裁间隙选用原则与方法
4.1选用原则
4.1.1选用合理冲裁间隙值的主要依据是在保证冲裁件尺寸精度和满足剪切面质量要求的前提下,考虑模具寿命、模具结构、冲裁件尺寸与形状、生产条件等因素所占的权重综合分析后确定。4.1.2对下列情况,应酌情增减冲裁间隙值:a)在同样条件下,冲孔间隙比落料时可大些;b)冲小孔(一般为孔径d小于料厚)时凸模易折断,间隙应取大些。伯这时要采取有效措施,防止:废料回升;
c)硬质合金冲裁模应比钢模的间隙大30%左右;d)复合模的凸凹模壁单薄时.为防止胀裂,应放大冲孔凹模间隙;e)硅钢片随含硅量增加,间隙相应取天些:{)采用弹性压料装置时,间隙可大些;g)高速冲压时,模具容易发热,间隙应增大。如行程次数超过每分钟200次时.间隙应增人10%左石;
h)电火花穿孔加工凹模型孔时,其间隙应比磨削加工取小些加热冲裁时,间隙应减小;
j)叫模为斜壁刃口时,应比直壁刃口间隙小:k)对需攻丝的孔,间隙应取小些。4.1.3表2所列冲裁间隙值适用于厚度为10mm以下的金属材料,考虑到料厚对间隙的影响.将料厚分成≤1.0mm;>1.0~2.5mm;>2.5~4.5mm;4.5~7.0mm;≥7.0~10.0mm五档.当料厚为≤1,0mm时,各类间隙取其下限值,并以此为基数,随着料厚的增加,再逐档递增。4.1.4凸、凹模的制造偏差和磨损均使间隙变大,故新模具的初始间隙应取最小合理间隙,4.1.5落料时凹模尺寸为工件要求尺寸,间隙值由减小凸模尺寸获得;冲扎时凸模尺寸为工件孔要求尺寸,间隙值由增大凹模尺寸获得。4.2选用方法
4.2.1两步法
选用金属材料冲裁间隙时,应针对冲裁件技术要求、使用特点和特定的生产条件等因索,首先按表1确定拟采用的间隙类别,然后按表2相应选取该类间隙值,4.2.2类比法
其他金属材料的冲裁间隙值可参照表2中抗剪强度相近的材料选取。i1
分类依据
种件娜面质
冲件精度
剪训面特征
塌角高度
光亮带高度
断裂带高度
毛刺高度
断裂角
尺寸精度
模具寿命
冲裁力
卸、推料力
冲裁功
适用场合
低碳钢
落料件
冲孔件
GB/T 16743--1997
表1金属材料冲裁间隙分类
毛刺—般
“光亮带人
塌角小
(4~-7)
(35~-55)
4°~7°
接近凹模尺于
接近凸模尺寸
冲件断面质量,尺寸
精度要求高时,采用小
间隙。冲模寿命较短
毛刺小
光亮带中等
遍角中等
(6~-8)%
(25~40)%t
7° 2 8°
稍小于凹模尺寸
稍大于模尺寸
冲件断面质量、尺寸精
度一-般要求时,采用中等
间隙。因残余应力小,能
减少破裂现象,适用于继
续塑性变形的工件
表2金属材料冲裁间隙值
抗剪强度「
2210~400
08F、10F、10、20、Q235-A
碳钢45
不锈钢1Cr18Ni9Ti.4Cr13
膨胀含金(可伐合金)4J29
≥420-560
3. 5-8. 0
光亮带!
塌角大
(8~~10)%1
(15~25)%t
>8°~11°
小于凹模尺寸
大于品模尺寸
冲件断面质量、尺寸
精度要求不高时,应优
先采用大问隙,以利于
提高冲模存命
初始间隙(单边间隙),义t
>7. 0--10. 0
>8. 0~-11. 0
2> 10. 0~~ 12. 5
211. 0-15. 0
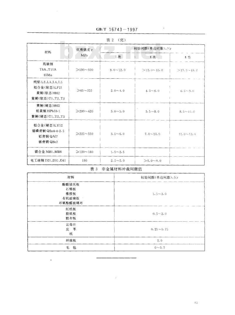
高碳钢
纯铝L2、L3、L.4、L.5
铝合金(软态)LF21
黄铜(软态)H62
紫铜(软态)T1、T2、T3
黄铜(硬态)H62
铅黄铜 HPb59-1
紫铜(硬态)T1、T2、T3
铝合金(硬态)LY12
锡磷青铜QSn4-4-2.5
铝青铜QA17
镀青铜QBe2
镁合金MB1、MB8
电工硅钢 D21、D31、D41
抗剪强度
2590~930
65~255
290~420
2225~550
≥120~180
GB/T 16743
表2(完)
8. 0-12. 0bzxZ.net
3. 5 ~~ 6. 0
1.5~2.5
初始间隙(单边间隙),t
12. 0~. 15. 0
>5.0~~9. 0
表3非金属材料冲裁间隙值
215. 918. 0
8.5 -~11. 0
11.0-~13.
初始间隙(单边间隙),%
酚醛层压板
石棉板
橡胶板
1.5~3.0
有机玻璃板
环氧酚醛玻璃布
红纸板
胶纸板
胶布板
云母片
0.25 ~0.75
纤维板
小提示:此标准内容仅展示完整标准里的部分截取内容,若需要完整标准请到上方自行免费下载完整标准文档。
本标准是在JB/Z271—86《冲裁间隙》和HB/Z167—90《板料冲裁间隙》的基础.于,总结『国有关冲裁间隙的科研成果和生产经验,并参照美国工.具和制造工程师协会(ASTME)推荐的冲裁间隙资料(MF64-151)制订而放。
标准中保留了JB/Z271—86和HB/Z16790中实践证明切实可行的部分,补充修改了不完善的部分。遵照标准化工作导则(GB/T1.1-1993)的规定和表述规则,本标准增加了前言,还增加「第2.2条符号。技术内容补充修改的部分主要有:表2推荐金属材料的冲裁间隙道时,除了给定材料品种和牌号外,还列出了抗剪强度,这给其他金属材料采用类比法选用抗剪强度相近材料的间隙值提供了方便;考虑材料厚度对冲裁间隙值的影响,本标准将料厚分成五档,且数值连贯,克服了J13/7.271-86料厚数值不连贯的缺陷;非金属材料的冲裁间隙值则单独列于表3,这样层次清晰,便于查找。本标准由中华人民共和国机械工业部提出。本标准由全国锻压标准化技术委员会归口。本标准起草单位:西安交通大学。本标准主要起草人:储家佑、郭成本标准自实施之日起,JB/Z27186标准作废范围
中华人民共和国国家标准
冲裁间隙
Blanking clearance
GB/T 16743--1997
本标准规定了金属材料与非金属材料的冲裁间隙值,以及采用此间隙值时冲裁件可以达到的尺寸精度与剪切面质量水平。
本标准适用于板料厚度为10mm以下的金属与非金属材料平板冲压件的普通冲裁。2定义、符号
2.1定义
冲裁问隙·blanking clearance冲裁模具中叫模与凸模刃口侧壁之闻缝隙的距离。行
图1冲裁模示意图
2.2符号
c一冲裁间隙(单边间隙),mm;t--材料厚度,mm;
f-材料抗剪强度,MPa;
R-塌角高度(以料厚的百分比表示);B-光亮带高度(以料厚的百分比表示);F-断裂带高度(以料厚的百分比表示);α--断裂角,
h---毛刺高度,mm;
f-平面度,mm。
上述符号见图1及表1附图。
3冲裁间隙
3.1金属材料冲裁间隙
国家技术监督局1997-03-04批准60
1997-09-01实施
3.1.1金属材料冲裁隙分类
GB/T16743---1997
根据冲裁件尺寸精度、剪切面质量、模具寿命和力能消耗等主要因素,将金属材料冲裁问隙分成三种类型,即类(小间隙),Ⅱ类(中等问隙),Ⅲ类(大间隙),列了表1。3.1.2金属材料冲裁间隙档次
按金属材料的种类、供应状态、抗剪强度,给出相应了表1的三类冲裁间隙值,列于表2。3.2非金属材料冲裁间隙
常用非金属材料的冲裁间隙值,列于表3。4冲裁间隙选用原则与方法
4.1选用原则
4.1.1选用合理冲裁间隙值的主要依据是在保证冲裁件尺寸精度和满足剪切面质量要求的前提下,考虑模具寿命、模具结构、冲裁件尺寸与形状、生产条件等因素所占的权重综合分析后确定。4.1.2对下列情况,应酌情增减冲裁间隙值:a)在同样条件下,冲孔间隙比落料时可大些;b)冲小孔(一般为孔径d小于料厚)时凸模易折断,间隙应取大些。伯这时要采取有效措施,防止:废料回升;
c)硬质合金冲裁模应比钢模的间隙大30%左右;d)复合模的凸凹模壁单薄时.为防止胀裂,应放大冲孔凹模间隙;e)硅钢片随含硅量增加,间隙相应取天些:{)采用弹性压料装置时,间隙可大些;g)高速冲压时,模具容易发热,间隙应增大。如行程次数超过每分钟200次时.间隙应增人10%左石;
h)电火花穿孔加工凹模型孔时,其间隙应比磨削加工取小些加热冲裁时,间隙应减小;
j)叫模为斜壁刃口时,应比直壁刃口间隙小:k)对需攻丝的孔,间隙应取小些。4.1.3表2所列冲裁间隙值适用于厚度为10mm以下的金属材料,考虑到料厚对间隙的影响.将料厚分成≤1.0mm;>1.0~2.5mm;>2.5~4.5mm;4.5~7.0mm;≥7.0~10.0mm五档.当料厚为≤1,0mm时,各类间隙取其下限值,并以此为基数,随着料厚的增加,再逐档递增。4.1.4凸、凹模的制造偏差和磨损均使间隙变大,故新模具的初始间隙应取最小合理间隙,4.1.5落料时凹模尺寸为工件要求尺寸,间隙值由减小凸模尺寸获得;冲扎时凸模尺寸为工件孔要求尺寸,间隙值由增大凹模尺寸获得。4.2选用方法
4.2.1两步法
选用金属材料冲裁间隙时,应针对冲裁件技术要求、使用特点和特定的生产条件等因索,首先按表1确定拟采用的间隙类别,然后按表2相应选取该类间隙值,4.2.2类比法
其他金属材料的冲裁间隙值可参照表2中抗剪强度相近的材料选取。i1
分类依据
种件娜面质
冲件精度
剪训面特征
塌角高度
光亮带高度
断裂带高度
毛刺高度
断裂角
尺寸精度
模具寿命
冲裁力
卸、推料力
冲裁功
适用场合
低碳钢
落料件
冲孔件
GB/T 16743--1997
表1金属材料冲裁间隙分类
毛刺—般
“光亮带人
塌角小
(4~-7)
(35~-55)
4°~7°
接近凹模尺于
接近凸模尺寸
冲件断面质量,尺寸
精度要求高时,采用小
间隙。冲模寿命较短
毛刺小
光亮带中等
遍角中等
(6~-8)%
(25~40)%t
7° 2 8°
稍小于凹模尺寸
稍大于模尺寸
冲件断面质量、尺寸精
度一-般要求时,采用中等
间隙。因残余应力小,能
减少破裂现象,适用于继
续塑性变形的工件
表2金属材料冲裁间隙值
抗剪强度「
2210~400
08F、10F、10、20、Q235-A
碳钢45
不锈钢1Cr18Ni9Ti.4Cr13
膨胀含金(可伐合金)4J29
≥420-560
3. 5-8. 0
光亮带!
塌角大
(8~~10)%1
(15~25)%t
>8°~11°
小于凹模尺寸
大于品模尺寸
冲件断面质量、尺寸
精度要求不高时,应优
先采用大问隙,以利于
提高冲模存命
初始间隙(单边间隙),义t
>7. 0--10. 0
>8. 0~-11. 0
2> 10. 0~~ 12. 5
211. 0-15. 0
高碳钢
纯铝L2、L3、L.4、L.5
铝合金(软态)LF21
黄铜(软态)H62
紫铜(软态)T1、T2、T3
黄铜(硬态)H62
铅黄铜 HPb59-1
紫铜(硬态)T1、T2、T3
铝合金(硬态)LY12
锡磷青铜QSn4-4-2.5
铝青铜QA17
镀青铜QBe2
镁合金MB1、MB8
电工硅钢 D21、D31、D41
抗剪强度
2590~930
65~255
290~420
2225~550
≥120~180
GB/T 16743
表2(完)
8. 0-12. 0bzxZ.net
3. 5 ~~ 6. 0
1.5~2.5
初始间隙(单边间隙),t
12. 0~. 15. 0
>5.0~~9. 0
表3非金属材料冲裁间隙值
215. 918. 0
8.5 -~11. 0
11.0-~13.
初始间隙(单边间隙),%
酚醛层压板
石棉板
橡胶板
1.5~3.0
有机玻璃板
环氧酚醛玻璃布
红纸板
胶纸板
胶布板
云母片
0.25 ~0.75
纤维板
小提示:此标准内容仅展示完整标准里的部分截取内容,若需要完整标准请到上方自行免费下载完整标准文档。
标准图片预览:





- 其它标准
- 热门标准
- 国家标准(GB)
- GB/T25000.30-2021 系统与软件工程 系统与软件质量要求和评价(SQuaRE)第30部分:质量需求框架
- GB/T16160-1996 服装人体测量的部位与方法
- GB/T11385-1989 信息处理 数据交换用200mm改进调频制记录的位密度为13262磁通翻转/弧度、道密度为1.9道/毫米的双面软磁盘 第二部分:磁道格式
- GB/T12564-1990 光电倍增管总规范(可供认证用)
- GB20294-2006 隔爆型起重冶金和屏蔽电机安全要求
- GB50753-2012 有色金属冶炼厂收尘设计规范
- GB/Z17624.7-2023 电磁兼容 综述 第7部分:非正弦条件下单相系统的功率因数
- GB2649-1989 焊接接头机械性能试验取样方法
- GB/T2855.13-1990 冲模滑动导向模座 四导柱上模座
- GB8083-1987 天然生胶标准橡胶取样
- GB/T15126-1994 信息处理系统 数据通信 网络服务定义
- GB/T11378-1989 金属覆盖层厚度 轮廓尺寸测量方法
- GB/T11606.6-1989 分析仪器环境试验方法 恒定湿度试验
- GB18464-2001 医用X射线治疗放射卫生防护要求
- GB/T5242-1985 硬质合金制品检验规则与试验方法
- 行业新闻
请牢记:“bzxz.net”即是“标准下载”四个汉字汉语拼音首字母与国际顶级域名“.net”的组合。 ©2025 标准下载网 www.bzxz.net 本站邮件:bzxznet@163.com
网站备案号:湘ICP备2025141790号-2
网站备案号:湘ICP备2025141790号-2