- 您的位置:
- 标准下载网 >>
- 标准分类 >>
- 国家标准(GB) >>
- GB/T 16579-1996 D001大孔强酸性苯乙烯系阳离子交换树脂
标准号:
GB/T 16579-1996
标准名称:
D001大孔强酸性苯乙烯系阳离子交换树脂
标准类别:
国家标准(GB)
标准状态:
现行-
发布日期:
1996-10-25 -
实施日期:
1997-05-01 出版语种:
简体中文下载格式:
.rar.pdf下载大小:
144.50 KB
标准ICS号:
橡胶和塑料工业>>塑料>>83.080.10热固性塑料中标分类号:
化工>>合成材料>>G32合成树脂、塑料

点击下载
标准简介:
标准下载解压密码:www.bzxz.net
本标准规定了D001大孔强酸性苯乙烯系阳离子交换树脂的要求、试验方法、检验规则、标志、包装、运输、贮存等。本标准适用于粒径为0.315mm~1.25mm,0.45mm~1.25mm,0.63mm~1.25mm含有磺酸基团的钠型D001大孔强酸性苯乙烯系阳离子交换树脂。 GB/T 16579-1996 D001大孔强酸性苯乙烯系阳离子交换树脂 GB/T16579-1996

部分标准内容:
GB/T16579-—1996
本标准的附录A是标准的附录。
本标准由中华人民共和国化学工业部提出。言
本标准由全国塑料标准化技术委员会塑料树脂产品分会(TC15/SC4)归口。本标准起草单位:沈阳有机化工厂。本标准主要起草人:杨寺平、王向利、江伟。1022
1范围
中华人民共和国国家标准
D001大孔强酸性苯乙烯
系阳离子交换树脂
D001 macroporous strongly acidicstyrene type cation exchange resinsGB/T16579—1996
本标准规定了D001大孔强酸性苯乙烯系阳离子交换树脂的要求、试验方法、检验规则、标志、包装、运输、贮存等。
本标准适用于粒径为0.315mm~1.25mm,0.45mm~1.25mm,0.63mm~1.25mm含有磺酸基团的钠型D001大孔强酸性苯乙烯系阳离子交换树脂。2引用标准
下列标准所包含的条文,通过在本标准中引用而构成为本标准的条文。本标准出版时,所示版本均为有效。所有标准都会被修订,使用本标准的各方应探讨使用下列标准最新版本的可能性。GB/T163183离子交换树脂分类、命名及型号GB/T5475--85离子交换树脂取样方法GB/T5476--1996离子交换树脂预处理方法GB/T5757--86离子交换树脂含水量测定方法GB/T5758—86离子交换树脂粒度分布测定方法GB/T 8144--87
阳离子交换树脂交换容量测定方法GB/T8330--87离子交换树脂湿真密度测定方法GB/T8331-87离子交换树脂湿视密度测定方法GB/T12598-90离子交换树脂强度测定方法渗磨法3技术要求
3.1分类与命名
D001、D001-FC、D001-SC、D001-MB大孔强酸性苯乙烯系阳离子交换树脂的型号编制参照GB/T1631。MB代表混床专用,FC代表浮床专用,SC代表双层床专用。3.2外观
驼色至褐色球状不透明颗粒。
3.3出厂型式
钠型。
3.4理化性能
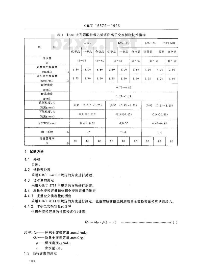
理化性能应符合表1中规定的各项技术指标。国家技术监督局1996-10-25批准1997-05-01实施
含水量
GB/T 16579-
表1D001大孔强酸性苯乙烯系阳离子交换树脂技术指标D001
优等品
质量全交换容量
mmol/g
体积全交换容量
mmol/mL
湿视密度
湿真密度
范围粒度,%
(粒径,mm)
下限粒度,%
(粒径.mm)
有效粒径、mm
均一系数
渗磨圆球率
试验方法
4.1外观
目测。
4.2试样预处理
合格品
45~~60
(0.315~~1.25)
《1(《0.315)
0.40~~0.70
采用GB/T5476中规定的方法进行处理。4.3含水量的测定
采用GB/T5757中规定的方法进行测定。4.4质量全交换容量和体积全交换容量的测定4.4.1质量全交换容量的测定
优等品
D001-FC
合格品
45~60
0.75~0.85
1.23~~1.28
≥95 (0.45~1.25)
≤1(≤0. 45)
D001-SC
优等品
D001-MB
合格品
(0. 63~1.25)
0.65~0.90
采用GB/T8144中规定的方法进行测定。氢型树脂和钠型树脂质量全交换容量换算见附录A。4.4.2体积全交换容量的计算
体积全交换容量的计算按式(1)计算:Qv= Qw\p(1 - r)
式中:Qv
体积全交换容量,mmol/mL;
Qw.质量全交换容量,mmol/g;
-湿视密度,g/mL,
含水量,%。bZxz.net
4.5湿视密度的测定
·(1)
GB/T 16579---1996
采GB/T8331中规定的方法进行测定4.6湿真密度的测定
采用GB/T8330中规定的方法进行测定。4.7粒度的测定
4.7.11)001树脂粒度的测定
采用(B/T5758中规定的方法进行测定。其中上限粒径为1.25mm,下限粒径为0.315mm。4.7.2D001-FC树脂粒度的测定
采用(B/T5758中规定的方法进行测定。其中上限粒径为1.25mm,下限粒径为0.45mm。4.7.3100]-SC和D001-MB树脂粒度的测定采用(13/T5758中规定的方法进行测定。其中上限粒径为1.25mm,下限粒径为0.63mm。4.8有效粒径和均-系数的测定
采用GB/T5758中规定的方法进行测定。4.9渗磨圆球率的测定
采用原样,不经筛分,采用GB/T12598中规定的渗磨圆球率的方法进行测定。5检验规则
5.1产品以每签为--批。
5.2采样按GB/T5475的规定进行取样。5.3每批产品必须由生产厂的质量检验部门进行检验,并保证出广的所有产品达到本标推规定的各项技术要求,并附有质量检验报告单。5.4本标准3.2外观和3.4表1中,含水量,质量全交换容量,体积全交换容量,湿视密度,D001、ID001-FC、D001-SC和D001-MB树脂的下限粒度,渗磨圆球率为出厂检验项目;湿真密度,D001、D001-FC、D001-SC和D001-MB树脂的范围粒度,有效粒径,均一系数为抽检项目,每月至少抽检一次,型式检验按GB1.3一88中6.6.1规定进行。5.5使用单位如需对所收到的产品进行检验,应按本标准规定进行。如需复验,应在收到产品三个月内向生产广提出。
5.6检验结果如有某项技术要求不符合本标准规定时,应重新自该批产品中两倍量的包装件中取样进行复验,以复验结果定等级。
5.7当供需双方对产品质量发生异议时,由双方协商解决或请法定质量监督检验部门进行仲裁。6标志、包装、运输、贮存
每…包装件上应有清晰、牢固的标志,标明产品名称、型号、净重、生产厂名和本标准号。产品应包装在内衬塑料袋的容器或编织袋中,每一包装件上应附有合格证。合格证应标明等级、批号和生产日期。
本系列产品由于含有-定水分,为不影响产品质量,在运输和贮存过程中,应保持在5℃~40℃的环境中,并注意不使树脂失水。在通风良好的室内贮存期为两年,超过贮存期可按本标准规定进行复验,若复验结果符合本标准要求,仍可使用。
本产品为非危险品。
GB/T 16579—1996
附录A
(标准的附录)
氢型树脂和钠型树脂质量全交换容量的换算氢型和钠型质量全交换容量按式(A1)计算:Qva
式中:Qa-一一钠型树脂质量全交换质量,mmol/g;-氢型树脂质量全交换质量,mmol/g;QH
22钠型和氢型树脂分子量之差。钠型和氢型树脂质量全交换容量换算表(见表A1)A2
钠型和氢型树脂质量全交换容量换算表表A1
........(Al )
mmol/g
GB/T 16579--1996
表A1(完)
mmol/g
小提示:此标准内容仅展示完整标准里的部分截取内容,若需要完整标准请到上方自行免费下载完整标准文档。
本标准的附录A是标准的附录。
本标准由中华人民共和国化学工业部提出。言
本标准由全国塑料标准化技术委员会塑料树脂产品分会(TC15/SC4)归口。本标准起草单位:沈阳有机化工厂。本标准主要起草人:杨寺平、王向利、江伟。1022
1范围
中华人民共和国国家标准
D001大孔强酸性苯乙烯
系阳离子交换树脂
D001 macroporous strongly acidicstyrene type cation exchange resinsGB/T16579—1996
本标准规定了D001大孔强酸性苯乙烯系阳离子交换树脂的要求、试验方法、检验规则、标志、包装、运输、贮存等。
本标准适用于粒径为0.315mm~1.25mm,0.45mm~1.25mm,0.63mm~1.25mm含有磺酸基团的钠型D001大孔强酸性苯乙烯系阳离子交换树脂。2引用标准
下列标准所包含的条文,通过在本标准中引用而构成为本标准的条文。本标准出版时,所示版本均为有效。所有标准都会被修订,使用本标准的各方应探讨使用下列标准最新版本的可能性。GB/T163183离子交换树脂分类、命名及型号GB/T5475--85离子交换树脂取样方法GB/T5476--1996离子交换树脂预处理方法GB/T5757--86离子交换树脂含水量测定方法GB/T5758—86离子交换树脂粒度分布测定方法GB/T 8144--87
阳离子交换树脂交换容量测定方法GB/T8330--87离子交换树脂湿真密度测定方法GB/T8331-87离子交换树脂湿视密度测定方法GB/T12598-90离子交换树脂强度测定方法渗磨法3技术要求
3.1分类与命名
D001、D001-FC、D001-SC、D001-MB大孔强酸性苯乙烯系阳离子交换树脂的型号编制参照GB/T1631。MB代表混床专用,FC代表浮床专用,SC代表双层床专用。3.2外观
驼色至褐色球状不透明颗粒。
3.3出厂型式
钠型。
3.4理化性能
理化性能应符合表1中规定的各项技术指标。国家技术监督局1996-10-25批准1997-05-01实施
含水量
GB/T 16579-
表1D001大孔强酸性苯乙烯系阳离子交换树脂技术指标D001
优等品
质量全交换容量
mmol/g
体积全交换容量
mmol/mL
湿视密度
湿真密度
范围粒度,%
(粒径,mm)
下限粒度,%
(粒径.mm)
有效粒径、mm
均一系数
渗磨圆球率
试验方法
4.1外观
目测。
4.2试样预处理
合格品
45~~60
(0.315~~1.25)
《1(《0.315)
0.40~~0.70
采用GB/T5476中规定的方法进行处理。4.3含水量的测定
采用GB/T5757中规定的方法进行测定。4.4质量全交换容量和体积全交换容量的测定4.4.1质量全交换容量的测定
优等品
D001-FC
合格品
45~60
0.75~0.85
1.23~~1.28
≥95 (0.45~1.25)
≤1(≤0. 45)
D001-SC
优等品
D001-MB
合格品
(0. 63~1.25)
0.65~0.90
采用GB/T8144中规定的方法进行测定。氢型树脂和钠型树脂质量全交换容量换算见附录A。4.4.2体积全交换容量的计算
体积全交换容量的计算按式(1)计算:Qv= Qw\p(1 - r)
式中:Qv
体积全交换容量,mmol/mL;
Qw.质量全交换容量,mmol/g;
-湿视密度,g/mL,
含水量,%。bZxz.net
4.5湿视密度的测定
·(1)
GB/T 16579---1996
采GB/T8331中规定的方法进行测定4.6湿真密度的测定
采用GB/T8330中规定的方法进行测定。4.7粒度的测定
4.7.11)001树脂粒度的测定
采用(B/T5758中规定的方法进行测定。其中上限粒径为1.25mm,下限粒径为0.315mm。4.7.2D001-FC树脂粒度的测定
采用(B/T5758中规定的方法进行测定。其中上限粒径为1.25mm,下限粒径为0.45mm。4.7.3100]-SC和D001-MB树脂粒度的测定采用(13/T5758中规定的方法进行测定。其中上限粒径为1.25mm,下限粒径为0.63mm。4.8有效粒径和均-系数的测定
采用GB/T5758中规定的方法进行测定。4.9渗磨圆球率的测定
采用原样,不经筛分,采用GB/T12598中规定的渗磨圆球率的方法进行测定。5检验规则
5.1产品以每签为--批。
5.2采样按GB/T5475的规定进行取样。5.3每批产品必须由生产厂的质量检验部门进行检验,并保证出广的所有产品达到本标推规定的各项技术要求,并附有质量检验报告单。5.4本标准3.2外观和3.4表1中,含水量,质量全交换容量,体积全交换容量,湿视密度,D001、ID001-FC、D001-SC和D001-MB树脂的下限粒度,渗磨圆球率为出厂检验项目;湿真密度,D001、D001-FC、D001-SC和D001-MB树脂的范围粒度,有效粒径,均一系数为抽检项目,每月至少抽检一次,型式检验按GB1.3一88中6.6.1规定进行。5.5使用单位如需对所收到的产品进行检验,应按本标准规定进行。如需复验,应在收到产品三个月内向生产广提出。
5.6检验结果如有某项技术要求不符合本标准规定时,应重新自该批产品中两倍量的包装件中取样进行复验,以复验结果定等级。
5.7当供需双方对产品质量发生异议时,由双方协商解决或请法定质量监督检验部门进行仲裁。6标志、包装、运输、贮存
每…包装件上应有清晰、牢固的标志,标明产品名称、型号、净重、生产厂名和本标准号。产品应包装在内衬塑料袋的容器或编织袋中,每一包装件上应附有合格证。合格证应标明等级、批号和生产日期。
本系列产品由于含有-定水分,为不影响产品质量,在运输和贮存过程中,应保持在5℃~40℃的环境中,并注意不使树脂失水。在通风良好的室内贮存期为两年,超过贮存期可按本标准规定进行复验,若复验结果符合本标准要求,仍可使用。
本产品为非危险品。
GB/T 16579—1996
附录A
(标准的附录)
氢型树脂和钠型树脂质量全交换容量的换算氢型和钠型质量全交换容量按式(A1)计算:Qva
式中:Qa-一一钠型树脂质量全交换质量,mmol/g;-氢型树脂质量全交换质量,mmol/g;QH
22钠型和氢型树脂分子量之差。钠型和氢型树脂质量全交换容量换算表(见表A1)A2
钠型和氢型树脂质量全交换容量换算表表A1
........(Al )
mmol/g
GB/T 16579--1996
表A1(完)
mmol/g
小提示:此标准内容仅展示完整标准里的部分截取内容,若需要完整标准请到上方自行免费下载完整标准文档。

标准图片预览:





- 热门标准
- 国家标准(GB)
- GB/T2828.1-2012 计数抽样检验程序 第1部分:按接收质量限(AQL)检索的逐批检验抽样计划
- GB/T710-2008 优质碳素结构钢热轧薄钢板和钢带
- GB/T22777-2019 数码信息历
- GB/T37649-2019 化妆品中硫柳汞和苯基汞的测定高效液相色谱-电感耦合等离子体质谱法
- GB50508-2010 涤纶工厂设计规范
- GB/T3289.26-1982 可锻铸铁管路连接件型式尺寸 内接头
- GB/T33049-2016 偏光片用光学薄膜 涂层附着力的测定方法
- GB/T21666-2008 尿吸收辅助器具 评价的一般指南
- GB/T228.1-2021 金属材料 拉伸试验 第1部分:室温试验方法
- GB4623-1994 环形预应力混凝土电杆
- GB/T11982.2-1996 聚氯乙烯卷材地板 第2部分:有基材有背涂层聚氯乙烯卷材地板
- GB/T22807-2008 皮革和毛皮 化学试验 六价铬含量的测定
- GB/T35608-2024 绿色产品评价 绝热材料
- GB29987-2014 食品安全国家标准 食品添加剂 胶基及其配料
- GB4943.1-2022 音视频、信息技术和通信技术设备 第1部分:安全要求
- 行业新闻
请牢记:“bzxz.net”即是“标准下载”四个汉字汉语拼音首字母与国际顶级域名“.net”的组合。 ©2025 标准下载网 www.bzxz.net 本站邮件:bzxznet@163.com
网站备案号:湘ICP备2025141790号-2
网站备案号:湘ICP备2025141790号-2