- 您的位置:
- 标准下载网 >>
- 标准分类 >>
- 国家标准(GB) >>
- GB/T 16577-1996 四羟基聚醚多元醇
标准号:
GB/T 16577-1996
标准名称:
四羟基聚醚多元醇
标准类别:
国家标准(GB)
标准状态:
现行-
发布日期:
1996-10-25 -
实施日期:
1997-05-01 出版语种:
简体中文下载格式:
.rar.pdf下载大小:
120.31 KB

点击下载
标准简介:
标准下载解压密码:www.bzxz.net
本标准规定了四羟基聚醚多醇403A、466H的要求、试验方法、检验规则及标志、包装运输、贮存等。本标准适用于由乙二胺、季戊四醇为起始剂在催化剂作用下与环氧丙烷、环氧乙烷开环聚合制得的403A、466H型聚醚多醇。 GB/T 16577-1996 四羟基聚醚多元醇 GB/T16577-1996

部分标准内容:
GB/T 16577—1996
本标准的附录 A 是标准的附录。前
本标准由中华人民共和国化学工业部提出。言
本标准由全国塑料标准化技术委员会塑料树脂产品分会(TC15/SC4)归口。本标准起草单位:天津石化公司第三石油化工厂。本标准主要起草人:李连凤、冯兆麟、田玲、王凤姣。832
中华人民共和国国家标准
四羟基聚醚多元醇
Tetra-hydroxy polyether polyolsGB/T16577---1996
本标准规定了四羟基聚醚多元醇403A,466H的要求,试验方法、检验规则及标志、包装运输、贮存等。
本标准适用于由乙二胺、季戊四醇为起始剂在催化剂作用下与环氧丙烷、环氧乙烷开环聚合制得的403A.466H型聚醚多元醇。
2引用标准
下列标准所包含的条文,通过在本标准中引用而构成为本标准的条文。本标准出版时,所示版本均为有效。所有标准都会被修订,使用本标准的各方应探讨使用下列标准最新版本的可能性。GB/T 60188化学试剂滴定分析(容量分析)用标准溶液的制备GB/T605—88化学试剂色度测定通用方法(eqvISO6353-1-1982)GB/T6678—86化工产品采样总则GB/T 6680—86
液体化工产品采样通则
GB/T6682—92分析实验室用水规格和试验方法(neqISO3696—1987)GB/T12008.1—89聚醚多元醇命名GB/T12008.2—89聚醚多元醇规格GB/T12008.3—89聚醚多元醇中羟值测定方法GB/T12008.4-89聚醚多元醇中钠和钾测定方法聚醚多元醇中水分含量测定方法GB/T 12008. 689
GB/T12008.7—92聚醚多元醇中不饱和度的测定GB/T 12008. 8—92
聚醚多元醇的粘度测定
3技术要求
3.1分类与命名
聚醚多元醇按GB/T12008.1进行分类命名。本标准适用的聚醚多元醇型号及主要用途如表1所示。表1聚醚多元醇型号及主要用途
聚氨酯硬质喷涂用主要原料
聚氨酯软质、冷模塑、高回弹泡沫塑料的主要原料国家技术监督局1996-10-25批准1997-05-01实施
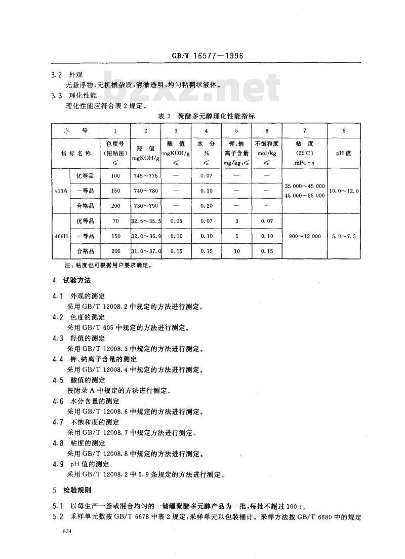
3.2外观
GB/T16577—1996
无悬浮物,无机械杂质,清澈透明,均匀粘稠状液体。3.3理化性能
理化性能应符合表2规定。
表2聚醚多元醇理化性能指标
指标名称
优等品
一-等品
合格品
优等品
一等品
合格品
色度号
(铂钴法)
mgKOH/g
mgKOH/g
745775
740~780
730~790
32.5~~35.5
32.0~36.0
31.0~37.0
注:粘度也可根据用户要求确定。4
试验方法
4.1外观的测定
采用GB/T12008.2中规定的方法进行测定。4.2色度的测定
采用GB/T605中规定的方法进行测定。4.3羟值的测定
采用GB/T12008.3中规定的方法进行测定。4.4钾、钠离子含量的测定
采用GB/T12008.4中规定的方法进行测定。4.5酸值的测定
按附录A中规定的方法进行测定。4.6水分含量的测定
采用GB/T12008.6中规定的方法进行测定。4.7不饱和度的测定
采用GB/T12008.7中规定方法进行测定。4.8粘度的测定
采用GB/T12008.8中规定的方法进行测定。4.9pH值的测定
钾、钠
离子含量
mg/kg,
采用GB/T12008.2中5.9条规定的方法进行测定。5检验规则
不饱和度
mol/kg
(25℃)Www.bzxZ.net
mPa·s
35 000~~45 000
45 000~55 000
900~12 000
5.1以每生产签或混合均匀的一储罐聚醚多元醇产品为一批,每批不超过100t。8
10.0~12.0
5.2采样单元数按GB/T6678中表2规定,采样单元以包装桶计。采样方法按GB/T6680中的规定834
GB/T16577—1996
进行。取样管必须干燥、清洁。总取样量不得少于500g,将取得的样品装入干燥、清洁的样品瓶中密封,注明产品名称、型号、批号、生产日期、取样日期、取样人。5.3每批产品由生产厂质量检验部门进行检验,并保证出厂的产品符合本标准要求,每批产品都应附有质量检验报告单。
5.4本标准3.2外观、3.3表2中的项目均为出厂检验项目。5.5使用单位如需对收到的产品进行检验,应按本标准进行。检验应在收到产品一个月内进行。5.6若某项检验结果不符合本标准规定时,应重新自该批产品中以两倍的采样单元数采样,对不合格项目进行复验,以复验结果定等级。5.7当供需双方对产品质量发生异议时,由双方协议解决或请法定质量检验部门仲裁。6标志、包装、运输、贮存
本产品包装桶上应有清晰、牢固的标志,标明产品的名称、型号、等级、净重、生产日期、批号、生产厂名及本标准号。
本产品包装容器为干燥过的镀锌铁桶(或其他清洁包装型式),包装桶盖要严格密封,并有外封盖,每桶净重200kg(或180kg)。每一包装件应附有质量合格证。本产品在运输中严防雨淋和污。本产品为非危险品。本产品在通风干燥的仓库内室温贮存。自生产之日起贮存期为半年,超过贮存期可按本标准规定进行检验,若符合质量要求,仍可使用。835
A1定义
GB/T16577—1996
附录A
(标准的附录)
酸值的测定
中和1试样中的酸性物质所需的氢氧化钾毫克数。A2原理
试样溶解于异丙醇和水的混合液中,以溴百里酚蓝为指示液,用氢氧化钾-甲醇标准滴定溶液直接滴定。
A3试剂
分析方法中应使用三级以上分析实验室用水(GB/T6682)。A3.1甲醇(GB/T683)。
A3.2 异丙醇(HG 3-1167)。
A3.3氢氧化钾(GB/T2306)-甲醇标准滴定溶液:c(KOH)=0.02mol/L,按GB/T601配制和标定。A3.4溴百里酚蓝指示液(1g/L):A3.4.1配制:称取0.10g溴百里酚蓝,溶于甲醇,用甲醇稀释至100mL。A4仪器
A4.1锥形瓶:250mL,带玻璃塞。A4.2滴定管:分度值为0.02mL。A4.3量简:100mL。
A5分析步骤
A5.1依次向250mL锥形瓶中加入50mL异丙醇,25mL水,约6~8滴溴百里酚蓝指示液摇匀。A5.2用氢氧化钾-甲醇标准滴定溶液(3.3)滴定至淡蓝色,保持15s不退色为终点。A5.3将此液倾入事先已称入10士0.1g试样的另一锥形瓶中摇荡,使试样充分溶解,再用氢氧化钾标准滴定溶液(A3.3)滴定至原来的淡蓝色,保持15s不退色为终点记下消耗标准滴定溶液的毫升数。同时做一平行试验。
A6测定结果的计算与表示
A6.1酸值按式(A1)计算:
V X c X 56. 1
式中:r-
酸值,mgKOH/g:
V—试样滴定时氢氧化钾-甲醇标准滴定溶液的用量,mL;C氢氧化钾-甲醇标准滴定溶液的浓度,mol /L;试样质量,g,
.(A1)
GB/T16577-1996
-1mol氢氧化钾(KOH)的质量,g/mol。A6.2测定结果以平行测定的两个结果算术平均值表示。837
小提示:此标准内容仅展示完整标准里的部分截取内容,若需要完整标准请到上方自行免费下载完整标准文档。
本标准的附录 A 是标准的附录。前
本标准由中华人民共和国化学工业部提出。言
本标准由全国塑料标准化技术委员会塑料树脂产品分会(TC15/SC4)归口。本标准起草单位:天津石化公司第三石油化工厂。本标准主要起草人:李连凤、冯兆麟、田玲、王凤姣。832
中华人民共和国国家标准
四羟基聚醚多元醇
Tetra-hydroxy polyether polyolsGB/T16577---1996
本标准规定了四羟基聚醚多元醇403A,466H的要求,试验方法、检验规则及标志、包装运输、贮存等。
本标准适用于由乙二胺、季戊四醇为起始剂在催化剂作用下与环氧丙烷、环氧乙烷开环聚合制得的403A.466H型聚醚多元醇。
2引用标准
下列标准所包含的条文,通过在本标准中引用而构成为本标准的条文。本标准出版时,所示版本均为有效。所有标准都会被修订,使用本标准的各方应探讨使用下列标准最新版本的可能性。GB/T 60188化学试剂滴定分析(容量分析)用标准溶液的制备GB/T605—88化学试剂色度测定通用方法(eqvISO6353-1-1982)GB/T6678—86化工产品采样总则GB/T 6680—86
液体化工产品采样通则
GB/T6682—92分析实验室用水规格和试验方法(neqISO3696—1987)GB/T12008.1—89聚醚多元醇命名GB/T12008.2—89聚醚多元醇规格GB/T12008.3—89聚醚多元醇中羟值测定方法GB/T12008.4-89聚醚多元醇中钠和钾测定方法聚醚多元醇中水分含量测定方法GB/T 12008. 689
GB/T12008.7—92聚醚多元醇中不饱和度的测定GB/T 12008. 8—92
聚醚多元醇的粘度测定
3技术要求
3.1分类与命名
聚醚多元醇按GB/T12008.1进行分类命名。本标准适用的聚醚多元醇型号及主要用途如表1所示。表1聚醚多元醇型号及主要用途
聚氨酯硬质喷涂用主要原料
聚氨酯软质、冷模塑、高回弹泡沫塑料的主要原料国家技术监督局1996-10-25批准1997-05-01实施
3.2外观
GB/T16577—1996
无悬浮物,无机械杂质,清澈透明,均匀粘稠状液体。3.3理化性能
理化性能应符合表2规定。
表2聚醚多元醇理化性能指标
指标名称
优等品
一-等品
合格品
优等品
一等品
合格品
色度号
(铂钴法)
mgKOH/g
mgKOH/g
745775
740~780
730~790
32.5~~35.5
32.0~36.0
31.0~37.0
注:粘度也可根据用户要求确定。4
试验方法
4.1外观的测定
采用GB/T12008.2中规定的方法进行测定。4.2色度的测定
采用GB/T605中规定的方法进行测定。4.3羟值的测定
采用GB/T12008.3中规定的方法进行测定。4.4钾、钠离子含量的测定
采用GB/T12008.4中规定的方法进行测定。4.5酸值的测定
按附录A中规定的方法进行测定。4.6水分含量的测定
采用GB/T12008.6中规定的方法进行测定。4.7不饱和度的测定
采用GB/T12008.7中规定方法进行测定。4.8粘度的测定
采用GB/T12008.8中规定的方法进行测定。4.9pH值的测定
钾、钠
离子含量
mg/kg,
采用GB/T12008.2中5.9条规定的方法进行测定。5检验规则
不饱和度
mol/kg
(25℃)Www.bzxZ.net
mPa·s
35 000~~45 000
45 000~55 000
900~12 000
5.1以每生产签或混合均匀的一储罐聚醚多元醇产品为一批,每批不超过100t。8
10.0~12.0
5.2采样单元数按GB/T6678中表2规定,采样单元以包装桶计。采样方法按GB/T6680中的规定834
GB/T16577—1996
进行。取样管必须干燥、清洁。总取样量不得少于500g,将取得的样品装入干燥、清洁的样品瓶中密封,注明产品名称、型号、批号、生产日期、取样日期、取样人。5.3每批产品由生产厂质量检验部门进行检验,并保证出厂的产品符合本标准要求,每批产品都应附有质量检验报告单。
5.4本标准3.2外观、3.3表2中的项目均为出厂检验项目。5.5使用单位如需对收到的产品进行检验,应按本标准进行。检验应在收到产品一个月内进行。5.6若某项检验结果不符合本标准规定时,应重新自该批产品中以两倍的采样单元数采样,对不合格项目进行复验,以复验结果定等级。5.7当供需双方对产品质量发生异议时,由双方协议解决或请法定质量检验部门仲裁。6标志、包装、运输、贮存
本产品包装桶上应有清晰、牢固的标志,标明产品的名称、型号、等级、净重、生产日期、批号、生产厂名及本标准号。
本产品包装容器为干燥过的镀锌铁桶(或其他清洁包装型式),包装桶盖要严格密封,并有外封盖,每桶净重200kg(或180kg)。每一包装件应附有质量合格证。本产品在运输中严防雨淋和污。本产品为非危险品。本产品在通风干燥的仓库内室温贮存。自生产之日起贮存期为半年,超过贮存期可按本标准规定进行检验,若符合质量要求,仍可使用。835
A1定义
GB/T16577—1996
附录A
(标准的附录)
酸值的测定
中和1试样中的酸性物质所需的氢氧化钾毫克数。A2原理
试样溶解于异丙醇和水的混合液中,以溴百里酚蓝为指示液,用氢氧化钾-甲醇标准滴定溶液直接滴定。
A3试剂
分析方法中应使用三级以上分析实验室用水(GB/T6682)。A3.1甲醇(GB/T683)。
A3.2 异丙醇(HG 3-1167)。
A3.3氢氧化钾(GB/T2306)-甲醇标准滴定溶液:c(KOH)=0.02mol/L,按GB/T601配制和标定。A3.4溴百里酚蓝指示液(1g/L):A3.4.1配制:称取0.10g溴百里酚蓝,溶于甲醇,用甲醇稀释至100mL。A4仪器
A4.1锥形瓶:250mL,带玻璃塞。A4.2滴定管:分度值为0.02mL。A4.3量简:100mL。
A5分析步骤
A5.1依次向250mL锥形瓶中加入50mL异丙醇,25mL水,约6~8滴溴百里酚蓝指示液摇匀。A5.2用氢氧化钾-甲醇标准滴定溶液(3.3)滴定至淡蓝色,保持15s不退色为终点。A5.3将此液倾入事先已称入10士0.1g试样的另一锥形瓶中摇荡,使试样充分溶解,再用氢氧化钾标准滴定溶液(A3.3)滴定至原来的淡蓝色,保持15s不退色为终点记下消耗标准滴定溶液的毫升数。同时做一平行试验。
A6测定结果的计算与表示
A6.1酸值按式(A1)计算:
V X c X 56. 1
式中:r-
酸值,mgKOH/g:
V—试样滴定时氢氧化钾-甲醇标准滴定溶液的用量,mL;C氢氧化钾-甲醇标准滴定溶液的浓度,mol /L;试样质量,g,
.(A1)
GB/T16577-1996
-1mol氢氧化钾(KOH)的质量,g/mol。A6.2测定结果以平行测定的两个结果算术平均值表示。837
小提示:此标准内容仅展示完整标准里的部分截取内容,若需要完整标准请到上方自行免费下载完整标准文档。

标准图片预览:





- 其它标准
- 热门标准
- 国家标准(GB)
- GB/T2828.1-2012 计数抽样检验程序 第1部分:按接收质量限(AQL)检索的逐批检验抽样计划
- GB/T710-2008 优质碳素结构钢热轧薄钢板和钢带
- GB/T22777-2019 数码信息历
- GB/T37649-2019 化妆品中硫柳汞和苯基汞的测定高效液相色谱-电感耦合等离子体质谱法
- GB50508-2010 涤纶工厂设计规范
- GB/T3289.26-1982 可锻铸铁管路连接件型式尺寸 内接头
- GB/T33049-2016 偏光片用光学薄膜 涂层附着力的测定方法
- GB/T21666-2008 尿吸收辅助器具 评价的一般指南
- GB/T228.1-2021 金属材料 拉伸试验 第1部分:室温试验方法
- GB4623-1994 环形预应力混凝土电杆
- GB/T11982.2-1996 聚氯乙烯卷材地板 第2部分:有基材有背涂层聚氯乙烯卷材地板
- GB/T22807-2008 皮革和毛皮 化学试验 六价铬含量的测定
- GB/T35608-2024 绿色产品评价 绝热材料
- GB29987-2014 食品安全国家标准 食品添加剂 胶基及其配料
- GB4943.1-2022 音视频、信息技术和通信技术设备 第1部分:安全要求
- 行业新闻
请牢记:“bzxz.net”即是“标准下载”四个汉字汉语拼音首字母与国际顶级域名“.net”的组合。 ©2025 标准下载网 www.bzxz.net 本站邮件:bzxznet@163.com
网站备案号:湘ICP备2025141790号-2
网站备案号:湘ICP备2025141790号-2