- 您的位置:
- 标准下载网 >>
- 标准分类 >>
- 机械行业标准(JB) >>
- JB/T 4251-1999 摩擦焊 通用技术条件
- 标准号: - JB/T 4251-1999
- 标准名称: - 摩擦焊 通用技术条件
- 标准类别: - 机械行业标准(JB)
- 标准状态: 现行
- 
          	发布日期: 1999-06-24
- 
		 实施日期: 2000-01-01
- 出版语种: 简体中文
- 下载格式: .rar.pdf
- 下载大小: 112.92 KB
- 替代情况: JB 4251-1986
 标准简介/下载
标准简介/下载点击下载
标准简介:
										 标准下载解压密码:www.bzxz.net
					 					 
						 
	        
	      JB/T 4251-1999 本标准上对 JB 4251-86《摩擦焊 通用技术条件》的修订,修订时仅按有关规定作了编辑性修改,技术内容没有改变。 本标准规定了实施摩擦焊的基本规则及要求。 本标准适用于钢材、铝及铝合金、铜及铜合金等母材之间圆形端面工件的摩擦焊。 本标准于 1986 年 7 月 4 日首次发布。 JB/T 4251-1999 摩擦焊 通用技术条件 JB/T4251-1999
 标准内容
标准内容部分标准内容:
					
					JB/T4251—1999
本标准是对JB4251-86《摩擦焊
通用技术条件》进行的修订。修订时,对原标准做了编辑性修改,其主要技术内容没有变化
本标准自实施之日起代替JB4251--86。本标准的附录A是标准的附录。
本标准由全国焊接标准化技术委员会提出并归口。本标准负责起草单位:哈尔滨焊接研究所。本标准主要起草人:才荫先、刘伯越、丁成法、陶惠芳、阎淑梅。本标准于1986年首次发布,本次修订系首次修订。411
中华人民共和国机械行业标准
摩擦焊
通用技术条件
Friction welding-General requirements本标准规定了实施摩擦焊的基本规则及要求。JB/T4251—1999
代替JB4251-86
本标准适用于钢材、铝及铝合金、铜及铜合金等母材之间圆形端面工件的摩擦焊。2 引用标准
下列标准所包含的条文,通过在本标准中引用而构成为本标准的条文。本标准出版时,所示版本均为有效。所有标准都会被修订,使用本标准的各方应探讨使用下列标准最新版本的可能性。JB/T8086—1995摩擦焊机
3术语
3.1伸出量
坏件在主轴夹头、滑板夹头或模子外伸出(悬臂部分)的长度。3.2摩擦时间
焊接时,从摩擦开始到顶锻开始的间隔时间。3.3刹车时间
焊接时,从焊件转速开始下降到转速为零的间隔时间。3.4摩擦变形量
摩擦加热阶段焊件的缩短量。
3.5总变形量
焊接结束后,焊件总的缩短量。4焊工
4.1焊工需经技术培训、考核合格后,方可参加生产操作。4.2焊工焊接时要严格执行操作规程,并随时接受检查。5焊机
使用的摩擦焊机应符合JB/T8086的规定。6坏件
6.1坏件材料必须符合相应的标准,并具有质量合格证书。如证明书不全或对材质有怀疑时,应进行复检,合格品方可使用。
6.2坏件型式及尺寸应按设计要求进行机械加工,焊接端面应与轴线垂直。除对端面形式有特殊要求的产品外,垂直度偏差应小于直径的1%,且不得大于0.5mm。国家机械工业局1999-06-24批准412
2000-01-01卖施
JB/T4251—1999
6.3坏件的焊接部位不准有裂纹、夹层、过深的凹痕以及局部腐蚀等缺陷,必要时还要按工艺文件规定进行无损检验。
6.4坏件的焊接端面不可带有油、锈、氧化膜等。7焊接
7.1新产品或老产品更换材料时,在正式投人生产前必须进行焊接工艺试验,并对选定的焊接参数、焊接工艺进行工艺评定,编写工艺文件,制定操作规程,然后方能投人生产。7.2重要产品生产时,应按表1规定的项目填写数据并存档。表1摩擦焊接规范
产品名称
材料牌号
伸出量
焊件号
模具外伸出量
焊接部分尺寸(草图)
转速n
摩擦pM
变形量
总量N
焊接日期
焊工姓名
摩擦M
7.3坏件应牢固夹紧,不得沿轴向或旋转方向打滑。同轴度应按焊机精度和工件要求确定。7.4坏件的伸出量应根据坏件材料和尺寸确定。删度应满足防止焊接时产生振动的要求。刹车
7.5焊接有空淬裂纹倾向的材料时,一般应在焊后采取保温缓冷措施(方法按工艺文件规定)。7.6焊接时,环境温度应在℃以上。8检验
8.1焊接质量检验人员需经必要的技术培训和考核,并要严格遵守检验操作规程,正确掌撞焊缝质量检验标准。
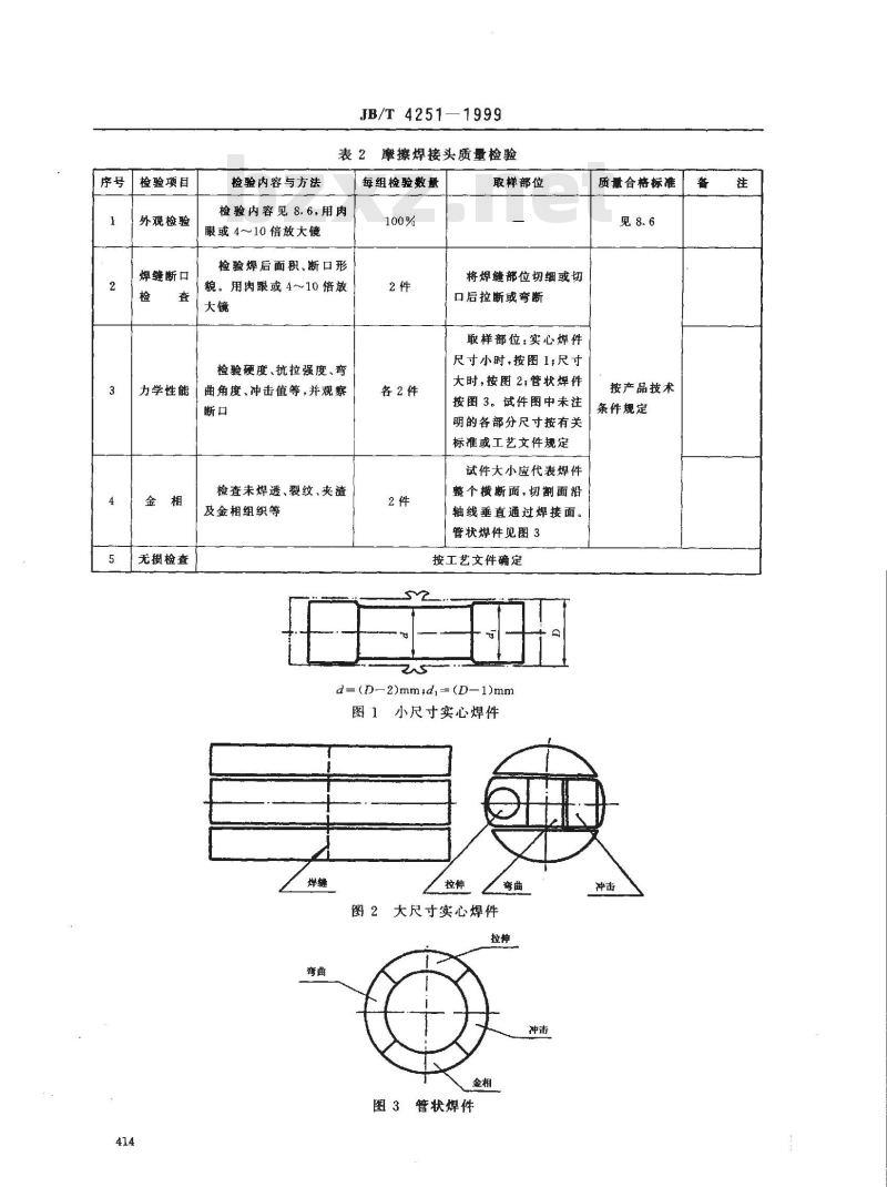
8.2焊件质量检验项目见表2。如另有特殊检验要求时,应在工艺文件中注明。413
序号检验项目
外观检验
焊缝断口
力学性能
无损检查
检验内容与方法
JB/T4251—1999
表2摩擦焊接头质量检验
每组检验数量
检验内容见8.6,用肉
眼或4~~10倍放大镜
检验焊后面积,断口形
貌。用肉眼或 4~10倍放
检验硬度、抗拉强度、弯
曲角度、冲击值等,并观察
检查未焊透、裂纹、夹渣
及金相组织等
各2件
取样部位
将焊缝部位切细或切
口后拉断或弯断
取样部位:实心焊件
尺寸小时,按图1;尺寸此内容来自标准下载网
大时,按图2;管状焊件
按图3。试件图中未注
明的各部分尺寸按有关
标准或工艺文件规定
试件大小应代表焊件
整个横断面,切割面沿
轴线垂直通过焊接面。
管状焊件见图3
按工艺文件确定
d=(D-2)mmd,=(D-1)mm
图1小尺寸实心焊件
图2大尺寸实心焊件
图3 管状焊件
质量合格标准
按产品技术
条件规定
JB/T4251--1999
8.3焊后需进行热处理的产品,拉伸、弯曲、冲击试样应与产品同炉热处理。8.4当调整焊机、维修焊机、每次故障、参数报警等情况发生时要做质量检查(检查项目按工艺文件确定)。待质量合格后,方可继续生产。8.5正常生产时,除进行百分之百的外观检验外,每批焊件取一组试样进行破坏性检验(检验项目按工艺文件要求确定,每批不超过1000件)。检验结果如有某项不合格时,对该不合格项目做加倍复检;如果仍不合格,该批产品为不合格。8.6外观检查
8.6.1焊件飞边大小适中,沿圆周方向均匀分布,焊缝金属封闭良好。8.6.2焊件几何形状、尺寸应符合工艺文件规定(如同轴度、直线度、圆度、长度和直径等)。8.6.3焊件焊缝直径至少应比母材直径大0.5~1mm。8.6.4去掉飞边后,焊件表面不允许有裂纹。8.7管状焊件应按技术文件规定进行气压、水压和压扁等检验。9文件
产品质量备查文件包括下列内容:a)每班填写的焊接记录卡[格式及内容见附录A(标准的附录);b)每批焊件材料的质量合格证和分析检验结果;c)每种产品的焊接工艺评定书和工艺规程;d)每批焊件的质量检验结果。
产品名称
焊接设备型号
车间主任
或调度
材料牌号
焊件批号
JB/T 4251-1999
附录A
(标准的附录)
焊接工艺记录卡格式及内容
焊件尺寸
转速n
班组长
焊件数
焊工姓名
顶锻pD
车间工艺员姓名
库擦tm
检查员
焊接日期
剩车 t
小提示:此标准内容仅展示完整标准里的部分截取内容,若需要完整标准请到上方自行免费下载完整标准文档。
	 
	        
	      本标准是对JB4251-86《摩擦焊
通用技术条件》进行的修订。修订时,对原标准做了编辑性修改,其主要技术内容没有变化
本标准自实施之日起代替JB4251--86。本标准的附录A是标准的附录。
本标准由全国焊接标准化技术委员会提出并归口。本标准负责起草单位:哈尔滨焊接研究所。本标准主要起草人:才荫先、刘伯越、丁成法、陶惠芳、阎淑梅。本标准于1986年首次发布,本次修订系首次修订。411
中华人民共和国机械行业标准
摩擦焊
通用技术条件
Friction welding-General requirements本标准规定了实施摩擦焊的基本规则及要求。JB/T4251—1999
代替JB4251-86
本标准适用于钢材、铝及铝合金、铜及铜合金等母材之间圆形端面工件的摩擦焊。2 引用标准
下列标准所包含的条文,通过在本标准中引用而构成为本标准的条文。本标准出版时,所示版本均为有效。所有标准都会被修订,使用本标准的各方应探讨使用下列标准最新版本的可能性。JB/T8086—1995摩擦焊机
3术语
3.1伸出量
坏件在主轴夹头、滑板夹头或模子外伸出(悬臂部分)的长度。3.2摩擦时间
焊接时,从摩擦开始到顶锻开始的间隔时间。3.3刹车时间
焊接时,从焊件转速开始下降到转速为零的间隔时间。3.4摩擦变形量
摩擦加热阶段焊件的缩短量。
3.5总变形量
焊接结束后,焊件总的缩短量。4焊工
4.1焊工需经技术培训、考核合格后,方可参加生产操作。4.2焊工焊接时要严格执行操作规程,并随时接受检查。5焊机
使用的摩擦焊机应符合JB/T8086的规定。6坏件
6.1坏件材料必须符合相应的标准,并具有质量合格证书。如证明书不全或对材质有怀疑时,应进行复检,合格品方可使用。
6.2坏件型式及尺寸应按设计要求进行机械加工,焊接端面应与轴线垂直。除对端面形式有特殊要求的产品外,垂直度偏差应小于直径的1%,且不得大于0.5mm。国家机械工业局1999-06-24批准412
2000-01-01卖施
JB/T4251—1999
6.3坏件的焊接部位不准有裂纹、夹层、过深的凹痕以及局部腐蚀等缺陷,必要时还要按工艺文件规定进行无损检验。
6.4坏件的焊接端面不可带有油、锈、氧化膜等。7焊接
7.1新产品或老产品更换材料时,在正式投人生产前必须进行焊接工艺试验,并对选定的焊接参数、焊接工艺进行工艺评定,编写工艺文件,制定操作规程,然后方能投人生产。7.2重要产品生产时,应按表1规定的项目填写数据并存档。表1摩擦焊接规范
产品名称
材料牌号
伸出量
焊件号
模具外伸出量
焊接部分尺寸(草图)
转速n
摩擦pM
变形量
总量N
焊接日期
焊工姓名
摩擦M
7.3坏件应牢固夹紧,不得沿轴向或旋转方向打滑。同轴度应按焊机精度和工件要求确定。7.4坏件的伸出量应根据坏件材料和尺寸确定。删度应满足防止焊接时产生振动的要求。刹车
7.5焊接有空淬裂纹倾向的材料时,一般应在焊后采取保温缓冷措施(方法按工艺文件规定)。7.6焊接时,环境温度应在℃以上。8检验
8.1焊接质量检验人员需经必要的技术培训和考核,并要严格遵守检验操作规程,正确掌撞焊缝质量检验标准。
8.2焊件质量检验项目见表2。如另有特殊检验要求时,应在工艺文件中注明。413
序号检验项目
外观检验
焊缝断口
力学性能
无损检查
检验内容与方法
JB/T4251—1999
表2摩擦焊接头质量检验
每组检验数量
检验内容见8.6,用肉
眼或4~~10倍放大镜
检验焊后面积,断口形
貌。用肉眼或 4~10倍放
检验硬度、抗拉强度、弯
曲角度、冲击值等,并观察
检查未焊透、裂纹、夹渣
及金相组织等
各2件
取样部位
将焊缝部位切细或切
口后拉断或弯断
取样部位:实心焊件
尺寸小时,按图1;尺寸此内容来自标准下载网
大时,按图2;管状焊件
按图3。试件图中未注
明的各部分尺寸按有关
标准或工艺文件规定
试件大小应代表焊件
整个横断面,切割面沿
轴线垂直通过焊接面。
管状焊件见图3
按工艺文件确定
d=(D-2)mmd,=(D-1)mm
图1小尺寸实心焊件
图2大尺寸实心焊件
图3 管状焊件
质量合格标准
按产品技术
条件规定
JB/T4251--1999
8.3焊后需进行热处理的产品,拉伸、弯曲、冲击试样应与产品同炉热处理。8.4当调整焊机、维修焊机、每次故障、参数报警等情况发生时要做质量检查(检查项目按工艺文件确定)。待质量合格后,方可继续生产。8.5正常生产时,除进行百分之百的外观检验外,每批焊件取一组试样进行破坏性检验(检验项目按工艺文件要求确定,每批不超过1000件)。检验结果如有某项不合格时,对该不合格项目做加倍复检;如果仍不合格,该批产品为不合格。8.6外观检查
8.6.1焊件飞边大小适中,沿圆周方向均匀分布,焊缝金属封闭良好。8.6.2焊件几何形状、尺寸应符合工艺文件规定(如同轴度、直线度、圆度、长度和直径等)。8.6.3焊件焊缝直径至少应比母材直径大0.5~1mm。8.6.4去掉飞边后,焊件表面不允许有裂纹。8.7管状焊件应按技术文件规定进行气压、水压和压扁等检验。9文件
产品质量备查文件包括下列内容:a)每班填写的焊接记录卡[格式及内容见附录A(标准的附录);b)每批焊件材料的质量合格证和分析检验结果;c)每种产品的焊接工艺评定书和工艺规程;d)每批焊件的质量检验结果。
产品名称
焊接设备型号
车间主任
或调度
材料牌号
焊件批号
JB/T 4251-1999
附录A
(标准的附录)
焊接工艺记录卡格式及内容
焊件尺寸
转速n
班组长
焊件数
焊工姓名
顶锻pD
车间工艺员姓名
库擦tm
检查员
焊接日期
剩车 t
小提示:此标准内容仅展示完整标准里的部分截取内容,若需要完整标准请到上方自行免费下载完整标准文档。
 标准图片预览
标准图片预览 标准图片预览:





- 其它标准
- 热门标准
- 机械行业标准(JB)
- JB/T7895-2008 永磁筒式磁选机
- JB/T10930-2010 200级耐电晕漆包铜圆线
- JB/T10288-2001 连栋温室结构
- JB/T10056-1999 直流电流互感器 技术条件
- JB/T2756-2006 无轨电车用炭滑块
- JB/T3411.50-1999 两爪顶拔器 尺寸
- JB/T7140.1-1993 牲畜药浴机械 型式与基本参数
- JB/T9933.2-1999 小模数齿轮滚齿机 精度检验
- JB/T20086-2006 药用容器 料斗
- JB/T5934-1991 工程机械门锁 技术条件
- JB/T8108.2-1999 起重用短环链 用于葫芦的其他起重设备的T(8)级校准链条
- JB/T8528-1997 普通型阀门电动装置 技术条件
- JB/T9768-1999 内燃机 气缸套平台珩磨网纹 技术规范及检测方法
- JB/T5000.14-2007 重型机械通用技术条件 第14部分:铸钢件无损探伤
- JB/T8679-2008 炭弧气刨炭棒 物理及使用性能试验方法
- 行业新闻
请牢记:“bzxz.net”即是“标准下载”四个汉字汉语拼音首字母与国际顶级域名“.net”的组合。 ©2025 标准下载网 www.bzxz.net 本站邮件:bzxznet@163.com
网站备案号:湘ICP备2025141790号-2
网站备案号:湘ICP备2025141790号-2
