- 您的位置:
- 标准下载网 >>
- 标准分类 >>
- 机械行业标准(JB) >>
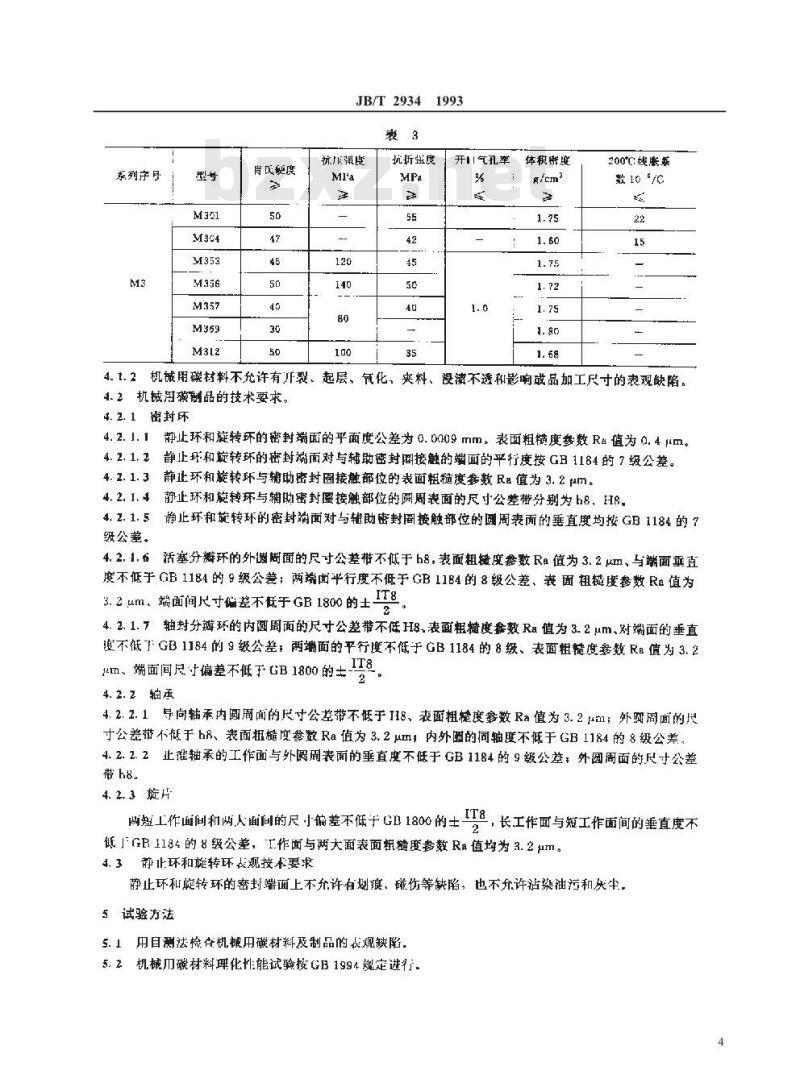
- JB/T 2934-1993 机械用碳材料及制品
标准号:
JB/T 2934-1993
标准名称:
机械用碳材料及制品
标准类别:
机械行业标准(JB)
标准状态:
已作废-
发布日期:
1993-08-21 -
实施日期:
1993-10-01 -
作废日期:
2007-07-01 出版语种:
简体中文下载格式:
.rar.pdf下载大小:
121.19 KB

标准图片预览:





- 其它标准
- 热门标准
- 机械行业标准(JB)
- JB/T6882-2006 泵可靠性验证试验
- JB/T9592.2-1999 全金属12角法兰面锁紧螺母 技术条件
- JB/T4718-1992 管壳式换热器用金属包垫片
- JB8734.2-1998 额定电压 450/750V及以下聚氯乙烯绝缘电缆电线和软线第2部分: 固定布线用电缆电线
- JB/T10325-2002 锅炉除氧器 技术条件
- JB/T10187-2011 滚动轴承 深沟球轴承振动
- JB/T7991.4-2001 电镀超硬磨料制品 磨头
- JBJ10-1996 机械工厂采暖通风与空气调节设计规范
- JB/T2740-2008 工业机械电气设备 电气图、图解和表的绘制
- JB/T6313.2-1992 电工铜编织线 斜纹编织线
- JB/T10472-2005 光轮压路机
- JB/T8103.7-2008 碟式分离机 第7部分:酵母分离机
- JB/T8746.5-2008 塑料异型材挤出模零件 第5部分:定型块
- JB/T5917-2006 袋式除尘器用滤袋框架
- JB/T6504-1992 汽轮机油漆 典型工艺
- 行业新闻
请牢记:“bzxz.net”即是“标准下载”四个汉字汉语拼音首字母与国际顶级域名“.net”的组合。 ©2009 标准下载网 www.bzxz.net 本站邮件:bzxznet@163.com
网站备案号:湘ICP备2023016450号-1
网站备案号:湘ICP备2023016450号-1