- 您的位置:
- 标准下载网 >>
- 标准分类 >>
- 机械行业标准(JB) >>
- JB/T 2858.1-1999 螺纹磨床 参数
标准号:
JB/T 2858.1-1999
标准名称:
螺纹磨床 参数
标准类别:
机械行业标准(JB)
标准状态:
现行-
发布日期:
1999-05-20 -
实施日期:
2000-01-01 出版语种:
简体中文下载格式:
.rar.pdf下载大小:
119.99 KB
替代情况:
JB 2858-80
点击下载
标准简介:
标准下载解压密码:www.bzxz.net
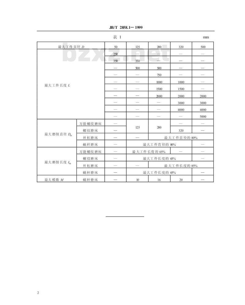
JB/T 2858.1-1999 本标准是对 JB 2825-80《螺纹磨床 参数》的修订,修订时仅按有关规定作了编辑性修改,技术内容未改变。 本标准是 JB/T 2858《螺纹磨床》系列标准的一部分,该系列标准包括以下四个部分: JB/T 2858.1-1999 螺纹磨床 参数 JB/T 2858.2-1999 螺纹磨床 系列型谱 JB/T 2858.3-1999 螺纹磨床 精度检验 JB/T 2858.4-1999 螺纹磨床 技术条件 本标准规定了螺纹磨床的参数。 本标准适用于新设计的工作台移动式和砂轮架移动式的螺纹磨床、万能螺纹磨床、丝杠磨床和蜗杆磨床。 本标准于 1980 年 7 月首次发布。 JB/T 2858.1-1999 螺纹磨床 参数 JB/T2858.1-1999
标准图片预览:





- 其它标准
- 热门标准
- 机械行业标准(JB)
- JB/T7893.1-1999 立式振动离心机
- JB/T7899-1999 填充聚四氟乙烯软带导轨 技术条件
- JB/T7938-1999 液压泵站油箱公称容量系列
- JB/T1625-2002 工业锅炉焊接管孔
- JB/T7850-1995 手夹快换接头
- JB/T7952-1995 空气净化器
- JB/T8009.4-1999 机床夹具零件及部件 弧形压块
- JB/T7936-1999 直廓环面蜗杆减速器
- JB/T7939-1999 单活塞杆液压缸两腔面积比
- JB/T7941.2-1995 旋入式圆形油杯
- JB/T7946.2-1999 铸造铝硅合金过烧
- JB/T7925.2-1995 滑动轴承 多层轴承减摩合金硬度检验方法
- JB/T6375-1992 气动阀用橡胶密封圈 尺寸系列和公差
- JB/T7828-1995 继电器及其装置包装贮运技术条件
- JB/T7945-1999 灰铸铁机械性能试验方法
- 行业新闻
请牢记:“bzxz.net”即是“标准下载”四个汉字汉语拼音首字母与国际顶级域名“.net”的组合。 ©2025 标准下载网 www.bzxz.net 本站邮件:bzxznet@163.com
网站备案号:湘ICP备2025141790号-2
网站备案号:湘ICP备2025141790号-2