- 您的位置:
- 标准下载网 >>
- 标准分类 >>
- 国家标准(GB) >>
- GB 5013.4-1997 额定电压450/750V及以下橡皮绝缘电缆 第4部分:软线和软电缆
【国家标准(GB)】 额定电压450/750V及以下橡皮绝缘电缆 第4部分:软线和软电缆
本网站 发布时间:
2024-08-04 11:58:00
- GB5013.4-1997
- 已作废
- 点击下载此标准
标准号:
GB 5013.4-1997
标准名称:
额定电压450/750V及以下橡皮绝缘电缆 第4部分:软线和软电缆
标准类别:
国家标准(GB)
英文名称:
Rubber insulated cables of rated voltage 450/750V and below Part 4: Flexible cords and cables标准状态:
已作废-
发布日期:
1997-10-13 -
实施日期:
1998-10-01 -
作废日期:
2008-09-01 出版语种:
简体中文下载格式:
.rar.pdf下载大小:
418.78 KB
替代情况:
替代GB 3958-1983 GB 5013.2-1985;被GB/T 5013.4-2008代替采标情况:
idt IEC 245-4:1994
点击下载
标准简介:
标准下载解压密码:www.bzxz.net
本部分详述了额定电压450/750V及以下橡皮绝缘编织软线和橡皮绝缘橡皮或氯丁或其他相当的合成弹性体护套软线和软电缆的产品技术要求。所有电缆应符合GB 5013.1规定的相应要求,并且每种型号电缆应各自符合本部分的特殊要求。 GB 5013.4-1997 额定电压450/750V及以下橡皮绝缘电缆 第4部分:软线和软电缆 GB5013.4-1997
部分标准内容:
中华人民共和国国家标准
额定电压450/750V及以下橡皮绝缘电缆第4部分:软线和软电缆
Rubber insulated cables of ratedyoltages up to and including 450/750vPart 4;Cords and flexible cables1摄述
1.1范蛋
GB 5013. 4—1997
Idt IEC 245-4+ 1994
代替GH3958
GB 5013. 2—85
GB5013第4部分详述了额定电压450/750V及以下橡皮绝缘编织软线和橡皮绝缘橡皮或氯丁或其他相当的合成弹性体护套软线和软电的产品技术要求。所有电缆应符合GB5013.1规定的相应要求,并且每种型号电缆应各自符合本部分的特殊要求。1.2引用标准
下列标准所包含的条文,通过在本标准中引用而构成为本标准的条文。本标推出版时,所示版本均为有效。所有标准都会被修订,使用本标准的各方应探讨使用下列标准最新版本的可能性。GB/T2951.1—1997电缆绝缘和护套材料通用试验方法第1部分:通用试验方法第1节,厚度和外形尺寸测量一一机械性能试验电缆绝缘和护套材料通用试验方法第1部分:通用试验方法第2节:热GB/T2951.2-1997
老化试验方法
GB/T 2951.4—1997
电缆绝缘和护套材料通用试验方法第1部分:通用试验方法第4节:低温试验
电缆绝缘和护套材料通用试验方法第2部分,弹性体混合料专用试验方GB/T 2951.5-1997
法第1节:耐臭氧试验一—热延伸试验一一浸矿物油试验GB5013.1-1997额定电压450/750V及以下橡皮绝缘电缆第1部分:一般要求7额定电压450/750V及以下橡皮绝缘电缆第2部分:试验方法GB5013.2—1997
GB/T 3956—1997
电缆的导体
2缩织软线
2.1型号
245 IEC 51(RX),
2.2额定电压
300/300 V.
2.3结构
2.3.1导体
芯数:2芯或3芯。
导体应符合GB/T3956—1997第6种导体规定的要求,20C时的导体最大电阻值可增加3%,单线国家技术监督局1997-10-13批准1998-10-01实施
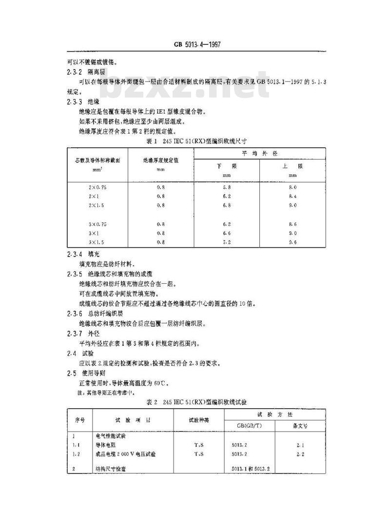
可以不镀锡或镀。
2.3.2隔离层
CB 5013. 4—1997
可以在每根导体外面绕包一层由合适材料制成的隔高层,有关要求见GB5013.1一1997的5.1.3规定。
2.3.3绝缘
绝缘应是包覆在每根导体上的LE1 型橡皮混合物。如果不来用挤包,绝缘应至少由两层组成。绝缘厚度应符合表1第2栏的规定值。表1245IEC51(RX)型编织软线尺寸芯数及导体标称截面
2 × 0.75
2.3.4填充
填充物应是纺纤材料
绝缴厚度规定值
2.3.5绝缘线芯和境充物的成缅
绝缘线芯和纺纤填充物应绞合在一起。可在成缆线芯中间放置填充物。下
平均外径
成缆线芯的绞合节距应不超过通过各绝缘线芯中心的圆直径的10倍。2.3.6总纺纤编织层
绝缘线芯和填充物绞合后应包覆一层纺纤编织层。2.3.7外径
平均外径应在表1 第 3 和第 4 栏规定的范围内。2.4试验
应以表2.规定的检测和试验,检查是否符合2.3的要求。2.5使用导则
正常使用时,导体最高温度为 60 ℃。注:其他导则正在考虑中。
表2245IEC51(RX)型编织软线试验序号
读验项目
电气性能试验
导体电阻
成品电缆2000V电压试验
结构尺寸检查
试验种类
试骏方法
GB(GB/T)
5013.1和5013.2
条文号
试验项目
结构检查
绝缘厚度测量
外径测量
平均值
绝缘机械性能
老化前拉力试验
空气烘箱老化后拉力试验
氧弹老化后拉力试验
热延伸试验
纺纤编织层的附热性
成品电缆机械强度
谢挽试验及试验后浸水 2 000 V 电乐试验
翁磨试验
3普通强度檬套软线
3.1型号
245 IEC 53(Y2)。
3.2额定电压
300/500 V.
3.3结构
3.3.1导体
芯数:2、3、4或5芯。
GB 5013. 4—1997
表2(完)
试验种类
试验力法
GB(G/T)
导体应符合GB/T3956第5种导体规定的要求。单线而以不镀或镀。3.3.2簡离层
茶文号
检查和手工试验
3. 1 和 2. 2
可以在每根导体外面包覆--层由合适材料制戒的隔离层,有关要求见GB5013.1—1997的5.1.3。3.3.3绝缘
包在每根导体上的绝缘应是IE1型橡皮混合物。如果不采用挤包,绝缘应至少出两层组成。绝缘厚度应符合表3第2栏的规定值。3.3.4绝缘线芯和填充物(若有)的成缆绝缘线芯应绞合在一起。
可以在成缆线芯中问放置填充物。3.3.5护套
包覆在成缆线芯.L的护套应是SE3型橡皮混合物。护套厚度应符合表3第3栏的规定值。护套应单层出+并应填满成缆线芯的间隙,护套应能剥离而又不损伤绝缘线芯。3.3.6外径
GB 5013. 4—1997
平均外径应在表3第4和第5栏规定的范围内。3.4试验
应以表4规定的检测和试验检查是否符合3.3的要求。3.5使用导则
正常使用时,导体最高温度为60℃。注:其他导则正在考虑中。
表32451EC53(YZ)型橡套软线尺寸芯数及导体标称敏面
绝缘厚度
规定值
扩套厚度
规定值
平均外径
245IEC53(YZ)型橡套软线试验
试验项日
电气性能试验
导体电阻
绝缘线芯按规定绝缘厚度进行中压试验
0.6mm及以下为1500V
0.6 mm以上2 000 V
成品电缆2000V电压试验
结构尺寸检查
结构检查
绝缘厚度测量
护套厚度测量
外径测量
试验种类
试验方法
GB(GB/T)
5013-1和5013.2
泰文号
检查和手工试验
平均值
循国度
试验项目
绝缘凯械性能
老化前拉力试验
空气供箱老化后拉,月试验
氧弹老化后拉力试验
热延伸试验
套机械性能
老化前拉力试验
空气烘箱老化后控方试验
热延伴试验
成品电缆机械强度
曲挑试验没试验底的浸水电压试验2芯或品电缆试验电压2000V
对于2芯以上电缆,
绝缘厚度在 (1. 6 rmm 及以下绝缘线芯试验电压为1V
GB 5013. 4 - 1997
表4(完)
试验种类
绝缘厚度大于 c. 6 mnl 绝缘线芯试验电压为2(00 V
4普通氯丁或其他相当的合成弹性体檬套软线4.1 型
245 JEC 57(YZW)
4.2额定电照
300/500V.
4.3结构
心数:2,3.,4 或 5 芯。
试验厅法
GR(GH/T)
导体应符合GB/T3956—1997第5种导体规定的要求,单线可以不镀或镀锡,4.3.2啊离层
案文号
8. 1.3. 1
3. 1和2. 2
3. 1 和 3. 3
3.1和2.3
可以在每根导体外面包覆一层也合适材料制成的隔离层,有关要求见(GB5013.1一1997的5.1.3。4.3.3统缘
包爱在每根导体工的绝缘应是IE1型橡皮混合物。如果不采用挤包,绝缘应至少由两层组成。绝缘厚度应符合表5第2档的规定值4.3.4绝缘线心和填充物(若有)的成缆绝缘线芯应绞合在起。
可以在成缆线芯中间放置填充物、4.3.5护套
GB 5013. 4--1997
包覆在成缆线芯上的护套应是SE4型橡皮混合物。护套厚度应符合表53 栏的规定值。护套应单层挤出,并应填满成纸线芯的间隙护套应能剥离而又不摄伤绝缘线芯。4.3.6外径
平均外径应在表5第 4 和第5栏规定的范围内。4.4试验
应以表 6 规定的检测和试验,检查是否符合 4. 3 的要求。4.5使用导则
正常使用时,导体最高温度为 G0 ℃。注:其他导则正布考虑中。
表5245IEC57(YZW)型橡套软线尺小芯数及导体标称面
绝缘厚度
规定值
护套障度
规定值
表62451EC57(YZW)型橡套软线试验试验项目
电气性能试验
导体电阻
绝缘线芯接规定绝缘厚度进行电压试验
0. 6 mm及以下为1 500 V
0. 6 mm 以上为 2 000 V
成品电缆2000V电压试验
试验种类
平均外径
武验方法
GB(GB/T)
条文号
试险筑
结构尺寸检查
结构检查
绝缘厚度测量
护套厚度测量
外径测量
平均值
椭圆度
绝缘机械性能
老化前拉为域验
空气烘箱老化后拉力试验
氧弹老化后扰力试验
热延伸试验
护套机械性能
老化前拉力试验
空气烘箱老化后拉力试验
浸油后拉力试验
热延伸试验
成品电缆机械强度
曲揽试验及试验后的水电压试验2芯或品电缆试验电压为2000V
对于2芯以上电缆:
绝缘厚度在0.6mm及以下绝缘
线芯试验电压灯1500V
绝缘厚度大于0.6mm绝缘线芯
试验电压为2000V
低温试验
护套弯曲试骑
CB 5013. 4—1997
表6(完)
试验种类
5重型氯了或其他相当的合成弹性体橡套软电缆5.1型号
245 IEC 66(YCW).
5.2额定电压
450/750V.
5.3结构
5.3.1导体
芯数:1、2、3、4或5芯
试验法
GB(GB/T)
50131和5013.2
5013-2
条文号
检查和手工试验
8. 1. 3. 1
3.1和2. 2
3.1和2.3
3.1和2.3
导体应符合GB/T3956—1997第5种导体规定的要求。单线可以不键镀锅或镀5. 3.2韬离层
GB 5013. 4-1997
可以在每根导体外面包覆一层由合适材料制成的隔离层,有关要求见GB5013.1一1997的5.1.3。5-3-3绝缘
包覆在每根导体上的绝缘应是IE1型橡皮混合物。如果不采用挤包,绝缘应至少由两层组成。绝缘厚度应符合表7第2栏的规定值。5.3.4刮胶带
如果绝缘不是挤包的,则导体标称截面超过4mm的绝缘线芯,应螺旋形绕包一层刮胶带,搭盖至少为1 mm。
如果绝缘是挤包的,则导体标称截面超过4mm2的电继是否绕包刮胶带可任选。刮胶带应粘附绝缘,但应能剥离而又不损伤绝缘。5.3.5绝缘线芯和填充物(若有)的成缆绝缘线芯应绞合在一起。
可在成缆线芯中间放暨填充物。若是大截面导体的绝缘线芯,则可在挤包护套前在成缆线心上绕包织带,只要成品电缆绝缘线芯之间的外部间隙中没有任何实质性的空隙。5.3.6护套
成缆线芯外面应包覆护套。
护套厚度应符合表 7 第 3、4 和 5 栏的规定值。护套的组成如下:
5.3.6. 1单芯电缆
护套应是单层的 SE4 型橡皮混台物。5.3.6.2多芯电缆
a)面10 mm2及以下;
一护套是单层的SE4型橡皮混合物。h)截面 10 mm\以上:
护套叮以是单层的SE4型橡皮混合物;一或是两层,内层是SE3型橡皮混合物,外层是SE4型橡皮混合物。)护套挤入间隙:
在a)和b)的情况下,单层护套或双层护套的内层应填满成缆线之间的间隙。护套应能离而又不摄伤成缆线芯。5.3.7外径
平均外径应在表7第6和第7栏规定的范围内。5.4试验
应以表8规定的检测和试验,检查是否符合5.3的要求。低温试验应是针对导体标称裁面16mm2及以下的电缆,5.5使用导则
正带使用时,导休最高温度为60℃。注:其他导则正在考虑中。
芯数及导体标称截面
1×185
1×300
1×400
GB5013.4—1997
表7245IEC66(YCW)型橡套软电缆的尺寸绝缘厚度
规定值
护套厚度规定值+mm
苹均外径
芯数及导体标称截面
4×120
4×150
绝线厚度
规定值
GB 5013. 4—1997
表7(完)
护套厚度规定值,mam
表8245IEC66(YCW)型橡套软电缆的试验试验项耳
电气性能试验
导体电租
绝缘线芯2500V电压试验
威品电缆2500V电压试验
结构尺寸检查
结构检查
绝缘厚度测母
护套厚连测量
外径测运
平均值
橘圆度
绝缘机械性能
老化前拉力试验
空气烘箱老化后拉力试验
氧弹老化后拉力试验
热延伸试验
护套机械性能
老化前拉力试验
空气烘箱老化后拉力试验
试验种类
平均外径
试验方法
GB(GB/T)
5013.1和5013.2
条文号
检查和手工试验
8. 1. 3. 1
试验项目
浸油后控力试验
热延伸试验
成品电缆机强度
曲髋试验及试验后的授水电玉试验
么芯及以下成品电试验电压为
2芯以上电缆绝缘线芯试验电压为2000V
低温试验(见5. 4)
护套弯曲试验
护套伸长率试验”
GB 5013.4—1997
表8(完)
试验类
1)仅适用于外径超过该试验方法规定的限值的电跪,6装饰回路用氟丁毁其他相当的合成弹性体檬套电缆6.1型号
圆电缆:245IEC58(YSF)
扁电缆:245IEC58f(YSFB)。
6.2额定电压
300/500V。
6.3结构
6.3. 1导体
芯数:1 芯或 2 芯。
试验方法
GB(GB/T)
2951-5
导体应符合GB/T3956—1997第5种导体规定的要求,单线可以不镀锡或镀锡。6.3.2隔商层
亲文号
3. 1 和 2. 2
3. 1和 2. 3
可以在每根导体外面包覆一层由合适材料制成的隔离层,有关要求见GB5013.1一1997的5.1.3。6.3.3绝缘
包覆在导体上的绝缘应是IE1型橡皮混合物。如果不采用挤包,绝缘应至少由两层组成。绝缘厚度应符合表9第2栏的规定值。6.3.4绝缘线芯碳缆
2芯电缆的两根绝缘线芯应平行放置。两根导体中心之间的距离应符合表9第3和第4栏的平均值。
6.3.5护套
包覆在成缆线芯上的护套应是SE4型橡皮混合物。对于2芯扁电缆,扩套应填满线恐之间的空踪形成填充。护套厚度应符合表9第5栏的规定值。护套应能刹离而又不损伤绝缘线芯。护套优先选用的额色是绿色和黑色。6.3.6外形尺寸
CB 5013.4—1997
圆电缆的平均外径和扁电缆的平均外形尺寸应在表9第6和第7栏规定的范围内。6.4试验
应以表10规定的检测和试验检查是否符合6.3的要求,对于6.3.5的要求,其试验程序般按GB5013.2—1997中1.11的规定,测量值应是导体中心之间的距离。从三个样品上的测量值的平均值称为平均距离。6.5使用导购
适用于室内和室外的装饰回路。正常使用期间,导体最高温度为60表9245IEC58(YSF)和58f(YSFB)型电缆尺寸芯数及导体
标称翻面
绝缘厚度
规定值
导体中心间距
平国下限
平均上限
护套厚度
规定值
平均外型尺寸
0245IEC58(YSF)和58F(YSFB)型电缆的试验表10
试验项目
电气性能试验
导体电阻
绝缘线芯 2 0 V电压试验
成品电缆2 000 V电压试验
结构尺寸检查
结构检查
绝绣厚度测量
护套摩度测垦
外形尺寸洲量
平均值
糖医度
导体中心间距
绝缘机性能
老化前拉力试验
空气烘箱老化后拉力试验
氧弹老化后拉力试验
热延伸试鞍
护套机械性能
老化前拉力试验
空气烘箱老化后拉力试验
按油后抗力试验
热延伸试验
成品电缆机械强度
曲试验及试验后或品电缆浸水
2000V电压试验
试验种类
GB(GB/T)
5013.1和5013. 2
513.2及本标准免费标准下载网bzxz
2951-1
条文号
检查和手工试验
8. 1. 3. 1
3. 1 和 2. 2
小提示:此标准内容仅展示完整标准里的部分截取内容,若需要完整标准请到上方自行免费下载完整标准文档。
额定电压450/750V及以下橡皮绝缘电缆第4部分:软线和软电缆
Rubber insulated cables of ratedyoltages up to and including 450/750vPart 4;Cords and flexible cables1摄述
1.1范蛋
GB 5013. 4—1997
Idt IEC 245-4+ 1994
代替GH3958
GB 5013. 2—85
GB5013第4部分详述了额定电压450/750V及以下橡皮绝缘编织软线和橡皮绝缘橡皮或氯丁或其他相当的合成弹性体护套软线和软电的产品技术要求。所有电缆应符合GB5013.1规定的相应要求,并且每种型号电缆应各自符合本部分的特殊要求。1.2引用标准
下列标准所包含的条文,通过在本标准中引用而构成为本标准的条文。本标推出版时,所示版本均为有效。所有标准都会被修订,使用本标准的各方应探讨使用下列标准最新版本的可能性。GB/T2951.1—1997电缆绝缘和护套材料通用试验方法第1部分:通用试验方法第1节,厚度和外形尺寸测量一一机械性能试验电缆绝缘和护套材料通用试验方法第1部分:通用试验方法第2节:热GB/T2951.2-1997
老化试验方法
GB/T 2951.4—1997
电缆绝缘和护套材料通用试验方法第1部分:通用试验方法第4节:低温试验
电缆绝缘和护套材料通用试验方法第2部分,弹性体混合料专用试验方GB/T 2951.5-1997
法第1节:耐臭氧试验一—热延伸试验一一浸矿物油试验GB5013.1-1997额定电压450/750V及以下橡皮绝缘电缆第1部分:一般要求7额定电压450/750V及以下橡皮绝缘电缆第2部分:试验方法GB5013.2—1997
GB/T 3956—1997
电缆的导体
2缩织软线
2.1型号
245 IEC 51(RX),
2.2额定电压
300/300 V.
2.3结构
2.3.1导体
芯数:2芯或3芯。
导体应符合GB/T3956—1997第6种导体规定的要求,20C时的导体最大电阻值可增加3%,单线国家技术监督局1997-10-13批准1998-10-01实施
可以不镀锡或镀。
2.3.2隔离层
CB 5013. 4—1997
可以在每根导体外面绕包一层由合适材料制成的隔高层,有关要求见GB5013.1一1997的5.1.3规定。
2.3.3绝缘
绝缘应是包覆在每根导体上的LE1 型橡皮混合物。如果不来用挤包,绝缘应至少由两层组成。绝缘厚度应符合表1第2栏的规定值。表1245IEC51(RX)型编织软线尺寸芯数及导体标称截面
2 × 0.75
2.3.4填充
填充物应是纺纤材料
绝缴厚度规定值
2.3.5绝缘线芯和境充物的成缅
绝缘线芯和纺纤填充物应绞合在一起。可在成缆线芯中间放置填充物。下
平均外径
成缆线芯的绞合节距应不超过通过各绝缘线芯中心的圆直径的10倍。2.3.6总纺纤编织层
绝缘线芯和填充物绞合后应包覆一层纺纤编织层。2.3.7外径
平均外径应在表1 第 3 和第 4 栏规定的范围内。2.4试验
应以表2.规定的检测和试验,检查是否符合2.3的要求。2.5使用导则
正常使用时,导体最高温度为 60 ℃。注:其他导则正在考虑中。
表2245IEC51(RX)型编织软线试验序号
读验项目
电气性能试验
导体电阻
成品电缆2000V电压试验
结构尺寸检查
试验种类
试骏方法
GB(GB/T)
5013.1和5013.2
条文号
试验项目
结构检查
绝缘厚度测量
外径测量
平均值
绝缘机械性能
老化前拉力试验
空气烘箱老化后拉力试验
氧弹老化后拉力试验
热延伸试验
纺纤编织层的附热性
成品电缆机械强度
谢挽试验及试验后浸水 2 000 V 电乐试验
翁磨试验
3普通强度檬套软线
3.1型号
245 IEC 53(Y2)。
3.2额定电压
300/500 V.
3.3结构
3.3.1导体
芯数:2、3、4或5芯。
GB 5013. 4—1997
表2(完)
试验种类
试验力法
GB(G/T)
导体应符合GB/T3956第5种导体规定的要求。单线而以不镀或镀。3.3.2簡离层
茶文号
检查和手工试验
3. 1 和 2. 2
可以在每根导体外面包覆--层由合适材料制戒的隔离层,有关要求见GB5013.1—1997的5.1.3。3.3.3绝缘
包在每根导体上的绝缘应是IE1型橡皮混合物。如果不采用挤包,绝缘应至少出两层组成。绝缘厚度应符合表3第2栏的规定值。3.3.4绝缘线芯和填充物(若有)的成缆绝缘线芯应绞合在一起。
可以在成缆线芯中问放置填充物。3.3.5护套
包覆在成缆线芯.L的护套应是SE3型橡皮混合物。护套厚度应符合表3第3栏的规定值。护套应单层出+并应填满成缆线芯的间隙,护套应能剥离而又不损伤绝缘线芯。3.3.6外径
GB 5013. 4—1997
平均外径应在表3第4和第5栏规定的范围内。3.4试验
应以表4规定的检测和试验检查是否符合3.3的要求。3.5使用导则
正常使用时,导体最高温度为60℃。注:其他导则正在考虑中。
表32451EC53(YZ)型橡套软线尺寸芯数及导体标称敏面
绝缘厚度
规定值
扩套厚度
规定值
平均外径
245IEC53(YZ)型橡套软线试验
试验项日
电气性能试验
导体电阻
绝缘线芯按规定绝缘厚度进行中压试验
0.6mm及以下为1500V
0.6 mm以上2 000 V
成品电缆2000V电压试验
结构尺寸检查
结构检查
绝缘厚度测量
护套厚度测量
外径测量
试验种类
试验方法
GB(GB/T)
5013-1和5013.2
泰文号
检查和手工试验
平均值
循国度
试验项目
绝缘凯械性能
老化前拉力试验
空气供箱老化后拉,月试验
氧弹老化后拉力试验
热延伸试验
套机械性能
老化前拉力试验
空气烘箱老化后控方试验
热延伴试验
成品电缆机械强度
曲挑试验没试验底的浸水电压试验2芯或品电缆试验电压2000V
对于2芯以上电缆,
绝缘厚度在 (1. 6 rmm 及以下绝缘线芯试验电压为1V
GB 5013. 4 - 1997
表4(完)
试验种类
绝缘厚度大于 c. 6 mnl 绝缘线芯试验电压为2(00 V
4普通氯丁或其他相当的合成弹性体檬套软线4.1 型
245 JEC 57(YZW)
4.2额定电照
300/500V.
4.3结构
心数:2,3.,4 或 5 芯。
试验厅法
GR(GH/T)
导体应符合GB/T3956—1997第5种导体规定的要求,单线可以不镀或镀锡,4.3.2啊离层
案文号
8. 1.3. 1
3. 1和2. 2
3. 1 和 3. 3
3.1和2.3
可以在每根导体外面包覆一层也合适材料制成的隔离层,有关要求见(GB5013.1一1997的5.1.3。4.3.3统缘
包爱在每根导体工的绝缘应是IE1型橡皮混合物。如果不采用挤包,绝缘应至少由两层组成。绝缘厚度应符合表5第2档的规定值4.3.4绝缘线心和填充物(若有)的成缆绝缘线芯应绞合在起。
可以在成缆线芯中间放置填充物、4.3.5护套
GB 5013. 4--1997
包覆在成缆线芯上的护套应是SE4型橡皮混合物。护套厚度应符合表53 栏的规定值。护套应单层挤出,并应填满成纸线芯的间隙护套应能剥离而又不摄伤绝缘线芯。4.3.6外径
平均外径应在表5第 4 和第5栏规定的范围内。4.4试验
应以表 6 规定的检测和试验,检查是否符合 4. 3 的要求。4.5使用导则
正常使用时,导体最高温度为 G0 ℃。注:其他导则正布考虑中。
表5245IEC57(YZW)型橡套软线尺小芯数及导体标称面
绝缘厚度
规定值
护套障度
规定值
表62451EC57(YZW)型橡套软线试验试验项目
电气性能试验
导体电阻
绝缘线芯接规定绝缘厚度进行电压试验
0. 6 mm及以下为1 500 V
0. 6 mm 以上为 2 000 V
成品电缆2000V电压试验
试验种类
平均外径
武验方法
GB(GB/T)
条文号
试险筑
结构尺寸检查
结构检查
绝缘厚度测量
护套厚度测量
外径测量
平均值
椭圆度
绝缘机械性能
老化前拉为域验
空气烘箱老化后拉力试验
氧弹老化后扰力试验
热延伸试验
护套机械性能
老化前拉力试验
空气烘箱老化后拉力试验
浸油后拉力试验
热延伸试验
成品电缆机械强度
曲揽试验及试验后的水电压试验2芯或品电缆试验电压为2000V
对于2芯以上电缆:
绝缘厚度在0.6mm及以下绝缘
线芯试验电压灯1500V
绝缘厚度大于0.6mm绝缘线芯
试验电压为2000V
低温试验
护套弯曲试骑
CB 5013. 4—1997
表6(完)
试验种类
5重型氯了或其他相当的合成弹性体橡套软电缆5.1型号
245 IEC 66(YCW).
5.2额定电压
450/750V.
5.3结构
5.3.1导体
芯数:1、2、3、4或5芯
试验法
GB(GB/T)
50131和5013.2
5013-2
条文号
检查和手工试验
8. 1. 3. 1
3.1和2. 2
3.1和2.3
3.1和2.3
导体应符合GB/T3956—1997第5种导体规定的要求。单线可以不键镀锅或镀5. 3.2韬离层
GB 5013. 4-1997
可以在每根导体外面包覆一层由合适材料制成的隔离层,有关要求见GB5013.1一1997的5.1.3。5-3-3绝缘
包覆在每根导体上的绝缘应是IE1型橡皮混合物。如果不采用挤包,绝缘应至少由两层组成。绝缘厚度应符合表7第2栏的规定值。5.3.4刮胶带
如果绝缘不是挤包的,则导体标称截面超过4mm的绝缘线芯,应螺旋形绕包一层刮胶带,搭盖至少为1 mm。
如果绝缘是挤包的,则导体标称截面超过4mm2的电继是否绕包刮胶带可任选。刮胶带应粘附绝缘,但应能剥离而又不损伤绝缘。5.3.5绝缘线芯和填充物(若有)的成缆绝缘线芯应绞合在一起。
可在成缆线芯中间放暨填充物。若是大截面导体的绝缘线芯,则可在挤包护套前在成缆线心上绕包织带,只要成品电缆绝缘线芯之间的外部间隙中没有任何实质性的空隙。5.3.6护套
成缆线芯外面应包覆护套。
护套厚度应符合表 7 第 3、4 和 5 栏的规定值。护套的组成如下:
5.3.6. 1单芯电缆
护套应是单层的 SE4 型橡皮混台物。5.3.6.2多芯电缆
a)面10 mm2及以下;
一护套是单层的SE4型橡皮混合物。h)截面 10 mm\以上:
护套叮以是单层的SE4型橡皮混合物;一或是两层,内层是SE3型橡皮混合物,外层是SE4型橡皮混合物。)护套挤入间隙:
在a)和b)的情况下,单层护套或双层护套的内层应填满成缆线之间的间隙。护套应能离而又不摄伤成缆线芯。5.3.7外径
平均外径应在表7第6和第7栏规定的范围内。5.4试验
应以表8规定的检测和试验,检查是否符合5.3的要求。低温试验应是针对导体标称裁面16mm2及以下的电缆,5.5使用导则
正带使用时,导休最高温度为60℃。注:其他导则正在考虑中。
芯数及导体标称截面
1×185
1×300
1×400
GB5013.4—1997
表7245IEC66(YCW)型橡套软电缆的尺寸绝缘厚度
规定值
护套厚度规定值+mm
苹均外径
芯数及导体标称截面
4×120
4×150
绝线厚度
规定值
GB 5013. 4—1997
表7(完)
护套厚度规定值,mam
表8245IEC66(YCW)型橡套软电缆的试验试验项耳
电气性能试验
导体电租
绝缘线芯2500V电压试验
威品电缆2500V电压试验
结构尺寸检查
结构检查
绝缘厚度测母
护套厚连测量
外径测运
平均值
橘圆度
绝缘机械性能
老化前拉力试验
空气烘箱老化后拉力试验
氧弹老化后拉力试验
热延伸试验
护套机械性能
老化前拉力试验
空气烘箱老化后拉力试验
试验种类
平均外径
试验方法
GB(GB/T)
5013.1和5013.2
条文号
检查和手工试验
8. 1. 3. 1
试验项目
浸油后控力试验
热延伸试验
成品电缆机强度
曲髋试验及试验后的授水电玉试验
么芯及以下成品电试验电压为
2芯以上电缆绝缘线芯试验电压为2000V
低温试验(见5. 4)
护套弯曲试验
护套伸长率试验”
GB 5013.4—1997
表8(完)
试验类
1)仅适用于外径超过该试验方法规定的限值的电跪,6装饰回路用氟丁毁其他相当的合成弹性体檬套电缆6.1型号
圆电缆:245IEC58(YSF)
扁电缆:245IEC58f(YSFB)。
6.2额定电压
300/500V。
6.3结构
6.3. 1导体
芯数:1 芯或 2 芯。
试验方法
GB(GB/T)
2951-5
导体应符合GB/T3956—1997第5种导体规定的要求,单线可以不镀锡或镀锡。6.3.2隔商层
亲文号
3. 1 和 2. 2
3. 1和 2. 3
可以在每根导体外面包覆一层由合适材料制成的隔离层,有关要求见GB5013.1一1997的5.1.3。6.3.3绝缘
包覆在导体上的绝缘应是IE1型橡皮混合物。如果不采用挤包,绝缘应至少由两层组成。绝缘厚度应符合表9第2栏的规定值。6.3.4绝缘线芯碳缆
2芯电缆的两根绝缘线芯应平行放置。两根导体中心之间的距离应符合表9第3和第4栏的平均值。
6.3.5护套
包覆在成缆线芯上的护套应是SE4型橡皮混合物。对于2芯扁电缆,扩套应填满线恐之间的空踪形成填充。护套厚度应符合表9第5栏的规定值。护套应能刹离而又不损伤绝缘线芯。护套优先选用的额色是绿色和黑色。6.3.6外形尺寸
CB 5013.4—1997
圆电缆的平均外径和扁电缆的平均外形尺寸应在表9第6和第7栏规定的范围内。6.4试验
应以表10规定的检测和试验检查是否符合6.3的要求,对于6.3.5的要求,其试验程序般按GB5013.2—1997中1.11的规定,测量值应是导体中心之间的距离。从三个样品上的测量值的平均值称为平均距离。6.5使用导购
适用于室内和室外的装饰回路。正常使用期间,导体最高温度为60表9245IEC58(YSF)和58f(YSFB)型电缆尺寸芯数及导体
标称翻面
绝缘厚度
规定值
导体中心间距
平国下限
平均上限
护套厚度
规定值
平均外型尺寸
0245IEC58(YSF)和58F(YSFB)型电缆的试验表10
试验项目
电气性能试验
导体电阻
绝缘线芯 2 0 V电压试验
成品电缆2 000 V电压试验
结构尺寸检查
结构检查
绝绣厚度测量
护套摩度测垦
外形尺寸洲量
平均值
糖医度
导体中心间距
绝缘机性能
老化前拉力试验
空气烘箱老化后拉力试验
氧弹老化后拉力试验
热延伸试鞍
护套机械性能
老化前拉力试验
空气烘箱老化后拉力试验
按油后抗力试验
热延伸试验
成品电缆机械强度
曲试验及试验后或品电缆浸水
2000V电压试验
试验种类
GB(GB/T)
5013.1和5013. 2
513.2及本标准免费标准下载网bzxz
2951-1
条文号
检查和手工试验
8. 1. 3. 1
3. 1 和 2. 2
小提示:此标准内容仅展示完整标准里的部分截取内容,若需要完整标准请到上方自行免费下载完整标准文档。
标准图片预览:





- 其它标准
- 热门标准
- 国家标准(GB)
- GB/T7574-1987 信息处理交换用磁带标号和文卷结构
- GB/T2828.1-2012 计数抽样检验程序 第1部分:按接收质量限(AQL)检索的逐批检验抽样计划
- GB5585.3-1985 电工用铜、铝及其合金母线 第3部分:铝母线
- GB/T18442.6-2011 固定式真空绝热深冷压力容器 第6部分:安全防护
- GB/Z18039.7-2011 电磁兼容 环境公用供电系统中的电压暂降、短时中断及其测量统计结果
- GB/T283-2007 滚动轴承圆柱滚子轴承外形尺寸
- GB/T12500-1990 信息处理系统 开放系统互连 面向连接的运输协议规范
- GB∕T33370-2016 铜及铜合金软化温度的测定方法
- GB/T19673.2-2013 滚动轴承 套筒型直线球轴承附件第2部分:5系列外形尺寸和公差
- GB/T21242-2019 烟花爆竹 禁限用物质定性检测方法
- GB/T10006-2021 塑料 薄膜和薄片 摩擦系数的测定
- GB/T21666-2008 尿吸收辅助器具 评价的一般指南
- GB∕T67-2016 开槽盘头螺钉
- GB/T39088-2020 船舶和海上技术 声响接收系统
- GB20951-2020 油品运输大气污染物排放标准
- 行业新闻
请牢记:“bzxz.net”即是“标准下载”四个汉字汉语拼音首字母与国际顶级域名“.net”的组合。 ©2025 标准下载网 www.bzxz.net 本站邮件:bzxznet@163.com
网站备案号:湘ICP备2025141790号-2
网站备案号:湘ICP备2025141790号-2