- 您的位置:
- 标准下载网 >>
- 标准分类 >>
- 国家标准(GB) >>
- GB/T 5125-1985 有色金属冲杯试验方法
标准号:
GB/T 5125-1985
标准名称:
有色金属冲杯试验方法
标准类别:
国家标准(GB)
英文名称:
Nonferrous metal cupping test method标准状态:
已作废-
发布日期:
1985-04-24 -
实施日期:
1986-02-01 -
作废日期:
2008-12-01 出版语种:
简体中文下载格式:
.rar.pdf下载大小:
103.19 KB
标准ICS号:
冶金>>金属材料试验>>77.040.10金属材料力学试验中标分类号:
冶金>>有色金属及其合金产品>>H60有色金属及其合金产品综合
替代情况:
被GB/T 5125-2008代替采标情况:
=DIN 50155-81
点击下载
标准简介:
标准下载解压密码:www.bzxz.net
本标准适用于厚度为0.10~3.00mm深冲用有色金属薄板、带材的冲杯试验。 GB/T 5125-1985 有色金属冲杯试验方法 GB/T5125-1985
部分标准内容:
中华人民共和国国家标准
有色金属冲杯试验方法
Method for deep drawing cups testingof non-ferrous metals
本标准适用于厚度为0.10~3.00mm深冲用有色金属薄板、带材的冲杯试验。名词术语,符号
1.1名词术语
1.1.1圆片:由板、带材冲剪的圆坏料或机加工的圆形试片。UDC 669.2/.8
620.178.7
GB5125--85
压边力:为防止圆片在周向压应力作用下发生凸缘起皱,由压紧装置作用于圆片上的垂直压1.1.2
模具间隙:冲模内径与冲头直径的差值之半。1.1.3
制耳:由于轧制薄板、带材的各向异性在冲成杯子的边缘所形成的对称耳状突起。1.1.4
制耳峰高:由制耳顶峰到杯底外表面的垂直距离。平均制耳峰高:所有制耳峰高的算术平均值。制耳谷高:由两相邻制耳峰之间的谷底到杯底外表面的垂直距离。1.1.7
1.1.8平均制耳谷高:所有制耳谷高的算术平均值。平均制耳高度:平均制耳峰高与平均制耳谷高之差。1.1.9
制耳率:平均制耳高度与平均制耳谷高的百分比。1.2符号
符号、名称及单位见表1、图1及图2。表1符号、名称及其单位
国家标准局1985-04-24发布
圆片厚度,即薄板、带材的公称厚度圆片直径
冲头直径
冲模内径
冲头圆角半径
冲模圆角半径
制耳峰高
制耳谷高
平均制耳蜂高
业均制耳谷高,
平均制耳高度,即p万
制耳率,即△万
1986-02-01实施
试验原理
GB5125-85
冲杯试验系使薄板、带材的圆片试样压紧于压边圈与冲模之间,在冲头施加的冲力作用下,沿径向产生延伸及弯曲塑性变形而一次拉延成圆柱杯,用来测定材料以制耳率为标志的各向异性。试验在室温条件下进行。
压紧装置bzxz.net
图1压紧圆片试样的冲杯工具
图2具有四个制耳的杯子
3试样
3.1由外观检查合格的板、带材切取的条状或方形样坏环应平整3.2出样坏冲剪或机加工圆片试样时,应防止冷加工或热影响而改变材料的性能。试样制取时所形成的冷作硬化边缘,勿需除去。3.3冲剪成的圆片周边应无影响平整的毛刺。3.4阅片试样的直径为60-0.05~-0.20mm。如果60mm的圆片拉延发生破裂,则可商定选用较小直径的圆片。808
试验设备
GB5125—85
试验可在专用的杯突试验机或液压试验机上配以冲杯工其进行。4.1
4.2试验机
4.2.1试验机应满足以下基本要求:4.2.1.1具有调整圆片中心位置的定位装置,并能使冲头、冲模及圆片同心放置。4.2.1.2具有施加与调整压边力的压紧装置,并附带测力仪表,如压力表。4.2.1.3具有调整拉延速度的装置。4.3冲杯工具
4.3.1试验模具,如图1所示。应符合下述要求:4.3.1.1
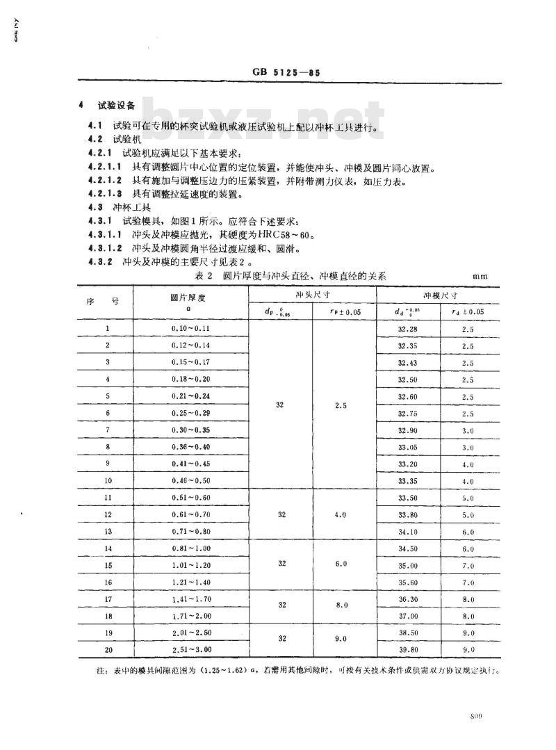
冲头及冲模应抛光,其硬度为HRC58~60。4.3.1.2冲头及冲模圆角半径过渡应缓和、圆滑。4.3.2冲头及冲模的主要尺寸见表2。表2圆片厚度与冲头直径、冲模直径的关系序
圆片厚度
0.10~0.11
0.12~0.14
0.15~0.17
0.18~0.20
0.21 ~0.24
0.25~0.29
0.30~0.35
0.36~0.40
0.41~0.45
0.46~0.50
0.51~0.60
0.61~0.70
0.71~0.80
1.01~1.20
1.21~1.40
1.41~1.70
1.71~2.00
2.01~2.50
2.51~3.00
冲头尺寸
冲模尺寸
注:表中的模具间隙范圈为(1.25~1.62)0,若需用其他间隙时,可按有关技术条件供需双方协议规定执行。809
5试验步骤
GB5125-85
5.1根据圆片厚度,按表2选择冲头及冲模。5.2安装冲头及冲模。当使用附加液压试验机上的冲杯工具时,需要在试验前调整冲头与冲模,使之轴线相重合。
5.3将圆片两表面涂以适宜的润滑剂,如机油、工业凡士林等。5.4圆片放人冲杯工具中,与冲头、冲模对心,不得偏移。5.5调整压紧装置,对圆片施加适当的压边力,以使圆片拉延时不出现失稳皱褶,且便于冲压成形,润不破裂。
5.6以均匀的拉延速度移动冲头或冲模冲出杯子。5.7测量杯的制H峰高及制耳谷高,测量精度应不低于0.05mm。6
结果评定
6.1制耳率测定
6.1.1对有明显制耳的杯子,求出平均制耳峰高、平均制耳谷高及平均制耳高度。6.1.2按表1中提供的公式,计算制耳率e。6.1.3
制耳率e的计算值按GB1.1一81《标准化工作导则编写标准的-般规定》附录C修约到0.1%的整数倍。
6.2有下列试验情况之一者,试验无效,应补做试验:杯子周边出现影响制耳率准确测定的皱褶;a,
b.杯子形状明显不对称,
圆片冲裂未最终成形。
试验报告
试验报告应包括下列主要内容:a.
材料牌号、状态及制品规格(厚度);圆片直径,
冲头及冲模直径:
压边力及拉延速度,
润滑剂种类及名称:
制耳率的测定值,必要时标明制耳相对于轧制方向的方位,如0”和90°或45°。附加说明:
本标准由中国有色金属业总公司提出。本标准由东北轻合金加「\)、洛阳铜加‘负责起草。本标准主要起草人陈广先。
小提示:此标准内容仅展示完整标准里的部分截取内容,若需要完整标准请到上方自行免费下载完整标准文档。
有色金属冲杯试验方法
Method for deep drawing cups testingof non-ferrous metals
本标准适用于厚度为0.10~3.00mm深冲用有色金属薄板、带材的冲杯试验。名词术语,符号
1.1名词术语
1.1.1圆片:由板、带材冲剪的圆坏料或机加工的圆形试片。UDC 669.2/.8
620.178.7
GB5125--85
压边力:为防止圆片在周向压应力作用下发生凸缘起皱,由压紧装置作用于圆片上的垂直压1.1.2
模具间隙:冲模内径与冲头直径的差值之半。1.1.3
制耳:由于轧制薄板、带材的各向异性在冲成杯子的边缘所形成的对称耳状突起。1.1.4
制耳峰高:由制耳顶峰到杯底外表面的垂直距离。平均制耳峰高:所有制耳峰高的算术平均值。制耳谷高:由两相邻制耳峰之间的谷底到杯底外表面的垂直距离。1.1.7
1.1.8平均制耳谷高:所有制耳谷高的算术平均值。平均制耳高度:平均制耳峰高与平均制耳谷高之差。1.1.9
制耳率:平均制耳高度与平均制耳谷高的百分比。1.2符号
符号、名称及单位见表1、图1及图2。表1符号、名称及其单位
国家标准局1985-04-24发布
圆片厚度,即薄板、带材的公称厚度圆片直径
冲头直径
冲模内径
冲头圆角半径
冲模圆角半径
制耳峰高
制耳谷高
平均制耳蜂高
业均制耳谷高,
平均制耳高度,即p万
制耳率,即△万
1986-02-01实施
试验原理
GB5125-85
冲杯试验系使薄板、带材的圆片试样压紧于压边圈与冲模之间,在冲头施加的冲力作用下,沿径向产生延伸及弯曲塑性变形而一次拉延成圆柱杯,用来测定材料以制耳率为标志的各向异性。试验在室温条件下进行。
压紧装置bzxz.net
图1压紧圆片试样的冲杯工具
图2具有四个制耳的杯子
3试样
3.1由外观检查合格的板、带材切取的条状或方形样坏环应平整3.2出样坏冲剪或机加工圆片试样时,应防止冷加工或热影响而改变材料的性能。试样制取时所形成的冷作硬化边缘,勿需除去。3.3冲剪成的圆片周边应无影响平整的毛刺。3.4阅片试样的直径为60-0.05~-0.20mm。如果60mm的圆片拉延发生破裂,则可商定选用较小直径的圆片。808
试验设备
GB5125—85
试验可在专用的杯突试验机或液压试验机上配以冲杯工其进行。4.1
4.2试验机
4.2.1试验机应满足以下基本要求:4.2.1.1具有调整圆片中心位置的定位装置,并能使冲头、冲模及圆片同心放置。4.2.1.2具有施加与调整压边力的压紧装置,并附带测力仪表,如压力表。4.2.1.3具有调整拉延速度的装置。4.3冲杯工具
4.3.1试验模具,如图1所示。应符合下述要求:4.3.1.1
冲头及冲模应抛光,其硬度为HRC58~60。4.3.1.2冲头及冲模圆角半径过渡应缓和、圆滑。4.3.2冲头及冲模的主要尺寸见表2。表2圆片厚度与冲头直径、冲模直径的关系序
圆片厚度
0.10~0.11
0.12~0.14
0.15~0.17
0.18~0.20
0.21 ~0.24
0.25~0.29
0.30~0.35
0.36~0.40
0.41~0.45
0.46~0.50
0.51~0.60
0.61~0.70
0.71~0.80
1.01~1.20
1.21~1.40
1.41~1.70
1.71~2.00
2.01~2.50
2.51~3.00
冲头尺寸
冲模尺寸
注:表中的模具间隙范圈为(1.25~1.62)0,若需用其他间隙时,可按有关技术条件供需双方协议规定执行。809
5试验步骤
GB5125-85
5.1根据圆片厚度,按表2选择冲头及冲模。5.2安装冲头及冲模。当使用附加液压试验机上的冲杯工具时,需要在试验前调整冲头与冲模,使之轴线相重合。
5.3将圆片两表面涂以适宜的润滑剂,如机油、工业凡士林等。5.4圆片放人冲杯工具中,与冲头、冲模对心,不得偏移。5.5调整压紧装置,对圆片施加适当的压边力,以使圆片拉延时不出现失稳皱褶,且便于冲压成形,润不破裂。
5.6以均匀的拉延速度移动冲头或冲模冲出杯子。5.7测量杯的制H峰高及制耳谷高,测量精度应不低于0.05mm。6
结果评定
6.1制耳率测定
6.1.1对有明显制耳的杯子,求出平均制耳峰高、平均制耳谷高及平均制耳高度。6.1.2按表1中提供的公式,计算制耳率e。6.1.3
制耳率e的计算值按GB1.1一81《标准化工作导则编写标准的-般规定》附录C修约到0.1%的整数倍。
6.2有下列试验情况之一者,试验无效,应补做试验:杯子周边出现影响制耳率准确测定的皱褶;a,
b.杯子形状明显不对称,
圆片冲裂未最终成形。
试验报告
试验报告应包括下列主要内容:a.
材料牌号、状态及制品规格(厚度);圆片直径,
冲头及冲模直径:
压边力及拉延速度,
润滑剂种类及名称:
制耳率的测定值,必要时标明制耳相对于轧制方向的方位,如0”和90°或45°。附加说明:
本标准由中国有色金属业总公司提出。本标准由东北轻合金加「\)、洛阳铜加‘负责起草。本标准主要起草人陈广先。
小提示:此标准内容仅展示完整标准里的部分截取内容,若需要完整标准请到上方自行免费下载完整标准文档。
标准图片预览:




- 热门标准
- 国家标准(GB)
- GB/T2828.1-2012 计数抽样检验程序 第1部分:按接收质量限(AQL)检索的逐批检验抽样计划
- GB50367-2013 混凝土结构加固设计规范
- GB/T18204.4-2000 公共场所毛巾、床上卧具微生物检验方法细菌总数测定
- GB5009.225-2023 食品安全国家标准 酒和食用酒精中乙醇浓度的测定
- GB/T3836.1-2021 爆炸性环境 第1部分:设备 通用要求
- GB/T29863-2023 服装制图
- GB/T9145-2003 普通螺纹 中等精度、优选系列的极限尺寸
- GB/T11839-1989 二氧化铀芯块中硼的测定 姜黄素萃取光度法
- GB/T23892.3-2009 滑动轴承 稳态条件下流体动压可倾瓦块止推轴承 第3部分:可倾瓦块止推轴承计算的许用值
- GB/T18380.33-2022 电缆和光缆在火焰条件下的燃烧试验 第33部分:垂直安装的成束电线电缆火焰垂直蔓延试验 A类
- GB/T9239-1988 刚性转子平衡品质 许用不平衡的确定
- GB/T15917.3-1995 金属镝及氧化镝化学分析方法 对氯苯基荧光酮--溴化十六烷基三甲基胺分光光度法测定钽量
- GB50209-2002 建筑地面工程施工质量验收规范
- GB/T6122.1-2002 圆角铣刀 第1部分:型式和尺寸
- GB/T7433-1987 对称电缆载波通信系统抗无线电广播和通信干扰的指标
- 行业新闻
请牢记:“bzxz.net”即是“标准下载”四个汉字汉语拼音首字母与国际顶级域名“.net”的组合。 ©2025 标准下载网 www.bzxz.net 本站邮件:bzxznet@163.com
网站备案号:湘ICP备2025141790号-2
网站备案号:湘ICP备2025141790号-2