- 您的位置:
- 标准下载网 >>
- 标准分类 >>
- 国家标准(GB) >>
- GB/T 4760-1995 声学消声器测量方法
标准号:
GB/T 4760-1995
标准名称:
声学消声器测量方法
标准类别:
国家标准(GB)
英文名称:
Acoustics-Measurement procedure for silencers标准状态:
现行-
发布日期:
1995-06-15 -
实施日期:
1996-02-01 出版语种:
简体中文下载格式:
.rar.pdf下载大小:
456.75 KB
替代情况:
GB 4760-1984采标情况:
,
点击下载
标准简介:
标准下载解压密码:www.bzxz.net
本标准规定消声器测量方法和要求。包括实验室测量和现场测量方法。测量的量主要为消声器的插入损失,也可测定下列量:—气流噪声声功率级;—消声器压力损失和阻力系数。本标准适用于以阻性为主的管道消声器。 GB/T 4760-1995 声学消声器测量方法 GB/T4760-1995
本标准规定消声器测量方法和要求。包括实验室测量和现场测量方法。测量的量主要为消声器的插入损失,也可测定下列量:—气流噪声声功率级;—消声器压力损失和阻力系数。本标准适用于以阻性为主的管道消声器。
部分标准内容:
1范围
中华人民共和国国家标准
消声器测量方法
Acoustics--Measurement procedure for silencers本标准规定消声器测量方法和要求。包括实验室测量和现场测量方法。测量的量主要为消声器的插入损失,也可测定下列量:气流噪声声功率级;
消声器压力损失和阻力系数。
本标准适用于以阻性为主的管道消声器。2引用标准
GB3102声学的量和单位
声学量的级及其基准值
GB 3238
GB3240
GB3241
GB 3785
GB3947
声学测量中的常用频率
声和振动分析用的1/1和1/3倍频程滤波器声级计的电、声性能及测试方法声学名词术语
厅掌混响时间测量规范
GBJ 76
GB6881
声学噪声声源功率级测定混响室精密法和工程法GB6882
声学
噪声声源功率级测定消声室和半消声室精密法3术语
3.1消声器插入损失insertionlossof silencerGB/T 4760—1995
代替GB4760--84
装置消声器以前与装置消声器以后相比较,管口辐射躁声的声功率级的降低量。符号:D;单位:分贝,dB
3.2消声末端
anechoic terminal
采取了消声措施的管道末端。它使由管口反射回管道内部的噪声可以忽略不计。3.3替换管道substitute for silencer与待测消声器有相同长度和相同通道截面的空管道。3.4空管试验measurement for substitute消声器用替换管道代替时进行的测定。3.5静态试验static measurement关闭气流源,在无气流条件下进行的测定。3.6低噪声气流试验measurement underlownoise flow关闭噪声源,在低噪声平稳气流下进行的测定。3.7 静压 static pressure
国家技术监督局1995-06-15批准256
1996-02-01实施
GB/T 4760—1995
气流掠过开小孔管壁时,小孔处测到的气体压力。符号:p,单位:Pa。3.8全压 total pressure
闭管管口针对气流方向时,管内测到的气体压力。符号:pt;单位:Pa。3. 9 动压 kinetic pressure
气流中单位体积所具有的动能。符号:pv;单位:Pa。注:①在给定测点处,动压与气流速度的平方成正比,动压与静压之和等于全压。②沿管道横截面,与气流平均速度相对应的动压为平均动压,平均动压与静压之和为平全压。3.10压力损失pressureloss
待洲消温限有车平稳气落时消声器进口端与出口端平均全压的降低量。符地··原南a有体#有
法学经首位
时咨教源店学
微热找置如图1。
高服:点:海议的品同。
围下短于最低中心
中心线重合。过渡管道侧
、列的限值。
消声末端的典型设计可参考附
中心频率,Hz
声压反射系数 r
4.3噪声源
GB/T4760-1995
表1消声末端声压反射系数限值
125及125以上
4.3.1噪声源为向主管道提供平稳噪声的装置,通常由一个或几个扬声器所组成。扬声器应装在与主管道相连通的扬声器箱内,连通的总面积应不小于通道面积的40%,扬声器箱与管道连接处应采取隔振措施。
4.3.2扬声器箱应以厚实材料制成。扬声器应固定在箱内障板上,扬声器与障板间应装隔振垫,扬声器箱内应装适量的吸声材料。
4.3.3当主管道等效直径大于300mm时,应采取两个以上扬声器,各个扬声器的性能应相同,扬声器应相对于管轴对称装置,其音应同相激发。4.3.4扬声器用宽频带噪声信号来激发,噪声信号中心频率的范围应参照GB3240的规定。4.3.5在试验过程中,噪声源向主管道辐射的倍频程声压级应不低于90dB,声压级应保持稳定,随时间变化的范围应不大于士0.5dB。4.4低噪声气流源
4.4.1低噪声气流源为向主管道提供低噪声平稳气流的装置,其主体通常为一台具有足够风量和风压的风机。风机应装置在具有良好隔声性能的围蔽结构内,风机出口用软接管与管道系统连接。4.4.2气流源系统内应具有阀门或变速等控制装置,可以调节待测消声器内的气流速度。4.4.3风机与主管道间应接入消声器,以保证在试验频率范围内自风机进入主管道的噪声不会影响测量结果。
4.4.4进入主管道的噪声和气流应能互相独立地加以调节。根据实际需要,噪声传播方向与气流方向可以相同也可以相反。
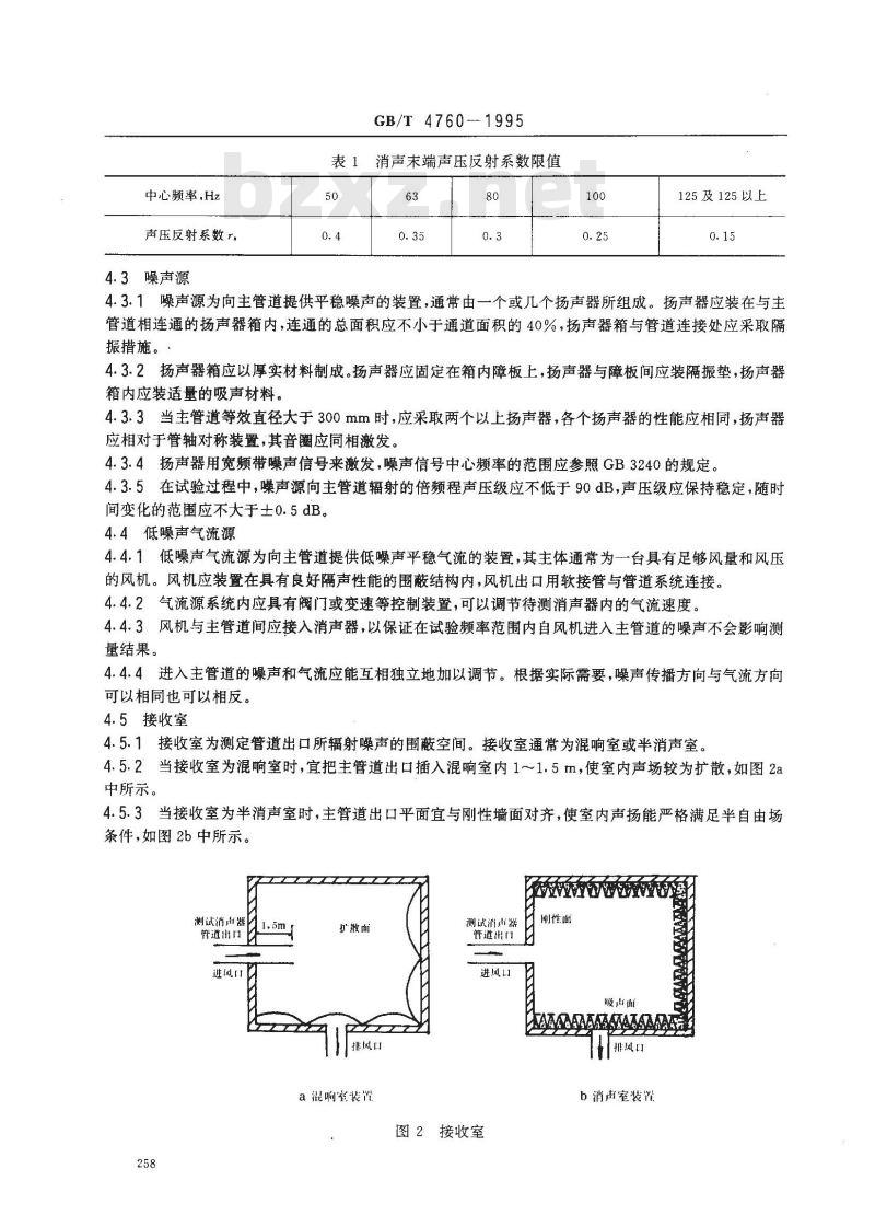
4.5接收室
4.5.1接收室为测定管道出口所辐射噪声的围蔽空间。接收室通常为混响室或半消声室。4.5.2当接收室为混响室时,宜把主管道出口插入混响室内1~1.5m,使室内声场较为扩散,如图2a中所示。
4.5.3当接收室为半消声室时,主管道出口平面宜与刚性墙面对齐,使室内声扬能严格满足半自由场条件,如图2b中所示。
测试消声器
肾道出口日
扩羧面
a混响室装管
刚性面
测试消南器
管道出门
进风叫
b消室装置
图2接收室
4.6测量仪器
GB/T 4760-1995
4.6.1测量时直接测出的声学量主要为倍频带或1/3倍频带声压级,它应使用声级计和配套的滤波器或功能相当的其他测量仪器进行测量。所用声级计应符合GB3785中关于1型声级计的规定,配套滤波器应符合GB3241的规定。
4.6.2每次试验以前与以后,应以准确度优于土0.5dB的声级校准器对声级计进行校准,前后两次校准的差值应不大于 1 dB。
4.6.3测量时直接测出的空气动力学量主要为气流速度和静压,它应分别使用毕托管和静压管配合微压计进行测量。在上游管道中如果有固定的孔板测流量装置,也可根据管道截面面积由气流流量来求出气流的平均流速。
4.6.4'空气动力性能测量装置应定期检验进行校准。5消声器插人损失的测定
5.1概述
5.1.1测定消声器插入损失时,应在装置消声器以前作空管试验,在给定测点上测出向下游辐射噪声的各倍频带或1/3倍频带声压级,由各测点声压级求出声功率级。然后用消声器换下替换管道进行试验,保持噪声源条件与空管试验时相同,并应适当调节气流源系统,使主管道内气流速度也与空管试验时相同。测出各频带相应的声功率级,由前后两次声功率级之差求出各频带的插入损失。5.1.2对每种工况应作低噪声气流试验,即在关闭噪声源的条件下作相应的测量,把测得的各频带声压级作为背景噪声级。由原来测得的声压级与背景噪声级的差值,按表2求出修正值K。表2频带声压级的背景噪声修正值K声压级差值,dB
修正值K,dB
声压级差值<4 dB的实验数据可作记录,但仅供参考。g~10
10以上
5.1.3选择多个测点时,各测点的频带声压级应先按能量法则进行平均,再由平均声压级与平均背景噪声级的差值,按表2求出修正值K。计算过程中,宜保留一位小数,最后所得频带插入损失的结果应取整数值。
5.1.4测定消声器插入损失时,般应优先采用混响室法,根据客观需要与可能,也可采用半消声室法或管道法。
5.2混响室法
5.2.1用混响室作为接收室时,自管口辐射入接收室的声功率级应按GB6881规定进行测定。对于插入损失,可只测定声功率级的相对变化部分。5.2.2试验时传声器应固定在支架上,测点应能重复准确定位,般应以延伸电缆使传声器与分析器相连接,使能在室外进行操作。5.2.3进行空管试验和相应的低噪声气流试验,测出各测点处的频带声压级和背景噪声级,按5.1.3和5.1.2规定求出平均后的频带声压级L,和相应的修正值Ki。5.2.4用消声器换下替换管道进行试验并进行相应的低噪声气流试验,测出各测点处的频带声压级和背景噪声级,按5.1.3和5.1.2规定求出平均后的频带声压级Lp2和相应的修正值K2。5.2.5各频带的插入损失由下式决定D - L - Lp + K, - K
GB/T 4760-1995
5.2.6当实际使用的噪声源声功率谱为已知时,由实测各频带的插入损失,可以求出A计权插入损失DA(见附录A)。
5.2.7对于诸如盘式消声器、消声弯头等与主管道进气方向不同的待测消声器,可把它装置在接收室内主管道出口处,然后按5.2.1至5.2.6规定进行测定。.5.3半消声室法
5.3.1用半消声室作为接收室时,自管口辐射入接收室的声功率级应按GB6882规定进行测定。对于插入损失,可只测定声功率级的相对变化部分。5.3.2试验时传声器应带鼻锥,装置条件应符合5.2.2规定的要求。5.3.3按5.2.3至5.2.7规定测定插入损失。5.4管道法
5.4.1用管道法测定插入损失时,测点应选择在消声器出口端下游管道平直部分的中部。主管道出口处应具有符合4.2.6规定要求的消声末端装置。5.4.2当管道等效直径不大于100mm时,可以只选择一个测点。测点位置宜选择在管道轴线上,也可选择在刚性侧壁上。当管道等效直径大于300mm时,应沿管道横截面选择多个测点,~般宜选择四个宜选择测点位置如图3所示。
●测点
a 矩形截面
图3四测点典型位置
5.4.3试验时传声器可直接固定在测点处,也可借助探管进行测声器或探管针对气流方向应装导流装置。测量装置的最大横截面面私5.4.4当主管道内气流速度大于15m/s时,测点位置宜选择在刚性侧传声器或探管,内侧装细网或微穿孔板等导流透声层。管壁上的固定装置装置如图4所示。
在谨的部间法
称测装置
根措施。典型
的:转
导流透用
a传声器
GB/T 4760—1995
导流透声层
隔振寨
传南器
至传声器
b探管
图4测点在刚性侧壁上的典型装置5.4.5按5.2.3至5.2.7规定测定插入损失。6气流噪声声功率级的测定
6.1概述
软接管
6.1.1本章规定测定的量为消声器中气流产生的噪声向下游管道辐射的声功率级。试验时应关闭噪声源在来流为低噪声气流的条件下进行测定。6.1.2测量声压级时,对每种给定的气流速度,应作相应的空管试验,把测得的各频带声压级作为背景噪声级。
6.1.3选择多个测点时,各测点的频带声压级应先按能量法则进行平均,再由平均声压级与平均背景噪声级的差值,按表2求出修正值K。各频带气流噪声声功率级的背景噪声修正取为K值。计算过程中,宜保留一位小数,最后所得频带声功率级的结果应取整数值。6.1.4由实测各频带声功率级,可以求出A计权声功率级E见附录A(补充件)]。6.1.5测定气流噪声声功率级时,一般应优先采用混响室法,根据客观需要和可能,也可采用半消声室法或管道法。
6.2混响室法
6.2.1用混响室作为接收室时,自管口辐射入接收室的声功率级应按GB6881规定进行。对于消声器中气流噪声向下游管道辐射的声功率级应加上管道末端反射的修正值Xr。X,值可根据管口频率参数计算[见附录B(补充件)]。
6.2.2按5.2.2规定装置传声器。6.2.3装置消声器后进行试验时,应先测出各测点处的频带声压级,再按能量法则求出平均声压级Lp.
6.2.4用替换管道换下消声器作空管试验时,应适当调节气流源系统,使主管道内气流速度与装置消声器进行试验时保持相同。由各测点处的频带声压级得到平均背景噪声级,求出背景噪声修正值K。6.2.5在试验前,按GBJ76的规定预先测定混响室在试验频带的混响时间t,并记录混响室的容积V和总表面积S。气流噪声的频带声功率级Lw由下式计算。Lw= L, - 10log + 10og+10log( 1+SA
13.5-K+X,
式中:Lw
GB/T 4760--1995下载标准就来标准下载网
频带声功率级,dB(基准值为1pW);频带平均声压级,dB(基准值为20 μPa);混响室混响时间,s,
混响室的容积,m;
Vo---- 1 m;
入——对应频带中心频率的波长,m;K——背景噪声修正值,dB;
X—管道末端反射修正值,dB。
6.3半消声室法
6.3.1用半消声室作为接收室时,自管口辐射入接收室的声功率级应按GB6882规定进行。对于消声器中气流噪声向下游管道辐射的声功率级,应加上管道末端修正值X'r。X'值可根据管口频率参数计算(见附录B)。
6.3.2按5.3.2规定装置传声器。6.3.3按6.2.3和6.2.4规定测出频带平均声压级L,及背景噪声修正值K。6.3.4测出测点主管口中心的距离r,气流噪声的声功率级Lw由下式计算。Lw = L, + 20 logr + 8- K + X'r式中:Lw-
频带声功率级,dB(基准值为1pW);L,
频带平均声压级,dB(基准值为20μPa);测点至管口中心距离,m;
K背景噪声修正值,dB;
X'——管道未端反射修正值,dB。6.4管道法
6.4.1按5.4.1至5.4.4规定选择测点和测量装置。6.4.2按6.2.3和6.2.4规定测出频带平均声压级L,及背景噪声修正值K。6.4.3测出消声器下游管道截面面积S.,气流噪声的声功率级Iw由下式计算:Lw = L, + 10 logS, - K
式中:Lw——
频带声功率级,dB(基准值为1pW);L,—频带平均声压级,dB(基准值为20 μPa)S,——消声器下游管道截面面积,m2;K背景噪声修正值,dB;
一管道末端反射修正值,dB。
7压力损失与阻力系数的测定
7.1概述
+**(3)
7.1.1试验时应在消声器进口端与出口端管道的平直部分的中部,各选一个测量截面。在给定气流速度下分别测出两个截面上的平均动压和静压,求出平均全压。由消声器两端平均全压的降低量得出压力损失,由压力损失与平均动压的比值得出阻力系数。当消声器两端管道截面面积相同时,压力损失就等262
GB/T 4760—1995
于两端静压之差。当消声器装置在接收室内主管道出口处时,其压力损失可分别测量消声器进口端全压和接受室内的静压,其差值为消声器压力损失。7.1.2一般宜采用毕托管测定气流的动压和速度,用静压管测定气流静压,压差用经过校正的微压计测定。
7.1.3气流与噪声同时进行测定时,测点应在不同截面上选择,以免相互干扰。7.2气流速度的测定
7.2.1测定管道中气流平均速度时,应在管道平直部分选择测量截面布置测点。测点数目应不少于8个,测点按面积均匀分布在整个截面上。7.2.2放置毕托管,使端部处在测点位置上,并针对气流方向。借助微压计,读取各测点的动压读数。各测点的气流速度由下式计算:t—20)/2p/1/2
293。
式中:v—-气流速度,m/s;
气流温度,℃,
p气体密度,kg/m,
p、—气流动压,即全压与静压之差,Pa。沿截面的气流平均速度元等于各测点气流速度的算术平均值。7.2.3实际测量时,气流平均速度可由下式计算:am
式中:—气流平均速度,m/s;
Um—截面中心处气流速度,m/ss-修正因子。
.(6)
α与管道截面形状及流速有关,但变化范围不大,可根据按7.2.1至7.2.2项规定所得实测结果按下式计算:
7.2.4如果管道系统中不存在漏风,并且在气流源有测量流量装置,给定截面处的气流平均速度也可由下式计算:
式中:元---—气流平均速度,m/s;U—气流体积流量,m\/s;
S截面面积,m\。
7.3静压与全压的测定
(8)
7.3.1测定管道中的静压p。时,可以只选择1个测点,静压管可从毕托管中分出,也可在管壁另开小孔接出。
GB/T 4760—1995
7.3.2沿给定截面的气流平均动压p近似可由下式计算:、=αpvm
式中:p-气流平均动压,Pa;
pvm——截面中心处的动压;
α——修正因子,由式(7)决定。7.3.3沿给定截面的气流平均全压P。可由下式计算:p=p+ ps
式中:pt-
气流平均全压,Pa;
p.气流平均动压,Pa
气流静压,Pa。
7.4压力损失的测定
7.4.1消声器的压力损失由下式计算:Ap = pt — p2
式中:△p——压力损失,Pa;
pm——进口端平均全压,Pa;
pt2 —出口端平均全压,Pa。
7.4.2当消声器两端管道截面面积相同时,压力损失可由下式计算:Ap p — ps2
式中:△p—压力损失,Pa;
进口端静压,Pa;
出口端静压,Pa。
7.5阻力系数的测定
消声器的阻力系数由下式计算:g = Ap/ pu
式中:——
阻力系数;
Ap——压力损失,Pa,
p——通道内气流平均动压,Pa。8消声器现场测量方法
8.1概述
·(10)
·(11)
·(12)
(13)
8.1.1现场测量的声学量,主要是在实际使用条件下消声器的插入损失。在装置消声器以前与以后进行测量时,应注意使实验工况和声场分布基本保持不变。插入损失由给定测点处前后两次测量所得声压264
级之差确定。
GB/T 4760—1995
8.1.2在给定测点上,一般应分别测量装置消声器以前和以后的A声级以及中心频率在63~8000Hz的倍频带声压级,由前后两次测量的差值分别得出A计权插入损失和各倍频带插入损失。8.1.3如有需要,可参照第7条的规定在现场测量消声器的压力损失。8.2测量仪器
8.2.1现场测量声压级一般应使用符合GB3785中关于2型或2型以上声级计的规定,也可使用准确度相当的其他测量仪器。测量倍频带声压级时所使用的倍频程滤波器应符合GB3241的有关规定。8.2.2每次测量以前和以后,应以准确度优于士0.5dB的声级校准器对声级计进行校准。前后两次校准的差值应不大于1dB。声级校准器和声级计或其它测量仪器应按有关规定检定,以保证测试仪器的准确度。
8.3插入损失的测量
8.3.1声场条件
测量过程中,装置消声器以前与以后的声场分布应基本相同。在一般情况,满足下列条件时可以认为声场分布近似保持不变:
管口的大小和形状在装置消声以前与以后基本相同;a.
b.管口与其周围3.5m以内的主要反射面之间,其相对位置在装置消声器以前与以后保持不变。
8.3.2测点位置
8.3.2.1测点相对于管口的位置在装置消声器以前与以后应保持不变。测点位置如图5所示:0
a装置消声器前
b装置消声器后
图5测点位置
图中A为测点,B为管口边缘上一点,对于矩形管道一般应取较长边的中点;r为A~B的距离,连线AB必须与管口中心轴线OO在同一平面上α为AB与OO'间的夹角。8.3.2.2对于管口等效直径不大于1m的进气或排气消声器,一般可取一个测点;对于管口等效直径大于1m的消声器,应围绕管口中心轴线选择3个或3个以上测点。8.3.2.3对于各类进气或排气消声器,测点距离r一般应取为1m。当管口等效直径小于0.13m时,r值也可取为0.5m;夹角α般应取为45°。8.3.2.4对于气体驰放排空消声器,测点距离r可以根据实际情况取为1m或大于1㎡的整数值;夹角α宜取为45°,当现场条件有困难时,也可取为90°或大于90°。8.3.2.5测点至附近反射面间的距离应不小于1m。8.3.3背景噪声的测量和修正
GB/T 4760—1995
8.3.3.1在装置消声器以前与以后应对背景噪声进行测量。般情况,在关闭被测机组的条件下测得的A声级或倍频带声压级可作为相应的背景噪声级。8.3.3.2当被测机组通过管口以外途径辐射噪声比较强烈时,一般按下面规定的方法估计背景噪声级:
在远离管口但靠近被测机组处选择辅助测点。辅助测点与给定测点至被测机组的距离大致相a.
同,辅助测点至管口的距离一般应大于 2m。b。在装置消声器的条件下对给定的工况进行测试,在辅助测点处测得的声压级作为相应的背景噪声级。
8.3.3.3对测得的声压级按表3作背景噪声修正,从测得的声压级数据中减去修正值K。表3
测得声压级与背景噪声级之差值dB
修正值K,dB
声压级差值小于3dB的实验数据可作记录,但仅供参考。8.3.4不符合规定要求的情况
10或10以上
当现场条件下不能满足8.3.1至8.3.3规定时,不能进行插入损失的测量,这时可参照8.3.2规定测量装置消声器以前和以后的声压级之差,并记录测量现场的环境状况,但测量结果并不代表消声器的插入损失,仅供参考。
8.4读数方法
8.4.1用声级计测量时应使用“慢”档。当声级计指针摆动幅度小于3dB时,可读取最大声压级与最小声压级间的平均值。摆动幅度大于3dB时,应取10s观察时间内的平均值。8.4.2对于每种工况,应取二次读数。如果二次读数相差大于3dB,就应再增加二次读数。最后结果取各次读数的平均值,并取整数值。8.4.3对于气体驰放排空消声器的测试,应读取在稳定排放情况下的最大值。8.4.4出现明显的离散频率噪声或脉冲噪声时,应在测试报告中注明。8.5测试条件
8.5.1消声器安装条件
测试时消声器安装条件应与实际使用时的安装条件相同。8.5.2测试工况
测试时装置消声器的被测机组及其附属设备应处于正常工作状况或额定工况。可在满负荷或空负荷工况下测试,也可在最大噪声工况下测试。装置消声器以前与以后的工况必须保持相同。8.5.3气象条件
测试过程应在风速小于6m/s的条件下进行,当风速大于2m/s时应使用风罩。8.6测试报告
测试报告应列出如下项目:
测试地点;
b.测试日期与时间;
测试人员;
测试装置及测点布置(附图);
使用仪器;
待测消声器
测试工况;
GB/T4760
—1995
应注明型号、序号及几何尺寸等资料;噪声测试数据
插入损失;
应包括装置消声以前与以后声压级测量值以及背景噪声级;气象资料应包括风速、温度及气压等;压力损失资料;
其他;
如有需要,应附上装置消声器以前与以后的照片。267
小提示:此标准内容仅展示完整标准里的部分截取内容,若需要完整标准请到上方自行免费下载完整标准文档。
中华人民共和国国家标准
消声器测量方法
Acoustics--Measurement procedure for silencers本标准规定消声器测量方法和要求。包括实验室测量和现场测量方法。测量的量主要为消声器的插入损失,也可测定下列量:气流噪声声功率级;
消声器压力损失和阻力系数。
本标准适用于以阻性为主的管道消声器。2引用标准
GB3102声学的量和单位
声学量的级及其基准值
GB 3238
GB3240
GB3241
GB 3785
GB3947
声学测量中的常用频率
声和振动分析用的1/1和1/3倍频程滤波器声级计的电、声性能及测试方法声学名词术语
厅掌混响时间测量规范
GBJ 76
GB6881
声学噪声声源功率级测定混响室精密法和工程法GB6882
声学
噪声声源功率级测定消声室和半消声室精密法3术语
3.1消声器插入损失insertionlossof silencerGB/T 4760—1995
代替GB4760--84
装置消声器以前与装置消声器以后相比较,管口辐射躁声的声功率级的降低量。符号:D;单位:分贝,dB
3.2消声末端
anechoic terminal
采取了消声措施的管道末端。它使由管口反射回管道内部的噪声可以忽略不计。3.3替换管道substitute for silencer与待测消声器有相同长度和相同通道截面的空管道。3.4空管试验measurement for substitute消声器用替换管道代替时进行的测定。3.5静态试验static measurement关闭气流源,在无气流条件下进行的测定。3.6低噪声气流试验measurement underlownoise flow关闭噪声源,在低噪声平稳气流下进行的测定。3.7 静压 static pressure
国家技术监督局1995-06-15批准256
1996-02-01实施
GB/T 4760—1995
气流掠过开小孔管壁时,小孔处测到的气体压力。符号:p,单位:Pa。3.8全压 total pressure
闭管管口针对气流方向时,管内测到的气体压力。符号:pt;单位:Pa。3. 9 动压 kinetic pressure
气流中单位体积所具有的动能。符号:pv;单位:Pa。注:①在给定测点处,动压与气流速度的平方成正比,动压与静压之和等于全压。②沿管道横截面,与气流平均速度相对应的动压为平均动压,平均动压与静压之和为平全压。3.10压力损失pressureloss
待洲消温限有车平稳气落时消声器进口端与出口端平均全压的降低量。符地··原南a有体#有
法学经首位
时咨教源店学
微热找置如图1。
高服:点:海议的品同。
围下短于最低中心
中心线重合。过渡管道侧
、列的限值。
消声末端的典型设计可参考附
中心频率,Hz
声压反射系数 r
4.3噪声源
GB/T4760-1995
表1消声末端声压反射系数限值
125及125以上
4.3.1噪声源为向主管道提供平稳噪声的装置,通常由一个或几个扬声器所组成。扬声器应装在与主管道相连通的扬声器箱内,连通的总面积应不小于通道面积的40%,扬声器箱与管道连接处应采取隔振措施。
4.3.2扬声器箱应以厚实材料制成。扬声器应固定在箱内障板上,扬声器与障板间应装隔振垫,扬声器箱内应装适量的吸声材料。
4.3.3当主管道等效直径大于300mm时,应采取两个以上扬声器,各个扬声器的性能应相同,扬声器应相对于管轴对称装置,其音应同相激发。4.3.4扬声器用宽频带噪声信号来激发,噪声信号中心频率的范围应参照GB3240的规定。4.3.5在试验过程中,噪声源向主管道辐射的倍频程声压级应不低于90dB,声压级应保持稳定,随时间变化的范围应不大于士0.5dB。4.4低噪声气流源
4.4.1低噪声气流源为向主管道提供低噪声平稳气流的装置,其主体通常为一台具有足够风量和风压的风机。风机应装置在具有良好隔声性能的围蔽结构内,风机出口用软接管与管道系统连接。4.4.2气流源系统内应具有阀门或变速等控制装置,可以调节待测消声器内的气流速度。4.4.3风机与主管道间应接入消声器,以保证在试验频率范围内自风机进入主管道的噪声不会影响测量结果。
4.4.4进入主管道的噪声和气流应能互相独立地加以调节。根据实际需要,噪声传播方向与气流方向可以相同也可以相反。
4.5接收室
4.5.1接收室为测定管道出口所辐射噪声的围蔽空间。接收室通常为混响室或半消声室。4.5.2当接收室为混响室时,宜把主管道出口插入混响室内1~1.5m,使室内声场较为扩散,如图2a中所示。
4.5.3当接收室为半消声室时,主管道出口平面宜与刚性墙面对齐,使室内声扬能严格满足半自由场条件,如图2b中所示。
测试消声器
肾道出口日
扩羧面
a混响室装管
刚性面
测试消南器
管道出门
进风叫
b消室装置
图2接收室
4.6测量仪器
GB/T 4760-1995
4.6.1测量时直接测出的声学量主要为倍频带或1/3倍频带声压级,它应使用声级计和配套的滤波器或功能相当的其他测量仪器进行测量。所用声级计应符合GB3785中关于1型声级计的规定,配套滤波器应符合GB3241的规定。
4.6.2每次试验以前与以后,应以准确度优于土0.5dB的声级校准器对声级计进行校准,前后两次校准的差值应不大于 1 dB。
4.6.3测量时直接测出的空气动力学量主要为气流速度和静压,它应分别使用毕托管和静压管配合微压计进行测量。在上游管道中如果有固定的孔板测流量装置,也可根据管道截面面积由气流流量来求出气流的平均流速。
4.6.4'空气动力性能测量装置应定期检验进行校准。5消声器插人损失的测定
5.1概述
5.1.1测定消声器插入损失时,应在装置消声器以前作空管试验,在给定测点上测出向下游辐射噪声的各倍频带或1/3倍频带声压级,由各测点声压级求出声功率级。然后用消声器换下替换管道进行试验,保持噪声源条件与空管试验时相同,并应适当调节气流源系统,使主管道内气流速度也与空管试验时相同。测出各频带相应的声功率级,由前后两次声功率级之差求出各频带的插入损失。5.1.2对每种工况应作低噪声气流试验,即在关闭噪声源的条件下作相应的测量,把测得的各频带声压级作为背景噪声级。由原来测得的声压级与背景噪声级的差值,按表2求出修正值K。表2频带声压级的背景噪声修正值K声压级差值,dB
修正值K,dB
声压级差值<4 dB的实验数据可作记录,但仅供参考。g~10
10以上
5.1.3选择多个测点时,各测点的频带声压级应先按能量法则进行平均,再由平均声压级与平均背景噪声级的差值,按表2求出修正值K。计算过程中,宜保留一位小数,最后所得频带插入损失的结果应取整数值。
5.1.4测定消声器插入损失时,般应优先采用混响室法,根据客观需要与可能,也可采用半消声室法或管道法。
5.2混响室法
5.2.1用混响室作为接收室时,自管口辐射入接收室的声功率级应按GB6881规定进行测定。对于插入损失,可只测定声功率级的相对变化部分。5.2.2试验时传声器应固定在支架上,测点应能重复准确定位,般应以延伸电缆使传声器与分析器相连接,使能在室外进行操作。5.2.3进行空管试验和相应的低噪声气流试验,测出各测点处的频带声压级和背景噪声级,按5.1.3和5.1.2规定求出平均后的频带声压级L,和相应的修正值Ki。5.2.4用消声器换下替换管道进行试验并进行相应的低噪声气流试验,测出各测点处的频带声压级和背景噪声级,按5.1.3和5.1.2规定求出平均后的频带声压级Lp2和相应的修正值K2。5.2.5各频带的插入损失由下式决定D - L - Lp + K, - K
GB/T 4760-1995
5.2.6当实际使用的噪声源声功率谱为已知时,由实测各频带的插入损失,可以求出A计权插入损失DA(见附录A)。
5.2.7对于诸如盘式消声器、消声弯头等与主管道进气方向不同的待测消声器,可把它装置在接收室内主管道出口处,然后按5.2.1至5.2.6规定进行测定。.5.3半消声室法
5.3.1用半消声室作为接收室时,自管口辐射入接收室的声功率级应按GB6882规定进行测定。对于插入损失,可只测定声功率级的相对变化部分。5.3.2试验时传声器应带鼻锥,装置条件应符合5.2.2规定的要求。5.3.3按5.2.3至5.2.7规定测定插入损失。5.4管道法
5.4.1用管道法测定插入损失时,测点应选择在消声器出口端下游管道平直部分的中部。主管道出口处应具有符合4.2.6规定要求的消声末端装置。5.4.2当管道等效直径不大于100mm时,可以只选择一个测点。测点位置宜选择在管道轴线上,也可选择在刚性侧壁上。当管道等效直径大于300mm时,应沿管道横截面选择多个测点,~般宜选择四个宜选择测点位置如图3所示。
●测点
a 矩形截面
图3四测点典型位置
5.4.3试验时传声器可直接固定在测点处,也可借助探管进行测声器或探管针对气流方向应装导流装置。测量装置的最大横截面面私5.4.4当主管道内气流速度大于15m/s时,测点位置宜选择在刚性侧传声器或探管,内侧装细网或微穿孔板等导流透声层。管壁上的固定装置装置如图4所示。
在谨的部间法
称测装置
根措施。典型
的:转
导流透用
a传声器
GB/T 4760—1995
导流透声层
隔振寨
传南器
至传声器
b探管
图4测点在刚性侧壁上的典型装置5.4.5按5.2.3至5.2.7规定测定插入损失。6气流噪声声功率级的测定
6.1概述
软接管
6.1.1本章规定测定的量为消声器中气流产生的噪声向下游管道辐射的声功率级。试验时应关闭噪声源在来流为低噪声气流的条件下进行测定。6.1.2测量声压级时,对每种给定的气流速度,应作相应的空管试验,把测得的各频带声压级作为背景噪声级。
6.1.3选择多个测点时,各测点的频带声压级应先按能量法则进行平均,再由平均声压级与平均背景噪声级的差值,按表2求出修正值K。各频带气流噪声声功率级的背景噪声修正取为K值。计算过程中,宜保留一位小数,最后所得频带声功率级的结果应取整数值。6.1.4由实测各频带声功率级,可以求出A计权声功率级E见附录A(补充件)]。6.1.5测定气流噪声声功率级时,一般应优先采用混响室法,根据客观需要和可能,也可采用半消声室法或管道法。
6.2混响室法
6.2.1用混响室作为接收室时,自管口辐射入接收室的声功率级应按GB6881规定进行。对于消声器中气流噪声向下游管道辐射的声功率级应加上管道末端反射的修正值Xr。X,值可根据管口频率参数计算[见附录B(补充件)]。
6.2.2按5.2.2规定装置传声器。6.2.3装置消声器后进行试验时,应先测出各测点处的频带声压级,再按能量法则求出平均声压级Lp.
6.2.4用替换管道换下消声器作空管试验时,应适当调节气流源系统,使主管道内气流速度与装置消声器进行试验时保持相同。由各测点处的频带声压级得到平均背景噪声级,求出背景噪声修正值K。6.2.5在试验前,按GBJ76的规定预先测定混响室在试验频带的混响时间t,并记录混响室的容积V和总表面积S。气流噪声的频带声功率级Lw由下式计算。Lw= L, - 10log + 10og+10log( 1+SA
13.5-K+X,
式中:Lw
GB/T 4760--1995下载标准就来标准下载网
频带声功率级,dB(基准值为1pW);频带平均声压级,dB(基准值为20 μPa);混响室混响时间,s,
混响室的容积,m;
Vo---- 1 m;
入——对应频带中心频率的波长,m;K——背景噪声修正值,dB;
X—管道末端反射修正值,dB。
6.3半消声室法
6.3.1用半消声室作为接收室时,自管口辐射入接收室的声功率级应按GB6882规定进行。对于消声器中气流噪声向下游管道辐射的声功率级,应加上管道末端修正值X'r。X'值可根据管口频率参数计算(见附录B)。
6.3.2按5.3.2规定装置传声器。6.3.3按6.2.3和6.2.4规定测出频带平均声压级L,及背景噪声修正值K。6.3.4测出测点主管口中心的距离r,气流噪声的声功率级Lw由下式计算。Lw = L, + 20 logr + 8- K + X'r式中:Lw-
频带声功率级,dB(基准值为1pW);L,
频带平均声压级,dB(基准值为20μPa);测点至管口中心距离,m;
K背景噪声修正值,dB;
X'——管道未端反射修正值,dB。6.4管道法
6.4.1按5.4.1至5.4.4规定选择测点和测量装置。6.4.2按6.2.3和6.2.4规定测出频带平均声压级L,及背景噪声修正值K。6.4.3测出消声器下游管道截面面积S.,气流噪声的声功率级Iw由下式计算:Lw = L, + 10 logS, - K
式中:Lw——
频带声功率级,dB(基准值为1pW);L,—频带平均声压级,dB(基准值为20 μPa)S,——消声器下游管道截面面积,m2;K背景噪声修正值,dB;
一管道末端反射修正值,dB。
7压力损失与阻力系数的测定
7.1概述
+**(3)
7.1.1试验时应在消声器进口端与出口端管道的平直部分的中部,各选一个测量截面。在给定气流速度下分别测出两个截面上的平均动压和静压,求出平均全压。由消声器两端平均全压的降低量得出压力损失,由压力损失与平均动压的比值得出阻力系数。当消声器两端管道截面面积相同时,压力损失就等262
GB/T 4760—1995
于两端静压之差。当消声器装置在接收室内主管道出口处时,其压力损失可分别测量消声器进口端全压和接受室内的静压,其差值为消声器压力损失。7.1.2一般宜采用毕托管测定气流的动压和速度,用静压管测定气流静压,压差用经过校正的微压计测定。
7.1.3气流与噪声同时进行测定时,测点应在不同截面上选择,以免相互干扰。7.2气流速度的测定
7.2.1测定管道中气流平均速度时,应在管道平直部分选择测量截面布置测点。测点数目应不少于8个,测点按面积均匀分布在整个截面上。7.2.2放置毕托管,使端部处在测点位置上,并针对气流方向。借助微压计,读取各测点的动压读数。各测点的气流速度由下式计算:t—20)/2p/1/2
293。
式中:v—-气流速度,m/s;
气流温度,℃,
p气体密度,kg/m,
p、—气流动压,即全压与静压之差,Pa。沿截面的气流平均速度元等于各测点气流速度的算术平均值。7.2.3实际测量时,气流平均速度可由下式计算:am
式中:—气流平均速度,m/s;
Um—截面中心处气流速度,m/ss-修正因子。
.(6)
α与管道截面形状及流速有关,但变化范围不大,可根据按7.2.1至7.2.2项规定所得实测结果按下式计算:
7.2.4如果管道系统中不存在漏风,并且在气流源有测量流量装置,给定截面处的气流平均速度也可由下式计算:
式中:元---—气流平均速度,m/s;U—气流体积流量,m\/s;
S截面面积,m\。
7.3静压与全压的测定
(8)
7.3.1测定管道中的静压p。时,可以只选择1个测点,静压管可从毕托管中分出,也可在管壁另开小孔接出。
GB/T 4760—1995
7.3.2沿给定截面的气流平均动压p近似可由下式计算:、=αpvm
式中:p-气流平均动压,Pa;
pvm——截面中心处的动压;
α——修正因子,由式(7)决定。7.3.3沿给定截面的气流平均全压P。可由下式计算:p=p+ ps
式中:pt-
气流平均全压,Pa;
p.气流平均动压,Pa
气流静压,Pa。
7.4压力损失的测定
7.4.1消声器的压力损失由下式计算:Ap = pt — p2
式中:△p——压力损失,Pa;
pm——进口端平均全压,Pa;
pt2 —出口端平均全压,Pa。
7.4.2当消声器两端管道截面面积相同时,压力损失可由下式计算:Ap p — ps2
式中:△p—压力损失,Pa;
进口端静压,Pa;
出口端静压,Pa。
7.5阻力系数的测定
消声器的阻力系数由下式计算:g = Ap/ pu
式中:——
阻力系数;
Ap——压力损失,Pa,
p——通道内气流平均动压,Pa。8消声器现场测量方法
8.1概述
·(10)
·(11)
·(12)
(13)
8.1.1现场测量的声学量,主要是在实际使用条件下消声器的插入损失。在装置消声器以前与以后进行测量时,应注意使实验工况和声场分布基本保持不变。插入损失由给定测点处前后两次测量所得声压264
级之差确定。
GB/T 4760—1995
8.1.2在给定测点上,一般应分别测量装置消声器以前和以后的A声级以及中心频率在63~8000Hz的倍频带声压级,由前后两次测量的差值分别得出A计权插入损失和各倍频带插入损失。8.1.3如有需要,可参照第7条的规定在现场测量消声器的压力损失。8.2测量仪器
8.2.1现场测量声压级一般应使用符合GB3785中关于2型或2型以上声级计的规定,也可使用准确度相当的其他测量仪器。测量倍频带声压级时所使用的倍频程滤波器应符合GB3241的有关规定。8.2.2每次测量以前和以后,应以准确度优于士0.5dB的声级校准器对声级计进行校准。前后两次校准的差值应不大于1dB。声级校准器和声级计或其它测量仪器应按有关规定检定,以保证测试仪器的准确度。
8.3插入损失的测量
8.3.1声场条件
测量过程中,装置消声器以前与以后的声场分布应基本相同。在一般情况,满足下列条件时可以认为声场分布近似保持不变:
管口的大小和形状在装置消声以前与以后基本相同;a.
b.管口与其周围3.5m以内的主要反射面之间,其相对位置在装置消声器以前与以后保持不变。
8.3.2测点位置
8.3.2.1测点相对于管口的位置在装置消声器以前与以后应保持不变。测点位置如图5所示:0
a装置消声器前
b装置消声器后
图5测点位置
图中A为测点,B为管口边缘上一点,对于矩形管道一般应取较长边的中点;r为A~B的距离,连线AB必须与管口中心轴线OO在同一平面上α为AB与OO'间的夹角。8.3.2.2对于管口等效直径不大于1m的进气或排气消声器,一般可取一个测点;对于管口等效直径大于1m的消声器,应围绕管口中心轴线选择3个或3个以上测点。8.3.2.3对于各类进气或排气消声器,测点距离r一般应取为1m。当管口等效直径小于0.13m时,r值也可取为0.5m;夹角α般应取为45°。8.3.2.4对于气体驰放排空消声器,测点距离r可以根据实际情况取为1m或大于1㎡的整数值;夹角α宜取为45°,当现场条件有困难时,也可取为90°或大于90°。8.3.2.5测点至附近反射面间的距离应不小于1m。8.3.3背景噪声的测量和修正
GB/T 4760—1995
8.3.3.1在装置消声器以前与以后应对背景噪声进行测量。般情况,在关闭被测机组的条件下测得的A声级或倍频带声压级可作为相应的背景噪声级。8.3.3.2当被测机组通过管口以外途径辐射噪声比较强烈时,一般按下面规定的方法估计背景噪声级:
在远离管口但靠近被测机组处选择辅助测点。辅助测点与给定测点至被测机组的距离大致相a.
同,辅助测点至管口的距离一般应大于 2m。b。在装置消声器的条件下对给定的工况进行测试,在辅助测点处测得的声压级作为相应的背景噪声级。
8.3.3.3对测得的声压级按表3作背景噪声修正,从测得的声压级数据中减去修正值K。表3
测得声压级与背景噪声级之差值dB
修正值K,dB
声压级差值小于3dB的实验数据可作记录,但仅供参考。8.3.4不符合规定要求的情况
10或10以上
当现场条件下不能满足8.3.1至8.3.3规定时,不能进行插入损失的测量,这时可参照8.3.2规定测量装置消声器以前和以后的声压级之差,并记录测量现场的环境状况,但测量结果并不代表消声器的插入损失,仅供参考。
8.4读数方法
8.4.1用声级计测量时应使用“慢”档。当声级计指针摆动幅度小于3dB时,可读取最大声压级与最小声压级间的平均值。摆动幅度大于3dB时,应取10s观察时间内的平均值。8.4.2对于每种工况,应取二次读数。如果二次读数相差大于3dB,就应再增加二次读数。最后结果取各次读数的平均值,并取整数值。8.4.3对于气体驰放排空消声器的测试,应读取在稳定排放情况下的最大值。8.4.4出现明显的离散频率噪声或脉冲噪声时,应在测试报告中注明。8.5测试条件
8.5.1消声器安装条件
测试时消声器安装条件应与实际使用时的安装条件相同。8.5.2测试工况
测试时装置消声器的被测机组及其附属设备应处于正常工作状况或额定工况。可在满负荷或空负荷工况下测试,也可在最大噪声工况下测试。装置消声器以前与以后的工况必须保持相同。8.5.3气象条件
测试过程应在风速小于6m/s的条件下进行,当风速大于2m/s时应使用风罩。8.6测试报告
测试报告应列出如下项目:
测试地点;
b.测试日期与时间;
测试人员;
测试装置及测点布置(附图);
使用仪器;
待测消声器
测试工况;
GB/T4760
—1995
应注明型号、序号及几何尺寸等资料;噪声测试数据
插入损失;
应包括装置消声以前与以后声压级测量值以及背景噪声级;气象资料应包括风速、温度及气压等;压力损失资料;
其他;
如有需要,应附上装置消声器以前与以后的照片。267
小提示:此标准内容仅展示完整标准里的部分截取内容,若需要完整标准请到上方自行免费下载完整标准文档。
标准图片预览:





- 其它标准
- 热门标准
- 国家标准(GB)
- GB/T2828.1-2012 计数抽样检验程序 第1部分:按接收质量限(AQL)检索的逐批检验抽样计划
- GB/T3836.1-2021 爆炸性环境 第1部分:设备 通用要求
- GB/T42854-2023 民用飞机客户培训飞行模拟机通用技术规范
- GB/T1804-2000 一般公差 未注公差的线性和角度尺寸的公差
- GB/T14039-2002 液压传动 油液固体颗粒污染等级代号
- GB/T228.1-2021 金属材料 拉伸试验 第1部分:室温试验方法
- GB/T14048.1-2023 低压开关设备和控制设备 第1部分:总则
- GB/T38627-2020 信息技术 实时定位 磁定位数据接口
- GB/T7534-1987 工业用挥发性有机液体沸程的测定
- GB50752-2012 电子辐射工程技术规范
- GB/T15449-1995 管壳额定开关用场效应晶体管空白详细规范
- GB/T18204.4-2000 公共场所毛巾、床上卧具微生物检验方法细菌总数测定
- GB/T19418-2003 钢的弧焊接头 缺陷质量分级指南
- GB8552-1987 电子器件详细规范 低功率非线绕固定电阻器 RJ13型金属膜固定电阻器评定水平E(可供认证用)
- GB5606.3-2005 卷烟 第3部分:包装、卷制技术要求及贮运
- 行业新闻
请牢记:“bzxz.net”即是“标准下载”四个汉字汉语拼音首字母与国际顶级域名“.net”的组合。 ©2025 标准下载网 www.bzxz.net 本站邮件:bzxznet@163.com
网站备案号:湘ICP备2025141790号-2
网站备案号:湘ICP备2025141790号-2