- 您的位置:
- 标准下载网 >>
- 标准分类 >>
- 国家标准(GB) >>
- GB/T 19599.1-2004 合成纤维渔网片试验方法 网片重量
标准号:
GB/T 19599.1-2004
标准名称:
合成纤维渔网片试验方法 网片重量
标准类别:
国家标准(GB)
英文名称:
Test methods for synthetic fiber fishing nets Net weight标准状态:
现行-
发布日期:
2004-11-09 -
实施日期:
2005-03-01 出版语种:
简体中文下载格式:
.rar.pdf下载大小:
145.37 KB
替代情况:
替代SC/T 5016.2-1988
点击下载
标准简介:
标准下载解压密码:www.bzxz.net
GB/T 19599的本部分规定了网片实测重量和网片公量的测定。本部分适用于渔网片的网片重量的测定。 GB/T 19599.1-2004 合成纤维渔网片试验方法 网片重量 GB/T19599.1-2004
部分标准内容:
ICS65.150
中华人民共和国国家标准
GB/T19599.1--2004
合成纤维渔网片试验方法
网片重量
Testiag method for fishing nets of synthetic fibre.Weight of netting
2004-11-09 发布
中华人民共和国国家质量监督检验检疫总局中国国家标准化管理委员会
2005-03-01实施
GB/T 19599.1—2004
GB/T19599&合成纤维渔网片试验方法》有下列标准:GB/T19599.1一2004合成纤维渔网片试验方法GB/T19599.22004&合成纤维网片试验方法本部分为GB/T19599的第1部分。本部分是在 SC/T 5016.2—1988渔网起,SC/T5016.2-·-1988自动废止。网片重量》
网片尺守。
网片重量测量方法》的基础上修定的。自本部分实施之日本标准的附录 A 为规范性附录,附录B为资料性附录。本部分由农业部渔业局提出。
本部分由全国水产标准化技术委员会渔具及渔具材料分技术委员会(TC156/SC4)归口。本部分起草单位:中国水产科学研究院东海水产研究所。本部分主要起草人石建高、榮秀芳。1范围
合成纤维渔网片试验方法
网片重量
GB/T19599的本部分规定了网片实测重量和网片公量的测定。本部分适用于渔网片的网片重量的测定。2规范性引用文件
GE/T 19599.1—2004
下列文件中的条款通过B/T 1959 的本部分的引用而成为本部分的条款。凡是注日期的引用文件,其随后所有的修改单(不包括勘误的内容)或订版均不适用于本部分,然而,鼓励根据本部分达成协议的各方研究是否可使用这些义件的最新版本。凡是不注日期的引用文件,其最新版本适用于本部分。
SC/T5001渔具材料基本术语
3术语和定义
下列术语和定义适用于GB/T19599的本部分。3.1
实谢重量(G,) actual weighl
在某…温、湿度条件下实际测得的重望。[SC/T 5001--1995,定义第 27 章3.2
公重(G,)conditioned weight
纤维材料及其制品按公定同潮率折算的重量。【SC/T5001-·1995,定义第28章】3.3
公定回潮率(W,)officialregain,conventionmoistureregain为贸易和检验等要求,对纤维材料及其制品所规定的回潮率(--般是参照标准回潮率拟定)。[SC/T 5001.. 1993,定义 20.2-3.4
实测回潮率(W)actualregain
在某一温、湿度条件下实际测得的回潮率。[SC/T50011995,定义20.3]
4试验项目
a)网片实测重量G,i
b)网片公鼠G。
5试验仪器
采用符合法定计量单位制的公制秤及检定有效之德器,精度不低于量程的士1%,分度值小于网片实测重量的1%。
GB/T 19599.1—2004
试验方法
6. 1网片实测重盘(G.)
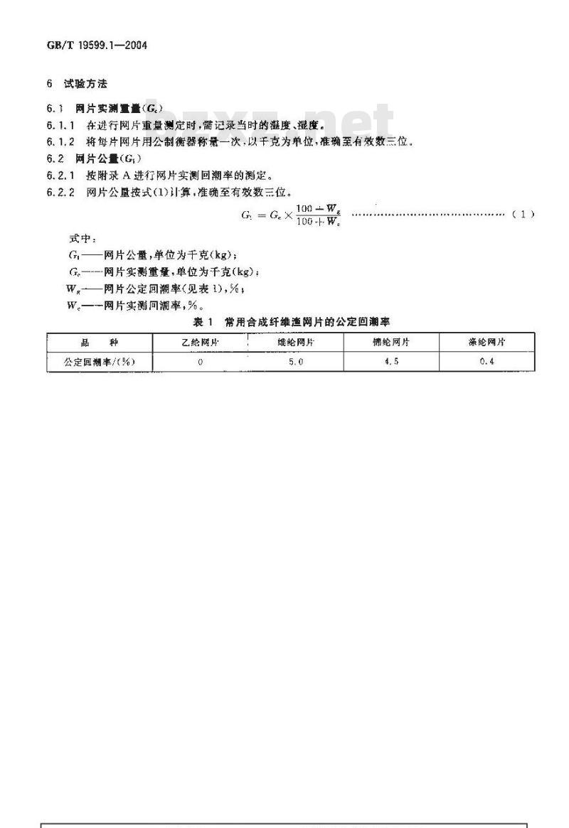
6.1.1在进行网片重量测定时,需记录当时的溢度、湿度。6.1.2将每片网片用公制衡器称量一次,以干克为单位,准确至有效数三位。6.2网片公量(G,)
6.2.1按附录A进行网片实测回潮率的测定。6,2.2网片公量按式(1)计算,准确至有效数三位。100 -W。
式中:
G,—网片公量,单位为于克(kg);G—-—-网片实测重量,单位为千克(kg):W—网片公定同潮率(见表1),%;W,一一网片实测回潮率,%。
装1常用合成纤维渣网片的公定回潮率品
公定回潮率/(%)
乙纶网片
维纶网片
锦纶网片
涤纶网片
A, 1 试验仪器
A.1.1烘箱测湿仪。
A,1.2天平,感量为0.01区
A.2取样
附录A免费标准bzxz.net
(规范性附录)
网片实剩回潮率W。的测定
GB/T 19599.1—2004
在每片样品的网片实测重量测定后,即在折登或打卷的样品的中央部位剪取约50名的试样一个:在供需双方认可的条件下,可按附录B规定的方法制备试样。A, 3 试验步骤
A.3.1烘箱测湿仪预热至烘干温度105℃士5℃。A.3.2试样剪取后迅速称取其质量 ms。A.3.3试样放入预热的烘箱测湿仪后开始计时,烘1h后开始称量,以后每隔0.51称量一次,直垒违续两次的质量差异不超过后一欲质量的0.1%。最后一次的量即为干媒质3gA.3.4试样质量称量准确至0.01%。A,年试验结果与讨算
网片实测回潮率按式(A.1)计算,取三次的算术平均值,精确至小数后两位。W, = zna
ng ×100+\
式中:
W。网片实测回潮率,%
试样干燥前质量,单位为克(g)tms
一试样干燥后质量,单位为克()。Tnig
GB/T 19599.1—2004
(资料性雕录)
实测回潮率试样的制备
取与网片样品同材料、向规格的渔网线或用该渔网线缩制成的与样品同规格之试样约50g,入已折叠或打卷的样品的中央部位,经24H以!自然乎衡,即制得网片实測回潮率的试样,注,从网片样品中取出的按上述方祛制备的试样后,应按6.1进行样品的网片实测重的测定及制备试样的回潮率测定。
小提示:此标准内容仅展示完整标准里的部分截取内容,若需要完整标准请到上方自行免费下载完整标准文档。
中华人民共和国国家标准
GB/T19599.1--2004
合成纤维渔网片试验方法
网片重量
Testiag method for fishing nets of synthetic fibre.Weight of netting
2004-11-09 发布
中华人民共和国国家质量监督检验检疫总局中国国家标准化管理委员会
2005-03-01实施
GB/T 19599.1—2004
GB/T19599&合成纤维渔网片试验方法》有下列标准:GB/T19599.1一2004合成纤维渔网片试验方法GB/T19599.22004&合成纤维网片试验方法本部分为GB/T19599的第1部分。本部分是在 SC/T 5016.2—1988渔网起,SC/T5016.2-·-1988自动废止。网片重量》
网片尺守。
网片重量测量方法》的基础上修定的。自本部分实施之日本标准的附录 A 为规范性附录,附录B为资料性附录。本部分由农业部渔业局提出。
本部分由全国水产标准化技术委员会渔具及渔具材料分技术委员会(TC156/SC4)归口。本部分起草单位:中国水产科学研究院东海水产研究所。本部分主要起草人石建高、榮秀芳。1范围
合成纤维渔网片试验方法
网片重量
GB/T19599的本部分规定了网片实测重量和网片公量的测定。本部分适用于渔网片的网片重量的测定。2规范性引用文件
GE/T 19599.1—2004
下列文件中的条款通过B/T 1959 的本部分的引用而成为本部分的条款。凡是注日期的引用文件,其随后所有的修改单(不包括勘误的内容)或订版均不适用于本部分,然而,鼓励根据本部分达成协议的各方研究是否可使用这些义件的最新版本。凡是不注日期的引用文件,其最新版本适用于本部分。
SC/T5001渔具材料基本术语
3术语和定义
下列术语和定义适用于GB/T19599的本部分。3.1
实谢重量(G,) actual weighl
在某…温、湿度条件下实际测得的重望。[SC/T 5001--1995,定义第 27 章3.2
公重(G,)conditioned weight
纤维材料及其制品按公定同潮率折算的重量。【SC/T5001-·1995,定义第28章】3.3
公定回潮率(W,)officialregain,conventionmoistureregain为贸易和检验等要求,对纤维材料及其制品所规定的回潮率(--般是参照标准回潮率拟定)。[SC/T 5001.. 1993,定义 20.2-3.4
实测回潮率(W)actualregain
在某一温、湿度条件下实际测得的回潮率。[SC/T50011995,定义20.3]
4试验项目
a)网片实测重量G,i
b)网片公鼠G。
5试验仪器
采用符合法定计量单位制的公制秤及检定有效之德器,精度不低于量程的士1%,分度值小于网片实测重量的1%。
GB/T 19599.1—2004
试验方法
6. 1网片实测重盘(G.)
6.1.1在进行网片重量测定时,需记录当时的溢度、湿度。6.1.2将每片网片用公制衡器称量一次,以干克为单位,准确至有效数三位。6.2网片公量(G,)
6.2.1按附录A进行网片实测回潮率的测定。6,2.2网片公量按式(1)计算,准确至有效数三位。100 -W。
式中:
G,—网片公量,单位为于克(kg);G—-—-网片实测重量,单位为千克(kg):W—网片公定同潮率(见表1),%;W,一一网片实测回潮率,%。
装1常用合成纤维渣网片的公定回潮率品
公定回潮率/(%)
乙纶网片
维纶网片
锦纶网片
涤纶网片
A, 1 试验仪器
A.1.1烘箱测湿仪。
A,1.2天平,感量为0.01区
A.2取样
附录A免费标准bzxz.net
(规范性附录)
网片实剩回潮率W。的测定
GB/T 19599.1—2004
在每片样品的网片实测重量测定后,即在折登或打卷的样品的中央部位剪取约50名的试样一个:在供需双方认可的条件下,可按附录B规定的方法制备试样。A, 3 试验步骤
A.3.1烘箱测湿仪预热至烘干温度105℃士5℃。A.3.2试样剪取后迅速称取其质量 ms。A.3.3试样放入预热的烘箱测湿仪后开始计时,烘1h后开始称量,以后每隔0.51称量一次,直垒违续两次的质量差异不超过后一欲质量的0.1%。最后一次的量即为干媒质3gA.3.4试样质量称量准确至0.01%。A,年试验结果与讨算
网片实测回潮率按式(A.1)计算,取三次的算术平均值,精确至小数后两位。W, = zna
ng ×100+\
式中:
W。网片实测回潮率,%
试样干燥前质量,单位为克(g)tms
一试样干燥后质量,单位为克()。Tnig
GB/T 19599.1—2004
(资料性雕录)
实测回潮率试样的制备
取与网片样品同材料、向规格的渔网线或用该渔网线缩制成的与样品同规格之试样约50g,入已折叠或打卷的样品的中央部位,经24H以!自然乎衡,即制得网片实測回潮率的试样,注,从网片样品中取出的按上述方祛制备的试样后,应按6.1进行样品的网片实测重的测定及制备试样的回潮率测定。
小提示:此标准内容仅展示完整标准里的部分截取内容,若需要完整标准请到上方自行免费下载完整标准文档。
标准图片预览:





- 其它标准
- 热门标准
- 国家标准(GB)
- GB/T18204.4-2000 公共场所毛巾、床上卧具微生物检验方法细菌总数测定
- GB/T11839-1989 二氧化铀芯块中硼的测定 姜黄素萃取光度法
- GB/T5738-1995 瓶装酒、饮料塑料周转箱
- GB/T28809-2012 轨道交通 通信、信号和处理系统 信号用安全相关电子系统
- GB/T21238-2007 玻璃纤维增强塑料夹砂管
- GB/T38780-2020 竹席
- GB/T1243-2024 传动用短节距精密滚子链、套筒链、附件和链轮
- GB/T14652.2-2001 小艇﹐非耐火燃油软管
- GB/T15917.3-1995 金属镝及氧化镝化学分析方法 对氯苯基荧光酮--溴化十六烷基三甲基胺分光光度法测定钽量
- GBN226-1984 石英玻璃退火点测试方法(拉丝法)
- GB5793-1986 字鼓式行式打印机色带卷轴基本尺寸
- GB/T20957.5-2007 精密加工中心检验条件 第5部分:工件夹持托板的定位精度和重复定位精度检验
- GB/T12611-2008 金属零(部)件镀覆前质量控制技术要求
- GB12951-2009 离子感烟火灾探测器用镅241α放射源
- GB/T23276-2009 钯化合物分析方法 钯量的测定 二甲基乙二醛肟析出EDTA络合滴定法
- 行业新闻
请牢记:“bzxz.net”即是“标准下载”四个汉字汉语拼音首字母与国际顶级域名“.net”的组合。 ©2025 标准下载网 www.bzxz.net 本站邮件:bzxznet@163.com
网站备案号:湘ICP备2025141790号-2
网站备案号:湘ICP备2025141790号-2