- 您的位置:
- 标准下载网 >>
- 标准分类 >>
- 其他行业标准 >>
- FZ/T 62029-2015手工粗布被套
标准号:
FZ/T 62029-2015
标准名称:
手工粗布被套
标准类别:
其他行业标准
英文名称:
Hand craft cloth quilt cover标准状态:
状态查询中-
发布日期:
2015-07-14 -
实施日期:
2016-01-01 -
作废日期:
2026-07-01 出版语种:
简体中文下载格式:
.pdf .zip
替代情况:
被FZ/T 62026-2024代替
点击下载
标准简介:
本标准规定了手工粗布被套的术语和定义、要求、抽样、试验方法、检验规则、标志、包装、运输和储存。
本标准适用于以纯棉手工粗布加工制作的被套。手工粗布枕套、垫套等参照执行。
本标准按照GB/T1.1—2009给出的规则起草。
本标准由中国纺织工业联合会提出。
本标准由全国家用纺织品标准化技术委员会床上用品分技术委员会(SAC/TC302/SC1)归口。
本标准起草单位:山西省纤维检验局、山西襄子老粗布有限公司、江苏省纺织产品质量监督检验研究院。
本标准主要起草人:亢秀杰、栗树斌、李辉、胡玉珍、范雷钧。
下列文件对于本文件的应用是必不可少的。凡是注日期的引用文件,仅注日期的版本适用于本文件。凡是不注日期的引用文件,其最新版本(包括所有的修改单)适用于本文件。
GB/T250 纺织品 色牢度试验 评定变色用灰色样卡
GB/T2910(所有部分) 纺织品 定量化学分析
GB/T3920 纺织品 色牢度试验 耐摩擦色牢度
GB/T3921—2008 纺织品 色牢度试验 耐皂洗色牢度
GB/T3922 纺织品 色牢度试验 耐汗渍色牢度
GB/T3923.1 纺织品 织物拉伸性能 第1部分:断裂强力和断裂伸长率的测定(条样法)
GB/T4802.2 纺织品 织物起毛起球性能的测定 第2部分:改型马丁代尔法
GB5296.4 消费品使用说明 第4部分:纺织品和服装
GB/T5713 纺织品 色牢度试验 耐水色牢度
GB/T8170 数值修约规则与极限数值的表示和判定
GB/T8427—2008 纺织品 色牢度试验 耐人造光色牢度:氙弧
GB/T8628 纺织品 测定尺寸变化的试验中织物试样和服装的准备、标记和测量
GB/T8629—2001 纺织品 试验用家庭洗涤和干燥程序
GB/T8630 纺织品 洗涤和干燥后尺寸变化的测定
GB/T13773.1 纺织品 织物及其制品的接缝拉伸性能 第1部分:条样法接缝强力的测定
GB/T14801 机织物与针织物纬斜和弓纬试验方法
GB18401 国家纺织产品基本安全技术规范
GB/T24121 纺织制品 断针类残留物的检测方法
GB/T29862 纺织品 纤维含量的标识
FZ/T01057(所有部分) 纺织纤维鉴别试验方法
部分标准内容:
中华人民共和国纺织行业标准
FZ/T62029—2015
手工粗布被套
Hand craft cloth quilt cover2015-07-14发布
中华人民共和国工业和信息化部发布
2016-01-01实施
本标准按照GB/T1.1一2009给出的规则起草,本标准由中国纺织工业联合会提出。FZ/T62029—2015
本标准由全国家用纺织品标准化技术委员会床上用品分技术委员会(SAC/TC302/SC1)归口本标准起草单位:山西省纤维检验局、山西襄子老粗布有限公司、江苏省纺织产品质量监督检验研究院。
本标准主要起草人:亢秀杰、栗树斌、李辉、胡玉珍、范雷钩。I
1范围
手工粗布被套
FZ/T62029—2015
本标准规定了手工粗布被套的术语和定义、要求、抽样、试验方法、检验规则、标志、包装、运输和储存。
本标准适用于以纯棉手工粗布加工制作的被套。手工粗布枕套、垫套等可参照执行。2规范性引用文件
下列文件对于本文件的应用是必不可少的。凡是注日期的引用文件,仅注日期的版本适用于本文件。凡是不注日期的引用文件,其最新版本(包括所有的修改单)适用于本文件。GB/T250纺织品色牢度试验评定变色用灰色样卡GB/T2910(所有部分)纺织品定量化学分析GB/T3920纺织品色牢度试验耐摩擦色牢度GB/T3921一2008纺织品色牢度试验耐皂洗色牢度GB/T3922
纺织品色牢度试验耐汗渍色牢度GB/T3923.1
纺织品织物拉伸性能第1部分:断裂强力和断裂伸长率的测定(条样法)GB/T4802.2纯
纺织品织物起毛起球性能的测定第2部分:改型马丁代尔法GB5296.4
GB/T5713
GB/T8170
消费品使用说明第4部分:纺织品和服装纺织品色牢度试验耐水色牢度
数值修约规则与极限数值的表示和判定GB/T8427一2008纺织品色牢度试验耐人造光色牢度:氙弧GB/T8628
纺织品测定尺寸变化的试验中织物试样和服装的准备、标记和测量GB/T8629—2001纺织品试验用家庭洗涤和干燥程序GB/T8630
纺织品洗涤和干燥后尺寸变化的测定GB/T13773.1纺织品织物及其制品的接缝拉伸性能第1部分:条样法接缝强力的测定机织物与针织物纬斜和弓纬试验方法GB/T14801
GB18401
国家纺织产品基本安全技术规范GB/T24121
纺织制品断针类残留物的检测方法GB/T29862纺织品纤维含量的标识FZ/T01057(所有部分)纺织纤维鉴别试验方法3术语和定义
下列术语和定义适用于本文件。3.1
手工粗布handcraftcloth
最终线密度为32tex及以上的纱线,经手工织造的纯棉面料。1
FZ/T62029—2015
4要求
产品等级分为优等品、一等品和合格品。产品质量分为内在质量和外观质量。4.2
3产品内在质量包括断裂强力、接缝强力、水洗尺寸变化率、起球、纤维含量、色牢度。内在质量要求4.3
见表1。
断裂强力/N
接缝强力/N
水洗尺寸变化率\/%
起球/级
纤维含量/%
色牢度/级
里、面料差绝对值≤3.0。
未经水洗整理
经水洗整理
耐皂洗
耐汗渍
耐摩擦
产品外观质量要求见表2。
规格尺寸偏差率/%
纬斜、花斜/%
色花、色差/级
色、污渍
外观疵点
线状疵点
条块状疵点
优等品
不允许
内在质量要求
优等品
外观质量要求
一等品
不允许
不允许
轻微不超过2处/面,每
处长度不超过8cm
轻微不超过2处/面,每
处长度不超过8cm
一等品
按GB/T29862执行
合格品
合格品
轻微允许3处/件
轻微不超过4处/面,每
处长度不超过8cm
轻微不超过4处/面,每
处长度不超过8cm
轻微不超过6处/面;明显不超过2处/面,每处长度不超过8cm
轻微不超过6处/面;明显不超过2处/面,每处长度不超过8cm
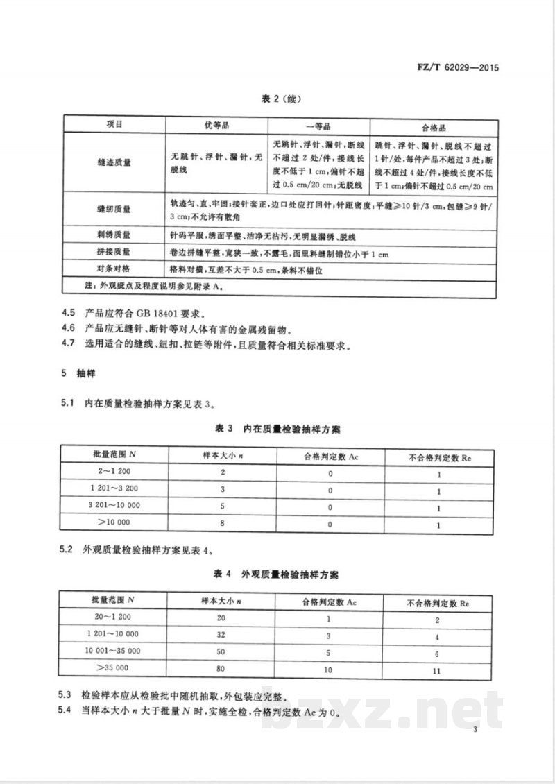
缝迹质量
缝纫质量
刺绣质量
拼接质量
对条对格
优等品
表2(续)
无跳针、浮针、漏针,无
一等品
无跳针、浮针、漏针,断线
不超过2处/件,接线长
度不低于1cm,偏针不超
过0.5cm/20cm;无脱线
FZ/T62029—2015
合格品
跳针、浮针、漏针、脱线不超过1针/处,每件产品不超过3处;断线不超过4处/件,接线长度不低于1cm;偏针不超过0.5cm/20cm
轨迹匀、直、牢固;接针套正,边口处应打回针;针距密度:平缝≥10针/3cm,包缝≥9针/3cm;不允许有散角
针码平服,绣面平整、洁净无沾污,无明显漏绣、脱线卷边拼缝平整,宽狭一致,不露毛,面里料缝制错位小于1cm格料对横,互差不大于0.5cm,条料不错位注:外观疵点及程度说明参见附录A。产品应符合GB18401要求。
产品应无缝针、断针等对人体有害的金属残留物。选用适合的缝线、纽扣、拉链等附件,且质量符合相关标准要求。5抽样
内在质量检验抽样方案见表3。
表3内在质量检验抽样方案
批量范围N
2~1200
1201~3200
3201~10000bZxz.net
>10 000
样本大小n
外观质量检验抽样方案见表4。
合格判定数Ac
外观质量检验抽样方案
批量范围N
20~1200
120110000
10001~35000
>35 000
样本大小n
检验样本应从检验批中随机抽取,外包装应完整。合格判定数Ac
当样本大小n大于批量N时,实施全检,合格判定数Ac为0。不合格判定数Re
不合格判定数Re
FZ/T62029—2015
6试验方法
6.1内在质量检验
6.1.1断裂强力检验按GB/T3923.1执行。6.1.2接缝强力检验按GB/T13773.1执行。6.1.3水洗尺寸变化率检验按GB/T8628、GB/T8629—2001和GB/T8630执行,选用5A程序,干燥方法A。
6.1.4起球检验按GB/T4802.2执行,以试样织物为磨料,摩擦次数2000次。6.1.5纤维含量检验按FZ/T01057、GB/T2910执行。6.1.6耐光色牢度检验按GB/T8427—2008方法3执行。6.1.7耐皂洗色牢度检验按GB/T3921一2008方法C(3)执行。6.1.8耐汗渍色牢度检验按GB/T3922执行。6.1.9耐水色牢度检验按GB/T5713执行。6.1.10耐摩擦色牢度检验按GB/T3920执行。6.2外观质量检验
6.2.1在自然北光或日光灯下进行,检验台表面照度不低于6001x,检验人员眼部距产品约1m左右,检验人员以目光进行检验。
6.2.2规格尺寸偏差率的测定:
a)工具:钢卷尺。
将产品平摊在检验台上,用手轻轻理平,使产品呈自然伸缩状态,用钢卷尺在整个产品实际内b)
围长、宽方向的四分之一和四分之三处测量,精确到1mm。规格尺寸偏差率按式(1)计算,计算结果按GB/T8170修约至一位小数。c)
P=Li-L。
式中:
P—规格尺寸偏差率;
×100%
L1——产品规格尺寸实测值,单位为毫米(mm);L。产品规格尺寸明示值,单位为毫米(mm)。6.2.3纬斜、花斜按GB/T14801执行。6.2.4色差、色花按GB/T250评定。6.3金属残留物检验
缝针、断针类金属残留物检验按GB/T24121执行。7检验规则
.(1)
7.1单件产品内在质量、外观质量分别按表1、表2中最低一项评等,综合质量按内在质量和外观质量中的最低等评定。
7.2内在质量批判定按表3执行,外观质量批判定按表4执行。不合格数小于或等于Ac,则判检验批合格;不合格数大于或等于Re,则判检验批不合格。7.3综合质量批判定按内在质量检验和外观质量检验中最低等评定。4
3标志、包装、运输和储存
FZ/T62029—2015
产品使用说明应符合GB5296.4的要求。产品应标明主要规格尺寸(宽度×长度),单位为厘米。8.1
并注明是否经水洗整理。未经水洗整理的产品应注明水洗后适用的被芯尺寸。8.2每件产品应有包装,包装大小根据具体产品而定。包装材料应选择适当,应保证不散落、不破损、不沾污、不受潮。
3产品在运输和储存中应防污、防潮、防火、防雨。8.3
9其他
特殊要求按双方合同协议的约定执行。5
FZ/T62029—2015
(资料性附录)
外观疵点及程度说明
线状疵点:沿经向或纬向延伸的,宽度不超过0.2cm的所有各类疵点。条块状疵点:沿经向或纬向延伸的,宽度超过0.2cm的疵点,不包括色、污渍。破损:相邻的纱、线断2根及以上的破洞,破边,0.3cm及以上的跳花。疵点轻微、明显程度规定见表A.1。表A.1
印染疵
纱、织疵
程度说明
参比GB/T250评定变色用灰色样卡,3-4级及以上为轻微,3-4级以下为明显轻微
条块状
粗度不大于纱支3倍的粗经,线状错经,稀1~2根纱的路,粗度不大于纱支3倍的粗纬,双纬,线状百脚,竹节纱等粗度大于纱支3倍的粗经,锯齿状错经,断经,跳纱,稀2根纱以上的路,粗度大于纱支3倍的粗纬、竹节纱,脱纬,锯齿状百脚,一梭3根的多纱,色、油、污纱等杂物织入,条干不匀,经缩波纹,叠起来看不易发现的稀密路,折痕不起毛并列跳纱,明显影响外观的杂物织人、条干不匀,叠起来看发现的稀密路,折痕起毛,经缩浪纹,宽0.2cm以上的路、针路等FZ/T62029-2015
中华人民共和国纺织
行业标准
手工粗布被套
FZ/T62029—2015
中国标准出版社出版发行
北京市朝阳区和平里西街甲2号(100029)北京市西城区三里河北街16号(100045)网址www.spc.net.cn
总编室:(010)68533533发行中心:(010)51780238读者服务部:(010)68523946
中国标准出版社秦皇岛印刷厂印刷各地新华书店经销
印张0.75字数14千字
开本880×12301/16
2015年9月第一版2015年9月第一次印刷*
书号:155066·2-28968定价
由本社发行中心调换
如有印装差错
版权专有侵权必究
举报电话:(010)68510107
小提示:此标准内容仅展示完整标准里的部分截取内容,若需要完整标准请到上方自行免费下载完整标准文档。
标准图片预览:





- 其它标准
- 上一篇: FZ/T 61010-2020山羊绒毯
- 下一篇: FZ/T 62031-2015针织被套
- 热门标准
- 其他行业标准
- QB/T1999-1994 密胺塑料餐具
- SH/T3022-2011 石油化工设备和管道涂料防腐蚀设计规范
- QB/T4996-2016 线香
- FZ/T92054-2010 倍捻锭子
- FZ/T62040-2019 纯棉絮棉
- HG/T3129-1998 整体多层夹紧式高压容器
- YB/T4453-2015 合金结构钢热轧盘条
- YS/T281.20-2011 钴化学分析方法 第20部分:氧量的测定 脉冲-红外吸收法
- QB/T4814-2015 香料 丙酸三环癸烯酯
- QX/T316-2016 气象预报传播质量评价方法及等级划分
- YS/T294-2011 冲压电池壳用硬质合金毛坯
- JB/T11142-2011 锂离子蓄电池充电设备通用要求
- QB/T4308-2012 双脂肪酸乙酯基羟乙基甲基硫酸甲酯铵
- HG/T2853-1997 异丙威原药
- YB/T5359-2010 压实股钢丝绳
- 行业新闻
网站备案号:湘ICP备2025141790号-2