- 您的位置:
- 标准下载网 >>
- 标准分类 >>
- 其他行业标准 >>
- FZ/T 52050-2018导电涤纶短纤维
标准号:
FZ/T 52050-2018
标准名称:
导电涤纶短纤维
标准类别:
其他行业标准
英文名称:
Conductive polyester staple fiber标准状态:
现行-
发布日期:
2018-04-30 -
实施日期:
2018-09-01 出版语种:
简体中文下载格式:
.pdf .zip
点击下载
标准简介:
本标准规定了导电涤纶短纤维的术语和定义、产品标识、技术要求、试验方法、检验规则和标志、包装、运输、贮存的要求。
本标准适用于线密度为2.5 dtex~3.5 dtex的圆形截面、碳黑导电涤纶短纤维。其他类型的导电短纤维可参照使用。
部分标准内容:
ICS59.060.20
中华人民共和国纺织行业标准
FZ/T52050—2018
导电涤纶短纤维
Conductivepolyesterstaplefiber2018-04-30发布
中华人民共和国工业和信息化部2018-09-01实施
本标准按照GB/T1.1--2009给出的规则起草。本标准由中国纺织工业联合会提出,本标准由上海市纺织工业技术监督所归口。FZ/T52050—2018
本标准起草单位:北京中纺优丝特种纤维科技有限公司、上海市纺织工业技术监督所、凯泰特种纤维科技有限公司。
本标准主要起草人:焦红娟、杨春喜、周祯德、许志强。I
1范围
导电涤纶短纤维
FZ/T52050—2018
本标准规定了导电涤纶短纤维的产品标识、技术要求、试验方法、检验规则和标志、包装、运输、贮存的要求。
本标准适用于线密度为2.5dtex~3.5dtex的圆形截面、碳黑导电涤纶短纤维。其他类型的导电短纤维可参照使用。
2规范性引用文件
下列文件对于本文件的应用是必不可少的。凡是注日期的引用文件,仅注日期的版本适用于本文件。凡是不注日期的引用文件,其最新版本(包括所有的修改单)适用于本文件。GB/T3291.1纺织纺织材料性能和试验术语第1部分:纤维和纱线GB/T3291.3纺织纺织材料性能和试验术语第3部分:通用GB/T4146(所有部分)纺织品化学纤维GB/T6503
GB/T6504
化学纤维
化学纤维
GB/T8170—2
GB/T14334
GB/T14335
GB/T14336
GB/T14337
GB/T14338
GB/T14339
GB/T14342
3术语和定义
回潮率试验方法
含油率试验方法
数值修约规则与极限数值的表示和判定化学纤维
化学纤维
化学纤维
化学纤维
化学纤维
化学纤维
化学纤维
短纤维取样方法
短纤维线密度试验方法
短纤维长度试验方法
短纤维拉伸性能试验方法
短纤维卷曲性能试验方法
短纤维疵点试验方法
短纤维比电阻试验方法
GB/T3291.1、GB/T3291.3和GB/T4146(所有部分)界定的以及下列术语和定义适用于本文件。3.1
导电涤纶短纤维
conductivepolyesterstaplefiber以涤纶为基材与碳黑导电性材料复合纺丝制成的短纤维。4产品标识
4.1产品规格以纤维线密度和切断长度表示。其中,线密度以分特(dtex)表示;切断长度以毫米(mm)表示。
示例:3.33dtex×51mm。
4.2产品标识应包含:规格、产品名称或批号等信息,可以有效区分。1
FZ/T52050—2018
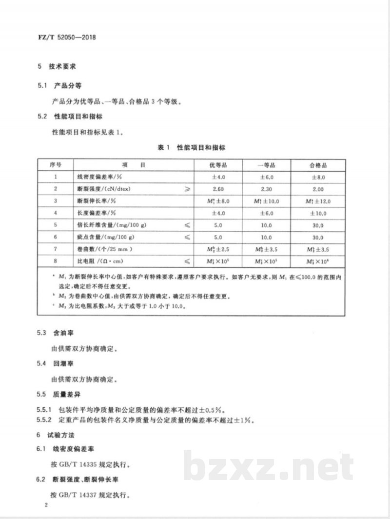
技术要求
产品分等
产品分为优等品、一等品、合格品3个等级。5.2
性能项目和指标
性能项目和指标见表1。
线密度偏差率/%
断裂强度/(cN/dtex))
断裂伸长率/%
长度偏差率/%
倍长纤维含量/(mg/100g)
疵点含量/(mg/100g)
卷曲数/(个/25mm)
比电阻/(α·cm)
性能项目和指标
优等品
Msx105
一等品
Msx105
合格品
M×106
M,为断裂伸长率中心值,如客户有特殊要求,遵照客户要求执行。如客户无要求,则M,在≤100.0的范围内选定,确定后不得任意变更。
,M,为卷曲数中心值,由供需双方协商确定,确定后不得任意变更。Ms为比电阻系数,Ms大于或等于1.0小于10.0。含油率bZxz.net
由供需双方协商确定。
回潮率
由供需双方协商确定。
质量差异
包装件平均净质量和公定质量的偏差率不超过土0.5%。定重产品的包装件名义净质量与公定质量的偏差率不超过士1%。试验方法
线密度偏差率
按GB/T14335规定执行。
断裂强度、断裂伸长率
按GB/T14337规定执行。
3长度偏差率、倍长纤维含量
按GB/T14336规定执行。
症点含量
按GB/T14339规定执行。
卷曲数
可采用仪器法和手工法2种方法,仲裁时采用仪器法。6.5.2
仪器法
按GB/T14338规定执行。
手工法
照布镜(放大倍数3×5×,测量距离25.4mm)、镊子、绒板等。6.5.3.2
试验条件
温度:(20士2)℃,相对湿度:(65士5)%。6.5.3.3
试验步骤
6.5.3.3.1按GB/T14334规定取出试验室样品。FZ/T52050—2018
2用镊子在试验室样品中,随机取出一根纤维,在不损伤卷曲的情况下将纤维平放在绒板上6.5.3.3.2
(绒板与纤维颜色成对比色),再把照布镜放到纤维上,使照布镜二边线与纤维轴向垂直。6.5.3.3.3通过放大镜读取25.4mm内的全部卷曲峰和卷曲谷个数。6.5.3.3.4重复6.5.3.3.2~6.5.3.3.3,测试20根纤维。6.5.3.4
结果计算
卷曲数按式(1)计算,保留一位小数。20
式中:
J,—卷曲数,个/25mm;
J:一各根纤维在25.4mm内的全部卷曲峰和卷曲谷个数。6.6比电阻
按GB/T14342规定执行。
6.7含油率
按GB/T6504规定执行。
FZ/T52050-2018
回潮率
按GB/T6503规定执行。
质量差异的测定
将批样品按GB/T14334规定得到包装件的净质量。6.9.1
将实验室样品按GB/T6503规定得到实测回潮率。6.9.2
6.9.3对N个包装件质量差异的计算公式见式(2)~式(5):m,:
1+R。
式中:
检验规则
包装件平均净质量,单位为千克(kg);每个包装件净质量,单位为千克(kg);包装件数量;
包装件公定质量,单位为千克(kg);涤纶短纤维的公定回潮率,其值为0.4%;实测回潮率,%;
包装件平均净质量和公定质量的偏差率,%;包装件名义净质量和公定质量的偏差率,%;包装件名义质量,单位为千克(kg)。检验项目
表1中所有项目均为考核项目。
7.2组批规则
一个生产批可由一个检验批或由若干个检验批组成。7.3取样规定
性能项目的取样按GB/T14334中产品取样方法规定进行。7.4综合评定
(2)
·(3)
(4)
·(5)
性能项目的测定值或计算值按GB/T8170一2008中修约值比较法与表1中的极限值比较,逐项判定等级,以各项质量指标中最低的等级判定该批产品的等级。4
7.5复验规则
7.5.1通则
FZ/T52050-2018
批产品到需方时应及时检查包装件的外包装、件数、质量与货单是否相符,如因运输、保管等原因影响品质时,应查明责任,由责任方负责。一批产品到收货方三个月内,对产品品质有异议时可提交复验。若该批产品的数量使用了三分之一以上时,不应申请复验。复验可在双方同意的任何一方进行,必要时可请仲裁检验机构按本标准要求取样、检验、仲裁。由于该批产品品质影响了后加工产品品质,并造成严重损失时,供需双方应分析原因、明确责任、协商处理。7.5.2检验项目
同7.1。
7.5.3取样规定
7.5.3.1性能项目试验按GB/T14334中包装件取样方法规定抽样检验,不得抽取在运输途中意外受潮、污染、擦伤或包装已经打开的包装件。7.5.3.2倍长纤维含量、疵点含量的试样量增加一倍。7.5.4
组批规定
按原生产批组批。
复验评定
按7.4进行等级评定,高于或等于原等级则判为符合,低于原等级则判为不符合。7.5.5.1
包装件平均净质量与公定质量的偏差率超过士0.5%,由供需双方协商确定。7.5.5.3
包装件名义质量与公定质量的偏差率超过士1%,由供需双方协商确定。8标志、包装、运输、购存
8.1标志
8.1.1包装件上应标明产品名称、规格、等级、批号、净质量、生产日期、商标、产品标准编号、生产企业名称、地址以及产品防护、搬运的警示标志。8.1.2产品印刷标志应明显且不褪色,防止油、色渗人包内污染纤维。8.2包装
8.2.1产品包装保持包型完整,纤维不外露。包装的质量应保证纤维不受损伤。8.2.2不同规格、批号的产品应分别包装。8.2.3产品包装应用塑料带、钢带或其他具有一定强度的打包带紧固。8.2.4非定重产品每包装件质量与同批定重产品名义质量的差异建议不超过士5%。8.3运输
运输和装卸时应按产品警示标志规定执行,采取相应防范措施,防止产品受潮、暴晒、污染和受损,严禁抛挪。
FZ/T52050—2018
8.4购存
包装件按批堆放,贮存在通风、干燥、清洁的仓库内,不应靠近火源、热源,避免阳光直射。6
小提示:此标准内容仅展示完整标准里的部分截取内容,若需要完整标准请到上方自行免费下载完整标准文档。
中华人民共和国纺织行业标准
FZ/T52050—2018
导电涤纶短纤维
Conductivepolyesterstaplefiber2018-04-30发布
中华人民共和国工业和信息化部2018-09-01实施
本标准按照GB/T1.1--2009给出的规则起草。本标准由中国纺织工业联合会提出,本标准由上海市纺织工业技术监督所归口。FZ/T52050—2018
本标准起草单位:北京中纺优丝特种纤维科技有限公司、上海市纺织工业技术监督所、凯泰特种纤维科技有限公司。
本标准主要起草人:焦红娟、杨春喜、周祯德、许志强。I
1范围
导电涤纶短纤维
FZ/T52050—2018
本标准规定了导电涤纶短纤维的产品标识、技术要求、试验方法、检验规则和标志、包装、运输、贮存的要求。
本标准适用于线密度为2.5dtex~3.5dtex的圆形截面、碳黑导电涤纶短纤维。其他类型的导电短纤维可参照使用。
2规范性引用文件
下列文件对于本文件的应用是必不可少的。凡是注日期的引用文件,仅注日期的版本适用于本文件。凡是不注日期的引用文件,其最新版本(包括所有的修改单)适用于本文件。GB/T3291.1纺织纺织材料性能和试验术语第1部分:纤维和纱线GB/T3291.3纺织纺织材料性能和试验术语第3部分:通用GB/T4146(所有部分)纺织品化学纤维GB/T6503
GB/T6504
化学纤维
化学纤维
GB/T8170—2
GB/T14334
GB/T14335
GB/T14336
GB/T14337
GB/T14338
GB/T14339
GB/T14342
3术语和定义
回潮率试验方法
含油率试验方法
数值修约规则与极限数值的表示和判定化学纤维
化学纤维
化学纤维
化学纤维
化学纤维
化学纤维
化学纤维
短纤维取样方法
短纤维线密度试验方法
短纤维长度试验方法
短纤维拉伸性能试验方法
短纤维卷曲性能试验方法
短纤维疵点试验方法
短纤维比电阻试验方法
GB/T3291.1、GB/T3291.3和GB/T4146(所有部分)界定的以及下列术语和定义适用于本文件。3.1
导电涤纶短纤维
conductivepolyesterstaplefiber以涤纶为基材与碳黑导电性材料复合纺丝制成的短纤维。4产品标识
4.1产品规格以纤维线密度和切断长度表示。其中,线密度以分特(dtex)表示;切断长度以毫米(mm)表示。
示例:3.33dtex×51mm。
4.2产品标识应包含:规格、产品名称或批号等信息,可以有效区分。1
FZ/T52050—2018
技术要求
产品分等
产品分为优等品、一等品、合格品3个等级。5.2
性能项目和指标
性能项目和指标见表1。
线密度偏差率/%
断裂强度/(cN/dtex))
断裂伸长率/%
长度偏差率/%
倍长纤维含量/(mg/100g)
疵点含量/(mg/100g)
卷曲数/(个/25mm)
比电阻/(α·cm)
性能项目和指标
优等品
Msx105
一等品
Msx105
合格品
M×106
M,为断裂伸长率中心值,如客户有特殊要求,遵照客户要求执行。如客户无要求,则M,在≤100.0的范围内选定,确定后不得任意变更。
,M,为卷曲数中心值,由供需双方协商确定,确定后不得任意变更。Ms为比电阻系数,Ms大于或等于1.0小于10.0。含油率bZxz.net
由供需双方协商确定。
回潮率
由供需双方协商确定。
质量差异
包装件平均净质量和公定质量的偏差率不超过土0.5%。定重产品的包装件名义净质量与公定质量的偏差率不超过士1%。试验方法
线密度偏差率
按GB/T14335规定执行。
断裂强度、断裂伸长率
按GB/T14337规定执行。
3长度偏差率、倍长纤维含量
按GB/T14336规定执行。
症点含量
按GB/T14339规定执行。
卷曲数
可采用仪器法和手工法2种方法,仲裁时采用仪器法。6.5.2
仪器法
按GB/T14338规定执行。
手工法
照布镜(放大倍数3×5×,测量距离25.4mm)、镊子、绒板等。6.5.3.2
试验条件
温度:(20士2)℃,相对湿度:(65士5)%。6.5.3.3
试验步骤
6.5.3.3.1按GB/T14334规定取出试验室样品。FZ/T52050—2018
2用镊子在试验室样品中,随机取出一根纤维,在不损伤卷曲的情况下将纤维平放在绒板上6.5.3.3.2
(绒板与纤维颜色成对比色),再把照布镜放到纤维上,使照布镜二边线与纤维轴向垂直。6.5.3.3.3通过放大镜读取25.4mm内的全部卷曲峰和卷曲谷个数。6.5.3.3.4重复6.5.3.3.2~6.5.3.3.3,测试20根纤维。6.5.3.4
结果计算
卷曲数按式(1)计算,保留一位小数。20
式中:
J,—卷曲数,个/25mm;
J:一各根纤维在25.4mm内的全部卷曲峰和卷曲谷个数。6.6比电阻
按GB/T14342规定执行。
6.7含油率
按GB/T6504规定执行。
FZ/T52050-2018
回潮率
按GB/T6503规定执行。
质量差异的测定
将批样品按GB/T14334规定得到包装件的净质量。6.9.1
将实验室样品按GB/T6503规定得到实测回潮率。6.9.2
6.9.3对N个包装件质量差异的计算公式见式(2)~式(5):m,:
1+R。
式中:
检验规则
包装件平均净质量,单位为千克(kg);每个包装件净质量,单位为千克(kg);包装件数量;
包装件公定质量,单位为千克(kg);涤纶短纤维的公定回潮率,其值为0.4%;实测回潮率,%;
包装件平均净质量和公定质量的偏差率,%;包装件名义净质量和公定质量的偏差率,%;包装件名义质量,单位为千克(kg)。检验项目
表1中所有项目均为考核项目。
7.2组批规则
一个生产批可由一个检验批或由若干个检验批组成。7.3取样规定
性能项目的取样按GB/T14334中产品取样方法规定进行。7.4综合评定
(2)
·(3)
(4)
·(5)
性能项目的测定值或计算值按GB/T8170一2008中修约值比较法与表1中的极限值比较,逐项判定等级,以各项质量指标中最低的等级判定该批产品的等级。4
7.5复验规则
7.5.1通则
FZ/T52050-2018
批产品到需方时应及时检查包装件的外包装、件数、质量与货单是否相符,如因运输、保管等原因影响品质时,应查明责任,由责任方负责。一批产品到收货方三个月内,对产品品质有异议时可提交复验。若该批产品的数量使用了三分之一以上时,不应申请复验。复验可在双方同意的任何一方进行,必要时可请仲裁检验机构按本标准要求取样、检验、仲裁。由于该批产品品质影响了后加工产品品质,并造成严重损失时,供需双方应分析原因、明确责任、协商处理。7.5.2检验项目
同7.1。
7.5.3取样规定
7.5.3.1性能项目试验按GB/T14334中包装件取样方法规定抽样检验,不得抽取在运输途中意外受潮、污染、擦伤或包装已经打开的包装件。7.5.3.2倍长纤维含量、疵点含量的试样量增加一倍。7.5.4
组批规定
按原生产批组批。
复验评定
按7.4进行等级评定,高于或等于原等级则判为符合,低于原等级则判为不符合。7.5.5.1
包装件平均净质量与公定质量的偏差率超过士0.5%,由供需双方协商确定。7.5.5.3
包装件名义质量与公定质量的偏差率超过士1%,由供需双方协商确定。8标志、包装、运输、购存
8.1标志
8.1.1包装件上应标明产品名称、规格、等级、批号、净质量、生产日期、商标、产品标准编号、生产企业名称、地址以及产品防护、搬运的警示标志。8.1.2产品印刷标志应明显且不褪色,防止油、色渗人包内污染纤维。8.2包装
8.2.1产品包装保持包型完整,纤维不外露。包装的质量应保证纤维不受损伤。8.2.2不同规格、批号的产品应分别包装。8.2.3产品包装应用塑料带、钢带或其他具有一定强度的打包带紧固。8.2.4非定重产品每包装件质量与同批定重产品名义质量的差异建议不超过士5%。8.3运输
运输和装卸时应按产品警示标志规定执行,采取相应防范措施,防止产品受潮、暴晒、污染和受损,严禁抛挪。
FZ/T52050—2018
8.4购存
包装件按批堆放,贮存在通风、干燥、清洁的仓库内,不应靠近火源、热源,避免阳光直射。6
小提示:此标准内容仅展示完整标准里的部分截取内容,若需要完整标准请到上方自行免费下载完整标准文档。
标准图片预览:





- 其它标准
- 热门标准
- 其他行业标准
- DGJ32J16-2014 住宅工程质量通病控制标准
- JB/T8974-2011 TAW系列增安型无刷励磁同步电动机技术条件
- QB/T2164-2013 家用和类似用途风扇型PTCR发热器
- JB/T11127-2010 印刷机械 光敏光聚合型直接制版冲版机
- JB/T9986-2013 工具热处理金相检验
- QB/T4639-2014 δ-十二内酯
- YB/T190.12-2014 连铸保护渣 三氧化二硼含量的测定 电感耦合等离子体原子发射光谱法
- YS/T832-2012 丁辛醇废催化剂化学分析方法 铑量的测定 电感耦合等离子体原子发射光谱法
- CECS:7094 建筑安装工程金属熔化焊焊缝射线照相检测标准CECS70:94
- TB/T2689.4-2018 铁路货物集装化运输 第4部分:一次性集装箱液体集装袋
- QB/T4549-2013 滑板鞋
- JB/T12150-2015 家用和类似用途电容性负载的电源开关
- QB/T1207.8-2011 二胡
- FZ/T81004-2012 连衣裙、裙套
- YS/T661-2016 电池级氟化锂
- 行业新闻
请牢记:“bzxz.net”即是“标准下载”四个汉字汉语拼音首字母与国际顶级域名“.net”的组合。 ©2025 标准下载网 www.bzxz.net 本站邮件:bzxznet@163.com
网站备案号:湘ICP备2025141790号-2
网站备案号:湘ICP备2025141790号-2