- 您的位置:
- 标准下载网 >>
- 标准分类 >>
- 其他行业标准 >>
- YS/T 42-2010钽酸锂单晶
标准号:
YS/T 42-2010
标准名称:
钽酸锂单晶
标准类别:
其他行业标准
英文名称:
Lithium tantalate single crystals标准状态:
现行-
发布日期:
2010-11-22 -
实施日期:
2011-03-01 出版语种:
简体中文下载格式:
.pdf .zip
标准ICS号:
冶金>>有色金属产品>>77.150.99其他有色金属产品中标分类号:
冶金>>有色金属及其合金产品>>H63稀有高熔点金属及其化合物
替代情况:
替代YS/T 42-1992
起草人:
郭顺、张学锋、吕晋文、梁斌、霍红凤起草单位:
宁夏东方钽业股份有限公司归口单位:
全国有色金属标准化技术委员会(SAC/TC 243)发布部门:
中华人民共和国工业和信息化部主管部门:
全国有色金属标准化技术委员会(SAC/TC 243)相关标签:
单晶
点击下载
标准简介:
本标准规定了钽酸锂单晶的要求、试验方法、检验规则、标志、包装、运输、贮存、质量证明书和合同(或订货单)内容。
本标准适用于提拉法生长的钽酸锂原生单晶经磨外圆后的产品。
本标准代替YS/T42—1992《钽酸锂单晶》。
本标准与YS/T42—1992标准相比,主要有如下变动:
———采用了YS/T554—2007中的术语和定义;
———在产品分类中增加了Y 轴向(Y36°、Y38.7°、Y42°、Y46°)系列的单晶;
———对晶体型号的表示方法进行了修订,去除了作为压电用途的表示,直接以晶体的轴向来表示;
———对产品技术要求进行了修订,增加了产品参考面宽度、居里温度。
本标准由全国有色金属标准化技术委员会(SAC/TC243)归口。
本标准起草单位:宁夏东方钽业股份有限公司。
本标准主要起草人:郭顺、张学锋、吕晋文、梁斌、霍红凤。
本标准所代替标准的历次版本发布情况为:
———YS/T42—1992。
下列文件对于本文件的应用是必不可少的。凡是注日期的引用文件,仅注日期的版本适用于本文件。凡是不注日期的引用文件,其最新版本(包括所有的修改单)适用于本文件。
GB/T11312 压电陶瓷材料和压电晶体声表面波性能测试方法
GB/T12634 压电晶体电弹常数测试方法
YS/T554—2007 铌酸锂单晶
部分标准内容:
中华人民共和国有色金属行业标准YS/T42—2010
代替YS/T42-1992
钼酸锂单晶
Lithiumtantalatesinglecrystals2010-11-22发布
中华人民共和国工业和信息化部2011-03-01实施
本标准代替YS/T42一1992《钼酸锂单晶》。本标准与YS/T42一1992标准相比,主要有如下变动:—采用了YS/T554-2007中的术语和定义;—在产品分类中增加了Y轴向(Y36°、Y38.7°Y42°Y46°)系列的单晶;YS/T42—2010
一对晶体型号的表示方法进行了修订,去除了作为压电用途的表示,直接以晶体的轴向来表示;一对产品技术要求进行了修订,增加了产品参考面宽度、居里温度。本标准由全国有色金属标准化技术委员会(SAC/TC243)归口。本标准起草单位:宁夏东方钼业股份有限公司。本标准主要起草人:郭顺、张学锋、吕晋文、梁斌、霍红凤。本标准所代替标准的历次版本发布情况为:-YS/T42—1992。
1范围
钼酸锂单晶
YS/T42—2010
本标准规定了酸锂单晶的要求、试验方法、检验规则、标志、包装、运输、贮存、质量证明书和合同(或订货单)内容。
本标准适用于提拉法生长的钼酸锂原生单晶经磨外圆后的产品。2
规范性引用文件
下列文件对于本文件的应用是必不可少的。凡是注日期的引用文件,仅注日期的版本适用于本文件。凡是不注日期的引用文件,其最新版本(包括所有的修改单)适用于本文件。2压电陶瓷材料和压电晶体声表面波性能测试方法GB/T11312
GB/T12634
压电晶体电弹常数测试方法
YS/T554—2007
术语和定义
锯酸锂单晶
YS/T554一2007中的术语和定义适用于本文件。4要求
4.1产品分类
4.1.1产品按晶体的生长方向分为X([11·0])轴向、Y(36°Y,38.7°Y,42°Y,46°Y)轴向、Z([00·1J)轴向系列单晶。
4.1.2产品按晶体的生长方向和直径分为不同型号,型号表示方法如下:LT
表示直径,单位为毫米(mm);表示X轴向;
表示钼酸锂单晶。
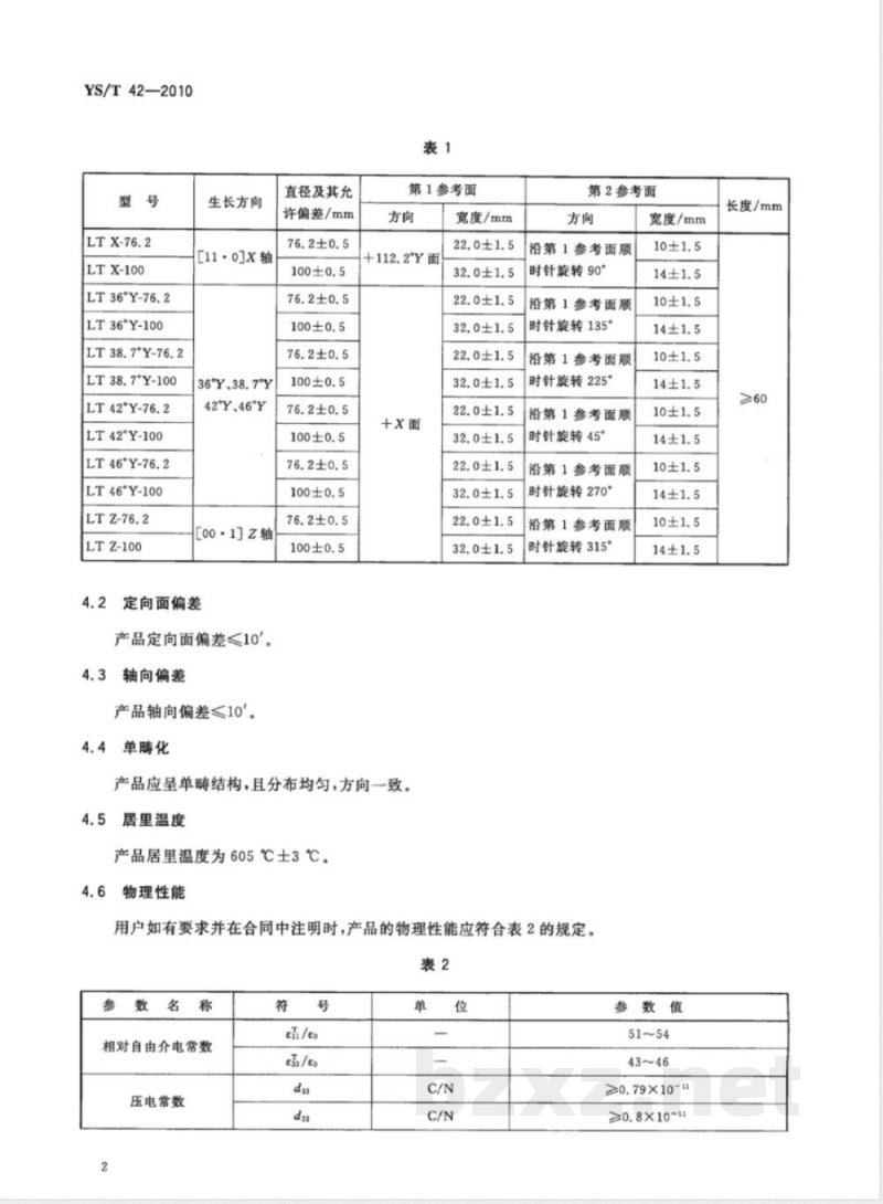
3产品的型号及尺寸应符合表1的规定。4.1.3
YS/T42—2010
LTX-100
LT36°Y-76.2
LT36°Y-100
LT 38.7°Y-76.2
LT38.7°Y-100
LT42°Y-76.2
LT42°Y-100
LT46°Y-76.2
LT46°Y-100
LTZ-100
生长方向
[11·o]X轴
36Y、38.7Y
42Y、46°Y
[00·]Z轴
定向面偏差
产品定向面偏差《10'。
轴向偏差
产品轴向偏差≤10'。
4.4单畴化
直径及其允
许偏差/mm
76.2±0.5
76.2±0.5
76.2±0.5
76.2±0.5
76.2±0.5
76.2±0.5
第1参考面
+112.2°Y面
产品应呈单畴结构,且分布均匀,方向一致。4.5居里温度
产品居里温度为605℃土3℃。
4.6物理性能
宽度/mmbzxZ.net
22.0±1.5
32.0±1.5
22.0±1.5
32.0±1.5
22.0±1.5
32.0±1.5
22.0±1.5
32.0±1.5
22.0±1.5
32.0±1.5
22.0±1.5
32.0±1.5
第2参考面
沿第1参考面顺
时针旋转90°
沿第1参考面顺
时针旋转135°
沿第1参考面顺
时针旋转225°
沿第1参考面顺
时针旋转45°
沿第1参考面顺
时针旋转270°
沿第1参考面顺
时针旋转315°
用户如有要求并在合同中注明时,产品的物理性能应符合表2的规定。表2
相对自由介电常数
压电常数
宽度/mm
参数值
≥0.79×10-11
≥0.8×10-11
长度/mm
声表面波速度
机电耦合系数
外观质量
表2(续)
YS/T42—2010
参数值
X轴向传播
112.2°Y向传播
X轴向传播
112.2°Y向传播
4022~4160
3290~3300
产品经磨光后,应呈无色、淡绿色、淡黄色或淡粉红色,内部应无云层、过冷环、气泡和散射颗粒等缺陷。
5试验方法
5.1产品尺寸
产品尺寸用相应精度的量具测量。5.2定向面偏差
产品定向面偏差采用X射线衍射仪进行检测。5.3轴向偏差
产品轴向偏差按照YS/T554--2007中附录A的规定进行检测。5.4单畴化
产品单畴化按照本标准附录A的规定进行检测。5.5居里温度
产品居里温度按照YS/T554一2007中附录C的规定进行检测。5.6物理性能
酸锂单晶的相对自由介电常数、压电常数、机电耦合系数的检测按照GB/T12634的规定进行。
5.6.2钼酸锂单晶的声表面波速度的检测按照GB/T11312的规定进行。5.7外观质量
在绿色激光束照射或灯光下用目视检测。6检验规则
6.1检查和验收
6.1.1产品应由供方进行检验,保证产品质量符合本标准及合同(或订货单)的规定,并填写质量证3
YS/T42—2010
明书。
6.1.2需方可对收到的产品按本标准及合同(或订货单)的规定进行检验,如检验结果与本标准及合同(或订货单)的规定不符时,应在收到产品之日起30天内向供方提出,由供需双方协商解决。如需仲裁,仲裁取样在需方由供需双方共同进行。6.2组批
产品应成批提交验收,每批应由同一型号的产品组成。6.3
检验项目及取样
每批产品的检验项目及取样数量见表3。表3
检验项目
定向面偏差
轴向偏差
单畴化
居里温度
物理性能
外观质量
6.4检验结果的判定
取样数量
任取一根/批
要求的章条号
试验方法的章条号
6.4.1产品尺寸、定向面偏差、轴向偏差、单畴化、居里温度、外观质量检验不合格时,判该根产品不合格。
6.4.2产品物理性能检验结果不合格时,则从该批产品中另取双倍试样进行重复试验,重复试验后仍有一个结果不符合不合格时,则判该批产品不合格。7标志、包装、运输、贮存和质量证明书7.1标志
在已检验合格的每根产品上应作如下标志:供方名称;
产品名称、型号;
生产批号。
2包装
酸锂单晶的包装应确保单晶不受损伤。7.2.2
每个包装箱上应注明:供方名称、产品名称、型号,并有“防潮”、“轻放”字样或标志。7.3运输
运输时应防潮和避免剧烈震动。4
7.4贮存
产品应存放在干燥、通风和无腐蚀性气体的库房中,避免阳光照射。质量证明书
每批产品应附有质量证明书,其上注明:a)
供方名称、地址、电话、传真;b)
产品名称、型号;
批号;
净重或产品根数;
各项分析检验结果和供方质检部门检印;本标准编号;
检验日期。
合同(或订货单)内容
订购本标准所列产品的合同(或订货单)内应包括下列内容:产品名称;
b)产品型号;
质量或产品根数;
其他特殊要求;
本标准编号。
YS/T42—2010
YS/T42—2010
A.1范围
附录A
(规范性附录)
钼酸锂单晶棒单畴化检测方法
本附录规定了用散射光路法和腐蚀法检测钼酸锂单晶棒的单畴化,本附录适用于提拉法生长的钼酸锂单晶棒。散射光路法不适合用铱金埚生长的晶体。晶体X面不宜用腐蚀法检验其单畴化,必须要检验晶体X面单畴化时,需要切取与晶体Z轴有一定夹角的晶体片进行腐蚀检验。
A.2原理
散射光路法利用多畴钼酸锂单晶体畴壁对氨-氛激光束有较强的散射作用,用氮-氛激光束照射钮酸锂晶体时,晶体内存在明显的红色散射光路。晶体单畴化处理后,畴壁消失,光散射效应同时消失。根据氨-氛激光在晶体内的散射情况,对晶体的畴结构作出判断。腐蚀法利用多畴晶体通过单畴化处理变成单畴晶体,一端为正畴,另一端为负畴。利用正畴腐蚀速度慢而负畴腐蚀速度快的特性所显示出的畴结构图形的不同来判断。A.3检测方法
A.3.1散射光路法
A.3.1.1检测仪器
氨氯激光器,功率10mW。
b)暗室。
A.3.1.2试样
原生或经加工面抛光的晶体。
A.3.1.3检测步骤
A.3.1.3.1在暗室中接通氨-激光器电源,产生激光束。A.3.1.3.2将晶体置于被激光束穿过的位置,仔细移动晶体,使激光束逐渐通过晶体各个部位。激光束从X方向照射晶体时,要在Y方向观察光路散射情况;激光束从Y方向照射晶体时,要在X方向观察光路散射情况;或激光束垂直于拉晶轴照射晶体,晶体沿提拉轴旋转,观察晶体中的光路散射情况。避免沿乙轴方向照射。
A.3.1.4结果判断
观察到晶体内部有明显红色散射光路者为多畴结构;观察不到散射光路者可认为单畴结构;局部有散射光路者为局部多畴结构。
腐蚀法
硝酸(HNO):65%~68%;
氢氟酸(HF):40%;
腐蚀液:HNO:HF=2:1(体积比)。A.3.2.2
设备和仪器
内圆切割机;
金相显微镜;
水浴器;
铂金;
电炉,1kW;
耐酸塑料容器和塑料篮。
在单畴化处理后的晶体头尾接触电极两端面各切1mm厚晶片弃去;两端分别切取1.0mm厚晶片各一片;YS/T42-2010
用平均粒径12μm15μm的碳化硅磨料粗磨后,再用平均粒径6μm~9μm的碳化硅磨料细磨,直到在金相显微镜下观察为均勾毛玻璃状,无亮点和机械划痕为止。检测步骤
A.3.2.4.1水浴热腐蚀法
试样放人塑料篮内,再将塑料篮置于盛腐蚀液的塑料容器中,至试样浸没,盖封。然后将塑料容器置于水浴器内,在电炉上加热,水沸后保持4h。A.3.2.4.2热腐蚀法
将试样放入铂金埚内,戴防酸手套小心注入腐蚀液至试样浸没,在电炉上加热,煮沸40min。A.3.2.5清洗
用清水将吸附在试样上的腐蚀液充分洗净,并用擦镜纸擦干。A.3.2.6
结果判断
试样在放大400倍的金相显微镜下观察,按双方认可的腐蚀图片进行判断。YS/T42-2010
中华人民共和国有色金属
行业标准
钽酸锂单晶
YS/T42—2010
中国标准出版社出版发行
北京复兴门外三里河北街16号
邮政编码:100045
网址www.spc.net.cn
电话:6852394668517548
中国标准出版社秦皇岛印刷厂印刷各地新华书店经销
开本880×12301/16
2011年1月第一版
字数14千字
2011年1月第一次印刷
书号:155066·2-21479定价16.00元如有印装差错
由本社发行中心调换
版权专有侵权必究
举报电话:(010)68533533
小提示:此标准内容仅展示完整标准里的部分截取内容,若需要完整标准请到上方自行免费下载完整标准文档。
标准图片预览:





- 其它标准
- 上一篇: YS/T 402-2016二氧化锆
- 下一篇: YS/T 351-2015钛铁矿精矿
- 热门标准
- 其他行业标准
- CECS353-2013 生态格网结构技术规程
- CNCA-C11-11:2014 强制性产品认证实施规则 汽车燃油箱
- HG/T3663-2014 胶鞋抗菌性能试验方法
- JB/T11313-2012 电袋复合除尘器用旁路阀
- JB/T11156-2011 塔式起重机 起升机构
- QJLPK0001S-2016 吉林普康农业有限公司 胚芽米
- QB/T1733.5-2015 油炸花生仁
- FZ/T14020-2020 涂料染色水洗棉布
- FZ/T64028-2021 衬纬经编针织粘合衬
- QDLBG0001S-2016 吉林绿波中药药业有限公司 桦褐孔菌茶
- QHZS0001S-2016 河南省杂粮先生食品有限公司 方便粥(粉)
- YS/T807.12-2012 铝中间合金化学分析方法 第12部分:铜含量的测定 硫代硫酸钠滴定法
- JB/T9123-2010 印刷机械 热熔胶订包封皮机
- YS/T349.4-2010 硫化钴精矿化学分析方法 第4部分:二氧化硅量的测定 氟硅酸钾容量法
- YB/T4265-2011 炼钢用预熔型铝酸钙
- 行业新闻
网站备案号:湘ICP备2025141790号-2