- 您的位置:
- 标准下载网 >>
- 标准分类 >>
- 其他行业标准 >>
- YS/T 1118-2016正丙基钠/钾黄药
- 标准号: - YS/T 1118-2016
- 标准名称: - 正丙基钠/钾黄药
- 标准类别: - 其他行业标准
- 英文名称: Sodium/potassium n-propyl xanthate
- 标准状态: 现行
- 
          	发布日期: 2016-07-11
- 
		 实施日期: 2017-01-01
- 出版语种: 简体中文
- 下载格式: .pdf .zip
 标准简介/下载
标准简介/下载点击下载
标准简介:
					本标准规定了正丙基钠/钾黄药的要求、试验方法、检验规则及包装、标志、运输和贮存、质量证明书及订货单(或合同)。本标准适用于以正丙醇、二硫化碳和氢氧化钠(氢氧化钾)为原料生产的正丙基钠/钾黄药工业用品,该产品主要作为有色金属矿石浮选的捕收剂。
 标准内容
标准内容部分标准内容:
					
					ICS71.100.40
中华人民共和国有色金属行业标准YS/T1118—2016
正丙基钠/钾黄药
Sodium/potassiumn-propylxanthate2016-07-11发布
中华人民共和国工业和信息化部发布
2017-01-01实施
本标准按照GB/T1.1一2009给出的规则起草,本标准由全国有色金属标准化技术委员会(SAC/TC243)提出并归口。本标准主要起草单位:铁岭选矿药剂有限公司。本标准参加起草单位:北京矿冶研究总院。本标准主要起草人:姚萍、沈丽菲、张春海、吴桂叶、李成必、何伟、范志鸿、刘龙利YS/T1118—2016bzxZ.net
1范围
正丙基钠/钾黄药
YS/T1118—2016
本标准规定了正丙基钠/钾黄药的要求、试验方法、检验规则及包装、标志、运输和贮存、质量证明书及订货单(或合同)。
本标准适用于以正丙醇、二硫化碳和氢氧化钠(氢氧化钾)为原料生产的正丙基钠/钾黄药工业用品,该产品主要作为有色金属矿石浮选的捕收剂。2规范性引用文件
下列文件对于本文件的应用是必不可少的。凡是注日期的引用文件,仅注日期的版本适用于本文件。凡是不注日期的引用文件,其最新版本(包括所有的修改单)适用于本文件。GB/T325包装容器钢桶
GB/T10454集装袋
YS/T271(所有部分)
黄药化学分析方法
SN/T0273出口商品运输包装木箱检验规程3要求
3.1产品牌号、品种、化学结构式、化学名称和产品性状正丙基钠/钾黄药的牌号、品种、化学结构式、化学名称和产品性状应符合表1的规定。表1正丙基钠/钾黄药的牌号、品种、化学结构式、化学名称和产品性状牌号
B1—08
正丙基钠黄药
正丙基钾黄药
3.2化学成分
化学分子式、结构式、分子量
分子式:CH,OS,Na
结构式:
CHCH-CH,O-CSNa
分子量:
(按2013年国际原子量)
分子式:C,H,OS,K
结构式:
CH—CH2—CH,—O
分子量:
(按2013年国际原子量)
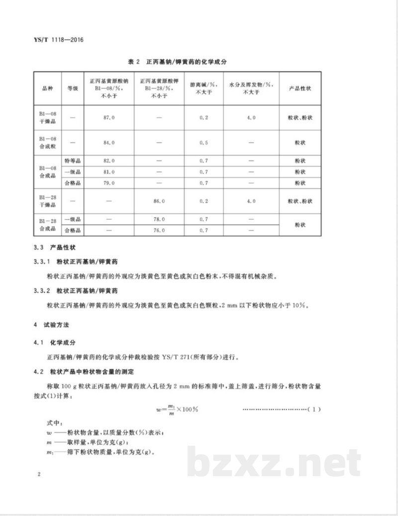
正丙基钠/钾黄药的化学成分应符合表2的规定。化学名称
正丙基黄原酸钠
正丙基黄原酸钾
产品性状
灰白色或
淡黄至黄色粉末(或颗粒)
灰白色或
淡黄至黄色粉末(或颗粒)
YS/T1118—2016
B1—08
干燥品
合成粒
B1—08
合成品
干燥品
合成品
特等品
一级品
合格品
一级品
合格品
产品性状
正丙基钠/钾黄药的化学成分
正丙基黄原酸钠
B1—08/%,
不小于
粉状正丙基钠/钾黄药
正丙基黄原酸钾
B128/%,
不小于
游离碱/%,
不大于
水分及挥发物/%,
不大于
粉状正丙基钠/钾黄药的外观应为淡黄色至黄色或灰白色粉末,不得混有机械杂质。3.3.2
粒状正丙基钠/钾黄药
产品性状
粒状、粉状
粒状、粉状
粒状正丙基钠/钾黄药的外观应为淡黄色至黄色或灰白色颗粒,2mm以下粉状物应小于10%。试验方法
化学成分
正丙基钠/钾黄药的化学成分仲裁检验按YS/T271(所有部分)进行,4.2粒状产品中粉状物含量的测定称取100g粒状正丙基钠/钾黄药放入孔径为2mm的标准筛中,盖上筛盖,进行筛分,粉状物含量按式(1)计算:
w=×100%
式中:
粉状物含量,以质量分数(%)表示;取样量,单位为克(g);
筛下粉状物质量,单位为克(g)。.(1)
4.3产品性状
正丙基钠/钾黄药外观质量用目视法检测。5检验规则
5.1检查与验收
YS/T1118—2016
5.1.1产品应由供方质量监督部门进行检验,保证产品质量符合本标准及订货单(或合同)的要求,并填写质量证明书。
5.1.2需方可对收到的产品按本标准的规定进行检验。如检验结果与本标准及订货单(或合同)的规定不符时,应在收到货物之日起30d内向供方提出,由供需双方协商解决;如需仲裁,仲裁取样应由供需双方共同进行。
5.2组批
正丙基钠/钾黄药应成批提交验收,每批应由同一牌号、同一性状、同一等级的产品组成。检验项目
每批产品应进行化学成分和产品性状的检验。5.4仲裁取样方法
从每批产品中抽取10%的箱、桶或袋作为样品,批量小时不少于3箱、桶或袋,用清洁干燥的不锈钢探针在包装物内自上而下均匀采取试样。将试样混合均匀,取出不少于300g装人两个密封瓶中贴上标签备用,注明试样名称、批号、取样时间。5.5检验结果的判定
5.5.1化学成分和外观质量检验结果与本标准及订货单(或合同)不符时,应在同批产品中抽取双倍量试样进行重复试验,重复试验结果即使只有一项不符合本标准要求,则判整批产品不合格。5.5.2如需方收到的产品系运输或保管等方面引起的变质、损坏,应由所涉及的单位负责。6标志、包装、运输、贮存和质量证明书6
6.1标志
每个包装容器上应用不易脱落的颜色标明:供方名称、地址;
b)产品名称;
c)产品批号、净重;
d)本标准编号,YS/T1118—2016;e)“防潮防热”字样;
出厂日期(或包装日期)、保质期。2包装
6.2.1钢桶包装
YS/T1118—2016
出口钢桶规格应符合GB/T325的要求。每桶净重120kg,特殊情况净重根据需方要求而定。钢桶内衬高压聚乙烯塑料袋扎口密封(根据需方要求有时钢桶内不衬高压聚乙烯塑料袋)。每批包装桶附有进出口商品检验局海运出口危险货物包装容器性能检验结果合格证,桶盖用橡胶垫圈紧固密封。国内钢桶规格为200L,每桶净重120kg。6.2.2木箱包装
木箱包装的产品为出口产品,把产品装人集装袋内,集装袋放在木箱内,每箱净重850kg,特殊情况净重根据顾客需求而定。集装袋应符合标准GB/T10454的要求。木箱、托盘应符合SN/T0273的要求,并有进出口商品检验局海运出口危险货物包装容器性能检验结果合格证6.2.3软包装
软包装采用编织袋和内膜。每袋净重由供需双方协商而定。6.2.4如需方对包装容器有特殊要求,经供需双方协商同意,在合同中注明。6.3运输和购存
正丙基钠/钾黄药易吸潮,在贮存和运输过程中应严防湿气侵入,应贮存在干燥、阴凉、通风的库房内,库房周围严禁烟火。
6.4质量证明书
每批产品应附质量证明书,注明以下内容:供方名称、地址、电话、传真;a)
产品名称、牌号、批号、等级;c)
件数、净重;
各项检验分析的结果和供方质量监督部门印记;本标准编号,YS/T1118—2016;e)
出厂日期(或包装日期)、保质期。订货单(或合同)内容
订购本标准所规定产品的订货单(或合同)内应包括下列内容:a)产品名称;
b)牌号;
c)品级;
d)形状;
e)件数、净重;
包装要求;
本标准编号,YS/T1118—2016;g)
h)其他。
小提示:此标准内容仅展示完整标准里的部分截取内容,若需要完整标准请到上方自行免费下载完整标准文档。
	 
	        
	      中华人民共和国有色金属行业标准YS/T1118—2016
正丙基钠/钾黄药
Sodium/potassiumn-propylxanthate2016-07-11发布
中华人民共和国工业和信息化部发布
2017-01-01实施
本标准按照GB/T1.1一2009给出的规则起草,本标准由全国有色金属标准化技术委员会(SAC/TC243)提出并归口。本标准主要起草单位:铁岭选矿药剂有限公司。本标准参加起草单位:北京矿冶研究总院。本标准主要起草人:姚萍、沈丽菲、张春海、吴桂叶、李成必、何伟、范志鸿、刘龙利YS/T1118—2016bzxZ.net
1范围
正丙基钠/钾黄药
YS/T1118—2016
本标准规定了正丙基钠/钾黄药的要求、试验方法、检验规则及包装、标志、运输和贮存、质量证明书及订货单(或合同)。
本标准适用于以正丙醇、二硫化碳和氢氧化钠(氢氧化钾)为原料生产的正丙基钠/钾黄药工业用品,该产品主要作为有色金属矿石浮选的捕收剂。2规范性引用文件
下列文件对于本文件的应用是必不可少的。凡是注日期的引用文件,仅注日期的版本适用于本文件。凡是不注日期的引用文件,其最新版本(包括所有的修改单)适用于本文件。GB/T325包装容器钢桶
GB/T10454集装袋
YS/T271(所有部分)
黄药化学分析方法
SN/T0273出口商品运输包装木箱检验规程3要求
3.1产品牌号、品种、化学结构式、化学名称和产品性状正丙基钠/钾黄药的牌号、品种、化学结构式、化学名称和产品性状应符合表1的规定。表1正丙基钠/钾黄药的牌号、品种、化学结构式、化学名称和产品性状牌号
B1—08
正丙基钠黄药
正丙基钾黄药
3.2化学成分
化学分子式、结构式、分子量
分子式:CH,OS,Na
结构式:
CHCH-CH,O-CSNa
分子量:
(按2013年国际原子量)
分子式:C,H,OS,K
结构式:
CH—CH2—CH,—O
分子量:
(按2013年国际原子量)
正丙基钠/钾黄药的化学成分应符合表2的规定。化学名称
正丙基黄原酸钠
正丙基黄原酸钾
产品性状
灰白色或
淡黄至黄色粉末(或颗粒)
灰白色或
淡黄至黄色粉末(或颗粒)
YS/T1118—2016
B1—08
干燥品
合成粒
B1—08
合成品
干燥品
合成品
特等品
一级品
合格品
一级品
合格品
产品性状
正丙基钠/钾黄药的化学成分
正丙基黄原酸钠
B1—08/%,
不小于
粉状正丙基钠/钾黄药
正丙基黄原酸钾
B128/%,
不小于
游离碱/%,
不大于
水分及挥发物/%,
不大于
粉状正丙基钠/钾黄药的外观应为淡黄色至黄色或灰白色粉末,不得混有机械杂质。3.3.2
粒状正丙基钠/钾黄药
产品性状
粒状、粉状
粒状、粉状
粒状正丙基钠/钾黄药的外观应为淡黄色至黄色或灰白色颗粒,2mm以下粉状物应小于10%。试验方法
化学成分
正丙基钠/钾黄药的化学成分仲裁检验按YS/T271(所有部分)进行,4.2粒状产品中粉状物含量的测定称取100g粒状正丙基钠/钾黄药放入孔径为2mm的标准筛中,盖上筛盖,进行筛分,粉状物含量按式(1)计算:
w=×100%
式中:
粉状物含量,以质量分数(%)表示;取样量,单位为克(g);
筛下粉状物质量,单位为克(g)。.(1)
4.3产品性状
正丙基钠/钾黄药外观质量用目视法检测。5检验规则
5.1检查与验收
YS/T1118—2016
5.1.1产品应由供方质量监督部门进行检验,保证产品质量符合本标准及订货单(或合同)的要求,并填写质量证明书。
5.1.2需方可对收到的产品按本标准的规定进行检验。如检验结果与本标准及订货单(或合同)的规定不符时,应在收到货物之日起30d内向供方提出,由供需双方协商解决;如需仲裁,仲裁取样应由供需双方共同进行。
5.2组批
正丙基钠/钾黄药应成批提交验收,每批应由同一牌号、同一性状、同一等级的产品组成。检验项目
每批产品应进行化学成分和产品性状的检验。5.4仲裁取样方法
从每批产品中抽取10%的箱、桶或袋作为样品,批量小时不少于3箱、桶或袋,用清洁干燥的不锈钢探针在包装物内自上而下均匀采取试样。将试样混合均匀,取出不少于300g装人两个密封瓶中贴上标签备用,注明试样名称、批号、取样时间。5.5检验结果的判定
5.5.1化学成分和外观质量检验结果与本标准及订货单(或合同)不符时,应在同批产品中抽取双倍量试样进行重复试验,重复试验结果即使只有一项不符合本标准要求,则判整批产品不合格。5.5.2如需方收到的产品系运输或保管等方面引起的变质、损坏,应由所涉及的单位负责。6标志、包装、运输、贮存和质量证明书6
6.1标志
每个包装容器上应用不易脱落的颜色标明:供方名称、地址;
b)产品名称;
c)产品批号、净重;
d)本标准编号,YS/T1118—2016;e)“防潮防热”字样;
出厂日期(或包装日期)、保质期。2包装
6.2.1钢桶包装
YS/T1118—2016
出口钢桶规格应符合GB/T325的要求。每桶净重120kg,特殊情况净重根据需方要求而定。钢桶内衬高压聚乙烯塑料袋扎口密封(根据需方要求有时钢桶内不衬高压聚乙烯塑料袋)。每批包装桶附有进出口商品检验局海运出口危险货物包装容器性能检验结果合格证,桶盖用橡胶垫圈紧固密封。国内钢桶规格为200L,每桶净重120kg。6.2.2木箱包装
木箱包装的产品为出口产品,把产品装人集装袋内,集装袋放在木箱内,每箱净重850kg,特殊情况净重根据顾客需求而定。集装袋应符合标准GB/T10454的要求。木箱、托盘应符合SN/T0273的要求,并有进出口商品检验局海运出口危险货物包装容器性能检验结果合格证6.2.3软包装
软包装采用编织袋和内膜。每袋净重由供需双方协商而定。6.2.4如需方对包装容器有特殊要求,经供需双方协商同意,在合同中注明。6.3运输和购存
正丙基钠/钾黄药易吸潮,在贮存和运输过程中应严防湿气侵入,应贮存在干燥、阴凉、通风的库房内,库房周围严禁烟火。
6.4质量证明书
每批产品应附质量证明书,注明以下内容:供方名称、地址、电话、传真;a)
产品名称、牌号、批号、等级;c)
件数、净重;
各项检验分析的结果和供方质量监督部门印记;本标准编号,YS/T1118—2016;e)
出厂日期(或包装日期)、保质期。订货单(或合同)内容
订购本标准所规定产品的订货单(或合同)内应包括下列内容:a)产品名称;
b)牌号;
c)品级;
d)形状;
e)件数、净重;
包装要求;
本标准编号,YS/T1118—2016;g)
h)其他。
小提示:此标准内容仅展示完整标准里的部分截取内容,若需要完整标准请到上方自行免费下载完整标准文档。
 标准图片预览
标准图片预览 标准图片预览:





- 其它标准
- 热门标准
- 其他行业标准
- FZ/T64060-2016 双轴向经编针织粘合衬
- HG/T3773-2012 分散黑EX-SF300%
- QZLS0032S-2016 郑州林诺实业有限公司 压片糖果
- FZ/T12057-2017 腈纶羊毛混纺本色纱
- NB/T20009.5-2013 压水堆核电厂用焊接材料 第5部分:1、2、3级设备用碳钢气体保护电弧焊药芯焊丝
- JB/T7673-2011 真空技术 真空设备型号编制方法
- YS/T1168-2016 饰品用锗合金
- YS/T940-2013 柠檬酸金钾
- TB/T3523.3-2018 交流传动电力机车试验方法 第3部分:温升、电气保护及辅助机组试验
- JB/T6313.3-2011 电工铜编织线 第3部分:直纹编织线
- HG/T2549-2012 还原橄榄绿5G超细粉
- YS/T891-2013 高纯钛化学分析方法 痕量杂质元素的测定 辉光放电质谱法
- CB/T4198-2011 船用中速柴油机齿轮箱技术条件
- YS/T254.7-2011 铍精矿、绿柱石化学分析方法 第7部分:水分量的测定 重量法
- QX/T365-2016 气象卫星接收时间表格式
- 行业新闻
请牢记:“bzxz.net”即是“标准下载”四个汉字汉语拼音首字母与国际顶级域名“.net”的组合。 ©2025 标准下载网 www.bzxz.net 本站邮件:bzxznet@163.com
网站备案号:湘ICP备2025141790号-2
网站备案号:湘ICP备2025141790号-2
