- 您的位置:
- 标准下载网 >>
- 标准分类 >>
- 轻工行业标准(QB) >>
- QB/T 2404— 1998 手表发条
标准号:
QB/T 2404— 1998
标准名称:
手表发条
标准类别:
轻工行业标准(QB)
标准状态:
现行出版语种:
简体中文下载格式:
.zip .pdf下载大小:
106.97 KB
点击下载
标准简介:
QB/T 2404— 1998.
1范围
QB/T 2404规定了手表发条(简狝"发条”)的产品分类.技术要求﹑试验方法、检验规则和标志,包装、运输.贮存。
QB/T 2404适用于普通机械手表发条。
2引用标准
下列标准所包含的条文,通过在本标准中引用而构成为本标准的条文。本标准出版时,所示版本均为有效。所有标准都会被修订,使用本标准的各方应探讨使用下列标准最新版本的可能性。
GB/T 2828--1987逐批检查计数抽样程序及抽样表(适用于连续批的检查)
GB/T 2829-1987周期检查计数抽样程序及抽样表(适用于生产过程稳定性的检查)QB/T 1249---1991普通机械手表
3产品分类
发条宽度及方孔尺寸系列见表1。
6.2.2型式检验的样本,应从出厂检验合格的某个批或若干批中随机抽取v备用样本由检验单位确定。
6.2.3检验的实施、合格判定及检验后的处置按GB/T 2829的有关规定执行。
6.2.4型式检验的周期由各生产单位自定,但发生下列情况之一时应进行型式检验。
a)新产品投产或老产品转产时﹔
b)产品的设计、结构、工艺,材料有较大变动时;
c)产品长期停产后又恢复生产时﹔
d)国家质量监督机构提出进行型式检验的要求时。
7标志、包装、运输、贮存
7.1标志
发条产品的每个包装容器内应有产品合格证并注明;
a〉制造厂厂名和厂址;
b)规格﹔
c〉商标;
d)执行标准号;
e)批号和数量﹔
f)检验员印章;
g)出厂日期。
7.2包装
发条产品的包装由供需双方商定。
7.3运输和贮存
产品在运输和贮存中,严禁压重物,必须轻拿轻放﹐切忌受潮,贮存环境应保持通风、干燥,不能与有腐蚀性气体的物品放在一起。
部分标准内容:
—1983&手表发条》修订并调整为行业标准,在修订过程中对该本标准是根据原国家标准GB4036-标准的技术要素进行了部分调整和补充。本标准与原GB4036一1983的主要差异为:取消了非自润滑发条的有关技术指标,对发条的力矩变动率进行了修订,一增加了出广检验和型式检验。本标准由国家轻工业局行业管理司提出。本标准由全国钟表标准化中心归口。本标准起草单位:西安钟表元件厂。本标准主要起草人:吴新健、孙玉凤。本标准自实施之日起,原国家标准GB4036—1983&手表发条》废止。470
中华人民共和国轻工行业标准
手表发条
QB/T2404—1998
本标准规定了手表发条(简称发条”)的产品分类、技术要求、试验方法、检验规则和标志、包装、运输、存。
本标准适用于普通机械手表发条。2 引用标准
下列标准所包含的条文,通过在本标准中引用而构成为本标准的条文。本标准出版时,所示版本均为有效。所有标准都会被修订,使用本标准的各方应探讨使用下列标准最新版本的可能性。GB/T2828--1987逐批检查计数抽样程序及抽样表(适用于连续批的检查)GB/T2829~1987周期检查计数抽样程序及抽样表(适用于生产过程稳定性的检查)QB/T1249--1991
普通机械手表
3产品分类
发条宽度及方孔尺寸系列见表1。表1
4技术要求
4.1性能
发条的机械性能见表2。
4.2尺寸精度
发条的尺寸及精度见表3。
国家轻工业局1998-11-25批准
0.4×1.20
0.5×1.60
i KAoNi KAca
0. 5×1, 60
0. 7 X1. 70
1999-06-01实施
小力矩衰减率+%www.bzxz.net
力矩变动率,%
工作数
疲劳断条次数
外勾牢度
注:Na6为手表走时36h的发条工作图数。项
内圜直径
外勾间隙
4.3外观质量
QB/T2404
—1998
4000次
经受24.5×10-Nm的力矩后外勾不脱落表3
4.3.1发条金属表面不允许有锈斑及明显的划伤等缺陷。4.3.2发条涂塑表面不允许有涂层脱落及明显的氧化色。4.4其他特殊要求,由供需双方商定。5试验方法
5.1工作圈数
0. 05~ 0.30
将发条装入标准条盒轮部件后,在力矩仪上进行测试。先上满条,退1/4圈时测得大力矩(MT。)在退至相当于手表走时24h的圈数时(包括已退的1/4圈)测得小力矩(MT24),力矩为零时读工作图数,当测力矩打滑时只允许调换一次条盒轮部件。5.2疲劳断条次数
将发条放在疲劳仪上测试,测量其卷缩、伸展在大小力矩之间的次数即为疲劳次数,卷缩、伸展一次时间为3s.
5.3小力矩衰减率
按5.1方法测得发条小力矩值后,再测试疲劳试验1800次后的小力矩值,将其值代人式(1),计算小力矩衰减率。
= Mr= M × 100
式中:-—小力矩衰减率,%
Mr24——发条24h的力矩(即小力矩),N·mzMTF24
疲劳1800次后测得的小力矩,N·m。5.4力矩变动率
按5.1方法测得发条大、小力矩值,将其代人式(2),计算力矩变动率。Mro=Mr2d × 100
一力矩变动率,%;
式中B-
QB/T2404—1998
MTo-—-发条满条力矩(即大力矩),N·mMr34—-发条24 h的力矩(即小力矩),N*m。5.5外勾牢度
将发条放在标准簧为24.5×10-3N·m的力矩仪上进行测试,上紧后外勾不能脱落。5.6尺寸精度
5.6.1发条宽度用千分尺测量。
5.6.2发条内图直径用专用塞规测量。如有争议时,可用50×投影仪测量,测量方法究图1。y
5.6.3外勾间隙用50×投影仪测量。5.7外观质量
在自然光下,距被测件表面300mm处目测检查。‘6检验规则
6.1出厂检验
6.1.1出厂检验按GB/T2828执行,采用一次抽样方案,其不合格类别、检验项目、检查水平(IL)、合格质量水平(AQL)见表4。
不合格类别
检验项目
工作围数
力矩变动率
外勾率度
内围直径
外勾间隙
外观质量
对应条款
4.2,5.6.2
4.2.5.6.3
4.2,5.6.1
检查水平
6.1.2批的组成,批量由供需双方商定。6.1.3检验的实施、合格判定及检验后的处置按GB/T2828的有关规定执行。合格质量水平
6.2型式检验
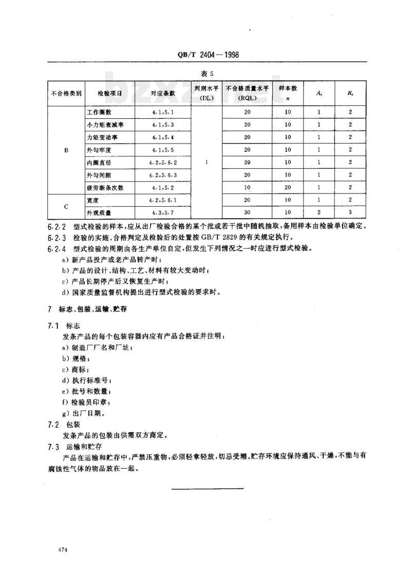
6.2.1型式检验按GB/T2829执行.采用一次抽样方案,其不合格类别.检验项目、判别水平、不合格质量水平(RQL)、样本数及判定数组见表5。473
HHKAoNiKAca
不合格类别
检验项目
工作国数
小力矩囊减事
力矩变动率
外勾牢度
内围直径
外勾间隙
疲劳断条次数
外观质量
对应条款
4.2,5.6.2
4.2.5.6.3
QB/T2404—1998
判别水平
4.2.5.6.1
不合格质量水平
样本数
型式检验的样本,应从出厂检验合格的某个批或若干批中随机抽取,备用样本由检验单位确定。6.2.2
6.2.3检验的实施、合格判定及检验后的处置按GB/T2829的有关规定执行。6.2.4型式检验的周期由各生产单位自定,但发生下列情况之一时应进行型式检验。a)新产品投产或老产品转产时;b)产品的设计、结构、工艺、材料有较大变动时;c)产品长期停产后又恢复生产时;d)国家质量监督机构提出进行型式检验的要求时。7标志、包装、运输、存
7.1标志
发条产品的每个包装容器内应有产品合格证并注明:a)制造厂厂名和厂址;
b)规格;
c)商标;
d)执行标准号;
e)批号和数量;
f)检验员印章,
g)出厂日期。
7.2包装
发条产品的包装由供需双方商定。7.3运输和贮存
产品在运输和贮存中,严禁压重物,必须轻拿轻放,切忌受潮。贮存环境应保持通风、干燥,不能与有瘾蚀性气体的物品放在一起。
小提示:此标准内容仅展示完整标准里的部分截取内容,若需要完整标准请到上方自行免费下载完整标准文档。
标准图片预览:





- 其它标准
- 上一篇: QB/T 2440.4-1999 夹扭钳水泵钳
- 下一篇: QB/T 2405-1998 钟表宝石元件
- 热门标准
- QB轻工标准
- QB/T5302-2018 生活用干纸巾流延聚乙烯(CPE) 包装膜
- QB/T2833-2006 运动营养食品 能量控制食品
- QB/T1640-1992 陶瓷模用石膏粉物理性能测试方法
- QB/T1949-2004 扬琴
- QB/T2421-1998 铝及铝合金不粘锅
- QB/T4701-2014 毛发护理器具环境意识设计导则
- QB/T2173-2001 尼龙拉链
- QB/T2094.5-1995 鸡尾锯
- QB/T1272-2012 毛皮 化学试验样品的准备
- QB/T1753.3-1993 轻机产品图样及设计文件规定格式及填写要求
- QB/T1819-1993 R6纸板电池生产线
- QB/T2058-1994 照相灯泡
- QB/T2956-2008 皮鞋外底
- QB/T1334-2013 水嘴通用技术条件
- QB/T4427-2012 芸香浸膏 枫香树脂提取物
- 行业新闻
网站备案号:湘ICP备2025141790号-2