- 您的位置:
- 标准下载网 >>
- 标准分类 >>
- 轻工行业标准(QB) >>
- QB/T 2212.9—1996 建筑工具(泥瓦类)长方形压子
标准号:
QB/T 2212.9—1996
标准名称:
建筑工具(泥瓦类)长方形压子
标准类别:
轻工行业标准(QB)
标准状态:
现行出版语种:
简体中文下载格式:
.zip .pdf下载大小:
55.67 KB
点击下载
标准简介:
QB/T 2212.9—1996.
范围
QB/T 2212.9规定了长方形压子的产品分类、技术要求,试验方法、检验规则和包装,标志、运输、贮存。本标准适用于QB/T 2212.1《建筑工具(泥瓦类〉术语》中规定的第207号长方形压子。
2引用标准
下列标准所包含的条文,通过在本标准中引用而构成为本标准的条文。本标准出版时,所示版本均为有效。所有标准都会被修订,使用本标准的各方应探讨使用下列标准最新版本的可能性。
QB/T 2212.1---1996建筑工具(泥瓦类)术语
QB/T 2212.2--1996建筑工具(泥瓦类)通用技术条件
3产品分类
3.1型式
长方形压子的型式如图1所示。
4技术要求
长方形压子的技术要求按QB/T 2212.2—-1996第4章的规定。
5试验方法
5.1尺寸检验
用通用量具测量。
5.2其他项目检验
按QB/T 2212.2--1996第5章的规定进行。
6检验规则
按QB/T 2212.2—1996第6章的规定。
7包装,标志、运输,贮存
按QB/T 2212.2---1996第7章的规定。
部分标准内容:
QB/T2212.9--1996
本标准是在原轻工业部专业标准ZBJ47001-1985《建筑(泥瓦)工具术语》、ZBJ47002-—1985《建筑(泥瓦)工具通用技术条件》、ZBJ47003一1985《建筑(泥瓦)工具检验规则、标志、包装与运输》的基础上进行修订的,并转化为轻工行业标准。在标准的总体结构上,保留了建筑工具术语、通用技术条件及其产品标准,取消了原ZBJ47003一1985《建筑(泥瓦)工具检验规则、标志、包装与运输》,将其部分有关条文并人通用技术条件。产品标准按术语中编号予以保留。并增加一《菱形砌铲》产品标准。本标准将原名称括号内(泥瓦)二字改为(泥瓦类),放在标准名称“建筑工具”的后面,使建筑作业用的手工工具更规范化,并在适用范围中作出明确的限定说明。本标准是配套使用的标准,术语与通用技术条件为基础性的,保留了原标准中经实践证明适合我国情况的技术内容。产品标准中的主要尺寸作了优化处理,增加几档规格,并注明极限偏差。本标准对某些质量指标作了修改和提高。
本标准自实施之日起,同时废止ZBJ47001~47003—1985。本标准由中国轻工总会质量标准部提出。本标准由全国工具五金标准化中心归口。本标准起草单位:上海市工具工业研究所、石家庄工农机械厂、大连房屋设备工具总厂、上海奉贤工具三广等。
本标主要起草人:程永丰、左振江、田丽敏、秦德林、王辰德。本标准委托全国工具五金标准化中心负责解释。608
1范围
中华人民共和国轻工行业标准
建筑工具(泥瓦类)
长方形压子
QB/T 2212.9—1996
本标准规定了长方形压子的产品分类、技术要求、试验方法、检验规则和包装、标志、运输、贮存。本标准适用于QB/T2212.1《建筑工具(泥瓦类)术语》中规定的第207号长方形压子。2引用标准
下列标准所包含的条文,通过在本标准中引用而构成为本标准的条文。本标准出版时,所示版本均为有效。所有标准都会被修订,使用本标准的各方应探讨使用下列标准最新版本的可能性。QB/T2212.11996建筑工具(泥瓦类)术语QB/T2212.2---1996
建筑工具(泥瓦类)通用技术条件3产品分类
3.1型式
长方形压子的型式如图1所示。
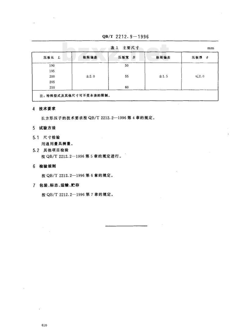
3.2主要尺寸
长方形压子的主要尺寸按表1的规定。中国轻工总会1996-03-22批准
TTKAoNni KAca
D-D旋转
1996-12-01实施
压板长、L
极限偏差
QB/T2212.9-—1996
表 1主要尺寸
压板宽B
注:特殊型式及其他尺寸可不受本表的限制。技术要求
长方形压子的技术要求按QB/T2212.2-1996第4章的规定。5试验方法
5.1尺寸检验
用通用量具测量。此内容来自标准下载网
5.2其他项目检验
按QB/T2212.2--1996第5章的规定进行。6检验规则
按QB/T2212.2—1996第6章的规定。7包装、标志、运输、贮存
按QB/T2212.2-1996第7章的规定。610
极限偏差
压板浮
小提示:此标准内容仅展示完整标准里的部分截取内容,若需要完整标准请到上方自行免费下载完整标准文档。
本标准是在原轻工业部专业标准ZBJ47001-1985《建筑(泥瓦)工具术语》、ZBJ47002-—1985《建筑(泥瓦)工具通用技术条件》、ZBJ47003一1985《建筑(泥瓦)工具检验规则、标志、包装与运输》的基础上进行修订的,并转化为轻工行业标准。在标准的总体结构上,保留了建筑工具术语、通用技术条件及其产品标准,取消了原ZBJ47003一1985《建筑(泥瓦)工具检验规则、标志、包装与运输》,将其部分有关条文并人通用技术条件。产品标准按术语中编号予以保留。并增加一《菱形砌铲》产品标准。本标准将原名称括号内(泥瓦)二字改为(泥瓦类),放在标准名称“建筑工具”的后面,使建筑作业用的手工工具更规范化,并在适用范围中作出明确的限定说明。本标准是配套使用的标准,术语与通用技术条件为基础性的,保留了原标准中经实践证明适合我国情况的技术内容。产品标准中的主要尺寸作了优化处理,增加几档规格,并注明极限偏差。本标准对某些质量指标作了修改和提高。
本标准自实施之日起,同时废止ZBJ47001~47003—1985。本标准由中国轻工总会质量标准部提出。本标准由全国工具五金标准化中心归口。本标准起草单位:上海市工具工业研究所、石家庄工农机械厂、大连房屋设备工具总厂、上海奉贤工具三广等。
本标主要起草人:程永丰、左振江、田丽敏、秦德林、王辰德。本标准委托全国工具五金标准化中心负责解释。608
1范围
中华人民共和国轻工行业标准
建筑工具(泥瓦类)
长方形压子
QB/T 2212.9—1996
本标准规定了长方形压子的产品分类、技术要求、试验方法、检验规则和包装、标志、运输、贮存。本标准适用于QB/T2212.1《建筑工具(泥瓦类)术语》中规定的第207号长方形压子。2引用标准
下列标准所包含的条文,通过在本标准中引用而构成为本标准的条文。本标准出版时,所示版本均为有效。所有标准都会被修订,使用本标准的各方应探讨使用下列标准最新版本的可能性。QB/T2212.11996建筑工具(泥瓦类)术语QB/T2212.2---1996
建筑工具(泥瓦类)通用技术条件3产品分类
3.1型式
长方形压子的型式如图1所示。
3.2主要尺寸
长方形压子的主要尺寸按表1的规定。中国轻工总会1996-03-22批准
TTKAoNni KAca
D-D旋转
1996-12-01实施
压板长、L
极限偏差
QB/T2212.9-—1996
表 1主要尺寸
压板宽B
注:特殊型式及其他尺寸可不受本表的限制。技术要求
长方形压子的技术要求按QB/T2212.2-1996第4章的规定。5试验方法
5.1尺寸检验
用通用量具测量。此内容来自标准下载网
5.2其他项目检验
按QB/T2212.2--1996第5章的规定进行。6检验规则
按QB/T2212.2—1996第6章的规定。7包装、标志、运输、贮存
按QB/T2212.2-1996第7章的规定。610
极限偏差
压板浮
小提示:此标准内容仅展示完整标准里的部分截取内容,若需要完整标准请到上方自行免费下载完整标准文档。
标准图片预览:



- 其它标准
- 上一篇: CB 709.1-83 船用柴油机喷油器总成技术条件
- 下一篇: CB 692-94 油舱呼吸阀
- 热门标准
- QB轻工标准
- QB/T2261-1996 灯用卤磷酸钙荧光粉发射光谱及色坐标的测试方法
- QB/T1476-1992 玻璃钢钓鱼竿
- QB/T2758.2-2005 羽毛球网柱
- QB/T5006-2016 姜汁(粉)红糖
- QB/T2122-1995 童车电镀技术条件
- QB/T2614-2003 α-戊基肉桂醛
- QB2656-2004 老白干香型白酒
- QB/T2875-2007 工业用缝纫机加固缝缝纫机机头
- QB/T1883-2018 自行车普通前轴和后轴
- QB/T1617-1992 氨纶手套
- QB1631.1632-1992 檀香208复盆子酮
- QB/T2462.1-1999 电线电缆用辐照交联聚烯陉塑料额定电压0~10kV 聚乙烯绝缘料
- QB/T2044-2007 工业用缝纫机平台式绷缝缝纫机机头
- QBT1706-2006 条纹牛皮纸
- QB/T001L-2001 水轮机数字式电液调速器技术条件
- 行业新闻
请牢记:“bzxz.net”即是“标准下载”四个汉字汉语拼音首字母与国际顶级域名“.net”的组合。 ©2025 标准下载网 www.bzxz.net 本站邮件:bzxznet@163.com
网站备案号:湘ICP备2025141790号-2
网站备案号:湘ICP备2025141790号-2